JUKI_KE-2070-2080_MAINTE_CH - 第231页

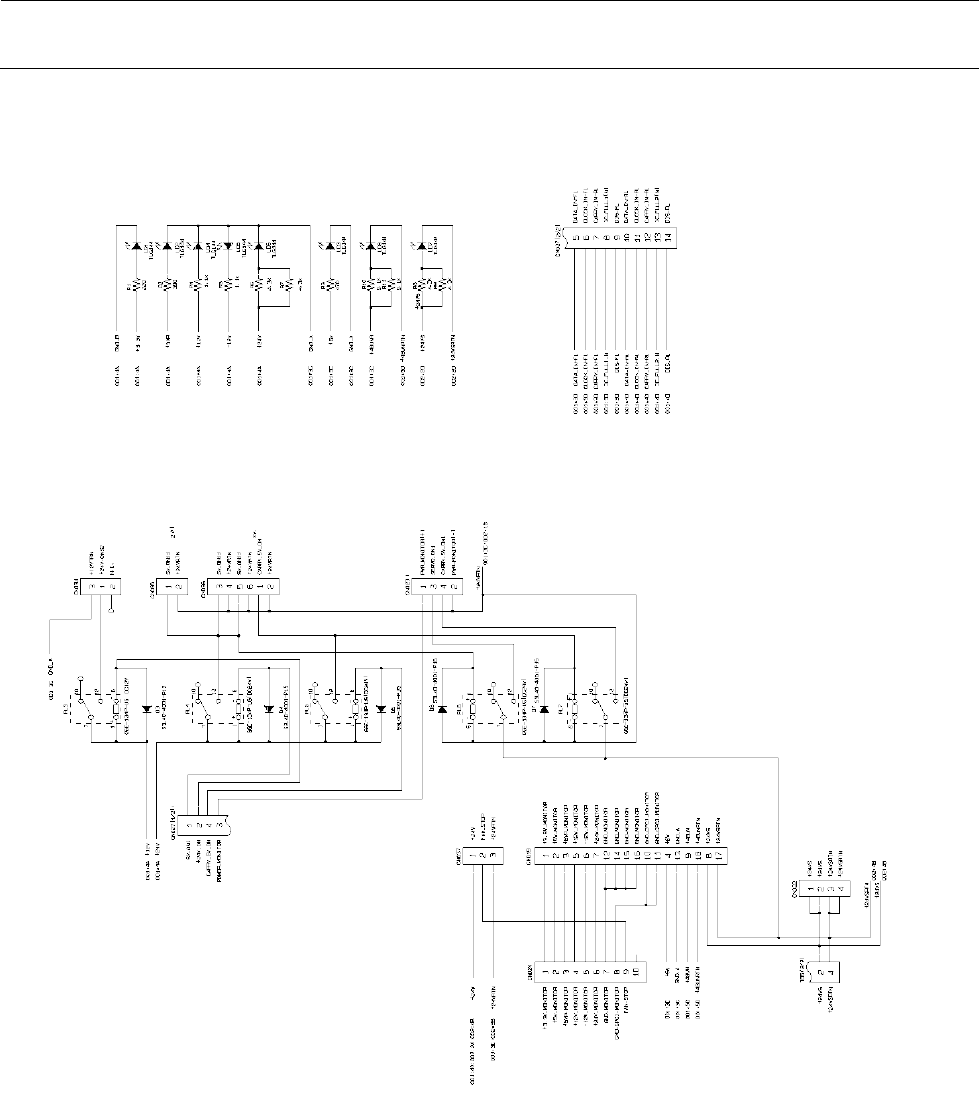
维修调整要领书 14-12 14-4 .控制装置 14-4-1 .控制装置的构 成 控制装置的基板配置图如下所示。请参照这些图确认基板的安装 。 14-4-1-1 . KE-1070/1 070C/2070/2070C 基板配置 IP-X3R PCB ASM IO CTRL PCB ASM 4000 1943 BASE FEEDER PCB AS M 40001941 LIGHT CTRL PCB ASM SAFETY PCB ASM …

100%1 / 341
维修调整要领书
14-11
控制装置
( �色)
+24V�源�出控制
�源控制
�送�源控制
( 黄色)
安全装置
�色)
安全装置
( �色)
从控制装置来
14-3-1-6 电源基板的连接图2/2
维修调整要领书
14-12
14-4.控制装置
14-4-1.控制装置的构
控制装置的基板配置图如下所示。请参照这些图确认基板的安装
14-4-1-1KE-1070/1070C/2070/2070C 基板配置
IP-X3R PCB ASM
IO CTRL PCB ASM 40001943
BASE FEEDER PCB ASM 40001941
LIGHT CTRL PCB ASM
SAFETY PCB ASM
XY RELAY PCB ASM 40044557
N-VERIFY DMM 40029035
RS232C CHANGE PCB ASM 40026382
MOUSE/KEYBOARD SELECTOR 40003281
CPU BOARD
POSITION BOARD 40044540
IEEE1394A BOARD 40044519
2CH SERIAL COM BOARD 40003299
BUS BRIDGE BOARD 40003313
I-CX BOARD 40031754(オプション)
N-VERIFY I/F PCB ASM 40029039(オプション)
BLANK PANEL B
BLANK PANEL B
14-4-1-1.基板配置图(KE-1070/1070C/ 2070C/2070)
1 根据有无 MNVC 选项而变更。( KE-2070)
MNVCOP)选项 MNVCST)选项 MNVC 选项
LIGHT CTRL PCB ASM LIGHT CTRL PCB ASM LIGHT CTRL PCB(50) ASM
40001904 40001904 40001918
IP-X3R PCB B IP-X3R PCB A IP-X3R PCB A
40052360 40052359 40052359
2 根据有无简易载荷选项而变更。( KE-2070)
I-CX BOARD(品番:40031754)使用 2 槽口。
3 根据有无 SCS CVS(选项)而变更。(仅 KE- 2070
4 使用基板根据机器 Rev. 而异。请参阅下表。
机种
CPU 基板货号 SAFETY PCB ASM 货号
40044475 40107372 40044553 40136685
KE-1070 Rev. G 以前 Rev. H 以后 Rev. H 以前 Rev. I 以后
KE-1070C Rev. G 以前 Rev. H 以后 Rev. H 以前 Rev. I 以后
KE-2070C Rev. C 以前 Rev. D 以后 Rev. D 以前 Rev. E 以后
KE-2070 Rev. I 以前 Rev. J 以后 Rev. J 以前 Rev K 以后
4
1
1
(
选购品
)
2
3
4
BLANK PANEL
IEE1394A BOARD 40150021
维修调整要领书
14-13
14-4-1-2KE-1080/2080 基板配置
IP-X3R PCB ASM B 40052360
IO CTRL PCB ASM 40001943
BASE FEEDER PCB ASM 40001941
LIGHT CTRL PCB ASM 40001904
SAFETY PCB ASM
XY RELAY PCB ASM 40044557
N-VERIFY DMM 40029035
RS232C CHANGE PCB ASM 40026382
MOUSE/KEYBOARD SELECTOR 40003281
CPU BOARD
POSITION BOARD 40044540
IEEE1394A BOARD 40044519
2CH SERIAL COM BOARD 40003299 オプション
BUS BRIDGE BOARD 40003313
I-CX BOARD 40031754(オプション)
N-VERIFY I/F PCB ASM 40029039(オプション)
BLANK PANEL B
BLANK PANEL B
1 根据有无简易载荷选项而变更。I-CX BOARD 使用 2 槽口。
2 根据有无 SCS CVS(选项)而变更。(仅 KE- 2080
3 使用基板根据机器 Rev. 而异。请参阅下表。
机种
CPU 基板货号 SAFETY PCB ASM 货号
40044475 40107372 40044553 40136685
KE-1080 Rev B 以前 Rev C以后 Rev C 以前 Rev D 以后
KE-2080 Rev K 以前 Rev L以后 Rev L 以前 Rev M 以后
14-4-1-2.基板配置图(KE-2080)
2
(选购品)
(选购品)
3
3
(选购品)
BLANK PANEL
IEE1394A BOARD 40150021