JUKI_KE-2070-2080_MAINTE_CH - 第185页
维修调整要领书 13 - 11 13 -3- 4 . 选购后置监视器 (R EAR MONITOR OPTI ON) 时的设置及连接 液晶显示监视器有 2 种规格不同的种类。 即标准 LCD ( 40025669 )、共面性检测用模拟 LCD (40028131) 。 本节介绍的是与另外的任选功能(共面性)组合时的连接方法以及非此种情况时的连接方法。 CPU BOR AD 400 4447 5 LCD 400 2566 9 VID EO…

维修调整要领书
13-10
13-3-2-3.背光的更换方法
13-3-2-3-1. KE-2070/2070C/2080/2080R/1070/1070C/1080 的背灯的更换
注)拔出电缆时要注意有无破损、断线。如果在断线状态
下接通电源,则有冒烟、着火的危险。
【工序④】向④所示的箭头方向按下固定背灯管用的卡爪。
【工序⑤】完成工序④后即顺⑤所示的箭头方向拔出背灯。
注) 不要硬拉背灯电缆。极可能引起电缆断线,有
冒烟、着火的危险。
【工序⑥】按与工序⑤相反的方向插入更换用的背灯管,
插到头时可听到固定用的卡爪有“咔嚓”一声。
【工序⑦】依工序③→②→①的顺序将显示仪回复到原先
的状态。
13-3-3.RS232C CHANGE PCB ASM 的跨接设定
安装在控制单元(参看 14-4-1 章)内的 RS232C CHANGE PCB ASM 的 W1 的跨接请按下图所示设定。
【工序①】取下 6 个部位的 M3 螺钉。
【工序③】从夹紧件中取出高压电缆。
【工序②】剥掉 UL 带。一般不能再用。
④
⑤

维修调整要领书
13-11
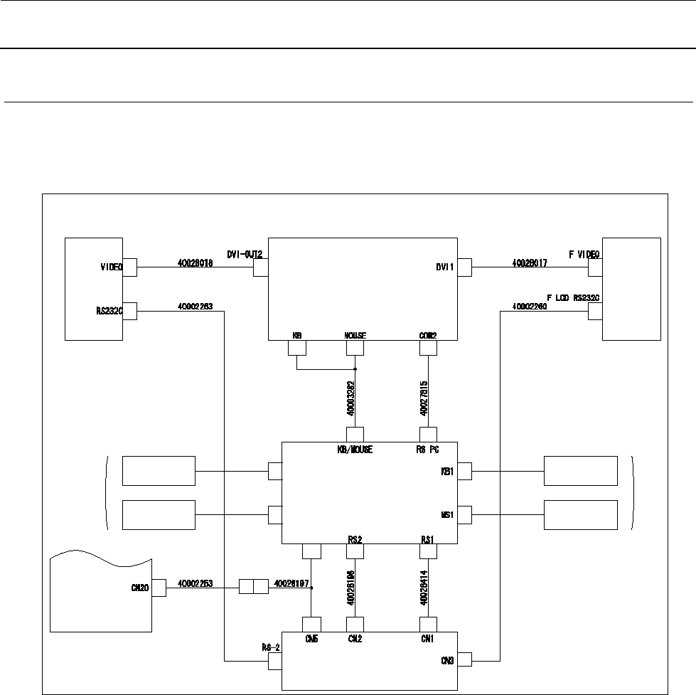
13-3-4.选购后置监视器(REAR MONITOR OPTION)时的设置及连接
液晶显示监视器有 2 种规格不同的种类。
即标准 LCD (40025669)、共面性检测用模拟 LCD (40028131)。
本节介绍的是与另外的任选功能(共面性)组合时的连接方法以及非此种情况时的连接方法。
CPU BORAD
40044475
LCD
40025669
VIDEO
KEYBORAD
40003284
MOUSE
********
FRONT
DVI2
LCD
40025669
CN1
RS232C
RS-CN5
Rear Front
KB2
MS2
KEYBORAD
40003284
MOUSE
********
OPERATION PCB ASM
40001953
or
OPWRATION PCB(EN) ASM
40001954
CN4
CN720
CHG-4P
EXT2
RS-CN2
RS-A
RS-B
EX
RS-B
REAR
R LCD RS232C
R VIDEO
DVI-OUT1
CPU COM2
RS PCKB/MOUSE
KEYBOARD/MOUSE SWITCH
40003281
RS232C CHAGE PCB ASM
40026382
背面モニタ接続図(コプラナリティオプション 無しの場合)
背面监视器连接图(无共面选购件的情况下)
或 40107372

维修调整要领书
13-12
CPU BORAD
40044475
LCD
40025669
VIDEO
KEYBORAD
40003284
MOUSE
********
FRONT
DVI1
LCD
40025669
CN1
RS232C
RS-CN5
Rear Front
KB2
MS2
KEYBORAD
40003284
MOUSE
********
OPERATION PCB ASM
40001953
or
OPWRATION PCB( EN) ASM
40001954
CN4
CN720
CHG-4P
EXT2
RS-CN2
RS-A
RS-B
EX
RS-B
REAR
R LCD RS232C
R VIDEO
VGA
CPU COM2
RS PCKB/MOUSE
KEYBOARD/M OUSE SWI TCH
40003281
RS232C CHA GE P CB A SM
40026382
背面モニタ接続図(コプラナリティオプション有りの場合)
VGA
COPLANARTY
UNIT
E96747290A 0
CP VGA
VGA TRANSF ER
SWITCH
E967672900 0
背面监视器连接图(有共面选购件的情况下)
或 40107372
40028131