JUKI_KE-2070-2080_MAINTE_CH - 第187页
维修调整要领书 13 - 13 13 -4 . 系统盘的更换 系统盘由 1 台 SSD 构成, 与装入 Window s 或 RTX 等操作系统的 C 驱动器、 保存系统程序、 参数和生 产程序文件的 D 驱动器区分开。 13 -4- 1 . SSD 的更换 13 -4- 1- 1 . 需要部件 ① KE - 2070/2080 Environment Dis k ( SSD ) ※ KE - 1070/1070C/1080/2070/…

维修调整要领书
13-12
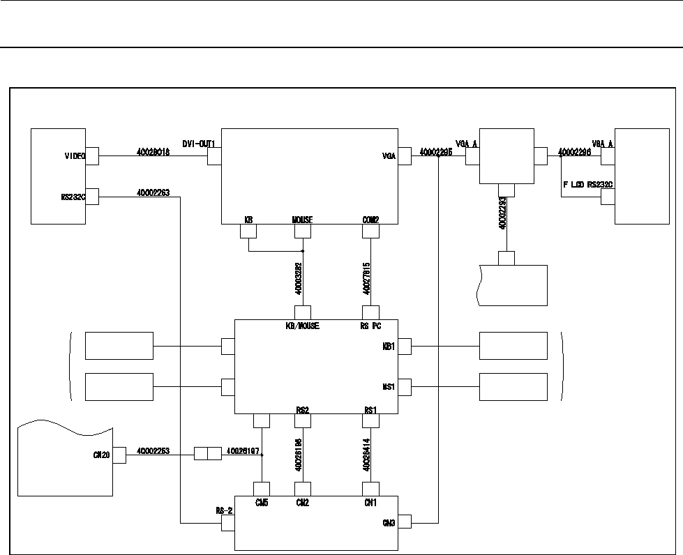
CPU BORAD
40044475
LCD
40025669
VIDEO
KEYBORAD
40003284
MOUSE
********
FRONT
DVI1
LCD
40025669
CN1
RS232C
RS-CN5
Rear Front
KB2
MS2
KEYBORAD
40003284
MOUSE
********
OPERATION PCB ASM
40001953
or
OPWRATION PCB( EN) ASM
40001954
CN4
CN720
CHG-4P
EXT2
RS-CN2
RS-A
RS-B
EX
RS-B
REAR
R LCD RS232C
R VIDEO
VGA
CPU COM2
RS PCKB/MOUSE
KEYBOARD/M OUSE SWI TCH
40003281
RS232C CHA GE P CB A SM
40026382
背面モニタ接続図(コプラナリティオプション有りの場合)
VGA
COPLANARTY
UNIT
E96747290A 0
CP VGA
VGA TRANSF ER
SWITCH
E967672900 0
背面监视器连接图(有共面选购件的情况下)
或 40107372
40028131

维修调整要领书
13-13
13-4.系统盘的更换
系统盘由 1 台 SSD 构成,与装入 Windows 或 RTX 等操作系统的 C 驱动器、保存系统程序、参数和生
产程序文件的 D 驱动器区分开。
13-4-1.SSD 的更换
13-4-1-1.需要部件
①
KE-2070/2080 Environment Disk(SSD)
※
KE-1070/1070C/1080/2070/2070C/2080/2080R 在使用共同的 Environment Disk。
表 13-4-1-1 SSD 的货号
言語
OS
品名
货号
备考
共同(日·英·
中)
WindowsXP Environment DISK 40099750 ACP-128J 用
共同(日·英·
中)
WindowsXP Environment DISK 40132223 ACP-132-C18-J 用
表 13-4-1-2 各机种的系统盘组成变化与机器 Rev 的关系
机种
系统盘组成(SSD+HDD)
(货号 40050293)
系统盘组成(仅有 SSD)
(货号 40099750)注 1
新 CPU 电路板用 SSD
(货号 40132223)注 2
CPU 电路板(40044475)
CPU 电路板(40044475)
CPU 电路板(40107372)
KE-1070 M/C Rev. F 以前
M/C Rev. G M/C Rev. H 以后
KE-1070C M/C Rev. F 以前
M/C Rev. G M/C Rev. H 以后
KE-1080 M/C Rev. A 以前
M/C Rev. B M/C Rev. C 以后
KE-2070 M/C Rev. G 以前
M/C Rev. H~I M/C Rev. J 以后
KE-2070C M/C Rev. A 以前
M/C Rev. B~C M/C Rev. D 以后
KE-2080 M/C Rev. I 以前
M/C Rev. J~K M/C Rev. L 以后
KE-2080R M/C Rev. C 以前 M/C Rev. D~E M/C Rev. F 以后
注 1 将 Environment DISK(40099750)用于系统盘组成(SSD+HDD)时 , 卸下 HDD,在 HDD 部安装 SSD 。
注 2 要把 Environment DISK(40132223) 安装到旧 M/C Rev. 时,CPU 电路板也必须更换。
②
KE-1070/1070C/1080/2070/2070C/2080/2080R 的软件。
保存了 KE-1070/1070C/1080/2070/2070C/2080/2080R 所有的系统程序,在安装时需要指定机种
(仅在新安装时)。
③
FlexlineDB 安装盘
元件目录数据库。

维修调整要领书
13-14
13-4-1-2.SSD 更换方法
1) 取下⑩螺丝Cap,注意 IDE 连接器的状态,将整体从机座架上取下。
2) 请取下③螺丝Cap,之后取下②SSD BRACKET,最后取下 IDE 连接器。
3) 请取下⑤⑦的螺丝,从⑥Weight plate 上取下①SSD。
4) 请按照相反的程序实施安装
①SSD 1个
②SSD BRACKET 1个
③螺丝Cap M3×6 2 个
④垫片(M 3) 4 个
⑤柱栓(M 3) 4 个
⑥Weight plate 1 个
⑦螺丝Cap M3×8 4 个
⑧止动橡胶 4个
⑨螺丝Cap M3×8 4 个
⑩螺丝Cap M5×12 4 个
1
2
3
4
5
6
7
8
9
10