00191368-01 - 第393页
Betriebsanleitung HS-50 10 BE-Handling Software-Version 5.01 Ausgabe 01/99 1 0.6 BE-Wechseltische 391 %(:HFKVHOWLVF KDEGRFNHQ Å Klic ken Si e im Menü GRUNDAN SICHT die Ikone BE ARBE ITEN ANHAL TEN an. Die gera d…

10 BE-Handling Betriebsanleitung HS-50
10.6 BE-Wechseltische Software-Version 5.01 Ausgabe 01/99
390
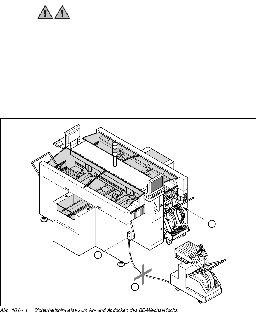
%(:HFKVH OWLVFKH
6LFKHUKHLWVKLQZHLVH]XP$QXQG$EGRFNHQGHU%(:HFKVHOWLVFKH
WARNUNG
Å Greifen Sie bei laufender Maschine niemals in die Spalte zwischen den BE-Wechselti-
schen und dem Automatenständer (Pos. 1 in Abb. 10.6 - 1).
Å Das Versorgungskabel für die BE-Wechseltische darf nur dann an die Automatensteck-
dose angeschlossen bzw. von dieser abgezogen werden, wenn der BE-Wechseltisch am
Automaten angedockt ist (Pos. 2 in Abb. 10.6 - 1).
Å Es ist grundsätzlich untersagt, das Verbindungskabel des BE-Wechseltisches an die
Steckdose des Automaten anzuschließen und den BE-Wechseltisch über die Druckluft-
steuerung außerhalb des Automaten zu bedienen (Pos. 3 in Abb. 10.6 - 1).
2
1
3
Betriebsanleitung HS-50 10 BE-Handling
Software-Version 5.01 Ausgabe 01/99 10.6 BE-Wechseltische
391
%(:HFKVHOWLVFKDEGRFNHQ
Å Klicken Sie im Menü GRUNDANSICHT die Ikone BEARBEITEN ANHALTEN an.
Die gerade bearbeitete Leiterplatte wird fertigbestückt. Danach werden die Ikonen der Ein-
zelfunktionenmenüs aktiviert.
Å Klicken Sie die gewünschte Ikone EINZELFUNKTIONEN PORTAL X an (Portal 1, 2, 3 oder
4).
Å Klicken Sie die Ikone PORTALFUNKTIONEN an.
Å Klicken Sie in diesem Menü die Schaltfläche RÜSTPOSITION ANFAHREN an.
Der gewählte Bestückkopf fährt über den LP-Transport, so daß er beim BE-Tischwechsel
nicht beschädigt werden kann.
Å Klappen Sie die Schutzhaube des gewählten Portals hoch.
Å Klappen Sie den Bügel (Pos. 5) nach oben. Damit arretieren Sie die angehobene BE-
Tischplatte in ihrer oberen Endstellung.
Å Öffnen Sie die Abdeckklappe über dem Taster (Pos. 1).
Å Drücken Sie den Taster (Pos. 1) zum Anheben der BE-Tischplatte (Pos. 3) so lange, bis
die BE-Tischplatte ihre obere Endstellung erreicht hat.
Å Lösen Sie den Stecker (Pos. 2) des BE-Wechseltisches vom Automaten.
Å Ziehen Sie den BE-Tisch heraus.

10 BE-Handling Betriebsanleitung HS-50
10.6 BE-Wechseltische Software-Version 5.01 Ausgabe 01/99
392
1. Taster zum Heben bzw. Senken der BE-Tischplatte
2. Stecker zum Anschluß des Kabels des BE-Wechseltisches
3. BE-Tischplatte, heb- und senkbar
4. BE-Wechseltisch
5. Bügel
6. Gurtabfallbehälter
7. Zentrierbohrungen zur Aufnahme der Zentrierstifte
6
5
4
3
2
1
7
2
1