00191368-01 - 第41页
Betriebsanleitung SIPLACE HS-50 1 Einleitung Softwareversion SR.501.xx Ausgabe 01/99 1.12 Baugruppe nübersicht - Portale 39 7 HFKQLVFKH'D WHQGHU [ $ FKVH $ XIED XGHU\ $ FKVH Antrieb Drehst ro…

1 Einleitung Betriebsanleitung SIPLACE HS-50
1.12 Baugruppenübersicht - Portale Softwareversion SR.501.xx Ausgabe 01/99
38
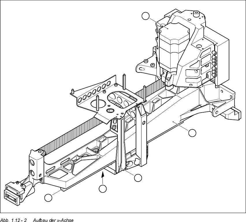
$XIEDXGHU[$FKVH
Die x-Achse besteht im wesentlichen aus folgenden Hauptbaugruppen:
– Portalausleger (1)
– Kopfhalterung (2)
– Lineares Meßsystem (3)
– x-Führungssystem (4)
– x-Drehstrom-Servomotor (5)
Die Kopfhalterung nimmt folgende Komponenten auf
– Unterportalkamera (LP-Kamera des LP-Visionsystems)
– Kopfplatine
– Meßkopf des Meßsystems der x-Achse
– Revolverbestückkopf
5
1
2
4
3

Betriebsanleitung SIPLACE HS-50 1 Einleitung
Softwareversion SR.501.xx Ausgabe 01/99 1.12 Baugruppenübersicht - Portale
39
7HFKQLVFKH'D WHQGHU [ $FKVH
$ XIED XGHU\$ FKVH
Antrieb Drehstromservomotor/Zahnriemen
Max. Geschwindigkeit 2,5 m/sec.
Verfahrweg 375 mm
Wegmeßsystem Linearer Metallmaßstab
Meßlänge 400 mm
Maßstabslänge 420 mm
Auflösung 1 µm
1. Portal 1 5. Permanentmagnet
2. Portal 2 6. Führungssystem
3. Portal 3 7. Meßsystem
4. Portal 4 8. Adapterplatte
4
1
2
3
5
6
7
8

1 Einleitung Betriebsanleitung SIPLACE HS-50
1.12 Baugruppenübersicht - Portale Softwareversion SR.501.xx Ausgabe 01/99
40
Die y-Achse besteht im wesentlichen aus folgenden Hauptbaugruppen:
– y-Linearantrieb mit Permanentmagnet (1) und Adapterplatte (2)
– y-Führungssystem
– y-Meßsystem
Die y-Achse wird über einen Linearmotor angetrieben. Der Sekundärteil des Antriebs besteht
aus Permanentmagneten und ist am Maschinenständer montiert. Der Primärteil ist mit dem
Portal verschraubt (Adapterplatte). Eine Anticrashschaltung begrenzt die Verfahrwege der
Portale gegeneinander.
7HFKQLVFKH'DWHQGHU\$FKVH
Antrieb direkt, Linearmotor
Max. Geschwindigkeit 2,5 m/sec.
Verfahrweg der Portale von der Maschinen- Portal 1 - 688,5 mm
mitte aus gerechnet: Portal 2 - 768,5 mm
Portal 3 - 688, 5 mm
Portal 4 - 768,5 mm
Wegmeßsystem Lineare Metallmaßstäbe
Maßstabslänge 1530 mm
Auflösung 1 µm