YSM10_KMG_000_2009(CWD) - 第14页
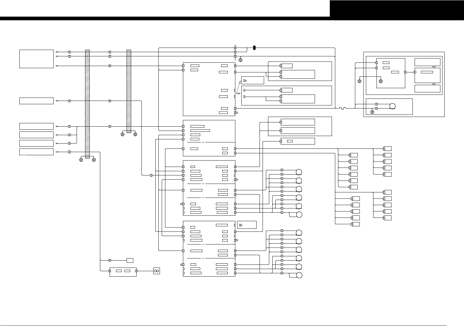
Confidential & P roprietary P A G E J0181 H LAN J0182 CONTROL BOX -2- See Pag e 5 SYSTEM LAN3 SER ENC2 CN4 OPTION IF MOTOR 1 MOTOR 2 INC EN C 1 INC EN C 2 DI2 DI1 VAC CN5 CN2 CN3 CN1 CN1 CN2 CN4 CN1 HS CN5 HS1 CN1 HS…

Confidential & Proprietary
PAGE
J0181
H LAN
J0182CONTROL BOX -2-
See Page 5
SYSTEM LAN3
SER ENC2 CN4
VAC
DI2
DI1
MOTOR 1
MOTOR 2
INC ENC 1
INC ENC 2
CN2
CN5
CN3
CN1
CN1
CN2
CN4
HS CN5
J0507
SER ENC2 CN4
OPTION IF
MOTOR 1
MOTOR 2
INC ENC 1
INC ENC 2
DI2
DI1
VAC
CN5
CN2
CN3
CN1
CN1
CN2
CN4
CN1
HS CN5
J0506
HS1 CN1 J0503
J0504HS1 CN2
HD2 CN1
HE2 CN1
HE2 CN2
J0516
J0517
J0518
J0519
HD2 CN4
HE2 CN4
HD1 CN1
HD1 CN4
HE1 CN1
HE1 CN2
J0512
J0513
J0514
J0515
HE1 CN4
FLEXIBLE
DUCT Y
SCP
SCM
J0112 J0124
J0157
CONTROL BOX -1-
See Page 4
SERVO1 ENCODER2
SERVO1 M3
SCP
SC+24V
H PANEL
SCM
SC+24V
SCP
SCM
E16
CAM2 CN6
LIGHT2 CN9
CAM2
LIGHT2
J0722
J0727
FIDUCIAL CAMERA
FIDUCIAL LIGHT
EL02
P072
CN43
POWER CIRCUIT
See Page 2
QF51/XT31
I/O CONVEYOR -1-
H+48V
H+24V
H EMG
J0053
I/O CONVEYOR -2-
CN33
J0252
I/O CONVEYOR -3-
X DI
J0321
J0664
DO1
DO0
CN8
CN7
HI CN8
HI CN7 J0501
J0502
CAM3
LIGHT3 CN10
CN8
CAM3
LIGHT3
CN1 LIGHT I/F
OF.SV.LIGHT BRD ASSY
OF.LIGHT BRD.ASSY.
P077
P078
P079
OF.CX.LIGHT BRD.ASSY
SCAN CAM.ASSY,CX
SCAN UNIT ASSY
SCM
M43
SC+24V
CN3 +24V
CN1 POCL
SCCAM
SCP
SC MOTOR ASSY
J0678
SCAN CAM.SUB ASSY
P076
SCAN
CN4LIGHT
J0511
J0521
SC-AXIS
J0732
AIR MACS
J0701
CAM1 CN4
LIGHT1 CN7
LIGHT1 J0726
J0731
LIGHT2
FIDUCIAL CAMERA
EL01
FIDUCIAL LIGHT
FIDUCIAL CAMERA1
P071
Standard Spec.
CAM1 J0721
HEAD6 BLOW
HEAD7 BLOW
HEAD8 BLOW
HEAD9 BLOW
HEAD10 BLOW
YV211
YV213
YV215
YV217
YV219
H6 BLOW
H7 BLOW
H8 BLOW
H9 BLOW
H10 BLOW
HEAD1 BLOW
HEAD2 BLOW
HEAD3 BLOW
HEAD4 BLOW
HEAD5 BLOW
YV201
YV203
YV205
YV207
YV209
H1 BLOW
H2 BLOW
H3 BLOW
H4 BLOW
H5 BLOW
SHAFT BLOW
YV221
SH BLOW
HEAD1 VACUUM
HEAD2 VACUUM
HEAD3 VACUUM
HEAD4 VACUUM
HEAD5 VACUUM
YV202
YV204
YV206
YV208
YV210
H1 VAC
H2 VAC
H3 VAC
H4 VAC
H5 VAC
HEAD6 VACUUM
HEAD7 VACUUM
HEAD8 VACUUM
HEAD9 VACUUM
HEAD10 VACUUM
YV212
YV214
YV216
YV218
YV220
H6 VAC
H7 VAC
H8 VAC
H9 VAC
H10 VAC
M36
M37
M38
M39
M40
M42
Z6M
Z6P
Z7M
Z7P
Z8M
Z8P
Z9M
Z9P
R2M
Z10M
Z10P
M32
M31
M33
M34
M35
M41
Z2P
Z2M
Z1P
Z1M
Z3P
Z3M
Z4P
Z4M
Z5P
Z5M
R1M
P074
P075
D.CAM2
FID.CAM2
CN1
CN2
TEMP
LIGHT
MACS1
CN1
MACS2
CN1
VAC
VACCN1
D.CAM1
CN1
CN2
FID.CAM1
TEMP
LIGHT
AIR MACS BOARD ASSY
AIR MACS BOARD ASSY
VAC SENSOR BRD ASSY
P073
FID.LIGHT BRD.ASSY
FID.LIGHT BRD.ASSY
HEAD RIGHT
HEAD LEFT
J0065
J0066
See Page 7
See Page 9
See Page 8
J0154
CN4
J0302
VISION1 CAM2
T1300701
T1300703
T1300705
T1301701
T1301703
T1302701
T1302703
T1302705
T1303701
T1303703
T1301702
T1301700
T1300704
T1300702
T1300700
T1301704
T1303702
T1303700
T1302704
T1302702
T1302700
FIDUCIAL CAMERA2(Option)
Z1-AXIS
Z2-AXIS
Z3-AXIS
Z4-AXIS
Z5-AXIS
R1-AXIS
□40 30W
□40 30W
R2-AXIS
Z6-AXIS
Z7-AXIS
Z8-AXIS
Z9-AXIS
Z10-AXIS
SC-AXIS
HS2 CN2
SER ENC1CN3
CN7 DO
CN6 S-POWER
ETHER INCN8A
ETHER OUTCN8B
MOTOR POW
BATTERYCN8
CN5
CN5 FAN
HS2 CN7
HD2 CN5
HSA2 CN6
J0455
HEAD SERVO UNIT ASSY-2
SER ENC1CN3
CN7 DO
CN6 S-POWER
ETHER INCN8A
ETHER OUTCN8B
HS1 CN7
MOTOR POW
BATTERYCN8
CN5
CN5 FAN
HD1 CN5
HSA1 CN6
J0185
J0184
HEAD SERVO UNIT ASSY-1
LAN
J0183
LAN
X ORG
NPN CN1CN2 PNP
PNP CHANGER BRD ASSY
FAN 21
X FAN
X-AXIS ORIGIN
X MOTOR
X FAN
P031
SQ002
FLEXIBLE
DUCT X
J0125
J0158
SCP
SCM
CN2 48V/24V/EMG
CN4
HP CN4
CAMERA SEL POW
HP CN2
HP CN1
48V POW
IC POW
CN1
CN3
CN6 DO IN
HI CN6
HPA CN3
J0452
J0453
J0454
J0451
HEAD I/O UNIT ASSY
J0665
H POW/EMG
CN11 DC24V
CSEL CN11
CAMOUT
CN5 CAMOUT
J0702
H CAM
HEAD CAMERA SELECTOR P041
I/O BOARD ASSY P043
POW BOARD ASSY P042
ENC BOARD ASSY P046
DRV BOARD ASSY P045
SRV BOARD ASSY P044
ENC BOARD ASSY P049
DRV BOARD ASSY P048
SRV BOARD ASSY P047
N01003C4
N01003C5
J0067
OPTION IF CN1
HS CN1
J0520
HM type B only.
J0456
HE CN5
HE CN5
V3
10
HM HEAD
YSM10

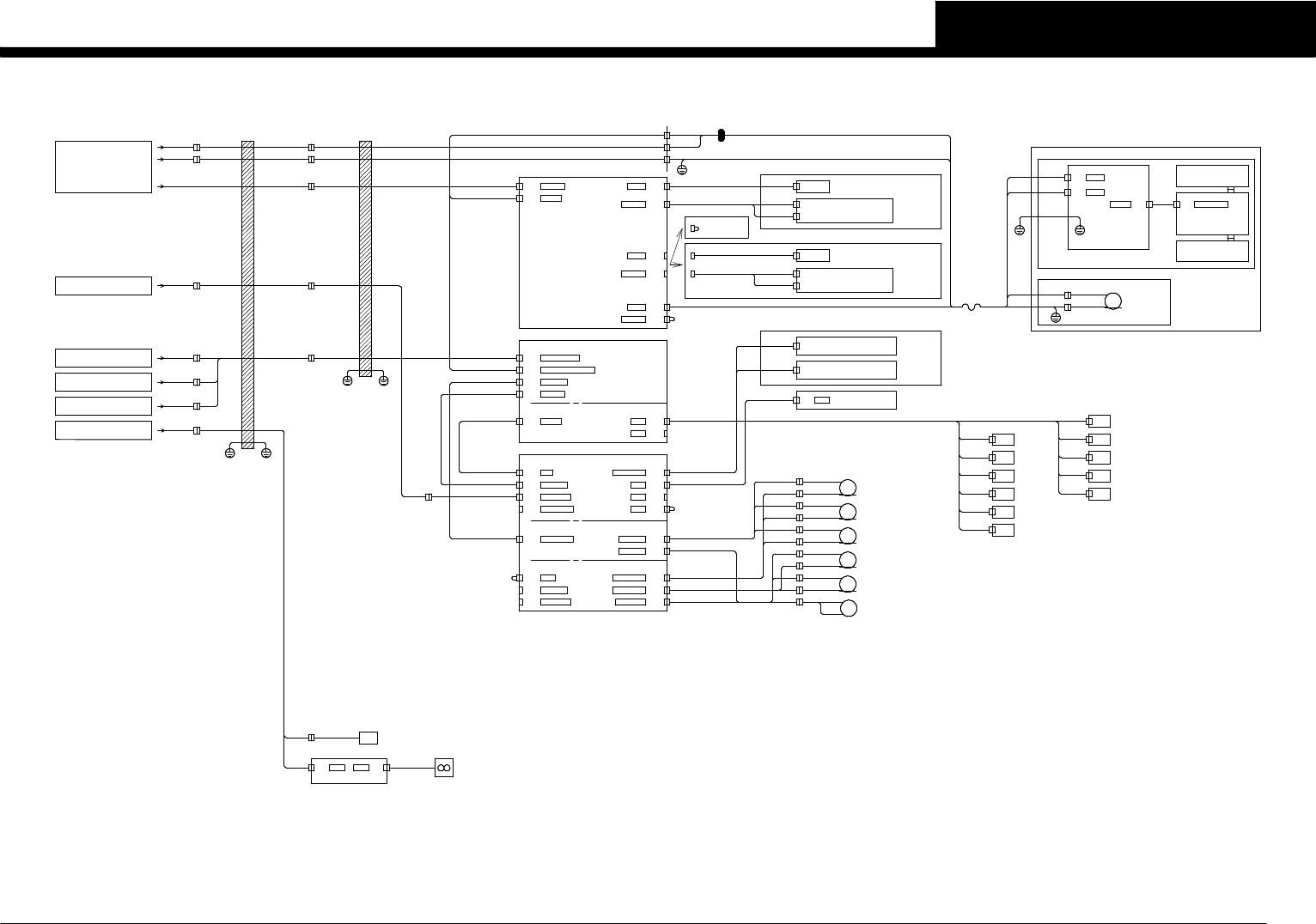
Confidential & Proprietary
PAGE
J0181
H LAN
J0182CONTROL BOX -2-
See Page 5
SYSTEM LAN3
SER ENC2 CN4
OPTION IF
MOTOR 1
MOTOR 2
INC ENC 1
INC ENC 2
DI2
DI1
VAC
CN5
CN2
CN3
CN1
CN1
CN2
CN4
CN1
HS CN5
HS1 CN1
HS1 CN2
HD1 CN1
HD1 CN4
HE1 CN1
HE1 CN2
HE1 CN4
FLEXIBLE
DUCT Y
SCP
SCM
J0112 J0124
J0157
CONTROL BOX -1-
See Page 4
SERVO1 ENCODER2
SERVO1 M3
SCP
SC+24V
H PANEL
SCM
SC+24V
SCP
SCM
CAM2 CN6
LIGHT2 CN9
CN43
POWER CIRCUIT
See Page 2
QF51/XT31
I/O CONVEYOR -1-
H+48V
H+24V
H EMG
J0053
I/O CONVEYOR -2-
CN33
J0252
I/O CONVEYOR -3-
X DI
J0321
J0664
DO1
DO0
CN8
CN7
HI CN7
CAM3
LIGHT3 CN10
CN8
CAM3
LIGHT3
CN1 LIGHT I/F
OF.SV.LIGHT BRD ASSY
OF.LIGHT BRD.ASSY.
OF.CX.LIGHT BRD.ASSY
SCAN CAM.ASSY,CX
SCAN UNIT ASSY
SCM
SC+24V
CN3 +24V
CN1 POCL
SCCAM
SCP
SC MOTOR ASSY
SCAN CAM.SUB ASSY
SCAN
CN4LIGHT
SC-AXIS
AIR MACS
J0701
CAM1 CN4
LIGHT1 CN7
HEAD1 BLOW
HEAD2 BLOW
HEAD3 BLOW
HEAD4 BLOW
HEAD5 BLOW
H1 BLOW
H2 BLOW
H3 BLOW
H4 BLOW
H5 BLOW
SHAFT BLOWSH BLOW
HEAD1 VACUUM
HEAD2 VACUUM
HEAD3 VACUUM
HEAD4 VACUUM
HEAD5 VACUUM
H1 VAC
H2 VAC
H3 VAC
H4 VAC
H5 VAC
Z2P
Z2M
Z1P
Z1M
Z3P
Z3M
Z4P
Z4M
Z5P
Z5M
R1M
J0601
J0606
J0611
J0615
J0614
J0613
J0612
J0679
J0621
E17
M55
M54
M53
M51
M52
M57
M56
YV258
YV256
YV254
YV252
YV259
YV257
YV255
YV253
YV251
YV261
YV260
P086
P089
P088
P087
MACS1
CN1
MACS2
CN1
VAC
VACCN1
P085
P084
P083
VAC SENSOR BRD ASSY
AIR MACS BOARD ASSY
AIR MACS BOARD ASSY
CAM2
LIGHT2
J0722
J0727
FIDUCIAL CAMERA
FIDUCIAL LIGHT
LIGHT1 J0726
J0731
LIGHT2
FIDUCIAL CAMERA
FIDUCIAL LIGHT
FIDUCIAL CAMERA1
Standard Spec.
CAM1 J0721
FID.CAM2
CN1
CN2
TEMP
LIGHT
CN1
CN2
FID.CAM1
TEMP
LIGHT
FID.LIGHT BRD.ASSY
FID.LIGHT BRD.ASSY
J0732
HEAD LEFT
HEAD RIGHT
J0602
J0603
J0065
J0066
See Page 7
See Page 9
See Page 8
J0154
J0302
CN4
VISION1 CAM2
P071
P072
D.CAM1
D.CAM2
EL01
EL02
T1300701
T1300703
T1300705
T1301701
T1301703
T1301702
T1301700
T1300704
T1300702
T1300700
T1301704
FIDUCIAL CAMERA2(Option)
Z1-AXIS
Z2-AXIS
Z3-AXIS
Z4-AXIS
Z5-AXIS
R1-AXIS
□40 30W
SC-AXIS
SER ENC1CN3
CN7 DO
CN6 S-POWER
ETHER INCN8A
ETHER OUTCN8B
MOTOR POW
BATTERYCN8
CN5
CN5 FAN
HEAD SERVO UNIT ASSY-1
LAN
J0183
LAN
X ORG
NPN CN1CN2 PNP
PNP CHANGER BRD ASSY
FAN 21
X FAN
X-AXIS ORIGIN
X MOTOR
X FAN
P031
SQ002
FLEXIBLE
DUCT X
J0125
J0158
SCP
SCM
CN2 48V/24V/EMG
CN4
HP CN4
CAMERA SEL POW
HP CN2
HP CN1
48V POW
IC POW
CN1
CN3
CN6 DO IN
HI CN6
HEAD I/O UNIT ASSY
J0665
H POW/EMG
CN11 DC24V
CSEL CN11
CAMOUT
CN5 CAMOUT
J0702
H CAM
N01003C5
N01003C4
HD1 CN5
HS1 CN7
HSA1 CN6
HPA CN3
J0184
J0067
J0461
J0464
J0463
J0462
HEAD CAMERA SELECTOR P041
POW BOARD ASSY P042
I/O BOARD ASSY P043
SRV BOARD ASSY P044
DRV BOARD ASSY P045
ENC BOARD ASSY P046
J0456
HE CN5
V3
11
HM5 HEAD
YSM10

Confidential & Proprietary
PAGE
I/O B
J0103CONTROL BOX -2-
See Page 5
・
CN1
CN2
CN3
・
・
DIP SW(S1)
OFF
ON
FDR CTRL BOARD ASSY P131
CN24
・
・
・
FRONT-1 FIX24 FEEDER
POWER CIRCUIT
See Page 2
FRONT-2 FIX24 FEEDER
・
CN1
CN2
CN3
・
・
DIP SW(S1)
OFF
ON
CN24
・
・
・
FDR CTRL BOARD ASSY P132
J0104
QF42,XT41
J0046
J1072
J1074
F2 FDR PWR
F1 FDR PWR
FDR DO0
FDR DO1
FDR DI0
FDR DO2
FAN51
FAN52
FAN53
FAN54
FDR DO0
FDR DO1
FDR DI0
FDR DO2
J1201
J1202
J1101
J1102
FDR RFDR L
CN27
CN31L
CN31
CN25
PWR L
CN25
CN31
CN27
CN31R
PWR R
N0108B04
N0108B05
N0109104
N0109105
・SS feeders ・Multi-stick feeders
・QFP recovery conveyor・ZS feeders
・Multi-stick feeders
・QFP recovery conveyor・ZS feeders
・SS feeders
FDR FAN1
FDR FAN F1-1
FDR FAN F1-2
FDR FAN2 FDR FAN2
FDR FAN1
FDR FAN F2-1
FDR FAN F2-2
J1071
CN30
CN26
I/O L J1073
CN26
I/O R
CN30
I/O B
I/O B
I/O B
1TURN
E11
1TURN
E12
J1251
J1252
J1253
J1274
J1151
J1152
J1153
J1174
V3
12
F FIX24 FEEDER STRUCTURE
YSM10