YSM10_KMG_000_2009(CWD) - 第18页
Confidential & P roprietary P A G E 200V 200V 200V 200V 200V 200V 200V 200V 200V 200V 200V 200V 200V 200V 200V 200V 200V 200V 200V 230V 230V 240V 220V 208V 200V 190V 0V 240V 220V 208V 200V 190V 0V 240V 220V 208V 200V…

Confidential & Proprietary
PAGE
・
CN1
CN2
CN3
・
・
DIP SW(S1)
OFF
ON
FDR CTRL BOARD ASSY P131
CN24
・
・
・
FRONT-1 FIX24 FEEDER
POWER CIRCUIT
See Page 2
FRONT-2 FIX24 FEEDER
・
CN1
CN2
CN3
・
・
DIP SW(S1)
OFF
ON
CN24
・
・
・
FDR CTRL BOARD ASSY P132
J0104
I/O B
J0103
QF42,XT41
J0046
J1072
J1074
F2 FDR PWR
F1 FDR PWR
CONTROL BOX -2-
See Page 5
I/O C
J0105
POWER CIRCUIT
See Page 2
QF43,XT41
J0047
R1 FDR PWR
R2 FDR PWR
J0806
I/O C
J0807
DC24V
INTERCONNECTION DIAGRAM
FDR DO0
FDR DO1
FDR DI0
FDR DO2
FAN51
FAN52
FAN53
FAN54
FDR DO0
FDR DO1
FDR DI0
FDR DO2
J1201
J1202
J1101
J1102
FDR RFDR L
CN27
CN31L
CN31
CN25
PWR L
CN25
CN31
CN27
CN31R
I/O
PWR R
・SS feeders ・Multi-stick feeders
・QFP recovery conveyor・ZS feeders
・Multi-stick feeders
・QFP recovery conveyor・ZS feeders
・SS feeders
N0109105
N0109104N0108B04
N0108B05
FDR FAN2
FDR FAN1FDR FAN1
FDR FAN2
FDR FAN F1-1
FDR FAN F1-2 FDR FAN F2-2
FDR FAN F2-1
J1071
CN30
CN26
I/O L J1073
CN26
I/O R
CN30
I/O B
I/O B I/O B
1TURN
E11
1TURN
E12
See sATS15
sATS15(Option)
J1251
J1252
J1253
J1274
J1151
J1152
J1153
J1174
V3
14
F FIX24 FEEDER STRUCTURE/R sATS15
YSM10

Confidential & Proprietary
PAGE
200V 200V
200V
200V
200V
200V
200V
200V
200V
200V
200V
200V
200V
200V
200V
200V
200V
200V
200V
230V
230V
240V
220V
208V
200V
190V
0V
240V
220V
208V
200V
190V
0V
240V
220V
208V
200V
190V
0V
240V
220V
208V
200V
190V
0V
240V
220V
208V
200V
190V
0V
240V
220V
208V
200V
190V
0V
230VW
V
U
230V
230V
230V
230V
230V
230V
230V
230V
230V
230V
240V
220V
208V
200V
190V
0V
240V
220V
208V
200V
190V
0V
240V
220V
208V
200V
190V
0V
240V
220V
208V
200V
190V
0V
240V
220V
208V
200V
190V
0V
240V
220V
208V
200V
190V
0V
230VW
V
U
240V
220V
208V
200V
190V
0V
240V
220V
208V
200V
190V
0V
240V
220V
208V
200V
190V
0V
240V
220V
208V
200V
190V
0V
240V
220V
208V
200V
190V
0V
240V
220V
208V
200V
190V
0V
230VW
V
U
240V
220V
208V
200V
190V
0V
240V
220V
208V
200V
190V
0V
240V
220V
208V
200V
190V
0V
240V
220V
208V
200V
190V
0V
240V
220V
208V
200V
190V
0V
240V
220V
208V
200V
190V
0V
230VW
V
U
240V
220V
208V
200V
190V
0V
240V
220V
208V
200V
190V
0V
240V
220V
208V
200V
190V
0V
240V
220V
208V
200V
190V
0V
240V
220V
208V
200V
190V
0V
240V
220V
208V
200V
190V
0V
230VW
V
U
240V
220V
208V
200V
190V
0V
240V
220V
208V
200V
190V
0V
240V
220V
208V
200V
190V
0V
240V
220V
208V
200V
190V
0V
240V
220V
208V
200V
190V
0V
240V
220V
208V
200V
190V
0V
230VW
V
U
220V
220V
240V
220V
208V
200V
190V
0V
240V
220V
208V
200V
190V
0V
240V
220V
208V
200V
190V
0V
240V
220V
208V
200V
190V
0V
240V
220V
208V
200V
190V
0V
240V
220V
208V
200V
190V
0V
230V
230V
230V
W
V
U
240V
0V
190V
200V
208V
220V
0V
100V
240V
0V
190V
200V
208V
220V
240V
0V
190V
200V
208V
220V
0V
100V
240V
0V
190V
200V
208V
220V
240V
0V
190V
200V
208V
220V
0V
100V
240V
0V
190V
200V
208V
220V
240V
0V
190V
200V
208V
220V
0V
100V
240V
0V
190V
200V
208V
220V
240V
0V
190V
200V
208V
220V
0V
100V
240V
0V
190V
200V
208V
220V
240V
0V
190V
200V
208V
220V
0V
100V
240V
0V
190V
200V
208V
220V
240V
0V
190V
200V
208V
220V
0V
100V
240V
0V
190V
200V
208V
220V
0V
0V
100V
100V
0V
0V
100V
100V
0V
0V
100V
100V
0V
0V
100V
100V
0V
0V
100V
100V
0V
0V
100V
100V
0V
0V
100V
100V
NNN NN
416V400V380V240V220V208V200V
NN
416V400V380V240V220V208V200V
S2
R2
S2
R2
S2
R2
U50
V50
W50
T2
U50
V50
W50
U50
V50
W50
U50
V50
W50
U50
V50
W50
U50
V50
W50
U50
V50
W50
S2
R2
T2
T2
T2
S2
R2
T2
T2
R2
S2 T2
S2
R2
S2
R2
R2
S2
S2
R2
S2
R2
S2
R2
S2
R2
S2
R2
TM11:The selection of POWER SOURCE 2.79KVA
TC11:The selection of POWER SOURCE 1.00KVA
U10U10U10U10U10U10U10
V10V10V10V10V10V10V10
V3
15
POWER TRANSFORMER TERMINAL
YSM10

PAGE
16
Condential & Proprietary
H024179
YSM10YSM10
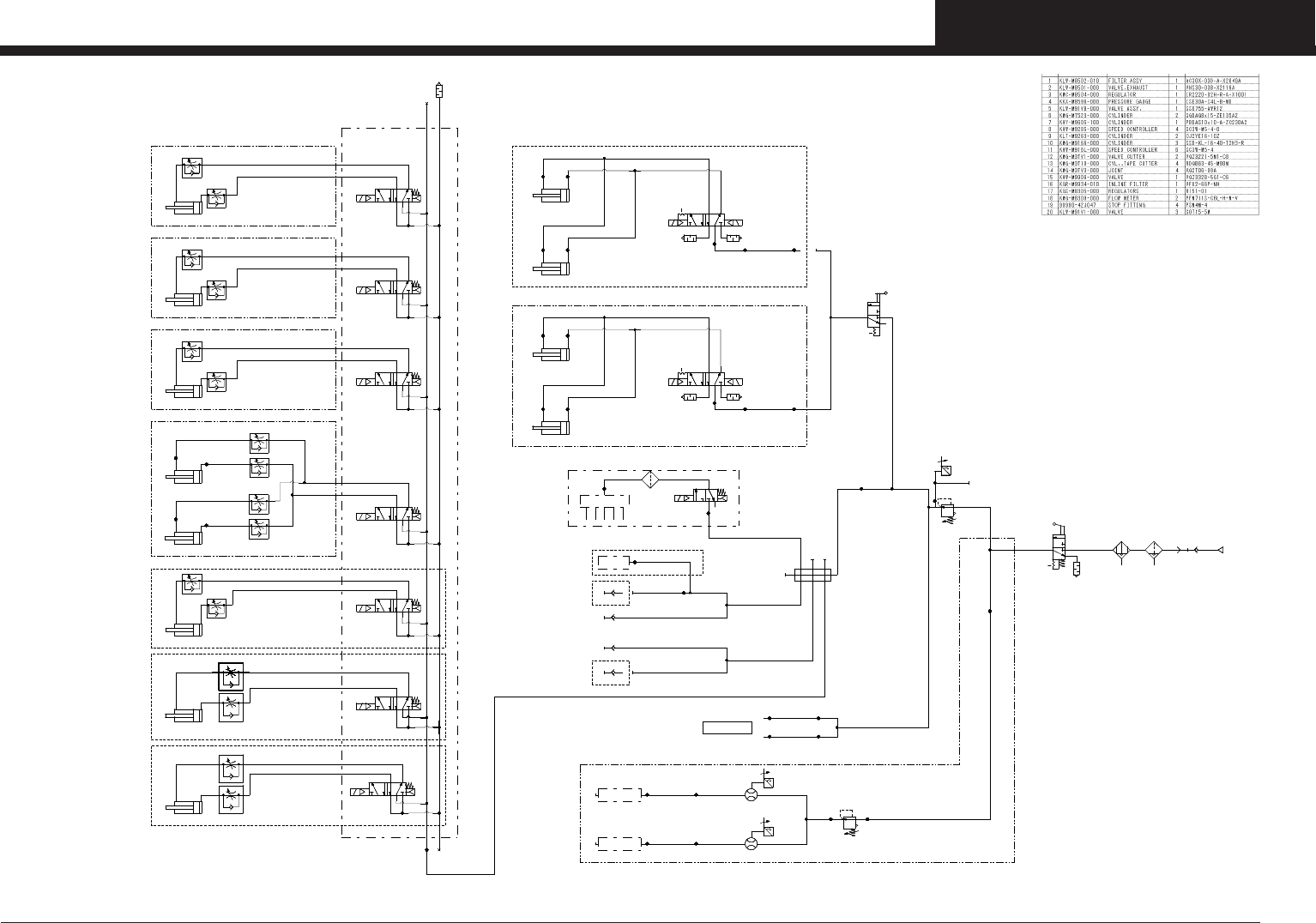
Air circuit
SC4-M3MA
SGDAQ8x15-ZE135A2
S0715-5M
SC4-M3MA
S0715-5M
SC4-M3MA
プラグ1/8
M
M
U
U
L
L
T
T
I
I
C
C
A
A
M
M
E
E
R
R
A
A
(
(
O
O
P
P
T
T
I
I
O
O
N
N
)
)
SC4-M3MA
KM-11
AN10-01
AN10-01
SLH6-02
RDQB63-45-M9BM
SLH6-02
SLH6-02 SLH6-02
TL8-02
UYD10-8
C
C
U
U
T
T
T
T
E
E
R
R
R
R
2
2
O
O
P
P
T
T
I
I
O
O
N
N
C
C
U
U
T
T
T
T
E
E
R
R
R
R
1
1
O
O
P
P
T
T
I
I
O
O
N
N
C
C
U
U
T
T
T
T
E
E
R
R
F
F
2
2
C
C
U
U
T
T
T
T
E
E
R
R
F
F
1
1
AUK8
P
ISE30A-C4L-B-MD
PPP
VHS30-03B-X2119A
IR2220-02H-R-A-X1001
AUY12
UY4
AC30X-03D-A-X2649A
φ12 ORANGE
FUV10-10
UY10
UEDW8-6
φ12 ORANGE
φ10 ORANGE
φ8 ORANGE
φ4 ORANGE
φ6 ORANGE
φ6 BLACK
φ8 BLACK
φ8 ORANGE
Φ8 ORANGE
Φ6 ORANGE
Φ8 ORANGE
Φ10 ORANGE
Φ8 ORANGE
UY6
φ12 ORANGE
US10
UY10
US10
φ10 ORANGE
φ10 ORANGE
T
T
O
O
H
H
E
E
A
A
D
D
A
A
US10
US10
φ10 ORANGE
φ10 ORANGE
UP8
ATSH6-01
プラグ1/8
UP6
VQZ332B-5G1-C6
VFU2-66P-NH
TL6-01M
TL6-02
UTD6-4
UYD6-4
Φ6BLACK Φ6BLACK
φ6 ORANGE
φ6 ORANGE
Φ4 ORANGE
Φ4 ORANGE
Φ6 ORANGE
φ4 BLACK
φ4 ORANGE
φ4 ORANGE
φ4 BLACK
T
T
A
A
P
P
E
E
C
C
U
U
T
T
T
T
E
E
R
R
UC4
B
B
L
L
O
O
W
W
S
S
T
T
.
.
C
C
O
O
V
V
E
E
R
R
3
3
C
C
O
O
V
V
E
E
R
R
1
1
⑥
⑥
⑬
⑮
⑲
⑲
⑲
④
③
②
①
⑫
⑤
⑯
Φ10 ORANGE
SGDAQ8x15-ZE135A2
USD10-8
UP6
USD6-4
PSM4M-4
PSM4M-4
PSM4M-4
PSM4M-4
Φ6 ORANGE
Φ4 ORANGE
C
C
O
O
V
V
E
E
R
R
2
2
C
C
O
O
V
V
E
E
R
R
4
4
⑲
CJ2YE16-10Z
SL4-M5
SC3W-M5-4-0
SC4-M5A
PBDAS10x10-A-ZC230A2
A
A
N
N
C
C
(
(
O
O
P
P
T
T
I
I
O
O
N
N
)
)
φ4 ORANGE
SL4-M5
SC4-M5A
φ4 BLACK
S0715-5M
UY4
SL4-M5
UY4
φ4 ORANGE
SL4-M5
φ4 ORANGE
SC3W-M5-4-0
φ4 BLACK
SC3W-M5-4-0
φ4 ORANGE
SC3W-M5-4-0
φ4 BLACK
φ4 ORANGE
C
C
L
L
A
A
M
M
P
P
B
B
O
O
A
A
R
R
D
D
CJ2YE16-10Z
φ4 BLACK
φ4 BLACK
C
C
V
V
S
S
T
T
3
3
SS0755-AWR12
C
C
V
V
S
S
T
T
2
2
C
C
V
V
S
S
T
T
1
1
KQ2T06-08A
SC3W-M5-4
RDQB63-45-M9BM
KQ2T06-08A
SC3W-M5-4
SLH6-02
AN10-01
SSD-KL-16-40-T2H3-R
SLH6-02
SLH6-02
RDQB63-45-M9BM
AN10-01
⑫
KQ2T06-08A
RDQB63-45-M9BM
φ4 BLACK
KQ2T06-08A
φ4 ORANGE
AUK8
TL8-02
SLH6-02
φ8 ORANGE
Φ8 ORANGE
φ8 BLACK
φ6 ORANGE
φ6 BLACK
FFF
PFM711S-C6L-H-M-V
R151-01
F
PFM711S-C6L-H-M-V
FF
⑦
⑨
⑨
⑧
⑧
⑧
⑧
φ6 BLACK
φ6 BLACK
φ6 ORANGE
φ6 ORANGE
⑱
⑱
⑰
USD12-10
TL10-01TL6-01
US6
US6
I
I
O
O
N
N
I
I
Z
Z
E
E
R
R
I
I
O
O
N
N
I
I
Z
Z
E
E
R
R
I
I
O
O
N
N
I
I
Z
Z
E
E
R
R
(
(
O
O
P
P
T
T
I
I
O
O
N
N
)
)
⑪
⑪
⑩
VQZ3221-5M1-C8
VQZ3221-5M1-C8
AUK8
AUK8
Φ8 ORANGE
Φ8 ORANGE
⑭
⑭
⑭
⑭
M
M
U
U
L
L
T
T
I
I
C
C
A
A
M
M
E
E
R
R
A
A
(
(
O
O
P
P
T
T
I
I
O
O
N
N
)
)
オプション時追加
オプション時追加
オプション時追加
⑳
⑳
⑳
SSD-KL-16-40-T2H3-R
SC3W-M5-4
SC3W-M5-4
⑪
⑩
⑪
φ4 BLACK
φ4 ORANGE
SSD-KL-16-40-T2H3-R
SC3W-M5-4
SC3W-M5-4
⑪
⑩
⑪
φ4 BLACK
φ4 ORANGE
⑬
⑬
⑬
UC8
標準はUC8
後カッター付はUC8を外し接続する
UC4
UC4
ATS
A
A
T
T
S
S
O
O
P
P
T
T
I
I
O
O
N
N
⑲はカバー仕様で取付
⑲はカバー仕様で取付
UP6
UP6
ATS有は USD6-4を外し
ATS側の継手を接続する
ATS側配管Φ6 ORANGE
SC4-M3MA
SGDAQ8x15-ZE135A2
S0715-5M
SC4-M3MA
S0715-5M
SC4-M3MA
プラグ1/8
M
M
U
U
L
L
T
T
I
I
C
C
A
A
M
M
E
E
R
R
A
A
(
(
O
O
P
P
T
T
I
I
O
O
N
N
)
)
SC4-M3MA
KM-11
AN10-01
AN10-01
SLH6-02
RDQB63-45-M9BM
SLH6-02
SLH6-02 SLH6-02
TL8-02
UYD10-8
C
C
U
U
T
T
T
T
E
E
R
R
R
R
2
2
O
O
P
P
T
T
I
I
O
O
N
N
C
C
U
U
T
T
T
T
E
E
R
R
R
R
1
1
O
O
P
P
T
T
I
I
O
O
N
N
C
C
U
U
T
T
T
T
E
E
R
R
F
F
2
2
C
C
U
U
T
T
T
T
E
E
R
R
F
F
1
1
AUK8
P
ISE30A-C4L-B-MD
PPP
VHS30-03B-X2119A
IR2220-02H-R-A-X1001
AUY12
UY4
AC30X-03D-A-X2649A
φ12 ORANGE
FUV10-10
UY10
UEDW8-6
φ12 ORANGE
φ10 ORANGE
φ8 ORANGE
φ4 ORANGE
φ6 ORANGE
φ6 BLACK
φ8 BLACK
φ8 ORANGE
Φ8 ORANGE
Φ6 ORANGE
Φ8 ORANGE
Φ10 ORANGE
Φ8 ORANGE
UY6
φ12 ORANGE
US10
UY10
US10
φ10 ORANGE
φ10 ORANGE
T
T
O
O
H
H
E
E
A
A
D
D
A
A
US10
US10
φ10 ORANGE
φ10 ORANGE
UP8
ATSH6-01
プラグ1/8
UP6
VQZ332B-5G1-C6
VFU2-66P-NH
TL6-01M
TL6-02
UTD6-4
UYD6-4
Φ6BLACK Φ6BLACK
φ6 ORANGE
φ6 ORANGE
Φ4 ORANGE
Φ4 ORANGE
Φ6 ORANGE
φ4 BLACK
φ4 ORANGE
φ4 ORANGE
φ4 BLACK
T
T
A
A
P
P
E
E
C
C
U
U
T
T
T
T
E
E
R
R
UC4
B
B
L
L
O
O
W
W
S
S
T
T
.
.
C
C
O
O
V
V
E
E
R
R
3
3
C
C
O
O
V
V
E
E
R
R
1
1
⑥
⑥
⑬
⑮
⑲
⑲
⑲
④
③
②
①
⑫
⑤
⑯
Φ10 ORANGE
SGDAQ8x15-ZE135A2
USD10-8
UP6
USD6-4
PSM4M-4
PSM4M-4
PSM4M-4
PSM4M-4
Φ6 ORANGE
Φ4 ORANGE
C
C
O
O
V
V
E
E
R
R
2
2
C
C
O
O
V
V
E
E
R
R
4
4
⑲
CJ2YE16-10Z
SL4-M5
SC3W-M5-4-0
SC4-M5A
PBDAS10x10-A-ZC230A2
A
A
N
N
C
C
(
(
O
O
P
P
T
T
I
I
O
O
N
N
)
)
φ4 ORANGE
SL4-M5
SC4-M5A
φ4 BLACK
S0715-5M
UY4
SL4-M5
UY4
φ4 ORANGE
SL4-M5
φ4 ORANGE
SC3W-M5-4-0
φ4 BLACK
SC3W-M5-4-0
φ4 ORANGE
SC3W-M5-4-0
φ4 BLACK
φ4 ORANGE
C
C
L
L
A
A
M
M
P
P
B
B
O
O
A
A
R
R
D
D
CJ2YE16-10Z
φ4 BLACK
φ4 BLACK
C
C
V
V
S
S
T
T
3
3
SS0755-AWR12
C
C
V
V
S
S
T
T
2
2
C
C
V
V
S
S
T
T
1
1
KQ2T06-08A
SC3W-M5-4
RDQB63-45-M9BM
KQ2T06-08A
SC3W-M5-4
SLH6-02
AN10-01
SSD-KL-16-40-T2H3-R
SLH6-02
SLH6-02
RDQB63-45-M9BM
AN10-01
⑫
KQ2T06-08A
RDQB63-45-M9BM
φ4 BLACK
KQ2T06-08A
φ4 ORANGE
AUK8
TL8-02
SLH6-02
φ8 ORANGE
Φ8 ORANGE
φ8 BLACK
φ6 ORANGE
φ6 BLACK
FFF
PFM711S-C6L-H-M-V
R151-01
F
PFM711S-C6L-H-M-V
FF
⑦
⑨
⑨
⑧
⑧
⑧
⑧
φ6 BLACK
φ6 BLACK
φ6 ORANGE
φ6 ORANGE
⑱
⑱
⑰
USD12-10
TL10-01TL6-01
US6
US6
I
I
O
O
N
N
I
I
Z
Z
E
E
R
R
I
I
O
O
N
N
I
I
Z
Z
E
E
R
R
I
I
O
O
N
N
I
I
Z
Z
E
E
R
R
(
(
O
O
P
P
T
T
I
I
O
O
N
N
)
)
⑪
⑪
⑩
VQZ3221-5M1-C8
VQZ3221-5M1-C8
AUK8
AUK8
Φ8 ORANGE
Φ8 ORANGE
⑭
⑭
⑭
⑭
M
M
U
U
L
L
T
T
I
I
C
C
A
A
M
M
E
E
R
R
A
A
(
(
O
O
P
P
T
T
I
I
O
O
N
N
)
)
オプション時追加
オプション時追加
オプション時追加
⑳
⑳
⑳
SSD-KL-16-40-T2H3-R
SC3W-M5-4
SC3W-M5-4
⑪
⑩
⑪
φ4 BLACK
φ4 ORANGE
SSD-KL-16-40-T2H3-R
SC3W-M5-4
SC3W-M5-4
⑪
⑩
⑪
φ4 BLACK
φ4 ORANGE
⑬
⑬
⑬
UC8
標準はUC8
後カッター付はUC8を外し接続する
UC4
UC4
ATS
A
A
T
T
S
S
O
O
P
P
T
T
I
I
O
O
N
N
⑲はカバー仕様で取付
⑲はカバー仕様で取付
UP6
UP6
ATS有は USD6-4を外し
ATS側の継手を接続する
ATS側配管Φ6 ORANGE