RV-2_RV-2-3D-Rev01PDF - 第95页
- - REF.NO NOTE PAR T NO D E S C R I P T I O N Qty 1 40 1-65246 PC BO ARD ASM 1 2 40 1-67802 HUB 2 U SB CABLE MAR KER 1 3 40 1-58269 USB HU B 1 4 40 1-58499 HUB 1 U SB CABLE MAR KER AS M 1 5 40 1-58269 USB HU B 1 6 H K…

- -
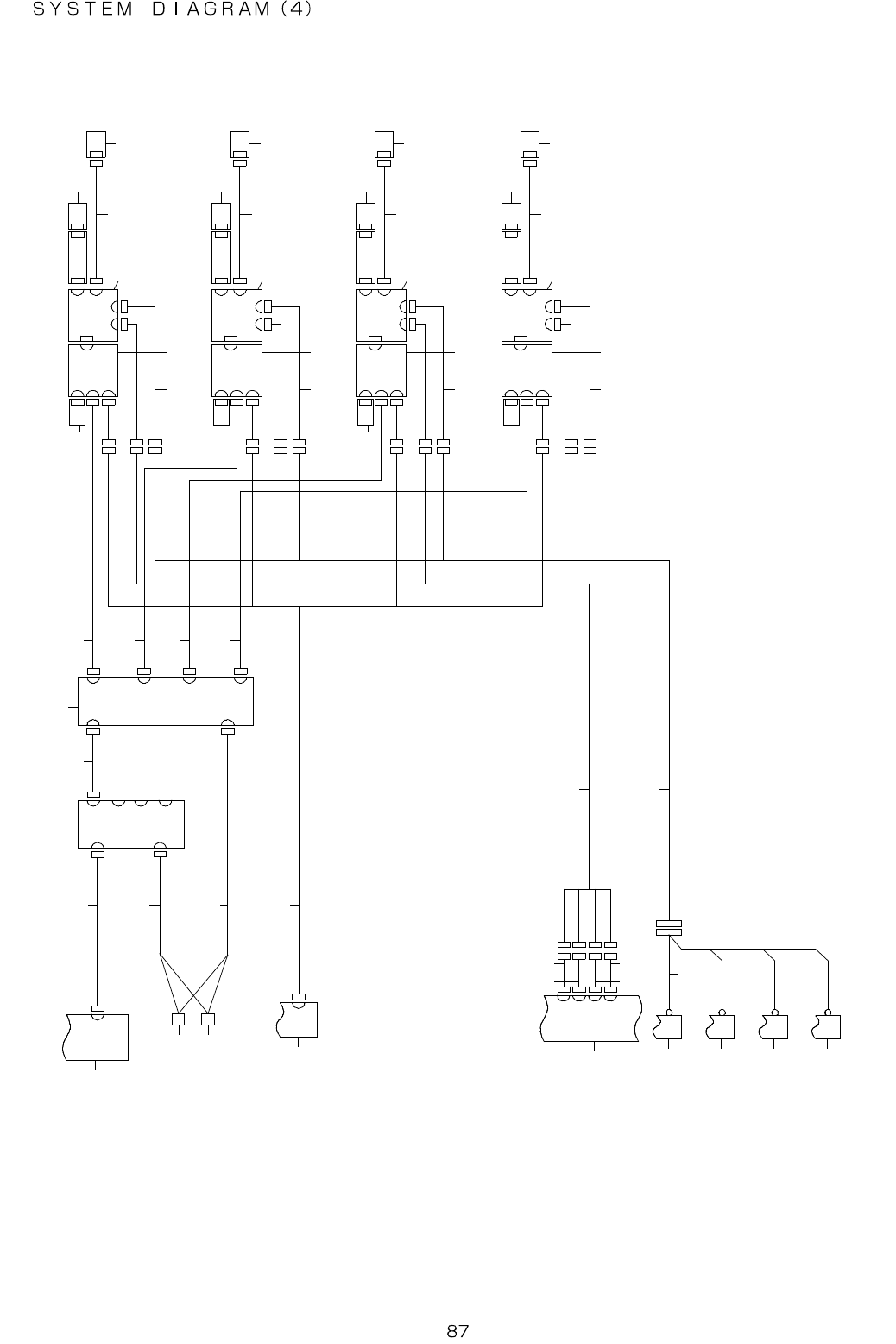
44. SYSTEM DIAGRAM(4)
1 - 2 C
1 - 2 C
1 - 2 C
1 - 2 B
C N 2
3 - 2 C
A V R 8
A V R 7
A V R 6
A V R 5
L C 2 P C B
C N 3 7
C N 3 6
C N 3 0
C N 2 9
3 - 2 C
M O T H E R B O A R D
5 - 1 A
2 - 4 D
T B 8
U H 2
T B 6
C N 1
C N 1
C N 1
C N 1
M I C R O
S D C A R D 3
M I R R O R
A R R A Y 3
C N 2
P S 3 D - W L E D
P C B 3
C N 1
C N 9
C N 3C N 2
C N 2
C N 3
C N 6
P S 3 D - D R V
P C B 3
C N 1
C N 5
P S 3 D - S Y S
P C B 3
C N 7
M I R R O R
A R R A Y 2
P S 3 D - D M D
P C B 2
C N 2
P S 3 D - W L E D
P C B 2
C N 1
C N 2
C N 3
C N 6
P S 3 D - D R V
P C B 2
M I R R O R
A R R A Y 1
P S 3 D - D M D
P C B 1
C N 2
P S 3 D - W L E D
P C B 1
C N 1
C N 2
C N 3
C N 6
P S 3 D - D R V
P C B 1
P S 3 D - S Y S
P C B 1
M I R R O R
A R R A Y 0
P S 3 D - D M D
P C B 0
C N 2
P S 3 D - W L E D
P C B 0
C N 1
C N 2
C N 3
C N 6
P S 3 D - D R V
P C B 0
P S 3 D - S Y S
P C B 0
U H 1
1
6 7
1 0
2 8 9 1 1
4
3
5
2 1 2 2 2 3 2 4
1 3
1 7 2 0
I O C P C B
1 8
1 2
1 8 1 8 1 8
1 4
1 6
1 5
4 0
4 1
4 2
2 5
2 6
2 7
P S 3 D - D M D
P C B 3
2 8
2 9
3 0
3 13 13 13 1
3 03 03 0
2 92 92 9
2 52 52 5
M I C R O
S D C A R D 0
M I C R O
S D C A R D 1
M I C R O
S D C A R D 2
P S 3 D - S Y S
P C B 2
2 82 82 8
C N 9
C N 3C N 2
C N 1
C N 5
2 7
C N 9
C N 3C N 2
C N 1
C N 5
2 7
C N 9
C N 3C N 2
C N 1
C N 5
2 7
C N 7
C N 7
C N 7
3 8
2 6
3 9
3 6
3 5
2 6
3 7
3 6
3 2
2 6
3 4
3 3
1 9

- -
REF.NO NOTE PART NO D E S C R I P T I O N Qty
1 401-65246 PC BOARD ASM 1
2 401-67802 HUB2 USB CABLE MARKER 1
3 401-58269 USB HUB 1
4 401-58499 HUB1 USB CABLE MARKER ASM 1
5 401-58269 USB HUB 1
6 HK-0883500-10 BLOCK TERMINAL 1
7 HK-0883500-1B BLOCK TERMINAL 1
8 401-77988 TB-UH2 CABLE ASM 1
9 401-77987 TB-UH1 CABLE ASM 1
10 401-75748 LC2 PCB ASM 1
11 401-77977 FGB-PJ TRG TRUNK CABLE ASM 1
12 401-58506 IOC PCB ASM 1
13 401-82521 PJ0 TRG RELAY CABLE ASM 1
14 401-82522 PJ1 TRG RELAY CABLE ASM 1
15 401-82523 PJ2 TRG RELAY CABLE ASM 1
16 401-82524 PJ3 TRG RELAY CABLE ASM 1
17 401-77982 PJ BOOT TRUNK CABLE ASM 1
18 401-77989 POWER SUPPLY 1
19 401-77970 PJ POWER TRUNK WIRE ASM 1
20 401-77971 PJ POWER TRUNK CABLE ASM 1
21 401-80572 PS3D-HUB USB CABLE1 MARKER ASM 1
22 401-80573 PS3D-HUB USB CABLE2 MARKER ASM 1
23 401-80574 PS3D-HUB USB CABLE3 MARKER ASM 1
24 401-80575 PS3D-HUB USB CABLE4 MARKER ASM 1
25 401-76747 MICRO SD CARD 1
26 401-76697 PS3D-SYS PCB ASM 1
27 401-76696 PS3D-DRV PCB ASM 1
28 401-76698 PS3D-DMD PCB ASM 1
29 401-76734 MICROMIRROR ARRAY 1
30 401-76732 LED POWER WIRE ASM 1
31 401-76699 PS3D-WLED PCB ASM 1
32 401-77978 PJ0 TRG CABLE ASM 1
33 401-77983 PJ0 BOOT CABLE ASM 1
34 401-77972 PJ0 POWER CABLE ASM 1
35 401-77979 PJ1 TRG CABLE ASM 1
36 401-77984 PJ1 BOOT CABLE ASM 1
37 401-77973 PJ1 POWER CABLE ASM 1
38 401-77980 PJ2 TRG CABLE ASM 1
39 401-77974 PJ2 POWER CABLE ASM 1
40 401-77981 PJ3 TRG CABLE ASM 1
41 401-77985 PJ2 BOOT CABLE ASM 1
42 401-77975 PJ3 POWER CABLE ASM 1

- -
45. SYSTEM DIAGRAM(5)
O K / N G O P
I O C P C B
F O R C E H A R D W A R E P A S S O P
A C C E S S O R Y C A B L E 4 0 1 7 8 2 1 2
A C C E S S O R Y C A B L E 4 0 1 7 8 2 1 2
5 - 1 B
4 - 1 C
C N 3 0
T R A N S F O R M E R O P
P A S S _ D R V 3 _ 1 0
D R V 3 _ 1 0
C N 2 1
C N 1 9
C N 1 5
C N 1 4
T B 0
X F M R
2 - 2 D
D R V 3
I O C P C B
I / O
E X T E N S I O N B O A R D
F G
T B 9
P A S S S P E E D S W
P A S S D I R E C T I O N S W
P A S S M O D E S W
5 - 4 A
B A C K U P 2 S E N S O R L
B A C K U P 2 S E N S O R U
B A C K U P 1 S E N S O R L
B A C K U P 1 S E N S O R U
2
4
3
4
1
B A C K U P O P
5 6 5 6
8
9 1 0
7
1 3
1 2
1 1
I / F O P
1 4
1 5
1 7
1 6
2 5
2 0
1 9
1 8
3 0
2 1
2 2
2 3
2 8
2 6
2 7 2 9
2 4