RV-2_RV-2-3D-Rev01PDF - 第43页
- - REF.NO NOTE P ART NO D E S C R I P T I O N Qt y 1 401 -59175 CAL IBRATION JI G ASSY 1

- -
19. CALIBRATION JIG COMPONENTS
1

- -
REF.NO NOTE PART NO D E S C R I P T I O N Qty
1 401-59175 CALIBRATION JIG ASSY 1

- -
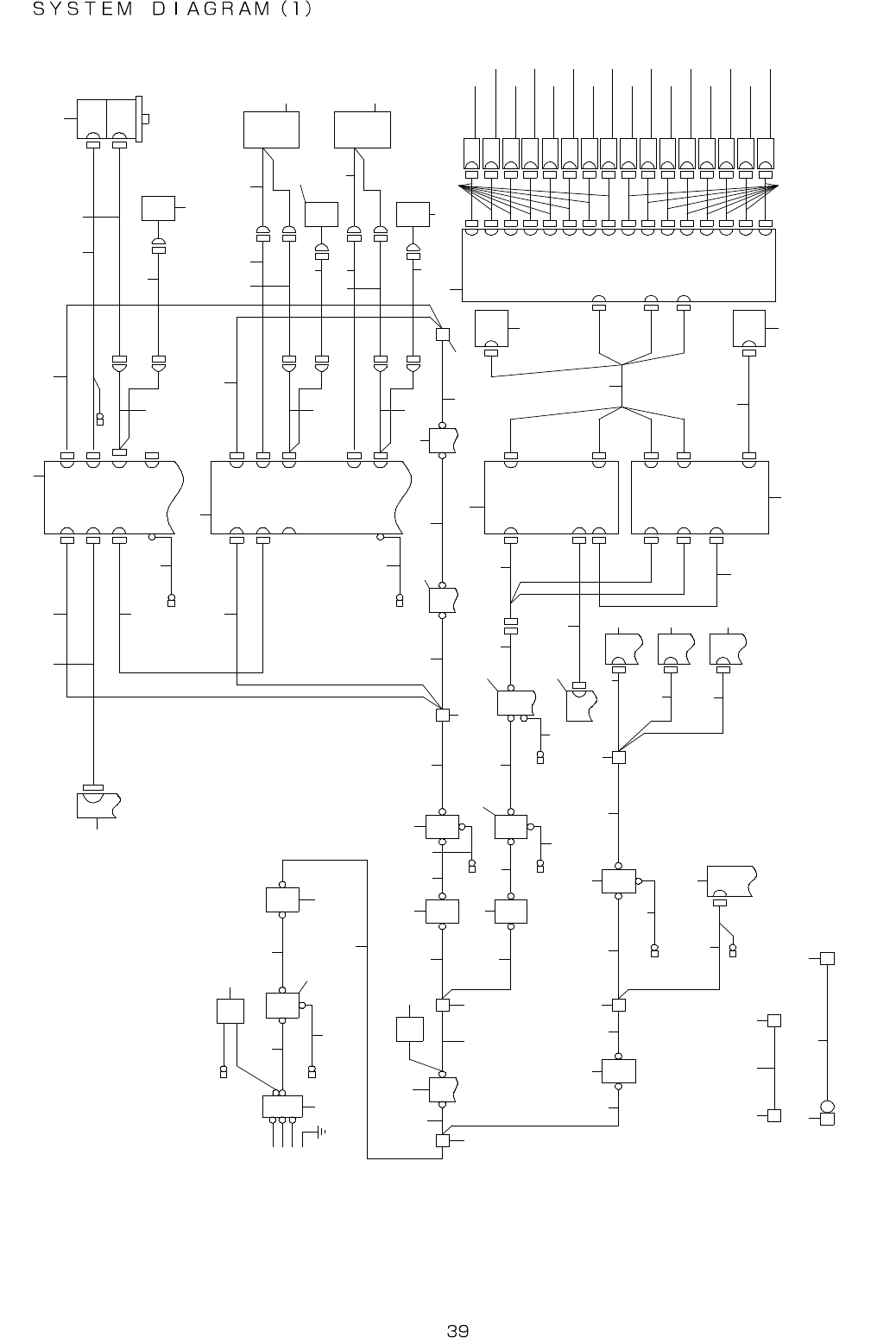
20. SYSTEM DIAGRAM(1)
2 - 1 A
T B 9
T B 6
FG ( E. B. )
T B 8
C N 1
C N 1 2
C N 3
E P I P C B
C N 5 0 5
C N 5 0 4
C N 5 0 3
C N 5 0 2
C N 5 0 1
C N 5
C N 4
C N 1
C N 3
2 - 2 B
2 - 2 B
2 - 2 C
3 - 2 D
2 - 4 A
2 - 2 A
2 - 1 A
3 - 1 A
A V R 3
F G
F G
C P 1
T B 2
A V R 1
T B 6
I O C P C B
S R C P C B
D C S P C B
L C B P C B
L D B S P C B
L D B M P C B
M C 3
T B 5
C N 1
C N 2
T O P P C B
A G G P C B
C N 1 9
C N 1 8
C N 1 7
C N 1 6
C N 1 5
C N 1 4
C N 1 3
C N 1 2
CN 11
C N 1
C N 2
C N 4
C N 1 0
C N 5
C N 6
C N 7
C N 8
C N 9
C N 3
L O W P C B 8
L O W P C B 7
L O W P C B 6
L O W P C B 5
L O W P C B 4
L O W P C B 3
L O W P C B 2
L O W P C B 1
M I D P C B 5
M I D P C B 6
M I D P C B 7
M I D P C B 8
M I D P C B 4
M I D P C B 3
M I D P C B 2
M I D P C B 1
S C A L E H E A D ( Y B )
S C A L E H E A D ( Y A )
Y B S E R V O M O T O R
Y A S E R V O M O T O R
2 - 2 B
C N P 2 B
C N P 3 B
C N P 2 A
C N P 3 A
C N P 1
C N 1 B
C N 1 A
C N P 2
D R V 2
F G
S C A L E H E A D ( X )
X S E R V O M O T E R
F G
F G
2 - 2 B
C N 8
C N 2
C N P 3
C N P 1
C N 1 B
C N 1 A
C N P 2
D R V 1
2 - 1 D
B O A R D
P O S I T I O N
M C 2
F G
A V R 2
T B 4
N F 2
N F 1
F G
F G
C P 3
C P 2
T B 3
S K 1
M C 1
T B 1
F G
E L B 1N F 0
S P 1
F G
T B 0
I N P U T
P E
L 3
L 2
L1
1
2
3
4
5
6
7
8
1 0
1 1
1 2
1 3
1 0
1 4
1 6 2 3
1 7 2 4
1 9
2 6
1 8
2 5
2 7
2 1 2 8
1 0
3 0
5 2
5 2
5 6
5 4
5 3
5 5
3 9
3 8
3 7
3 1
3 2
3 3
1 0
3 5
3 6
4 0
1 0
4 3
4 4
4 5
4 7
4 8
9 1
9 4
4 9 5 0 5 1
4 6
9
6 5
6 4
5 7
5 8
5 9
6 0
6 2
6 3
6 1
6 9
7 0
7 1
7 2 7 3
6 7
1 0
9 5 9 7
8 9
9 6
9 3
9 2
7 4
7 5
7 6
7 7
7 8
7 9
8 5
8 1
8 0
8 2
8 3
4 1
9 0
8 8
8 7
8 6 8 6
8 4
3 4 1 5
2 2 6 8
2 2
2 2
2 2
2 2
2 2
2 2
2 2 6 8
6 8
6 8
6 8
6 8
6 8
6 8
2 0
2 9 4 2
6 5
6 6