RV-2_RV-2-3D-Rev01PDF - 第49页
- - REF.N O N OT E PAR T NO D E S C R I P T I O N Q ty 1 401-5 8285 MOTHE R BO ARD 1 2 EZ -147402 0-11 PO W ER AT X (E NSP3 -450P-S 20- H1 V) 1 3 401-5 8262 RS23 2C CABLE 1 4 EZ -183800 9- 11 CA BLE ATX P OWE R ( WH- M…

- -
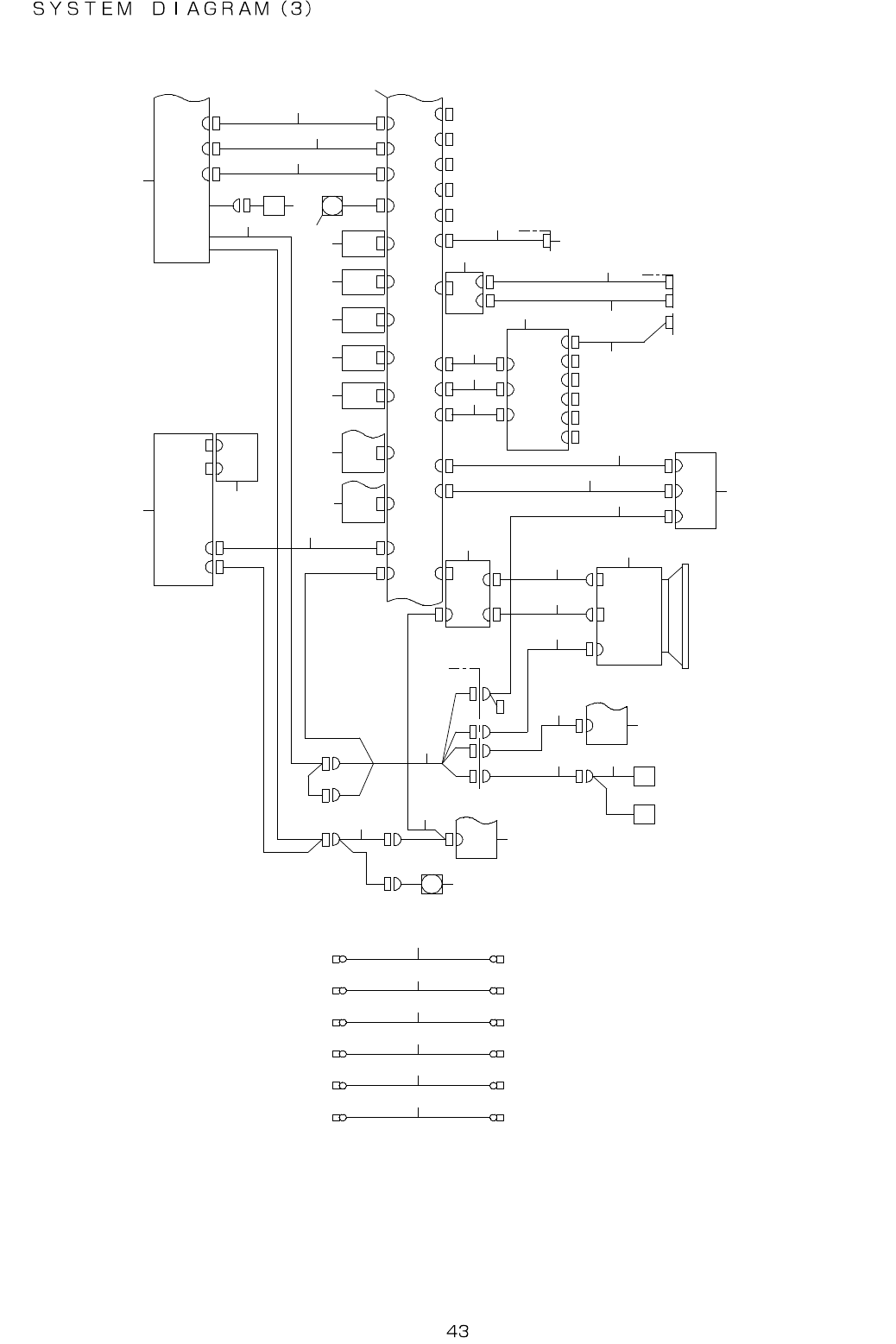
22. SYSTEM DIAGRAM(3)
4 - 1 C
1 - 2 D
( C A M E R A )
F G
( C A M E R A B A S E )
F G
M e m m o r y
U S B P O R T
L A N P O R T
L A N
C N 1 4
(P.E.)
F G
( M O N I T O R B A S E )
F G
( C A M E R A B A S E )
F G
( X B A S E )
F G
( C O N T R O L B O X 3 )
F G
(E.B.)
F G
( X B A S E )
F G
(E.B.)
F G
(E.B.)(P.E.)
F GF G
2 - 1 D
U S B E X T E N S I O N
U S B B O A R D
M O N I T O R
F G B
C M O S C A M E R A
C O N N E C T O R
P A N E L
D C S P C B
P O W E R L E D
H D D L E D
1 - 3 C
L C B P C B
D C F A N
F A N
2 - 3 A
2 - 1 D
S S D
H D D B O X
M e m m o r y
P C I I / O B O A R D
P O S I T I O N B O A R D
M e m m o r y
M e m m o r y
C P U
2 - 1 D
M O T H E R B O A R D
F A N
C P U F A N
B A T
A V R 3
4 4
4 5
4 6
4 7
4 8
4 9
2
1
3
4
5
8
7
6
1 2
1 1
1 0
1 0
1 0
1 0
9
1 4
1 5
1 6
1 7
1 9
2 3
2 4
2 5
2 1
1 8
2 2
2 0
2 7
2 8
2 9
3 0
3 1
3 2
3 3
3 4
3 6
3 8
3 5
3 7
3 9
4 3
4 2
4 1
4 0
2 6
1 3

- -
REF.NO NOTE PART NO D E S C R I P T I O N Qty
1 401-58285 MOTHER BOARD 1
2 EZ-1474020-11 POWER ATX (ENSP3-450P-S20-H1V) 1
3 401-58262 RS232C CABLE 1
4 EZ-1838009-11 CABLE ATX POWER (WH-M2424-500) 1
5 EZ-1833193-11 CABLE ATX POWER (WH-V0408-500) 1
6 401-58525 CPU COOLER 1
7 EZ-1756676-11 BATTERY (BS10A-H24/2.0L) 1
8 EZ-1838010-11 CABLE ATX POWER (WH-PS610-850) 1
9 401-58524 CPU 1
10 401-58267 MEMMORY 1
11 401-58284 MOTION CONTROLER 1
12 401-58261 IO BOARD 1
13 401-58259 SATA CABLE 1
14 401-58565 THETA_MOTOR ASM 1
15 401-58307 SSD 1
16 401-58498 LAN EXT CABLE MARKER ASM 1
17 HK-0896200-80 CONNECTOR 1
18 401-58264 USB3.0 EXTENSION BOARD 1
19 401-58491 USB EXT CABLE1 MARKER ASM 1
20 401-58492 USB EXT CABLE2 MARKER ASM 1
21 401-58286 USB BOARD 1
22 401-58493 USB EXT CABLE3 MARKER ASM 1
23 401-58390 MB-USBB CABLE(1) ASM 1
24 401-58391 MB-USBB CABLE(2) ASM 1
25 401-58392 MB-USBB CABLE(3) ASM 1
26 401-58300 MONITOR 1
27 401-58454 DSUB CABLE ASM 1
28 401-58495 USB CABLE MONITOR MARKER ASM 1
29 401-58322 MONITOR_POW CABLE ASM 1
30 401-58291 IMAGE PROCESSING BOARD 1
31 401-58263 CMOS CAMERA 1
32 401-58496 CAMERA CABLE1 MARKER ASM 1
33 401-58497 CAMERA CABLE2 MARKER ASM 1
34 401-58403 CAMERA POW CABLE ASM 1
35 401-58508 DCS PCB ASM 1
36 401-58393 MB-DCS CABLE ASM 1
37 401-58479 PC LED ASM 1
38 401-58323 MB-LED CABLE ASM 1
39 401-58388 PC_IN(1) WIRE ASM 1
40 401-58278 ILLUMINATION CONTROL BOARD 1
41 401-58389 FGB-LCB CABLE ASM 1
42 401-58436 PC_IN(2) WIRE ASM 1
43 401-58478 PC FAN ASM 1
44 401-58327 PE-EB WIRE ASM 1
45 401-58341 EB-X_BASE WIRE ASM 1
46 401-58404 X-CAM BASE WIRE ASM 1
47 401-58328 EB-MONITOR BASE WIRE ASM 1
48 401-58455 CB3-PE WIRE ASM 1
49 401-58405 C_BASE-CAMERA WIRE ASM 1

- -
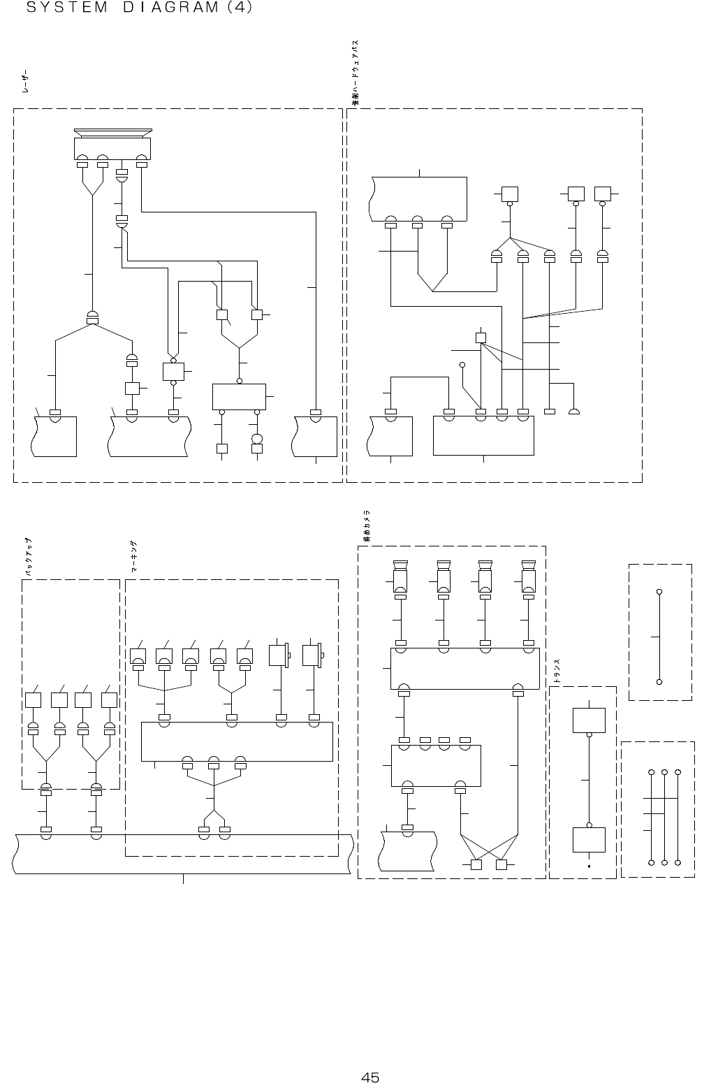
23. SYSTEM DIAGRAM(4)
4 - 3 B
4 - 3 B
2 - 4 D
O K / N G O P
I / F O P
C N 3 0
O P
3 D O P
O P
O P
O P
O P
P A S S _ D R V 3 _ 1 0
D R V 3 _ 1 0
P N P E N C O R D E R
M T M O T O R
M Z M O T O R
M T S E N S O R O P E N
M T S E N S O R C L O S E
M Z S E N S O R T O P
M Z S E N S O R L O W
M Z S E N S O R M I D D L E
C N 3 1
C N 3 0
C N 2 9
C N 2 8
C N 2 1
C N 1 9
C N 5
C N 3 3
C N 3 2
C N 2 7
C N 2 6
C N 2 0
C N 1 6
C N 9
C N 1 5
C N 1 4
T B 0
X F M R
R Y 1
A V R 4
T B 9
T B 1 0
4 - 1 C
M O T H E R B O A R D
F.G. (E.B .)
T B 9
4 - 4 C
4 - 1 B
I O C P C B
2 - 2 D
S R C P C B
T B 8
2 - 2 D
D R V 3
I O C P C B
E X T E N S I O N B O A R D
I / O
F G
T B 9
P A S S S P E E D S W
P A S S D I R E C T I O N S W
P A S S M O D E S W
3 - 2 C
U H 1
U H 2
M O T H E R B O A R D
4 - 3 A
T B 6
M A R K I N G P C B A S M
B A C K U P 2 S E N S O R L
B A C K U P 2 S E N S O R U
B A C K U P 1 S E N S O R L
B A C K U P 1 S E N S O R U
I O C P C B
1
2 3
7
4 4
5 6 5
6
8
9 1 1
1 3 1 5
1 4 1 6
1 0 1 0 1 0 1 2 1 2
1 7
1 8
2 1
1 9
2 42 3
2 2
2 0
2 5
2 7 2 7 2 7 2 7
2 6 2 8 2 9 3 0
3 1
3 3 3 4
3 2
3 8
3 5
3 6
3 7
3 9
4 0
4 1
4 7
4 6
4 2
4 3
4 4
4 5
4 8
5 1
5 1
5 0
4 9
5 2 5 4
5 3 5 5
5 6
5 7
5 8 6 0
5 9
6 1
6 4
6 5
6 6
6 7
6 9
7 0 7 2
7 1
6 8
6 3
6 2
5 1