RV-2_RV-2-3D-Rev01PDF - 第88页
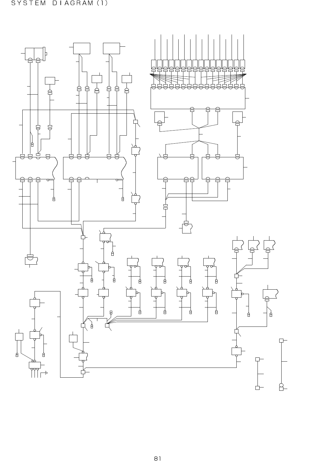
- - 41. SY STE M DI AGRA M (1) F G F G 4 - 1 D F G A V R 8 N F 6 F G 4 - 1 D F G A V R 7 N F 5 F G 4 - 1 D F G A V R 6 N F 4 F G 4 - 1 C F G A V R 5 N F 3 F G 2 - 1 A T B 9 T B 6 F G ( E . B . ) T B 8 C N 1 C N 1 2 C N…

- -
REF.NO NOTE PART NO D E S C R I P T I O N Qty
1 401-59175 CALIBRATION JIG ASSY 1
2 401-81034 CALIBRATION JIG ASSY_RV2-3D 1

- -
41. SYSTEM DIAGRAM(1)
F G
F G
4 - 1 D
F G
A V R 8
N F 6
F G
4 - 1 D
F G
A V R 7
N F 5
F G
4 - 1 D
F G
A V R 6
N F 4
F G
4 - 1 C
F G
A V R 5
N F 3
F G
2 - 1A
T B 9
T B 6
F G (E.B .)
T B 8
C N 1
C N 1 2
C N 3
E P I P C B
4 0 1 5 8 2 9 2
C N 5 0 5
C N 5 0 4
C N 5 0 3
C N 5 0 2
C N 5 0 1
C N 5
C N 4
C N 1
C N 3
2 - 2 B2 - 2 B
2 - 2 C
3 - 2 D
2 - 4 A
2 - 2 A
2 - 1 A
3 - 1 A
F G
F G
C P 1
T B 2
A V R 1
T B 6
I O C P C B
S R C P C B
D C S P C B
L D B S P C B
M C 3
T B 5
C N 1
C N 1
T O P P C B
A G G P C B
C N 1 9
C N 1 8
C N 1 7
C N 1 6
C N 1 5
C N 1 4
C N 1 3
C N 1 2
C N1 1
C N 1
C N 2
C N 4
C N 1 0
C N 5
C N 6
C N 7
C N 8
C N 9
C N 3
L O W P C B 8
L O W P C B 7
L O W P C B 6
L O W P C B 5
L O W P C B 4
L O W P C B 3
L O W P C B 2
L O W P C B 1
M I D P C B 5
M I D P C B 6
M I D P C B 7
M I D P C B 8
M I D P C B 4
M I D P C B 3
M I D P C B 2
M I D P C B 1
S C A L E H E A D ( Y B )
S C A L E H E A D ( Y A )
2 - 2 B
C N P 2 B
C N P 3 B
C N P 2 A
C N P 3 A
C N P 1
C N 1 B
C N 1 A
C N P 2
D R V 2
F G
S C A L E H E A D ( X )
X S E R V O M O T E R
F G
F G
2 - 2 B
C N 8
C N 2
C N P 3
C N P 1
C N 1 B
C N 1 A
C N P 2
D R V 1
2 - 1 D
P O S I T I O N
B O A R D
M C 2
F G
A V R 2
T B 4
N F 2
N F 1
F G
F G
C P 3
C P 2
T B 3
S K 1
M C 1
T B 1
F G
E L B 1N F 0
S P 1
F G
T B 0
I N P U T
P E
L 3
L 2
L 1
2 0
6 8
6 8
6 8
6 8
6 8
6 8
6 82 2
2 2
2 2
2 2
2 2
2 2
2 2
6 82 2
1 53 4
9
1 0
2 82 1
2 5
1 8
2 6
1 9
2 41 7
2 31 6
1 4
1 0
1 3
1 2
1 1
1 0
8
7
6
5
4
3
2
1 0
T B 11
2 9
3 0
2 7
1 0
3 2
3 1
3 3
3 5
A V R 3
3 7
3 6
4 9 5 0 5 1
4 3 4 4 4 5
3 9
3 8
5 2
5 2
5 3
5 6
5 4
5 5
1
L C 2 P C B
4 2
4 6
4 7
4 8
9 4
9 1
6 5
6 4
6 26 0
5 9
5 8
5 7
6 1
6 3
6 6
L D B M P C B
9 2
9 3
9 7
8 9
9 6
9 5
1 0
6 7
6 5
7 1
7 0
6 9
7 4
7 5
7 6
7 7
7 9
8 0
8 5
8 7 9 0
8 8
7 8
8 6
Y B S E R V O M O T O R
Y A S E R V O M O T O R
8 6
8 3
8 2
4 1
7 2
1 1 2
1 1 0
1 1 1
1 0 9
1 0 8
1 0 6
1 0 4
1 0 2
1 0 0
8 4
9 9
7 3
1 0 3
1 0 1
1 0 7
1 0 5
8 1 8 1 8 1 8 1
9 8 9 8 9 8 9 8
1 0
4 0

- -
REF.NO NOTE PART NO D E S C R I P T I O N Qty
1 401-58284 MOTION CONTROLER 1
2 401-58461 SURGE ABSORBER WIRE ASM 1
3 HK-0895500-30 BLOCK TERMINAL 1
4 401-58342 TB0-NF0 WIRE ASM 1
5 401-58344 NF0-E WIRE ASM 1
6 401-58253 NOISE FILTER 1
7 401-58343 NF0-ELB1 CABLE ASM 1
8 HA-0068000-00 CIRCUIT PROTECTOR 1
9 401-58345 ELB1-TB1 CABLE ASM 1
10 HK-0883500-1A BLOCK TERMINAL 1
11 401-58346 TB1-MC1 WIRE ASM 1
12 HA-0053000-00 MAGNETIC CONTACTOR 1
13 HA-0053000-40 MAGNETIC CONTACTOR 1
14 401-58347 MC1-TB3 WIRE ASM 1
15 HW-0024501-00 FLAT CABLE 1
16 401-58348 TB3-CP2 WIRE ASM 1
17 401-69176 CIRCUIT PROTECTOR 1
18 401-58349 CP2-NF1 WIRE ASM 1
19 HN-0038100-0A NOISE FILTER 1
20 401-58360 NF1-E WIRE ASM 1
21 401-58350 NF1-TB4 WIRE ASM 1
22 401-76849 LED MID PCB ASM 3D 1
23 401-58361 TB3-CP3 WIRE ASM 1
24 HA-0068800-00 CIRCUIT PROTECTOR 1
25 401-58362 CP3-NF2 WIRE ASM 1
26 HN-0039800-00 NOISE FILTER 1
27 401-58363 NF2-E WIRE ASM 1
28 401-58364 NF2-AVR2 WIRE ASM 1
29 HX-0071400-00 POWER SUPPLY 1
30 401-58365 AVR2-E WIRE ASM 1
31 401-58366 TB-1 CP1 WIRE ASM 1
32 HA-0068900-0A CIRCUIT PROTECTOR 1
33 401-58367 CP1-TB2 WIRE ASM 1
34 HW-0024500-80 FLAT CABLE 1
35 401-58368 TB2-AVR1 WIRE ASM 1
36 401-58528 POWER SUPPLY 1
37 401-58369 AVR1-E WIRE ASM 1
38 401-58453 TB2-AVR3 CABLE ASM 1
39 401-58529 POWER SUPPLY 1
40 401-58445 AVR1-TB6(1) WIRE ASM 1
41 401-51131 LED AGG PCB ASM 1
42 401-75748 LC2 PCB ASM 1
43 401-58370 TB6-DCS WIRE ASM 1
44 401-58371 TB6-SRC WIRE ASM 1
45 401-58372 TB6-IOC WIRE ASM 1
46 401-58353 TB4-MC2 WIRE ASM 1
47 401-58397 AVR2-LDB(1) CABLE ASM 1
48 401-58398 LCB-LDBM CABLE ASM 1
49 401-58508 DCS PCB ASM 1
50 401-58507 SRC PCB ASM 1
51 401-58506 IOC PCB ASM 1
52 HK-0883500-10 BLOCK TERMINAL 1
53 401-58396 F-R TB CABLE ASM 1
54 401-57196 GROUND_BAR (FR) 1
55 401-58395 EB-TB8 WIRE ASM 1
56 HK-0883500-1B BLOCK TERMINAL 1
57 401-58351 TB4-DRV1 WIRE ASM 1
58 401-29627 OPTICAL FIBER CABLE 1M 1
59 401-29628 OPTICAL FIBER CABLE 0.15M 1
60 401-58358 DRV1-E WIRE ASM 1
61 401-58293 SERVO AMPLIFIER 1
62 401-58352 TB4-DRV2 WIRE ASM 1
63 401-58294 SERVO AMPLIFIER 1
64 401-58359 DRV2-E WIRE ASM 1
65 HA-0068700-00 MAGNETIC CONTACTOR 1
66 401-58354 MC2-MC3 WIRE ASM 1
67 401-58355 MC3-TB5 WIRE ASM 1
68 401-51136 LED LOW PCB ASM 1
69 401-58356 TB5-DRV1 WIRE ASM 1
70 401-58487 X MOTOR FORK CABLE MARKER ASM 1
71 401-58357 TB5-DRV2 WIRE ASM 1
72 401-77953 TB3-TB11 CABLE ASM 1
73 401-77954 TB11-NF3 WIRE ASM 1
74 401-58460 X MOTOR CABLE ASM 1
75 401-58488 X MOTOR ENC CABLE MARKER ASM 1
76 401-58329 X SCALE CABLE ASM 1
77 401-58298 LINER SCALE X 1
78 401-58292 SERVO MOTOR 1
79 401-58330 DRV2-CNP3A CABLE ASM 1
80 401-65131 YA ENC THM CABLE ASM 1
81 401-77990 NOISE FILTER 1
82 401-58333 DRV2-CNP3B CABLE ASM 1
83 401-65132 YB ENC THM CABLE ASM 1
84 401-77958 NF3-AVR5 WIRE ASM 1
85 401-58458 YA LINEAR MTR WIRE ASM 1
86 401-58295 LINEAR MOTOR 1
87 401-58299 LINER SCALE Y 1
88 401-58459 YB LINEAR MTR WIRE ASM 1
89 401-58401 LDBS-EPI WIRE ASM 1
90 401-58299 LINER SCALE Y 1
91 401-58456 AVR2-LDB(2) CABLE ASM 1
92 401-51137 LED MASTER PCB ASM 1
93 401-51155 LED SLAVE PCB ASM 1
94 401-58399 LDB M-S WIRE ASM 1
95 401-76847 LED TOP PCB ASM 3D 1
96 401-58400 LDB-AGG WIRE ASM 1
97 401-51133 LED EPI PCB ASM 1
98 401-77989 POWER SUPPLY 1
99 401-77962 NF3-E WIRE ASM 1
100 401-77966 AVR5-E WIRE ASM 1
101 401-77955 TB11-NF4 WIRE ASM 1
102 401-77959 NF4-AVR6 WIRE ASM 1
103 401-77963 NF4-E WIRE ASM 1
104 401-77967 AVR6-E WIRE ASM 1
105 401-77956 TB11-NF5 WIRE ASM 1
106 401-77960 NF5-AVR7 WIRE ASM 1
107 401-77964 NF5-E WIRE ASM 1
108 401-77968 AVR7-E WIRE ASM 1
109 401-77957 TB11-NF6 WIRE ASM 1
110 401-77961 NF6-AVR8 WIRE ASM 1
111 401-77965 NF6-E WIRE ASM 1
112 401-77969 AVR8-E WIRE ASM 1