LBO 27 Zoll - 第47页
LBO 27" 1 Montageanleitung 27" SIPLACE X4 Ausgabe 09/2007 47 1.10 Ausbau 1 ACHTUNG: V or dem Ausbau des S topper muss ein Auftr ag an die Maschine vorgegeben werden, bei dem alle LBO Einstellungen unter SIPLACE…

1 Montageanleitung 27" SIPLACE X4 LBO 27"
Ausgabe 09/2007
46
1.9.2 Rüstung
: Wählen Sie eine Rüstung aus (siehe Bild).
: Wählen Sie bei LP-Transport "Lange LP" aus und tragen Sie für beide Bearbeitungsbereiche
"Stopper 2 an Position" den Wert 236,000 ein.
1
1
1
Nur bei gesetzter Markierung "Für Optimierung verwenden" wird die Stopper-Position auch in der
Optimierung berücksichtigt. 1
1
1
1
1
1
1
Rüstung auswählen
236,000 eintragen
Lange LP auswählen

LBO 27" 1 Montageanleitung 27" SIPLACE X4
Ausgabe 09/2007
47
1.10 Ausbau
1
ACHTUNG:
Vor dem Ausbau des Stopper muss ein Auftrag an die Maschine vorgegeben werden, bei dem alle
LBO Einstellungen unter SIPLACE PRO deaktiviert wurden. Sonst wird eine Fehlermeldung aus-
gegeben, wenn der Stopper ausgebaut wird, die erst wieder verschwindet, wenn der Stopper zu-
rückgebaut wurde. 1
1
: Setzen Sie vor dem mechanischen Ausbau die Transportsteuerung wieder auf Standard zu-
rück. Folgen Sie dazu der Anleitung unter 1.8.3 und ändern Sie den Wert, der zuvor auf „1250“
gesetzt wurde, nun wieder auf „600“.
: Fahren Sie nun den Bestückautomaten herunter und schalten Sie ihn am Hauptschalter aus!
: Zum Ausbau des Stopper, verfahren Sie in umgekehrter Reihenfolge wie beim Einbau des
Stoppers.
: Befestigen Sie den Alublock wieder mit den ursprünglichen zwei M6 x 30 mm Inbusschrauben.
1
1

1 Montageanleitung 27" SIPLACE X4 LBO 27"
Ausgabe 09/2007
48
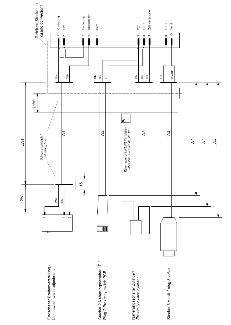
1.11 Plan
1
Abb. 1.6 - 1 Plan Verkabelung Stopper