00192975-01 - 第130页
Power supply S-20/S-23HM/F4/F5/F5H M/S-25HM/HS-50 Conversion Instruct ions 4.6 HS-50 circuit diagrams 03/2001 Edition 130 01. 15.02.99 Tek 20.04.01 SMD Plac em ent System SIPLA CE HS5 0 SIPLACE HS50 Conversion Kit 001191…

S-20/S-23HM/F4/F5/F5HM/S-25HM/HS-50 Conversion Instructions Power supply
03/2001 Edition 4 Converting the power supply unit on HS-50 placement machines
129
01.
05.02.99
Tek
20.04.01
SMD Placement System SIPLACE HS50
110/208V Conversion Kit
00119085-010101LD4
SIEMENS
Aktiengesellschaft
PL EA 1 E2
Date
Author
Check.
Stand.
Name
Stat. Modified Date Name
(Drawing number)
Format A4
Sheet
Scale
Weitergabe sowie Vervielfältigung dieser Unterlage, Verwertung und Mitteilung
ihres Inhaltes nicht gestattet, soweit nicht ausdrücklich zugestanden.
Zuwiderhandlungen verpflichten zu Schadenersatz. Alle Rechte für den Fall
der Patenterteilung oder GM-Eintragung vorbehalten.
Copying of this document, and giving it to others and the use or communication
of the contents thereof, are forbidden without express authority. Offenders are
liable to the payment of damages. All rights are reserved in the event of the
grant of a patent or the registration of the utility model or design.
Function status
Product status
Document status
Sh.
Material no. - FS ES US UA/S/F
Berger
17.12.1998
2
for SIPLACE HS50 ( for USA )
01.
01.
Tek
Tek
17.12.98
17.12.98
2
U
V
W
N
PE
U
V
W
PE
N
PE
PE
EEP
rack ground point
F1
Main power filter
1
3
5
2
6
4
Main switch
HS1
(Top hat rail1)
(Sheet 1)
HS1
A1(+) A2(-)
1
3
5
U
V
W
2
4
6
K11
2
Main contactor
Transformer primary
(Sheet 2)
Nsz1
(Sheet 2)
21
Inrush current limiter - transformer
To MGP (main grounding point)
1
3
5
2
4
6
I>
I>
I>
Psz1
4A
S1
MS1
SZ1
Motor protective switch
6
2.5
2.5
2.5
6 br
6
6
6
4
4
4
1.5
1.5
1.5
1.5 1.5 1.5
4
6
22
23
24
11
12
13
14
31
32
33
34
41
42
43
44
6 br
6 br 6 br
6 br
6 br
6 br
1
Auxiliary switching block (NC)
6
Three-phase current
main power plug
St1
Bu1
0.75
0.75
0.75
0.75
0.750.75
1
N
4
0
0
7
X1
Z1
2
2
O
h
m
2
5
O
h
m
1
2
3
gnye
4
1
2
3
gnye
4
Power cable
for the USA
00345937
Socket for USA
00346283
Tripping block 32A
00342496
Reconnected
for the USA
2
2
O
h
m
2
2
O
h
m
2
2
O
h
m
2
2
O
h
m
2
2
O
h
m
2
5
O
h
m
2
5
O
h
m
2
5
O
h
m
2
5
O
h
m
2
5
O
h
m
1
0
O
h
m

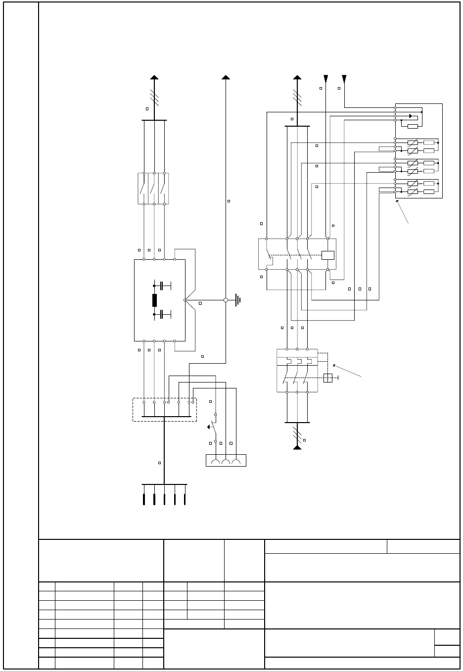
Power supply S-20/S-23HM/F4/F5/F5HM/S-25HM/HS-50 Conversion Instructions
4.6 HS-50 circuit diagrams 03/2001 Edition
130
01.
15.02.99
Tek
20.04.01
SMD Placement System SIPLACE HS50
SIPLACE HS50 Conversion Kit
00119185-010101LD4
SIEMENS
Aktiengesellschaft
PL EA 1 E2
Date
Author
Check.
Stand.
Name
Stat. Modified Date Name
(Drawing number)
Format A4
Sheet
Scale
Weitergabe sowie Vervielfältigung dieser Unterlage, Verwertung und Mitteilung
ihres Inhaltes nicht gestattet, soweit nicht ausdrücklich zugestanden.
Zuwiderhandlungen verpflichten zu Schadenersatz. Alle Rechte für den Fall
der Patenterteilung oder GM-Eintragung vorbehalten.
Copying of this document, and giving it to others and the use or communication
of the contents thereof, are forbidden without express authority. Offenders are
liable to the payment of damages. All rights are reserved in the event of the
grant of a patent or the registration of the utility model or design.
Function status
Product status
Document status
Sh.
Material no. - FS ES US UA/S/F
Berger
12.01.1999
2
( International )
01.
01.
Tek
Tek
12.01.99
12.01.99
1
1U1 415V
1U3 400V
1U4 380V
Grounding terminal
Machine
supply system
(Sheet 3)
PCB handling
∼
∼
∼
+
−
∼
∼
∼
+
−
∼
∼
∼
+
−
∼
∼
∼
+
−
∼
∼
∼−
F4
U_XY
V_XY
W_xy
Z/D servo
Star servo
DC/DC converter
P100P6V
P30V
(Sheet 5)
N
3
0
V
P48V
(Sheet 5)
N48V
+
P
8
V
(Sheet 5)
N8V
CO table
P34V
(Sheet 4/5)
1
P
3
4
V
(Sheet 5)
CO table
25
A
6
A
10
A
10
A
10
A
10A
140V
39,4V
7,9V
31.5V
23,8V
4,0V
(Sheet 5)
33 000µF
+
−
∼
∼
D32A
T1
V
3
V
4
V
5
V
6
V
7
F5
F6
F7
F8
F9
F10
C1
V
2
4
1.5
1.5
1.5
1.5
1.5
1.5
1.5
1.5
1.5
1.5
1.5
1.5
1.5
2.5
2.5
2.5
1.5
1.5
1.5
1.5
1.5
1.5
1.5
1.5
2.5
2.5
R1
N34V
(Sheet 5)
6
6
6
6
6
6
P100P6V_R
(Sheet 2b)
12
K1
2
SZ1
P30V_R
(Sheet 2b)
1.5
1.5
Discharge resistor
Discharge resistor
1.5
1.5
1.5
1.5
1.5
1.5
1.5
2.5
1.5
22kΩ
1U6 204V
1U5 230V
∼
∼
∼
+
−
Psz1
(Sheet 1)
Nsz1
1
A
23,8V
V
8
F11
1.5
1.5
1.5
0.75
0.75
0.75
Transformer primary
(Sheet 1)
4
Transformer primary
(Sheet 1)
4
1V1 415V
1V3 400V
1V4 380V
1V5 230V
1V6 204V
1W6 204V
1W5 230V
1W4 380V
1W3 400V
1W1 415V
1U3 400V
1V3 400V
1W3 400V
⇐
⇐
⇐
1U6 204V
1V6 204V
1W6 204V
1U3 400V
Change
connections

S-20/S-23HM/F4/F5/F5HM/S-25HM/HS-50 Conversion Instructions Power supply
03/2001 Edition 4 Converting the power supply unit on HS-50 placement machines
131
01.
05.02.99
Tek
20.04.01
SMD Placement System SIPLACE HS50
Conversion Kit for SIPLACE HS50
00119185-010101LD4
SIEMENS
Aktiengesellschaft
PL EA 1 E2
Date
Author
Check.
Stand.
Name
Stat. Modified Date Name
(Drawing number)
Format A4
Sheet
Scale
Weitergabe sowie Vervielfältigung dieser Unterlage, Verwertung und Mitteilung
ihres Inhaltes nicht gestattet, soweit nicht ausdrücklich zugestanden.
Zuwiderhandlungen verpflichten zu Schadenersatz. Alle Rechte für den Fall
der Patenterteilung oder GM-Eintragung vorbehalten.
Copying of this document, and giving it to others and the use or communication
of the contents thereof, are forbidden without express authority. Offenders are
liable to the payment of damages. All rights are reserved in the event of the
grant of a patent or the registration of the utility model or design.
Function status
Product status
Document status
Sh.
Material no. - FS ES US UA/S/F
Berger
17.12.1998
2
( international )
01.
01.
Tek
Tek
17.12.98
17.12.98
2
U
V
W
N
PE
U
V
W
PE
N
PE
PE
EEP
rack ground point
F1
Main power filter
1
3
5
2
6
4
Main switch
HS1
(Top hat rail1)
(Sheet 1)
HS1
A1(+) A2(-)
1
3
5
U
V
W
2
4
6
K11
2
Main contactor
Transformer primary
(Sheet 2)
Nsz1
(Sheet 2)
21
Inrush current limiter - transformer
To MGP (main grounding point)
1
3
5
2
4
6
I>
I>
I>
Psz1
4A
S1
MS1
SZ1
Motor protective switch
4
2.5
2.5
2.5
6 br
6
6
6
4
4
4
1.5
1.5
1.5
1.5 1.5 1.5
4
6
22
23
24
11
12
13
14
31
32
33
34
41
42
43
44
6 br
6 br 6 br
6 br
6 br
6 br
1
Auxiliary switching block (NC)
6
Three-phase current
main power plug
St1
Bu1
0.75
0.75
0.75
0.75
0.750.75
1
N
4
0
0
7
X1
Z1
2
2
O
h
m
2
5
O
h
m
1
2
3
gnye
4
1
2
3
gnye
4
Tripping block 16A
00342495
Reconnected,
international
2
2
O
h
m
2
2
O
h
m
2
2
O
h
m
2
2
O
h
m
2
2
O
h
m
2
5
O
h
m
2
5
O
h
m
2
5
O
h
m
2
5
O
h
m
2
5
O
h
m
1
0
O
h
m