00192975-01 - 第25页
Umr ü stanleitung S-20/S-23HM/F4/F5/F5HM /S-25HM/HS-50 Stromversorgung Ausgabe 03/2001 Issue 3 Stromversorgung an den Automaten S-20/S-23HM/ S-25HM/F4/ F5 und F5HM umr ü ste n 25 3.5.6 4- bzw . 5-Leiteransc hluss der Net…

Stromversorgung Umrüstanleitung S-20/S-23HM/F4/F5/F5HM/S-25HM/HS-50
3.5 Bestückautomaten von 3x400V~ auf 3x208V~ umrüsten Ausgabe 03/2001 Issue
24
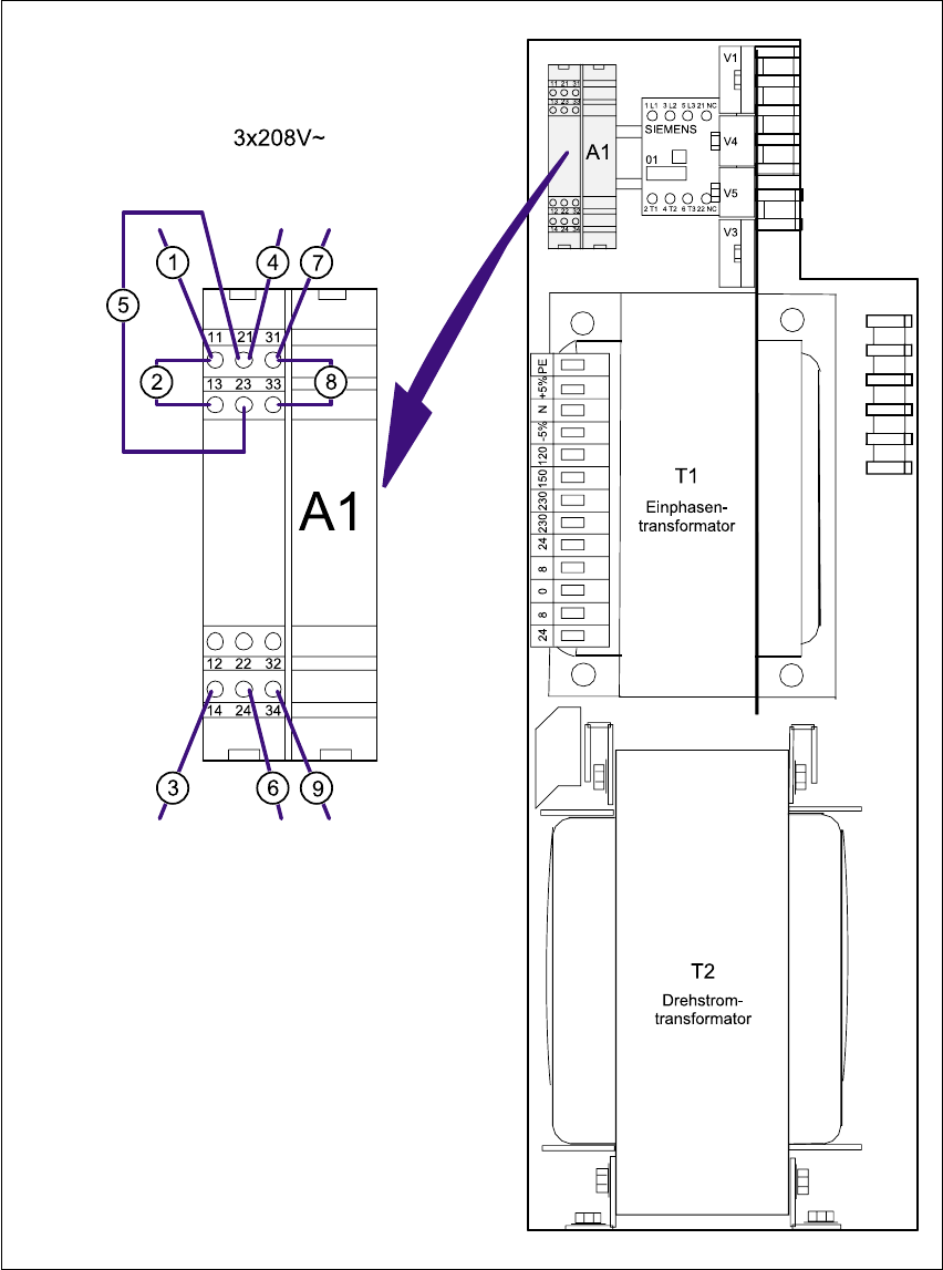
Abb. 3 - 3 Frontseite des Stromversorgungseinschub - Anschluss des Einschaltstrombegrenzers (003429988-01)
a - l Nummern der Anschlussadern
A1 Einschaltstrombegrenzer 3

Umrüstanleitung S-20/S-23HM/F4/F5/F5HM/S-25HM/HS-50 Stromversorgung
Ausgabe 03/2001 Issue 3 Stromversorgung an den Automaten S-20/S-23HM/ S-25HM/F4/F5 und F5HM umrüsten
25
3.5.6 4- bzw. 5-Leiteranschluss der Netzversorgung
Je nach Vorgabe durch die Stromversorgungsunternehmen wird die Anschlusstechnik in 4- bzw.
5-Leiterkabeln ausgeführt. 3
4-Leiteranschluss 3
Beim 4-Leiteranschluss sind Neutralleiter (N) und Schutzleiter (PE) zu einer gemeinsamen Ader
PEN zusammengefasst. 3
Å Setzen Sie im rechten Klemmenfeld in der Klemmleiste X206 die gelbgrünen Adern BR3 und
BR4 zwischen den Klemmen N und PE ein (siehe Abb. 3 - 4
).
5-Leiteranschluss 3
Beim 5-Leiteranschluss sind Neutralleiter (N) und Schutzleiter (PE) in getrennten Adern geführt.3
Å Entfernen Sie im rechten Klemmenfeld in der Klemmleiste X206 die gelbgrünen Adern BR3
und BR4 zwischen den Klemmen N- und PE (siehe Abb. 3 - 4
).
Abb. 3 - 4 Klemmenfeld, rechte Seite, Klemmleiste X206
Automat Klemmenfeld
Klemmleiste X206
Brücken BR3, BR4 zwischen PE und N gesetzt
4-Leiteranschluss 5-Leiteranschluss
S-20/F4/F5 00321510-xx ja nein
S-23HM/S-25HM/F5HM 00337342-xx ja nein
Tab. 3 - 2 Klemmenfelder, rechte Seite

Stromversorgung Umrüstanleitung S-20/S-23HM/F4/F5/F5HM/S-25HM/HS-50
3.6 BE-Wechseltisch von 230 V~ auf 115 V~ umrüsten Ausgabe 03/2001 Issue
26
3.5.7 Steckadapter X1 in Servicesteckdose einsetzen
Å Setzen Sie für die USA-Version den Steckadapter USA, X1 in die Servicesteckdose ein.
3.5.8 Sicherheitsprüfung nach DIN EN 60 204 durchführen
Å Führen Sie nach Abschluss der Umverdrahtung eine Sicherheitsprüfung nach DIN EN 60 204
durch.
Å Gehen Sie dazu vor, wie dies in Abschnitt 2 ab Seite 10 beschrieben ist.
3.6 BE-Wechseltisch von 230 V~ auf 115 V~ umrüsten
LEBENSGEFAHR 3
Für die Umverdrahtung muss der BE-Wechseltisch abgedockt sein. Die Stecker für das Stromver-
sorgungskabel und das Kommunikationskabel müssen abgezogen sein. 3
Abb. 3 - 5 BE-Wechseltisch, Transformator T1
a 7UDQVIRUPDWRU7
s 5DKPHQREHUWHLO