00192975-01 - 第34页
Stromversorgung Um r ü stanleitung S-20/S-23HM/F 4/F5/F5HM/S-25HM/HS -50 3.8 Best ü ckaut omaten von 3 x 208 V ~ auf 3 x 400 V ~ umr ü sten Ausgabe 03/2001 Issue 34 3.8.2 Einphasentrans formator T1 von 1 10 V~ auf 230 V~…

Umrüstanleitung S-20/S-23HM/F4/F5/F5HM/S-25HM/HS-50 Stromversorgung
Ausgabe 03/2001 Issue 3 Stromversorgung an den Automaten S-20/S-23HM/ S-25HM/F4/F5 und F5HM umrüsten
33
Abb. 3 - 10 Anschlussklemmen der Transformatoren T1 und T2 und des Einschaltstrombegrenzers
(T1) Einphasentransformator T1 s - h 230 V~
s - f 110 V~
(T2) Drehstromtransformator T2 a, s, d 3 x 400 V~
j, k, l 3 x 208 V~
(A1) Einschaltstrombegrenzer 3

Stromversorgung Umrüstanleitung S-20/S-23HM/F4/F5/F5HM/S-25HM/HS-50
3.8 Bestückautomaten von 3x208V~ auf 3x400V~ umrüsten Ausgabe 03/2001 Issue
34
3.8.2 Einphasentransformator T1 von 110 V~ auf 230 V~ umklemmen
Å Lösen Sie den schwarzen Anschlussdraht von Klemme f (110 V) und schließen Sie ihn an
Klemme h an (230 V - siehe Abb. 3 - 10
).
3.8.3 Drehstromtransformator T2 von 3 x 208 V~ auf 3 x 400 V~ umklemmen
Å Lösen Sie den schwarzen Anschlussdraht von Klemme j (208 V) und schließen Sie ihn an
Klemme a an (400 V) (siehe Abb. 3 - 10
).
Å Lösen Sie den schwarzen Anschlussdraht von Klemme k (208 V) und schließen Sie ihn an
Klemme s an (400 V) (siehe Abb. 3 - 10
).
Å Lösen Sie den schwarzen Anschlussdraht von Klemme l (208 V) und schließen Sie ihn an
Klemme d an (400 V) (siehe Abb. 3 - 10
).
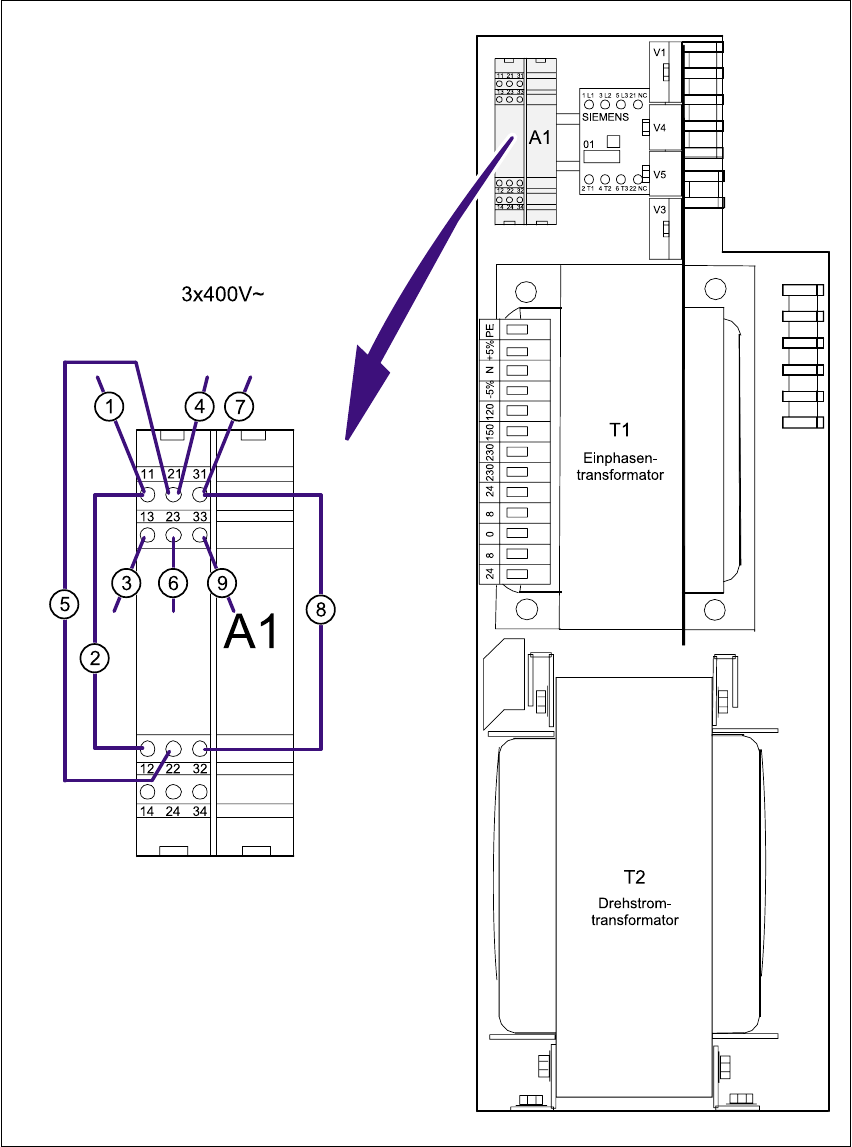
3.8.4 Einschaltstrombegrenzer A1 von 3x400 V~ auf 3x208 V~ umklemmen
Å Klemmen Sie die Ader d von Klemme 14 auf Klemme 13 um (siehe Abb. 3 - 11).
Å Klemmen Sie die Ader h von Klemme 24 auf Klemme 23 um (siehe Abb. 3 - 11).
Å Klemmen Sie die Ader l von Klemme 34 auf Klemme 33 um (siehe Abb. 3 - 11).
Å Klemmen Sie die Ader s von Klemme 13 auf Klemme 12 um (siehe Abb. 3 - 11).
Å Klemmen Sie die Ader g von Klemme 23 auf Klemme 22 um (siehe Abb. 3 - 11).
Å Klemmen Sie die Ader k von Klemme 33 auf Klemme 32 um (siehe Abb. 3 - 11).
3.8.5 Stromversorgungseinschub einbauen
Å Schieben Sie den Stromversorgungseinschub vorsichtig bis zum Anschlag in das Gehäuse.
Å Sichern Sie den Einschub am Fußteil mit der Innensechskantschraube.
Å Kontrollieren Sie, dass der gelbgrüne Schutzleiter mit der Abdeckung verbunden ist.
Å Setzen Sie die Abdeckung ein.
HINWEIS: 3
Achten Sie darauf, dass die Schaltwelle des Hauptschalters problemlos in die Öffnung im
Drehknopf gleitet. 3
Å Befestigen Sie die Abdeckung mit den beiden Innensechskantschrauben.

Umrüstanleitung S-20/S-23HM/F4/F5/F5HM/S-25HM/HS-50 Stromversorgung
Ausgabe 03/2001 Issue 3 Stromversorgung an den Automaten S-20/S-23HM/ S-25HM/F4/F5 und F5HM umrüsten
35
Abb. 3 - 11 Frontseite des Stromversorgungseinschub - Anschluss des Einschaltstrombegrenzers (003429988-01)
a - l Nummern der Anschlussadern
A1 Einschaltstrombegrenzer 3