00192975-01 - 第70页
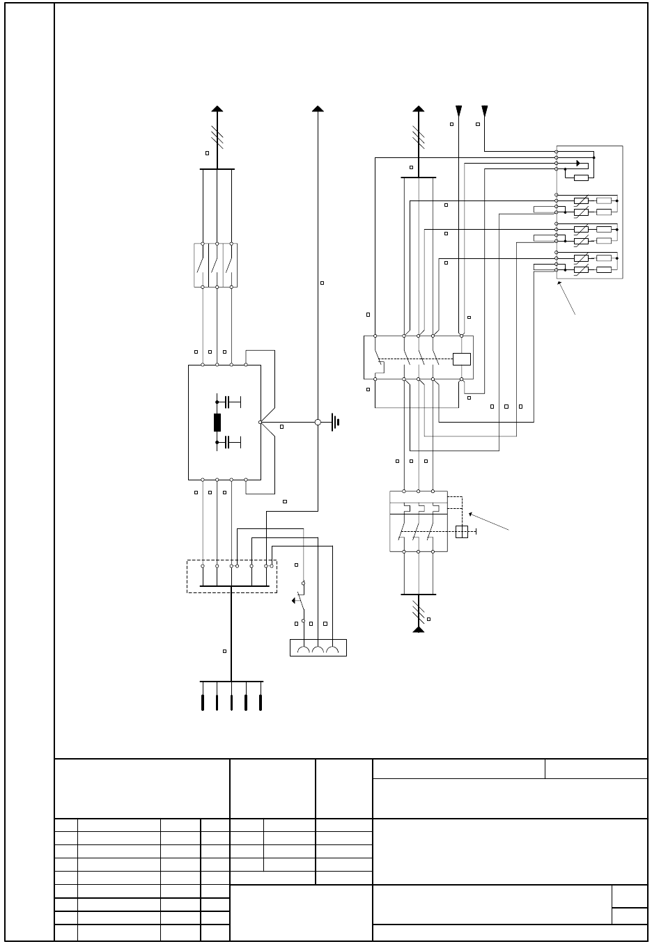
Stromversorgung Um r ü stanleitung S-20/S-23HM/F 4/F5/F5HM/S-25HM/HS -50 4.6 Stromlaufpl ä ne HS-50 Aus gabe 03/2001 Issue 70

Umrüstanleitung S-20/S-23HM/F4/F5/F5HM/S-25HM/HS-50 Stromversorgung
Ausgabe 03/2001 Issue 4 Stromversorgung am Bestückautomaten HS-50 umrüsten
69
01.
05.02.99
Tek
20.04.01
SMD-Bestückautomat SIPLACE HS50
Umrüstsatz für SIPLACE HS50
00119185-010101LD4
SIEMENS
Aktiengesellschaft
PL EA 1 E2
Datum
Bearb.
Gepr.
Norm
Name
Zust. Mitteilung Datum Name
(Unterlagennummer)
Format A4
Blatt
Maßstab
Weitergabe sowie Vervielfältigung dieser Unterlage, Verwertung und Mitteilung
ihres Inhaltes nicht gestattet, soweit nicht ausdrücklich zugestanden.
Zuwiderhandlungen verpflichten zu Schadenersatz. Alle Rechte für den Fall
der Patenterteilung oder GM-Eintragung vorbehalten.
Copying of this document, and giving it to others and the use or communication
of the contents thereof, are forbidden without express authority. Offenders are
liable to the payment of damages. All rights are reserved in the event of the
grant of a patent or the registration of the utility model or design.
Funktionsstand
Erzeugnisstand
Unterlagenstand
Bl.
Materialnr. - FS ES US UA/S/F
Berger
17.12.1998
2
( international )
01.
01.
Tek
Tek
17.12.98
17.12.98
2
U
V
W
N
PE
U
V
W
PE
N
PE
PE
EEP
Einschub-Erdungspunkt
F1
Netzfilter
1
3
5
2
6
4
Hauptschalter
HS1
(Hutschiene1)
(Blatt 1)
HS1
A1(+) A2(-)
1
3
5
U
V
W
2
4
6
K11
2
Hauptschütz
TrafoPrimär
(Blatt 2)
Nsz1
(Blatt 2)
21
Einschalt-Strombegrenzung-Trafo
Zum HEP (Haupt-E.)
1
3
5
2
4
6
I>
I>
I>
Psz1
4A
S1
MS1
SZ1
Motorschutzschalter
4
2,5
2,5
2,5
6 br
6
6
6
4
4
4
1,5
1,5
1,5
1,5 1,5 1,5
4
6
22
23
24
11
12
13
14
31
32
33
34
41
42
43
44
6 br
6 br 6 br
6 br
6 br
6 br
1
Hilfsschalterblock(Ö)
6
Drehstrom
Netzstecker
St1
Bu1
0,75
0,75
0,75
0,75
0,750,75
2
2
O
h
m
1
N
4
0
0
7
X1
Z1
2
5
O
h
m
1
0
O
h
m
1
2
3
gnge
4
1
2
3
gnge
4
Auslöseblock 16A
00342495
Umgeklemmt,
international
2
5
O
h
m
2
5
O
h
m
2
5
O
h
m
2
5
O
h
m
2
5
O
h
m
2
2
O
h
m
2
2
O
h
m
2
2
O
h
m
2
2
O
h
m
2
2
O
h
m
Stromversorgung Umrüstanleitung S-20/S-23HM/F4/F5/F5HM/S-25HM/HS-50
4.6 Stromlaufpläne HS-50 Ausgabe 03/2001 Issue
70

S-20/S-23HM/F4/F5/F5HM/S-25HM/HS-50 Conversion Instructions Power supply
03/2001 Edition 1 Safety instructions
71
1 Safety instructions
RISK OF DEATH 1
The power supply must only be converted by SIEMENS engineers or suitably qualified personnel,
e.g. specialist electricians.
A specialist electrician is anyone who has sufficient technical training, knowledge and experience,
and knowledge of the relevant standards, to be able to assess and recognize the dangers inherent
in the work assigned to them (explanatory notes to DIN VDE 0105 part 1 (07.83), DKE authors’
committee 224). 1
(1) Always follow the accident prevention regulations applicable in your country, e.g. EN 60.204.
(2) End all placement operations on the placement system.
– If an uninterruptible power supply (UPS) is installed on the machine, continue from point (3).
– If the machine does not have an uninterruptible power supply (UPS), shut down the
Windows NT operating system correctly, otherwise you may experience problems or lose
data when the machine is restarted.
(3) Switch the placement system off at the main switch.
(4) Disconnect the main power cable from the main power supply.
(5) Secure the main power cable to prevent reconnection to the main power supply.
(6) Secure the system to prevent reclosing and put up a sign to indicate that servicing work is
being carried out (see section 2 'Operational safety' in the operating instructions).
(7) When the conversion is complete, carry out a safety check (see section 2 'Safety check to
DIN EN 60 204').
PLEASE NOTE: 1
The safety check to DIN EN 60 204 applies to European Union countries. Individual country-
specific regulations should be followed in all countries outside the EU. This also applies to
the warning signs and means of securing that are used during conversion and the safety
check. 1