DECAN_S2_TRM(Ver2.3_CS18.01) - 第173页
Page +$1:+$ 169 DECAN S2

Page
+$1:+$
168
DECAN
S2
Electric Control Part

Page
+$1:+$
169
DECAN
S2

Page
+$1:+$
170
DECAN
S2
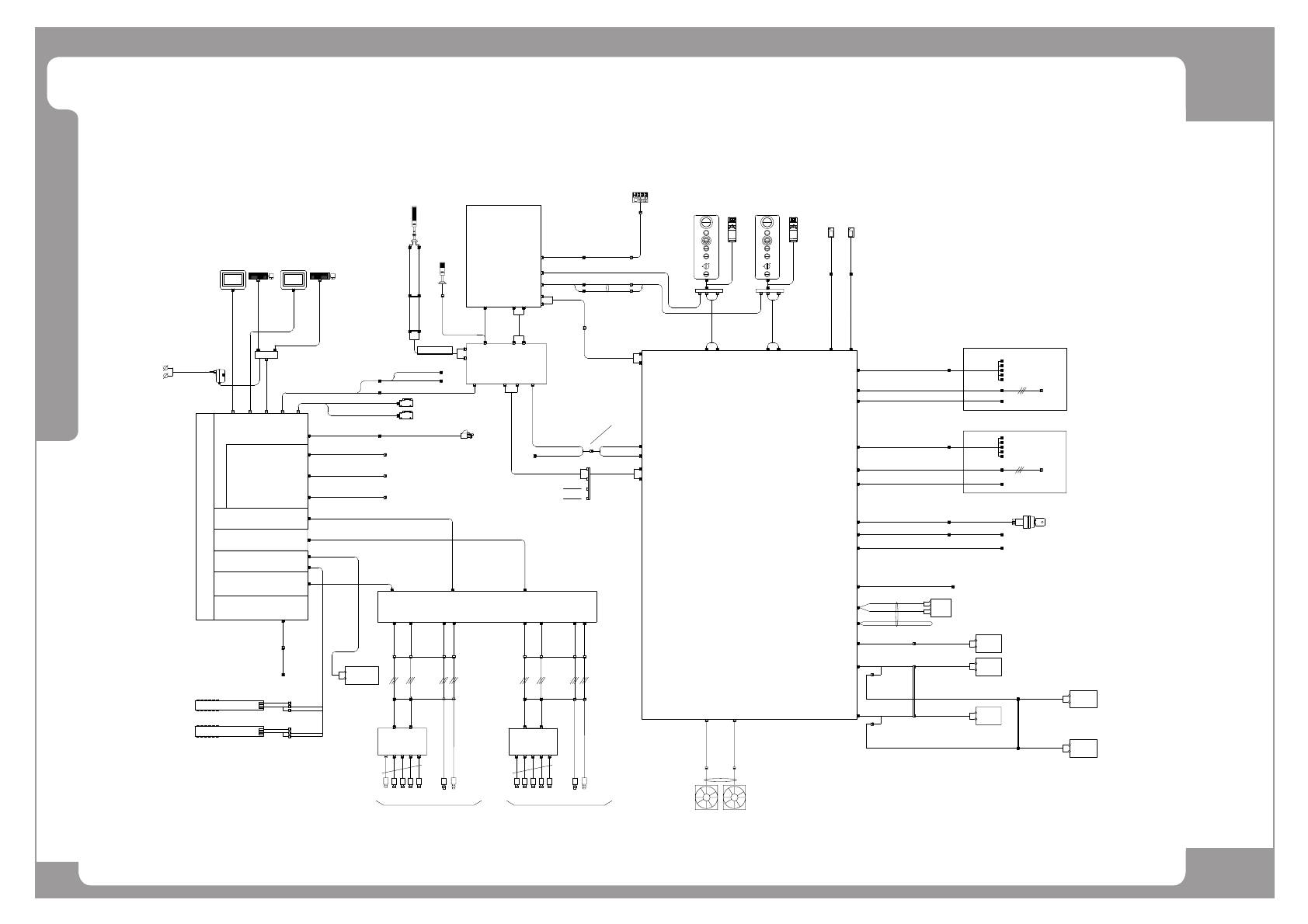
Harness Wiring Diagram (1/9)
TOWER LAMP
FLY CAMERA1~5
AM03-005553A
G
LOCK
R
S
T
M
E
E
CHANGE
F/FEEDER
RESET
0N
STOP
START
READY
E
O
P
C
N
Y
RESET
F/FEEDER
CHANGE
STOP
START
READY
P
O
T
S
Y
N
C
E
E
E
M
R
G
<FRONT-OP> <REAR-OP>
LOCK
0N
CPCI 6U RACK
COM1/2USBVGA1 COM3/4
PC-232 SERIAL
SBC
<FRONT>
<REAR>
PCIE ADAPTER
PCIE X1 2MR
PCIE X1 3MR
PCIE X1 3MR
AXIO B/D #1-CN1
AXIO B/D #2-CN1
AXIO B/D #3-CN1
AM03-010874A
USB HUB
AM03-010911A
AM03-011257A
NT-A8 #1
NT-A8 #2
PC POWER SUPPLY
AM03-010909A
AM03-010873A
SAFETY CONTROL B/D
CN30
CN3
F-OP
CN31
CN3
R-OP
[SC]
CN34
T-BOX
FRONT
CN36
T-BOX
REAR
AM03-010838B
P1 P2
COM1
COM2
COM3
COM4
COM5
CN4 CN9
PWR(12V)
AXIO#1-CN2
AXIO #2 B/D-CN2
AM03-010975B
SM400 VISION IF B/D
CN1
CN1
FIDUCIAL CAMERA
SM400 CAMERA IO B/D#1
[FID1]
CN1CN3
AM03-010966A
CN6CN8
AM03-010968B
AM03-010970A
AM03-010971B
CN5
AM03-010973A
CN10
AM03-010974B
SM511_FD001-18
SM511_FL002-16.17
SM511_FL001-16.17
AM03-005551A
IT MASTER
CN1(12V)
AM03-010965B
AM03-010976B
AM03-005543B
AM03-005548A
FLY CAMERA1~5
FIDUCIAL CAMERA
HEAD1 HEAD2
CN11
CN1
입력
CN10
CN11
CN21
CN27
CN28
CN25
CN26
CN2 CN7
HD1-CN1
HD2-CN1
CONV I/F B/D
[CV]
AM03-010857B
[SUB]
CONV.SUB I/F B/D
CN32
CN28
AM03-010836B
CN6
CN1
CN18
CN3
AM03-010850A
CN17
CN2
START,FFD,RFD
CN7
AM03-010938A
CN4
CN2
AM03-010906B
START,STOP,RESET,FFD
CN5
AM03-010907B
START,STOP,RESET,FFD
CN2
AM03-010078A
AM03-010078A
CN7
CN13
AM03-010842B
CN8
AM03-010854B
SM511_CV126-1
M
1
2
OUT
AIR SENSOR
CN29
CN3
CN1
CN4
CN1
CN6
CN13
EM,READY,DOOR,FSO
[VIS]
CN24
FL1-15
FL1-15
SM511_FD002-18
121234 5
CN18
MC1
21
22
+A1
-A2
CN19
AM03-010090A
AM03-010967A
AM03-005544B
AM03-010969B
J4R-3
J4R-4
J9L-3
J9L-4
AM03-010843B
J6R-2
SM48_CV026-1
J11L-2
AM03-010837B
J6R-3
J6R-4
J11L-3
J11L-4
AM03-010908B
AM03-010905B
AM03-010905B
AM03-010910B
T6L(9.10)
T6L(7.8)
TB1-3C
AM03-005519A
TB1-8C
220V PWR
AM03-010952B
AM03-010953B
AM03-005528A
AXIO#3-CN2
REAR R DRIVER-PW
FRONT R DRIVER-PW
21/22
JUMPER
AM03-005553A
P1 P2
COM1
COM2
COM3
COM4
COM5
SM400 CAMERA IO B/D#2
[FID2]
AM03-005551A
AM03-005543B
AM03-005548A
1212345
AM03-005544B
AM03-010986B AM03-010987A
REAR PANEL LAN PORT
AM03-011275A
FFD-CN4
AM03-010872A
PWR
AM03-010871A
CAN
J1R
CN26 CN27
J1R-3
J1R-4
AM03-010867A
AM03-010947B
AM03-010948B
AM03-010959A
AM03-010960B
AM03-010949A
AM03-010950A
AM03-010957A
AM03-010958B
CN33
CN35
CN20
CN22
RFD-CN4
SC-J1R
CN4
AM03-010961A
F/R T-BOX HOST
AM03-010839A
AM03-010840A
AM03-010841B
F.R-DRV-PW
AM03-010954A
HD1-PW
PWR(24V)
PWR(24V)
PWR(24V)
FFD-PWR
AM03-010866B
PWR(24V)
PWR(24V)
PWR(24V)
HD2-PW
R.R-DRV-PW
VGA
VGA
AM03-010795A
TW-LP
TW-BZ
J9LJ4R
PC-232-EXT
LAN-EXT
R-PW-PANEL
DOOR.FFD.READY.START
DSTOP.RESET SW
J6R
AM03-010859A
J11L
AIRSEN
AM03-010859A
(DC BRK)
FLY1-PWFLY-PW
FLY-CAM FLY1-CAM
FID1-CAM1
FID1-CAM2
F.Y-BRK
F.HD-BRK R.HD-BRK
R.Y-BRK
FID-CAM1
FID-CAM2
FLY2-PWFLY-PW
FLY-CAM FLY2-CAM
FID2-CAM1
FID2-CAM2
FID-CAM1
FID-CAM2
PWR(24V)
PWR(24V)
PWR(24V)
F.XY MODULE
R.XY MODULE
13
14
(24G)
(+24V)
CN23
SAFEGUARD OVERRIDE KEY
AX-CN1
AM03-010951A
AM03-011671A
CN5
CN-FSO
J90831059C
PS1+24V
PS1-24G
PS2+24V
PS2-24G
T6L
PS1
PS2
PS2+24V
PS2-24G
PS2
REAR FEEDER BASE RIGHT B/D
JK1 JK2 JK3 JK4 JK5 JK6
JK7 JK8 JK9 JK10 JK11 JK12
JJ1 JJ2 JJ3 JJ4 JJ5 JJ6
JJ7 JJ8 JJ9 JJ10 JJ11 JJ12
AM03-000697A
AM03-000698A
CAN
PWR
CAN
PWR
REAR FEEDER BASE LEFT B/D
CAN_CH1_L
CAN_CH2_R
CAN_CH3_L
CAN_CH4_R
CAN
SC-EN1
VGA2
CN6
AM03-010919B
LEFT-FAN
CN7
AM03-010920B
RIGHT-FAN
RIGHT LEFT
SM471_PW022
SUB-CN6/7
15S
15S
15S
15S
15S
15S
15S
15S
15P
9P
15P
9P
15P
9P
15P
9P
JST 20P
AM03-010954A
J1R-1
J1R-2
PWR(24V)
Molex 2p
Molex 2p
(HEAD AMP)
F ERROR LAMP
EP02-001746A
F-OW-LAMP
PWR
PWR
AM03-011245A
CV-RFD-PWR
5557-10R/5559-10P
X
X
⓸䇭⽀⢰䁇 㻈ᴴ
MULTIPORT
LAN1
F BARCODR
SM511_IT001
R BARCODR
AM03-011246A
SCAN
L/R-CN1
ADAPTOR
RELAY-BK2
AM03-011274B
RY11
RELAY-BK1-5
AM03-011272A
6
4
(+24V)
(+24V)
RY1
AM03-011273B
AM03-010945A
CN2
입력
SC-EN2
RELAY-BK1-4
AM03-011270A
6
4
(+24V)
(+24V)
RY2
AM03-011274B
AM03-010945A
AM03-010938A
JST 20P
SM511_FD001-18
SM511_FL002-16.17
SM511_FL001-16.17
SM511_FD002-18
㩅䑄
HD1
HD2
CN3
CN2
CN1
FAN
RACK FAN
RACK-FAN-EXT
CV-CN16
AM03-012401A
AM03-010848C
SM511_KV003-3
SM511-PC005
SM511-PC006
SM511_KV003-2
SM471_PW067
SM511_PC003 SM511_PC003-1
SM511_IT003
OPTION
SM511_CV104
SM511_CV104-1
SM511_CA202
AM03-010868A
SM511_VM111 SM511_VM111-1
SM511_IT004
SM511_IT005
SM511_VIS000
SM511_VIS012
SM511_VIS012-1
SM511_CV109-3
SM511_CV109-1
SM_FD025
SM_FD024
SM511_VIS001-1
SM511_VIS003-1
SM511_VIS005
SM511_VIS007
SM511_VIS008
SM511_VIS010
SM511_VIS001-2
SM511_VIS003-2
SM471_VIS009
SM471_VIS002-1
SM471_VIS006
SM471_VIS002-2
SM471_VIS009
SM471_VIS002-1
SM471_VIS006
SM471_VIS002-2
SM471_VIS011 SM471_VIS011
SM511_CV003
SM511_CV113
SM511_OP103
SM511_OP104
SM511_CV126
AM03-007638A
SM511_SC105
SM511_CV202
SM511_CV202
AM03-010855B
SM511_SC105-1
SM511_CV023-5
SM33_OP005
SM33_OP005
SM511_CV023-4
SM511_OP001
SM511_OP001
SM511-SC001
SM511-SC002
SM511_CV034
SM511_CV035
SM511_OP104-1
SM511_SC122
SM511_SC123
SM511_SC007-2
SM511-SC007-3
SM511_SC120
SM511_SC121
SM511_SC111-2
SM511_SC111-2
SM511_FD101-1
SM511_FD101
SM511-SC009
SM511_AX001
SM33_SC008
SM41_SC006
SM471_SC007-1
SM511_PW149-1 SM511_PW149
SM511-PW033
SM511_PW148
SM511_PW127
SM511_PW202
SM511-PW032
SM511_PW149
SM511_PW202
SM511_PW127
SM511_PW020
SM511_PW021
SM511_CV132
SM511_SC204
SM511_CV101 SM51-1_CV101-1
V1+_BASE_343