DECAN_S2_TRM(Ver2.3_CS18.01) - 第183页
Page +$1:+$ 179 DECAN S2

Page
+$1:+$
178
DECAN
S2
Harness Wiring Diagram (9/9)
[AXIO#1]
CN3
FIX CAMERA OPTION
AM03-012881A
SM511_FX-001
CN2
CAN,12V
[SC]
CN8
AM03-012882A
SM511_FX-002
[SCM-HIF]
CN1
24V/24G
CN16
[FIX-IF1]
JP1
AM03-012883A
SM511_FX-003
FIX1.2 SIDE/INNER/OUTER
JP1
[VIS]
AM03-012901A
SM511_FX-007
24V/VDDEO CAM
FID2-CAM1
FID2-CAM2
AM03-012884A
SM511_FX-004
24V/VDDEO CAM
[FIX1]
CAM
[FIX2]
CAM
BOARD
SSA VIS FIX IF
[FIX-IF2]
BOARD
SSA VIS FIX IF
[FID2-CAM1]
[FID2-CAM2]
VIS-CN6-EX
VIS-CN7-EX
CN6
AM03-012885A
SM511_FX-005
24V/VDDEO CAM
[NX2]
CN1
PC RACK
CN9
AM03-012886A
SM511_FX-006
Rear HEAD Molule
Rear FLAT CABLE
Rear FLAT CABLE
Y-BRK

Page
+$1:+$
179
DECAN
S2

Page
+$1:+$
180
DECAN
S2
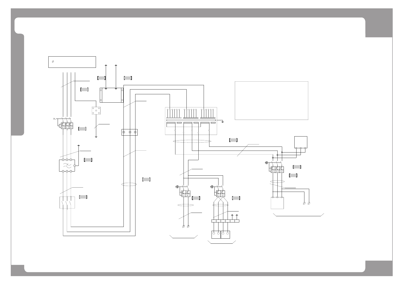
Electric Power (1/9)
1
5 6
7
8
9 10
11
12
2
3
4
240
AM03-010917B
AM03-010916A
2.5 mm
2.5 mm
-MAIN S/W
(600VAC,20A)
L32
L33
L31
-NF1
(3Ø, 20A)
L22
L21
L23
2P-C16
-CP1
SM511_PW003-1
SM33_PW001
2.5 mm
FACTORY MAIN POWER
4.0 mm
(3 /PE 60HZ 200~415VAC)
-MCCB1
(3Ø, 20A)
L13
L12
L11
APPROX. 5KVA)
T
SR
FRAME GROUND
-TRANS
220V
208200 220
L31
PE
1L1
1L2
22S
22R
SM471_PW008
22T
3P-C16
-CP3
TF2L1
TF2L2
TF2L3
220V 220V
0V 220V
200220415380 200 208 380240 415
L32
415208 220 380240
L33
2.5 mm
FX,RX,FY1,FY2,RY1,RY2,FS,RS AXIS(SERVO)
6.SECONDARY #1 : 1Ø 220(2.5KVA)
SECONDARY #2 : 3Ø 220(3KVA)
2.FREQUENCY : 50/60Hz
1.CAPACITY : 5.5KVA
3.PHASE : 3Ø
4. CONNECTION: Y-Y
<TRANS SPECIFICATION>
5.PRIMARY : 3Ø 200/208/220/240/380/415V, 5KVA
DC POWER #3,#4(24VDC)
(FZ1~FZ6, RZ1~RZ6 AXIS)
22R 22T
CONTROL RACK(PC+VME)
MONITOR1,2
DC POWER #1,#2(24VDC)
AC FAN
-TB2
2.5 mm
TF1L1
TF1L2
2.5 mm
SM511_PW006
2L1
2.5 mm
SM511-PW202
2P-C16
-CP2
0.75 mm
AM03-010914C
AM03-010915A
SM471_PW007
-MC1
-MC2
AM03-010925A
AM03-010912A
AM03-010913A
SM511_PW003-2
SM511_PW004
SM511_PW003-3
SM511_PW003
SM511_PW005
AM03-010945A AM03-005482A
AM03-010918B
SM511_PW040
AM03-005483A
2.5 mm
-TRANS
-T6L
CONN
2.5 mm
2L2
-PS3 -PS4
J90831063A
246
135
1
456
23
2
1
264
135
4
3
24
13
6
5
2
1
4
3
1A 6A
13A 15A
13 5
13 5
RST
UVW
RST
UV W
NL
245136
2
2
2
2
PE2
2
2
2
2
2
PE1
PE8
F_HD_FG
F_HD_FG
R_HD_FG
R_HD_FG
2
PE9 PE10
2