00194705-0102_AI_1WireBus_DE EN - 第67页
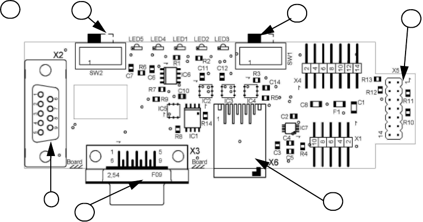
Retrofit instructions: New 1-wire wiring for the SIPLACE X-series 11/2005 Edition 67 Fig. 2.9 - 3 1-wire RS232 interface (03041578-01) (1) CAN bus interface to the I/O module (2) RS 232 interface (3) CAN bus interface to…

Retrofit instructions: New 1-wire wiring for the SIPLACE X-series
11/2005 Edition
66
The design of the 1-wire bus is exactly the same in PA2, depending on the machine configuration
(1 or 2 gantries).
Description of the functions: 2
Each 1-wire bus is assigned a fixed CAN ID when the machine is switched on.
1-wire in PA1 --> CAN ID: 07d0
1-wire in PA2 --> CAN ID:07c0
While the bus system is initializing, each station logs onto the master and the bus switches to
standby.
At rest, the voltage level on the 1-wire bus is 5V.
The bus can be initialized again using the CACCIA tool (see Checking the functions and trouble-
shooting during servicing).
Connector assignment: machines/CAN bus:
Fig. 2.9 - 2 Pin assignment: sub D connector
Components of the 1-wire bus 2
Modules:
(1) 1-wire RS232 bridge on the SUB/MAIN module (subsequently integrated into the I/O module)
(2) 1-wire CAT5 gantry on the cable and hose carrier interface (board between CAN bus and
cable and hose carrier interface)
(3) 1-wire CAT5 distributor
(4) 1-wire hub nozzle changer
(5) Nozzle changer control board (integrated into the NC, not for DLM heads)
(6) 1 set of temperature sensors (must all be replaced at the same time since they are dependent
on the serial number)
(7) Gantry identification (EEPROM)
120
Ohm
CAN Interrupt95
+24V 1-wire-Bus89
Power Fail74
CAN Reset68
GND53
CAN High47
CAN Low32
GND26
1-wire-Bus 11
AderPin
PIN 1 on HF machines only

Retrofit instructions: New 1-wire wiring for the SIPLACE X-series
11/2005 Edition
67
Fig. 2.9 - 3 1-wire RS232 interface (03041578-01)
(1) CAN bus interface to the I/O module (2) RS 232 interface
(3) CAN bus interface to the machine (4) Switch position varies according to the I/O
module release
(5) MA / PC switch must be
set to MA (Machine)
(6) CAT5 cable connection
LED 1, NC 1/3 LED 2 Temperature sensors
LED 3, NC 4/2 LED 4 Green "OK"
LED 5 Green "Error"
4
1
2
3
1
5
6

Retrofit instructions: New 1-wire wiring for the SIPLACE X-series
11/2005 Edition
68
Fig. 2.9 - 4 1-wire CAT5 distributor (03040219-01)
Fig. 2.9 - 5 1-wire gantry board (03042214-01)
2
CAT 5 cable input
from the RS 232
interface
24 V input for
NC
CAT5 output to
the NC hub,
gantry 3 or 4
CAT 5 output to
the 1-wire gan-
try board
CAT5 output to
the NC hub,
gantry 1 or 2
3
Switch: Down position - gantry 1/2
Up position - gantry 3/4
This board is seated directly on the CAN
bus connector on the cable and hose
carrier interface.
CAT5 cable connection from the 1-wire
CAT5 distributor
X2 connection to the second gantry in
the placement area.