TR5DNR_TR5DNX-Rev04 - 第52页
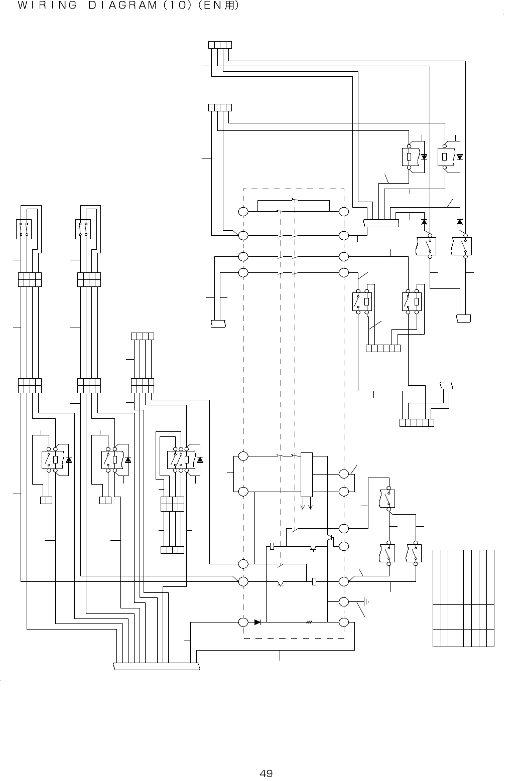
- - 25. W IRIN G DI AG RAM ( 10 )(FOR EN ) 1 _ 1 B ( C E ) 6 _ 2 B ( C E ) 6 _ 2 B ( C E ) C N 1 0 7 - A 4 3 2 1 M Y 2 D C 2 4 V M Y 2 D C 2 4 V M Y 2 D C 2 4 V M Y 2 D C 2 4 V G 7 S A - 3 A 1 B D C 2 4 V G 7 S A - 3 A…

- -
REF.NO NOTE PART NO D E S C R I P T I O N Qty
1 E9455-723-0A0 I/F CABLE ASM. 1
2 400-45200 I/F CABLE ASM 1
3 400-49604 PANEL CABLE ASM 1
4 400-46243 LCD I/F CABLE ASM 1
5 400-46244 LCD BL CABLE ASM 1
6 400-49605 TRAY LED CABLE 1 ASM 1
7 400-49611 TRAY LED CABLE 2 ASM 1
8 400-49612 TRAY LED CABLE 3 ASM 1
9 400-49613 TRAY LED CABLE 4 ASM 1
10
#01
400-96122 5D I/F CABLE ASM 1
11
#01
400-96157 MTC/MTS I/F CABLE ASM 1

- -
25. WIRING DIAGRAM (10)(FOR EN)
1 _ 1 B
( C E )
6 _ 2 B
( C E )
6 _ 2 B
( C E )
C N 1 0 7 - A
4
3
2
1
M Y 2 D C 2 4 V
M Y 2 D C 2 4 V
M Y 2 D C 2 4 V
M Y 2 D C 2 4 V
G 7 S A - 3 A 1 B D C 2 4 V
G 7 S A - 3 A 1 B D C 2 4 V
G 7 S A - 3 A 1 B D C 2 4 V
O M R O N
O M R O N
O M R O N
O M R O N
O M R O N
O M R O N
O M R O N
R L Y 1 9
R L Y 1 8
R L Y 1 6
R L Y 1 4
R L Y 1 3
R L Y 1 2
R L Y 1 0
T Y P EM A K E RS I G N
T B 2
-
-
C
C
C
C
C
D 1 3
D1 1
R L Y 1 8
1 0 _ 4 D
D 1 0
1 41 3
T B 2
C
R L Y 1 9
1 0 _ 4 D
D 1 2
1 41 3
4 _ 4 B
( C E )
4 _ 4 B
( C E )
O M R O N
G 9 S A - 3 0 1
S R L Y
4 1
4 23 4
3 3
4 34 4
C N 1 2 4
C N 1 2 3
5 - 4 C
( C E )
C N 1 2 2
1 0 _ 4 D
1 2
R L Y 1 9
8
1 0 _ 4 C
D 6
1 0 _ 2 C
2 32 4
R L Y 1 0
1 0
D 9
T B 2
+
+
1 0 _ 2C
4 34 4
5 _ 4 C
( C E )
R L Y 1 3
1 0
3 1
11
D O O R S O P E N S W
3 2
1 2
S
S
S
1 2
R L Y 1 8
8
141 3
8
R L Y 1 6
12
141 3
8
R L Y 1 4
1 0 _ 2 B
R L Y 1 0
3 3 3 4
1 0 _ 2 A
R L Y 1 3
3 3 3 4
1 0 _ 2 A
1 0 _ 2 C
4 34 4
D 8
1 _ 5 B
( C E )
T B 2
-
-
12
2 4
2 3
1 4
1 3T 3 2
b
a
BA
C o n t r o l
C i r c u i t
T 3 1
R L Y 1 2
3 3 3 4
K 1
K 2
K 2
b
a K 1
T 2 3 T 2 2T 2 1P E
T 1 2
A 2
T1 1A 1
-
+
-
+
-
R L Y 1 2
1 0
3 1
11
D O O R M O P E N S W
3 2
1 2
+
-
+
T B 2
C N 0 6 7 - B
6
5
4
2
3
1
C N 1 2 1
C N 0 7 4
C N 0 7 2
C N 1 0 7 - B
C N 0 8 7 - BC N 0 8 7 - A
4
3
C N 0 7 5
C N 0 6 7 - A
6
2
5
1
C N 0 7 3
1
2
3
4 4
3
2
1
2
1
2
1
1
2
3
44
3
2
1
4
1
4
3
2
3
1
2
2
1
3
2
3
44
1
4
1
3
2
4
3
2
1 1
2
3
4
4
3
2
11
2
3
4
4
3
2
11
2
3
4
1
2
3
4
5
6
7
8
9
1 0
1 1
1 2
1 3
1 4
1 5
1 6
1 8
1 7
1 9
2 0
2 1
2 2
2 3
2 4
2 62 5
2 8
2 7
2 9 3 0
3 1
3 2
3 3
3 4
3 5
3 6
3 7
3 8
3 9
4 0
4 1
4 2 4 3
4 4
4 5

- -
REF.NO NOTE PART NO D E S C R I P T I O N Qty
1 400-49619 DOOR M OPEN SW CABLE 1 ASM 1
2 400-49620 DOOR M OPEN SW CABLE 2 ASM 1
3 400-49621 DOOR M OPEN SW ASM 1
4 400-49623 RELAY12 I/O CABLE 2 ASM 1
5 400-49622 RELAY12 DRIVE CABLE ASM 1
6 400-45229 RELAY12 DIODE CABLE ASM 1
7 400-49627 RELAY13 DRIVE CABLE ASM 1
8 400-49629 RELAY13 I/O CABLE 2 ASM 1
9 400-49624 DOOR S OPEN SW CABLE 1 ASM 1
10 400-49625 DOOR S OPEN SW CABLE 2 ASM 1
11 400-49626 DOOR S OPEN SW ASM 1
12 400-45234 RELAY13 DIODE CABLE ASM 1
13 400-49662 RELAY10 I/O CABLE 1 ASM 1
14 400-49634 RELAY10 I/O CABLE 2 ASM 1
15 400-45212 RELAY10 DRIVE CABLE ASM 1
16 400-45211 RELAY10 DIODE CABLE ASM 1
17 400-49630 EMERGENCY SW CABLE(REAR,CE) 1 ASM 1
18 400-49631 EMERGENCY SW CABLE(REAR,CE) 2 ASM 1
19 400-45218 SRLY POWER CABLE(+) ASM 1
20 400-45226 SRLY-T3 CABLE ASM 1
21 400-45219 SRLY POWER CABLE(-) ASM 1
22 400-49633 SRLY-FG CABLE ASM 1
23 400-49635 RELAY12-33 CABLE ASM 1
24 400-49637 RELAY13-33 CABLE ASM 1
25 400-49639 RELAY12-34 CABLE ASM 1
26 400-49640 RELAY13-34 CABLE ASM 1
27 400-49641 SRLY-T22 CABLE ASM 1
28 400-45225 SRLY-AB CABLE ASM 1
29 400-49642 SRLY-23 CABLE ASM 1
30 400-49643 SRLY-13 CABLE ASM 1
31 400-49646 CG SW S.V. CABLE 2 ASM 1
32 400-49647 CG SW S.V. CABLE 3 ASM 1
33 400-49644 RELAY14,16 OUTPUT CABLE ASM 1
34 400-49645 RELAY14,16 DRIVE CABLE ASM 1
35 400-45240 RELAY14 INPUT CABLE ASM 1
36 400-45242 RELAY16 INPUT CABLE ASM 1
37 400-49648 SRLY-34 CABLE ASM 1
38 400-49651 RELAY18-8 CABLE ASM 1
39 400-49649 RELAY18-13 CABLE ASM 1
40 400-49652 RELAY19-13 CABLE ASM 1
41 400-49650 RELAY18 DIODE CABLE ASM 1
42 400-49655 RELAY18-12 CABLE ASM 1
43 400-49656 RELAY19-12 CABLE ASM 1
44 400-49654 RELAY19-8 CABLE ASM 1
45 400-49653 RELAY19 DIODE CABLE ASM 1