P-0281-004 - 第29页
1004-004 Key No. P AR T No. P AR T NAME Q’ty REMARKS New Code NOTE G-1 G-1 list-1 1 6301609898 FRAME 1 877G--010-001 210B4255 2 6301526775 BLOCK(KIBAN) 1 877G--010-002 21 1G5053 3 6301274706 COVER(LA) 1 877G--010-003 21 …

0909-003
テープフィーダ
TAPE FEEDER
GT
-12161B GT-12161B
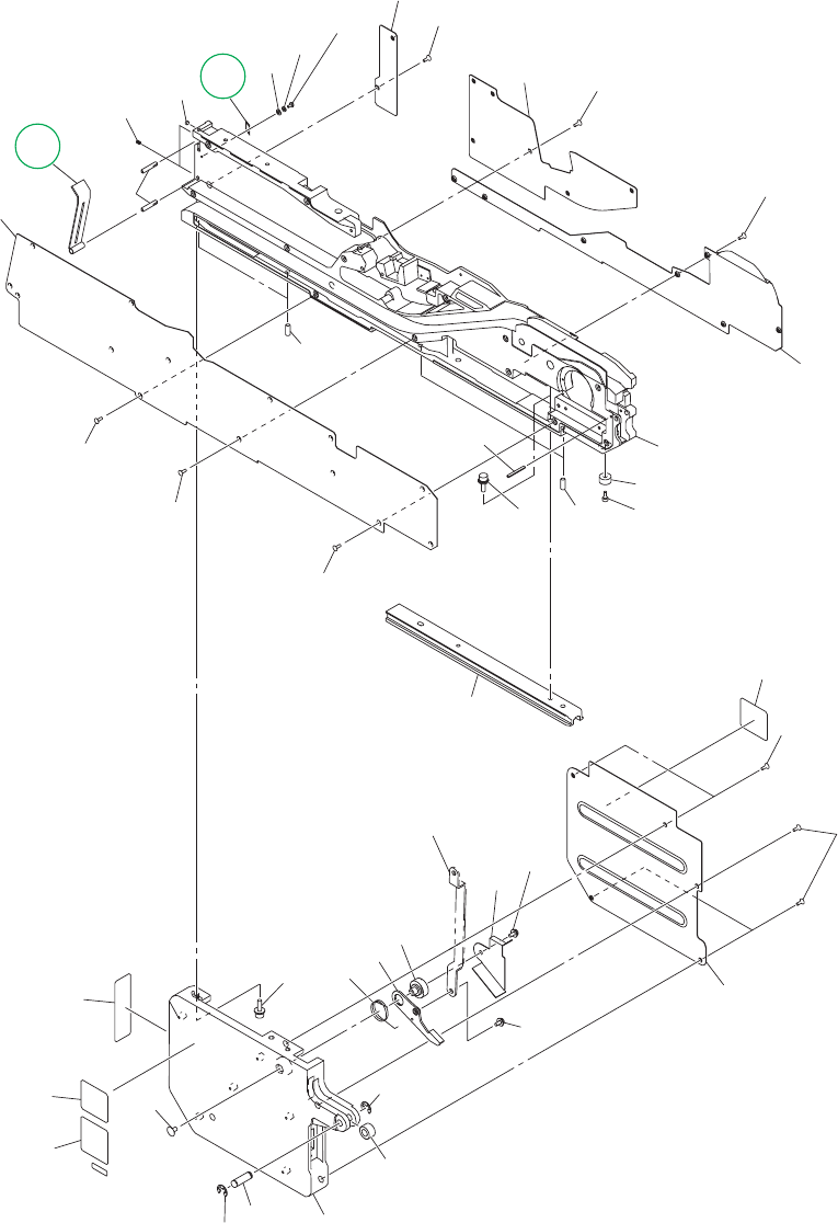
Fig. G-1
フレーム部
Frame Section
29
27
1
20
20
28
25
43
41
33
5
28
28
4
3
42
40
30
.
.
14
10
11
26
19
37
12
8
28
28
9
28
28
28
See Fig.G-5
Key No.405
42
30
.
40
.
23
6
24
2
13
37
32
46
46
47
26
69
70
68
71
Key No.23,25(
Notice) The Key No. 23 and 25 (with a circle) are maintenance components.
For replacement timing, refer to the Instruction Manual
or consult our service
personnel.
G-1 illust-1

1004-004
Key No. PART No. PART NAME Q’ty REMARKS New Code
NOTE
G-1
G-1 list-1
1 6301609898 FRAME 1 877G--010-001 210B4255
2 6301526775 BLOCK(KIBAN) 1 877G--010-002 211G5053
3 6301274706 COVER(LA) 1 877G--010-003 211A8721
4 6301609850 COVER(LB) 1 877G--010-004 211AC548
5 6301274775 COVER(LC) 1 877G--010-005 211A8723
6 6301609867 COVER(R) 1 877G--010-006 211AC549
8 6301468976 COVER(KIBAN) 1 877G--010-008 211AA873
9 6301366463 SLIDE(BASE) 1 877G--010-009 212C0385
10 6301266084 ASSY,LEVER(KAIJYO) 1 877G--010-010 016S0689
11 6301265827 PIN,HINGE 1 877G--010-011 216D0448
12 6301265834 ROLLER 1 877G--010-012 213C0206
13 6301265841 PIN,GUIDE(ROLLER) 1 877G--010-013 216F0879
14 6301646121 SPRING,TORSION 1 877G--010-014 222P0207
19 6301274867 COVER(HAISEN) 1 877G--010-019 211A8726
20 6301265926 PIN,LOCATE(TAPE) 4 877G--010-020 216E1484
23 6301610269 COVER(FUTA) 1 877G--010-023 211AC554
24 6301287577 MECH PARTS(MAGNET) 2 877G--010-024 226J1958
25 6301265902 MECH PARTS(CUTTER) 1 877G--010-025 226J1909
26 6301274546 SCR PAN+SW+W 3X6 2 877G--010-026 221D0262
27 6300347906 MECH PARTS(RUBBER LEGS) 1 877G--010-027 226J0249
28 4110335700 SCR FLT 2.5X6 34 877G--010-028 221D0261
29 6300008494 BOLT,HEX-SCT 1 M2.5X6 877G--010-029 221A0104
30 6300007633 BOLT,HEX-SCT 4 M4X12 877G--010-030 221A0018
32 4111407208 SCR FLT 4X6 1 877G--010-032 221D0224
33 4111255403 SCR PAN 2X4 1 877G--010-033 221E0482
37 4110010003 RING E 4 2 877G--010-037 221K0097
40 4111412905 WASHER SPR 4 4 877G--010-040 221H0284
41 4111412509 WASHER SPR 2 1 877G--010-041 221H0276
42 4111414008 WASHER V 4X9X0.8 4 877G--010-042 221H0315
43 4111413605 WASHER V 2X5X0.3 1 877G--010-043 221H0307
46 0804000G NAME PLATE,NOTICE 2 877G--010-046 0804000G
47 08040007 NAME PLATE,INDEX 1 877G--010-047 08040007
68 0804000M MECH PARTS 1 877G--010-068 0804000M
69 6301609874 PIN,LOCATE 2 877G--010-069 216E1712
70 6301259970 SPRING PIN 1 877G--010-070 221J0059
71 6301629940 SET SCREW 2 M2X2(AWP)
877G--010-071 221C0107
GT-12161B

0712-002
テープフィーダ
TAPE FEEDER
GT
-12161B GT-12161B
Fig. G-2
テープ駆動部
Tape Driving Section
.
129
.
124
101-07
101-07
101-03
103
125
107
126
130
122
123
See Fig.G-1
Key No.1
127
129
130
106
101-06
121
139
104
101
注)
Key No.104(○印)は保守品となっております。交換時期については取扱説明書を
参照、もしくは当社サービス員にご相談下さい。
Notice) The Key No. 104 (with a circle) are maintenance components.
For replacement timing, refer to the Instruction Manual or consult our service
personnel
.
G-2 illust-1