P-0281-004 - 第54页
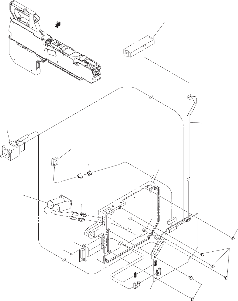
0712-002 テープフィーダ T APE FEEDER GT -24321B GT -24321B Fig. P-6 モーターコントロール基板 Motor Control PCB 535 See Fig.P-3 Key No.257 508 See Fig.P-2 Key No.139 See Fig.P-3 Key No.221 See Fig.P-5 Key No.404 526 526 526 501 505 502 503 …

1004-004
Key No. PART No. PART NAME Q’ty REMARKS New Code
NOTE
P-5
P-5 list-1
404 6301627045 P.C.B,MOUNT 1 877P--110-504 4B111602
417 09262007 ASSY_GRIP 1 877P--010-017 09262007
418 6301556888 COVER(GRIP) 1 877P--010-018 211AB843
431 221AB004 BOLT_HEX-SCT 2 M4X22 877P--010-031 221AB004
436 4111151507 SCR TPG PAN 3X12 2 877P--010-036 221N0005
445 08040003 NAME PLATE,INDEX 1 877P--010-045 08040003
GT-24321B

0712-002
テープフィーダ
TAPE FEEDER
GT
-24321B GT-24321B
Fig. P-6
モーターコントロール基板
Motor Control PCB
535
See Fig.P-3
Key No.257
508
See Fig.P-2
Key No.139
See Fig.P-3
Key No.221
See Fig.P-5
Key No.404
526
526
526
501
505
502
503
See Fig.P-1
Key No.2
A
VIEW "A"
P-6 illust-1

1004-004
Key No. PART No. PART NAME Q’ty REMARKS New Code
NOTE
P-6
P-6 list-1
501 6301263328 CORD 1 877P--010-501 4W202800
502 6301276083 CORD 1 877P--010-502 4W202883
503 6301293561 CORD 1 877P--010-503 4W202923
505 6301266916 WIRE 1 877P--010-505 4W300034
508 6301612218 UNIT,DRIVER 1 877P--010-508 4U240484
526 6301274546 SCR PAN+SW+W 3X6 6 877P--010-026 221D0262
535 4111425004 SCR PAN 2.5X8 2 877P--010-035 221E0487
GT-24321B