RS-1-Rev02PDFA - 第115页
- 110 - NOTE( 注記 ) #01....FOR E N EN 用 #02.... USED ONLY NON-STOP ノンストップ時のみ使用 REF.NO NOTE PART NO D E S C R I P T I O N 品 名 Qty 1 #01 401-94673 AREA _SENSOR_ASM エリアセンサ組 1 2 401-94475 AREA _SENSOR_BR_F エリアセンサブラケット_ F (1) …

- 109 -
55.NON-STOP OPERATION UNIT COMPONENTS
ノンストップオペレーションユニット関係
26
26
27
27
23
24
19
18
17
18
17
16
16
15
15
14
13
12
11
10
9
8
7
6
5
4
3
2
25
1
20
21
21
20
22

- 110 -
NOTE( 注記 ) #01....FOR EN EN 用
#02.... USED ONLY NON-STOP ノンストップ時のみ使用
REF.NO NOTE PART NO D E S C R I P T I O N
品 名
Qty
1
#01
401-94673 AREA_SENSOR_ASM
エリアセンサ組
1
2 401-94475 AREA_SENSOR_BR_F
エリアセンサブラケット_F
(1)
3 401-10014 REFLEX ARRAY SENSOR ASM
反射型アレイセンサ組
(1)
4 SL-4043091-SC SCREW M4 L=30
座金付きなべ小ねじ M4 L=30
(3)
5 401-94476 REFLECTOR_BR_F
リフレクタブラケット_F
(1)
6 400-93804 REFLECTOR
リフレクタ
(1)
7 NM-3030410-SE FLANGE NUT M3
フランジナット M3
(2)
8 401-94477 AREA_SENSOR_BR_R
エリアセンサブラケット_R
(1)
9 401-10014 REFLEX ARRAY SENSOR ASM
反射型アレイセンサ組
(1)
10 SL-4043091-SC SCREW M4 L=30
座金付きなべ小ねじ M4 L=30
(3)
11 SM-1051052-TN PLATE SCREW M5 L=10
皿ねじ M5 L=10
(4)
12 401-94478 REFLECTOR_BR_R
リフレクタブラケット_R
(1)
13 400-93804 REFLECTOR
リフレクタ
(1)
14 NM-3030410-SE FLANGE NUT M3
フランジナット M3
(2)
15 E9816-729-HA0 BUP PRESSURE SENSOR RELAY CABLE ASM
BUP圧力センサ中継ケーブル組
(2)
16 PV-0105051-00 MECHANICAL VALVE
メカニカルバルブ
(2)
17 SL-6043092-TN SCREW M4 L=30
座金付き六角穴ボルト M4 L=30
(4)
18 E4325-725-000 BANK SENSOR PLATE(CE NSO)
バンクセンサプレート(CE NSO)
(2)
19 BT-0600400-EC URETHANE TUBE BLUE 6X4
ポリウレタン チューブ 青 6X4
(0.2)
20 PJ-3010651-06 FEMALE UNION
メスユニオン
(2)
21
#02
PJ-3080600-07 UNION Y
ユニオン ワイ
(2)
22
#02
SL-6041292-TN SCREW M4 L=12
座金付き六角穴ボルト M4 L=12
(2)
23 HB-0015400-00 RELAY
リレー
2
24 HB-0015400-10 RELAY
リレーソケット
2
25 401-28380 MINI_SIGNAL_TOWER_ASM
ミニシグナルタワー組
1
26 401-29010 MINI SIGNAL TOWER CABLE ASM(OP)
ミニシグナルタワーケーブル組
(2)
27 SL-6041292-TN SCREW M4 L=12
座金付き六角穴ボルト M4 L=12
(8)

- 111 -
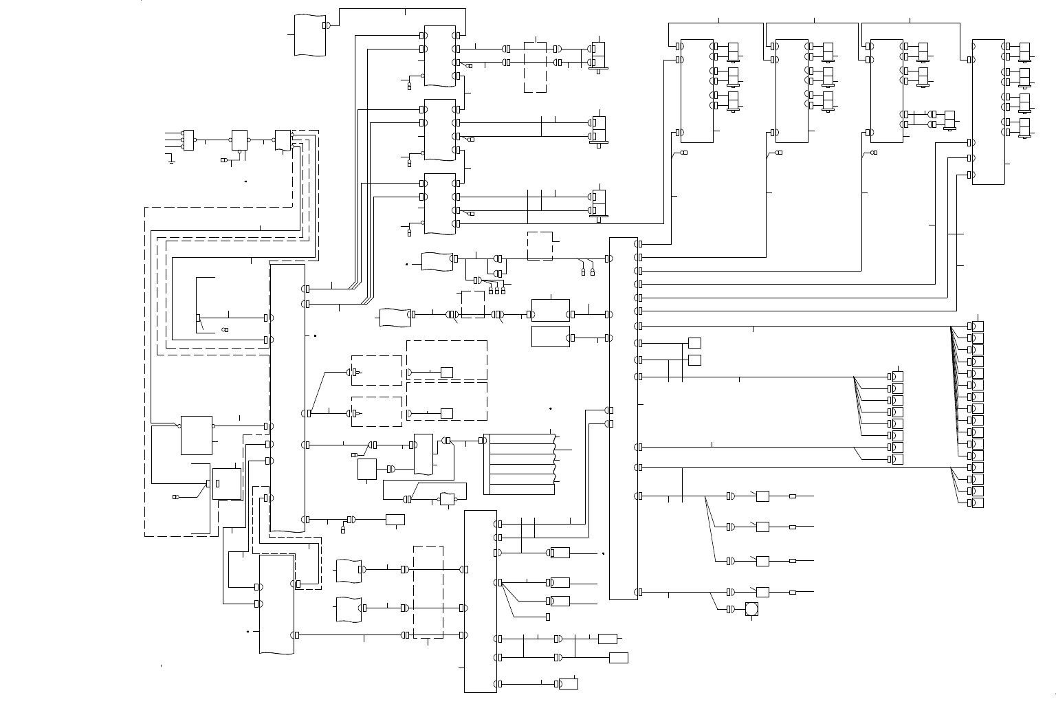
56. SYSTEM DIAGRAM (1)
SYSTEM DIAGRAM(1)
OCC
CN0607
CN0724
CN24
FAN
FAN
DC FAN
FIBER
T4 ORIGIN SENSOR
T4
FIBER
FIBER
FIBER
T3 ORIGIN SENSOR
T3
T2 ORIGIN SENSOR
T2
T1 ORIGIN SENSOR
T1
CN0707
CN7
VACUUM UNIT
OCC
CN0632
OCC-O1
OCC-A1
OCC-C1
CN0615
CN0603
CN0606
CN0607-1
THERMAL
SENSOR PCB
NZLUPS.V.
HIGHT
MEASUREMENT
SENSOR
CN0630CN0608
CN0612
OCCAPCB
OCC
LENS
OCCCPCB
CN0611A
CN6
CN7
CN8
CN12
TA CN5
CN5
TA CN6
CN6
TA CNP1
CN2D
CNP2D
CN2C
CNP2C
CN2B
CNP2B
CN1B
CN2A
CNP2A
CNP1
CN1A
T4 MOTOR
T3 MOTOR
T2 MOTOR
T1 MOTOR
TA DRIVER
CPCI-CN1
ZCCNP1ZBCNP1ZACNP1
CN1A
CONTROL UNIT
FG(HEAD UNIT)FG(HEAD U NIT)
FG(HEAD UNIT)
CN2C
CNP2C
CN2B
CNP2B
CN1B
CN2A
CNP2A
CNP1
CN1A
CN2C
CNP2C
CN2B
CNP2B
CN1B
CN2A
CNP2A
CNP1
CN1A
Z7,Z8,ZA DRIVERZ4,Z5,Z6 DRIVER
Z3 MOTOR
Z2 MOTOR
Z1 MOTOR
CN2C
CNP2C
CN2B
CNP2B
CN1B
CN2A
CNP2A
Z1,Z2,Z3 DRIVER
CNP1
CN1A
6SLOT CPCI BACK BOARD
1-2C
1-2D
1-1A
1-2B
BLANK
IO CONTROL
IP-X11
BLANK
POSITION BOARD
CPU BOARD
1
2
3
5
6
7
8
9
10
11
16
11
20
12 12
13
14
15 15
17
18
19
21 22
26
23
24
25
27
34
29
30
31
33
35
36
37
41
42
43
44
50
48 49
71 72
23
47
68
69
33
46
59
51
53
55
56
57
58
62
67
51
49
148
75
74
76
77
78 79 80 81
82
84
86
83
85
88
87
73
12
12
12
91
90 90 90
Z6 MOTOR
Z5 MOTOR
Z4 MOTOR
909090
91
91
Z8 MOTOR
Z7 MOTOR
90 90
ZA MOTOR
94
92
93
96969696
95
97
98
99
100
101 102
103
104
105
106
63
64
54
70
65 65 65 65
66 66 66 66
89
Z1 SENSOR
Z2 SENSOR
Z3 SENSOR
Z4 SENSOR
Z5 SENSOR
Z6 SENSOR
Z7 SENSOR
Z8 SENSOR
107
107
61
60
(OP) EN
CONNECTOR
CAP
BUP
(OP) EN OPTION TOROLLEY
BUP
FRONT LEFT
BANK SW
(OP) EN STANDARD
FIX BANK
CN A10(EN)
FBUP
(OP) EN OPTION TOROLLEY
BUP
REAR RIGHT
BANK SW
RBUP
CN A10(EN)
2-1C
EN OPTION
CN A4(EN)
CN A4
CN 0001
CN 1
CN A1
(ST) 200V
(OP) TRANCE FORMAR
215V,240V,380V,400V,415V
X-MTR1
X-ENC4
FX
AC 200/215/240V INPUT : 40182380 (30A)
AC 380/400/415V INPUT : 40183383 (20A)
(OP) SHORT CIRCUIT BREAKER AC 200/215/240V INPUT : HA007030000 (30A)
(OP) SHORT CIRCUIT BREAKER AC 380/400/415V INPUT : HA00654000A (20A)
NOTE1
This MCCB'S P/N changes with specification
1-3C
2-1C
1-3C
FG
CN0715
CN15
CN0716
CN16
Z8 VACUUM SENSOR
Z7 VACUUM SENSOR
Z6 VACUUM SENSOR
Z5 VACUUM SENSOR
Z4 VACUUM SENSOR
Z3 VACUUM SENSOR
Z2 VACUUM SENSOR
Z1 VACUUM SENSOR
CN0711
CN11
Z8V
Z7V
Z7B
Z8B
Z8 VACUUM S.V.
Z7 VACUUM S.V.
Z8 BLOW S.V.
Z7 BLOW S.V.
NOZZLE UP
SENSOR
CN0709
NOZZLE UP
SENSOR
CN9
CN0708
CN8
VACUUM UNIT
Z6V
Z5V
Z4V
Z3V
Z2V
Z1V
Z6B
Z5B
Z4B
Z3B
Z1B
Z2B
Z6 VACUUM S.V.
Z5 VACUUM S.V.
Z4 VACUUM S.V.
Z3 VACUUM S.V.
Z2 VACUUM S.V.
Z1 VACUUM S.V.
Z6 BLOW S.V.
Z5 BLOW S.V.
Z4 BLOW S.V.
Z3 BLOW S.V.
Z2 BLOW S.V.
CN0710
Z1 BLOW S.V.
CN10
XY BEAR
CABLES
ASM
CN5
2-1D
2-1A
1-3C
CN0302
CN0405
CN0410
CN0309
CN0060
CN0005
CN2
IO CONTROL PCB
CN0717
CN0701
CN1
CN4
CN5
IP-X11 PCB
CN3
CN5
CN10
CN11
CN17
HEAD MAIN PCB
CN1
CN0704
LNC-3
CN4
LNC LAN
CN0714
LNC-2
CN14
ILLUMINATION
UNIT
LNC120-8
RJ45 RELAY
CONNECTOR
LNC-1
5-1A
1-3C
LAN3
CPU BOARD
LAN3
LNC
CN0713
CN13
CN19
XY BEAR
CABLES
ASM
CN0703
CN3
CN0723
CN23
YR-CN2
YL-CN2
Y SERVO MOTOR(YR)
YR MTR
YR CNENC
Y SERVO MOTOR (YL)
CN A6
CN A6
CN B2
CN B2
CN A2
CN A2
CN A8
CN A8
PS-ON
CN A3
CN A3
CN A9
CN A9
E
FG
COVER
MTS PWR
CN A1
BATTERY UNIT
FG
FG
(HEAD UNIT)
FX1-CN2
YL-CNP3
YR-CNP3
CN0720
CN0722
CN0721
CN0719
FYR-FG
FYL-FG
FX-FG
E
2-1A
1-1D
2-1C
2-1B
2-1B
CN0043
FG
CN0074
CN0071
FG
POWER SUPPLY
UNIT B
CN43
FG
COVER
MTS PWR
CH1
POSITION BOARD
FGFG
FG
CN0070
CN22
CN21
CN20
HEAD RELAY PCB
YL MTR
YL CNENC
X-MTR2
X1-MTR1
X SERVO MOTOR
X-ENC5
YBEAR
CABLES
ASM
X1-ENC4
CNP3
CN2
CN1B
CN1A
E
CNP2
CNP1
FG
CNP3
CN2
CN1B
CN1A
E
CNP2
CNP1
FG
CNP3
CN2
CN1B
CN1A
E
CNP2
CNP1
FG
YR SERVO DRIVER
YL SERVO DRIVER
X SERVO DRIVER
CN B3
CN B3
CN A5
INPUT
CN2003
FG
VACUUM PUMP
POWER
SUPPLY
UNIT B
1-2B
CN A1
CN A5
200V
CN A1
POWER
SUPPLY
UNIT A
TRANSFORMER
CN2002
1-1B
MAIN SWITCH
FG
CN2001
CN A7
CN A7
5-1A
1-2C
ATX-P1
AC IN
ATX UNIT
FG
INPUT
PE
NOISE FILTER
MAIN SWITCH
MCCB
NOTE1
L3
L2
L1
CN0610
CN0601
CN0614
28
53
RJ45 RELAY
CONNECTOR
XY BEAR
CABLES
ASM
52
23
111
40
38
39
21 22
4
32
108
110
110
109
BUP
(OP) EN STANDARD
FIX BANK
109
45
BATT