P-208-001 - 第27页
MODEL TCM-X300 0203-001 Key No. P AR T No. P AR T NAME Q’ ty REMARKS NOTE 25 C-3 20 1 630 089 9832 ME CH P AR TS ( CA BL EVEYOR) 4 7 8 4 C - - 010-201 202 41 1 140 810 6 SCR T RS 5 X1 6 1 6 784C--010-202 203 41 1 088 170…

MODEL TCM-X300
0211-002
24
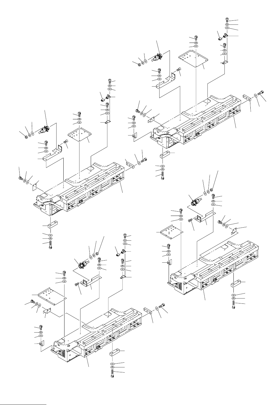
ࡈࠖ࠳ࠠࡖ࠶ࠫㇱ FEEDER CARRIAGE SECTION
Fig. C-3 ࠤࡉ࡞ࡌࠕ Cablebearer
Fig.C-3
4797L-002
TCM-X300-002
202
201
203
204
205
223
222
226
225
226
223
201
222
223
202
201
223
222
215
216
214
213
212
210
214
213
212
211
214
213
212
211
214
213
212
211
See Fig.L-1
Key No.9
See Fig.C-4
Key No.327
See Fig.C-4
Key No.328
See Fig.C-4
Key No.329
See Fig.C-4
Key No.330
214
213
212
211
214
213
212
211
214
213
212
210
223
223
223
222
216
218
220
223
215
217
221
219
202
217
206
203
204
205
207
208
209
207
208
209
203
204
205
206
206
203
204
205
206
202
201
227
225
225
226
227
227
227
226

MODEL TCM-X300
0203-001
Key No. PART No. PART NAME Q’ty REMARKS
NOTE
25
C-3
201 630 089 9832 MECH PARTS (CABLEVEYOR) 4 784C--010-201
202 411 140 8106 SCR TRS 5X16 16 784C--010-202
203 411 088 1702 WASHER V 5X10X1 16 784C--010-203
204 411 008 2109 WASHER SPR 5 16 784C--010-204
205 411 118 8503 NUT HEX 5 16 784C--010-205
206 411 140 8106 SCR TRS 5X16 16 784C--010-206
207 411 088 1702 WASHER V 5X10X1 16 784C--010-207
208 411 008 2109 WASHER SPR 5 16 784C--010-208
209 411 118 8503 NUT HEX 5 16 784C--010-209
210 630 097 5994 BRACKET 2 784C--010-210
211 630 097 6007 BRACKET 5 784C--010-211
212 630 001 0220 WASHER 14 784C--010-212
213 411 141 6705 WASHER SPR 5 14 784C--010-213
214 630 000 7763 BOLT,HEX-SCT 14 784C--010-214
215 630 097 6014 GUIDE 2 784C--010-215
216 630 097 6021 GUIDE 2 784C--010-216
217 630 097 6038 GUIDE 2 784C--010-217
218 630 097 8605 GUIDE 1 784C--010-218
219 630 097 6052 GUIDE 1 784C--010-219
220 630 097 8612 GUIDE 1 784C--010-220
221 630 097 6076 GUIDE 1 784C--010-221
222 411 002 4505 SCR FLT 5X8 8 784C--010-222
223 411 140 8007 SCR TRS 5X6 12 784C--010-223
225 630 105 1185 SPACER 4 784C--010-225
226 630 105 1130 MECH PARTS(RUBBER) 4 784C--010-226
227 630 105 1147 MECH PARTS(RUBBER) 4 784C--010-227

MODEL TCM-X300
0211-002
26
ࡈࠖ࠳ࠠࡖ࠶ࠫㇱ FEEDER CARRIAGE SECTION
Fig. C-4 ࡈࠖ࠳ゲࡦࠨ Feeder Axis Limit Sensors
309
308
307
333
332
331
333
332
331
304
303
302
314
315
316
333
332
331
326
325
324
323
333
332
331
314
313
315
316
314
313
315
316
322
324
325
326
329
333
332
331
333
332
331
309
308
307
305
304
303
302
334
314
313
338
339
340
315
316
310
336
337
311
312
330
306
336
337
313
338
339
340
301
310
311
312
304
306
303
302
333
332
331
334
333
332
331
335
338
339
340
335
309
308
307
305
338
339
340
304
303
302
334
305
328
337
326
325
324
321
327
337
326
325
324
320
310
311
312
See Fig.C-1
Key No.10
See Fig.C-1
Key No.12
See Fig.C-1
Key No.12
See Fig.C-1
Key No.10
See Fig.C-1
Key No.9
See Fig.C-1
Key No.9
See Fig.C-1
Key No.11
See Fig.C-1
Key No.11
306
Fig.C-4
4797L-002
TCM-X300-002
304
303
302
301
304
303
302
301