P-208-001 - 第57页
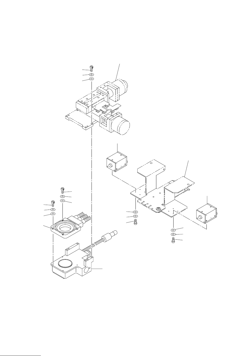
MODEL TCM-X300 0203-001 Key No. P AR T No. P AR T NAME Q’ ty REMARKS NOTE 55 EB-3 20 1 630 097 7691 SUPPORT 1 784EB-010-201 20 2 630 000 7909 BO L T ,HEX-SCT 4 784EB-010-202 203 41 1 141 3001 WA SH ER S PR 6 4 784EB-010-…

MODEL TCM-X300
0203-001
54
⼂࡙࠾࠶࠻ㇱ RECOGNITION UNIT SECTION
Fig. EB-3
ၮ᧼⼂ࠞࡔޔഀၮ᧼ਇ⦟ᬌࡦࠨ
P.E.C. Camera, B.B.R. Sensor
252
.
251
217
216
219
See Fig.L-1
Key No.12
232
216
223
240
212
213
232
216
223
232
216
219
239
212
213
208
207
221
227
237
226
225
238
226
204
203
202
217
216
215
253
254
213
231
230
229
233
228
224
222
220
218
214
201
Fig.EB-3
4797L
TCM-X300
TCM-X200-002
4797A-002

MODEL TCM-X300
0203-001
Key No. PART No. PART NAME Q’ty REMARKS
NOTE
55
EB-3
201 630 097 7691 SUPPORT 1 784EB-010-201
202 630 000 7909 BOLT,HEX-SCT 4 784EB-010-202
203 411 141 3001 WASHER SPR 6 4 784EB-010-203
204 411 141 4305 WASHER V 6X12.5X1.6 4 784EB-010-204
207 411 141 2905 WASHER SPR 4 2 784EB-010-207
208 411 141 4008 WASHER V 4X9X0.8 2 784EB-010-208
212 411 086 4408 WASHER SPR 3 4 784EB-010-212
213 411 119 1909 WASHER V 3X7X0.5 6 784EB-010-213
214 630 089 2918 BLOCK 1 784EB-010-214
215 630 000 7817 BOLT,HEX-SCT 2 784EB-010-215
216 411 141 6705 WASHER SPR 5 9 784EB-010-216
217 630 001 0220 WASHER 4 784EB-010-217
218 630 086 1372 SUPPORT 1 784EB-010-218
219 630 000 7794 BOLT,HEX-SCT 3 784EB-010-219
220 630 098 5979 BRACKET 1 784EB-010-220
221 630 000 7633 BOLT,HEX-SCT 2 784EB-010-221
222 630 090 1252 BRACKET 1 784EB-010-222
223 630 000 7756 BOLT,HEX-SCT 4 784EB-010-223
224 630 090 1269 BLOCK(AIR BLOW) 1 784EB-010-224
225 630 000 7534 BOLT,HEX-SCT 2 784EB-010-225
226 411 141 2806 WASHER SPR 3 5 784EB-010-226
227 411 141 3902 WASHER V 3X7X0.5 3 784EB-010-227
228 630 029 6389 PIPE FITTINGS 1 784EB-010-228
229 630 055 3055 SENSOR,PELEC 1 BPH75 784EB-010-229
230 630 092 8716 ASSY,SENSOR,PELEC 1 BPH75 Amp 784EB-010-230
231 411 113 0700 SCR PAN 3X16 2 784EB-010-231
232 411 141 4107 WASHER V 5X10X1 5 784EB-010-232
233 630 093 2614 BRACKET 1 784EB-010-233
237 630 000 7565 BOLT,HEX-SCT 3 784EB-010-237
238 630 001 0206 WASHER 2 784EB-010-238
239 411 054 6809 NUT HEX 3 2 784EB-010-239
240 411 041 8908 SCR PAN 3X6 2 784EB-010-240
251 630 007 6622 SWITCH,ROTARY 1 784EB-010-251
252 630 007 6554 ACCESSORY,SW 1 784EB-010-252
253 630 085 5616 ASSY,SCOPE UNIT 1 #SHT029-69U 784EB-010-253
254 630 085 3124 LIGHTING UNIT 1 #MLA-L31F-1 784EB-010-254

MODEL TCM-X300
0203-001
56
⼂࡙࠾࠶࠻ㇱ RECOGNITION UNIT SECTION
Fig. EB-7 ㇱຠ⼂ࠞࡔ Recognition Camera
Key No.119
See Fig.EB-2
601
602
603
654
655
656
652
604
606
605
606
605
604
656
655
653
651
651
651
See Fig.EB-2
Key No.117
Fig.EB-7
4797L
TCM-X300
TCM-X200
4797A