SM321 Service-CHI - 第279页
Flat Cable 9-3 9.4. Flat Cable Connector 9.4.1. X Axis Motor Encoder Cable (No. 1) TWISTPAIRED线 底部 Br ac k et X-E N 位置 X Motor Maker A MP Pin 172160-1 连接器 170361-1 购买处 TYCO 国内代理店 价格 作业 工具 规格 -HTR 2445A 1 1-01-0026z 工具…

Samsung Component Placer SM321 Service Manual
9.2. Head Bracket Flat Cable
CABLE-16
CABLE-17
CABLE-18
X Motor Encoder
X Motor Power
X-Sensor I/F X-SEN
CABLE-1
CABLE-2
CABLE-3
CABLE-4
CABLE-5
CABLE-6
CABLE-7
CABL -8
CABLE-11
B
CA
B
E
CABLE-8
CA LE-12
BLE-13
CA LE-14
CABL -15
E
CABLE-9
CABLE-10
HEAD IO B'D CN11
HEAD IO B'D CN3
CABLE-19
HEAD IO B'D CN13
CABLE-20
Flat Cable
9.3. Y Frame Bracket
CABLE-9 CABLE-11
CABLE-7
CABLE-1
CABLE-4
CABLE-6
CABLE-2
CABL -5E
CABLE-3
CABLE-10
CABLE-12
CABLE-13
CABLE-14
CABLE-15
CABLE-20
CABLE-16
CABLE-18
CABLE-19
CABLE-17
9-2

Flat Cable
9-3
9.4. Flat Cable Connector
9.4.1. X Axis Motor Encoder Cable (No. 1)
TWISTPAIRED线
底部
Br
ac
k
et
X-E
N
位置
X Motor
Maker AMP
Pin 172160-1
连接器
170361-1
购买处 TYCO国内代理店
价格
作业
工具
规格
-HTR 2445A
11-01-0026z
工具
购买
供应处 : TYCO国内代理店
价格 :
其它 务必使用专用tool措施
位置
Y Frame Bracket
Maker Hirose
Pin DF1B-2428SCF
连接器
DF1B-6ES-2.5RC
购买处
Hirose Korea
价格
作业
工具
规格
-DF1B-TA2428SHC
工具
购买
供应处 : Hirose Korea
价格 :
其它 务必使用专用tool措施
底部
Bracke
t
底部
Bracke
t

Samsung Component Placer SM321 Service Manual
9-4
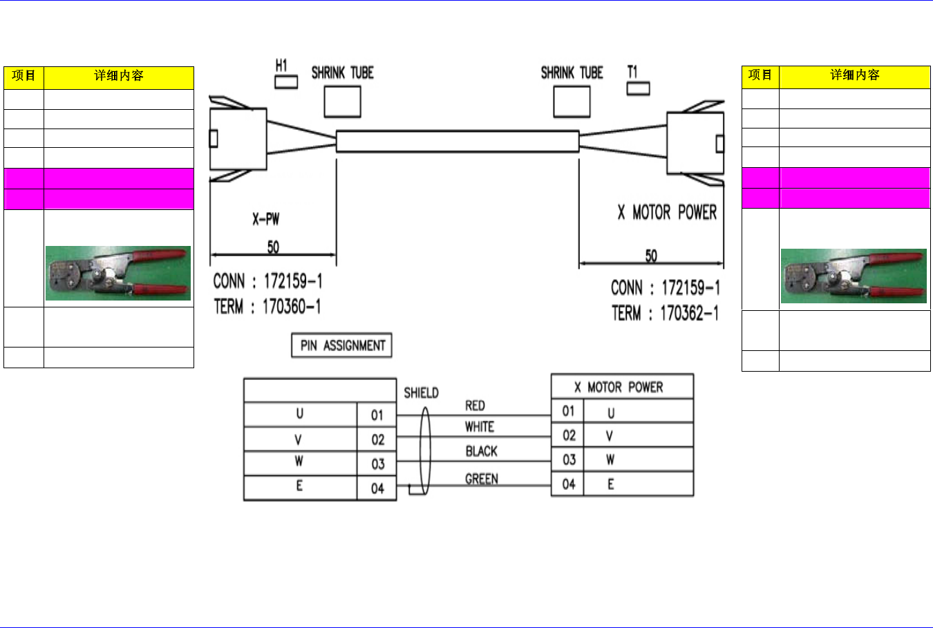
9.4.2. X Axis Motor Power Cable (No. 2)
底部 Bracket
底部 Bracket X-PW
位置
X Motor
Maker AMP
Pin 172159-1
连接器
170362-1
购买处 TYCO国内代理店
价格
作业
工具
规格
-HTR 2445A
11-01-0026
工具
购买
供应处 : TYCO国内代理店
价格 :
其它 务必使用专用tool措施
位置
Y Frame Bracket
Maker AMP
Pin 172159-1
连接器
170362-1
购买处 TYCO国内代理店
价格
作业
工具
规格
-HTR 2445A
11-01-0026
工具
购买
供应处 : TYCO国内代理店
价格 :
其它 务必使用专用tool措施