SM321 Service-CHI - 第289页
Flat Cable 9-13 9.4.11. R Axis S tep Motor Power Ca ble (No. 16)/ R Axis S tep Motor Power Cable (No. 17) 底部 BRACKET 顶部 BRACKET (HEAD 处 ) 16 号CABLE 17 号CABLE 16 , 1 7 号 底部 BRACKET STEP PW (连接用螺母适用) (连接用螺母适 用) 顶部 BRA…

Samsung Component Placer SM321 Service Manual
9-12
9.4.10. Mirror Swing Motor Encoder Cable (No. 14)/ Mirror Swing Motor Power Cable (No. 15)
请务必使用正版连接器
(
连接用螺母适用
)
底部
BRACKET SW-EN
底部
BRACKET
顶部BRACKET
(
HEAD处
)
底部
BRACKET
顶部 BRACKET
底
部
BRACKET SW-EN
TWISTPAIRED线
位置
Head Bracket
Maker DDK
Pin 15Pin (Female)
连接器
17JE-13150
引擎罩
17JE-15H-1C
购买处
DDK Korea
价格
作业
工具
规格
-一般烙铁
工具
购买
供应处:一般工具
价格: 2~3万元
其它 利用收缩管防止pin间干扰
Z5,6-PW
Maker AMP
Pin 170359-1
连接器
172159-1
购买处TYCO国内代理店
价格
作业
工具
规格
-HTR 2445A
11-01-0026
工具
购买
供应处: TYCO国内代理店
价格:
Z5,6-EN
位置
Y Frame Bracket
Maker Hirose
Pin DF1B-2428SCF
连接器
DF1B-6ES-2.5RC
购买处
Hirose Korea
价格
作业
工具
规格
-DF1B-TA2428SCH
工具
购买
供应处: Hirose Korea
价格:

Flat Cable
9-13
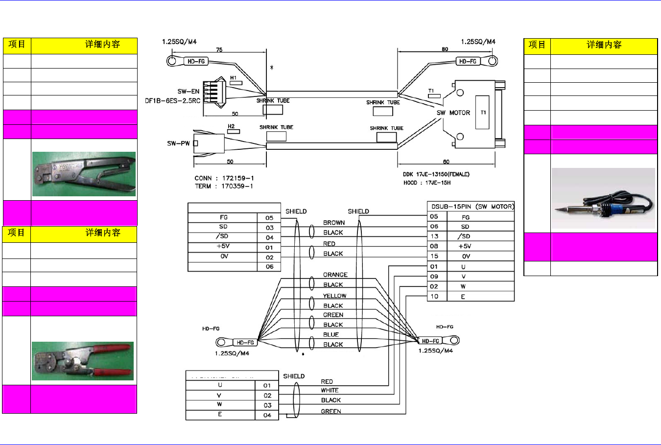
9.4.11. R Axis Step Motor Power Cable (No. 16)/ R Axis Step Motor Power Cable (No. 17)
底部 BRACKET
顶部BRACKET (HEAD处)
16号CABLE
17号CABLE
16
,
17号
底部
BRACKET STEP PW
(连接用螺母适用)
(连接用螺母适
用)
顶部
BRACKET STEP PW
位置
Y Frame Bracket
Maker DDK
连接器
D SUB-CON
CONN 17JE-23150-02 (D1)
引擎罩
17JE-15H-1C
购买处
DDK Korea
价格
作业
工具
规格
-一般烙铁
工具
购买
供应处 : 一般工具
价格 : 2~3 万元
其它 利用收缩管防止pin间干扰
位置
Head Bracket
Maker DDK
连接器
D SUB-CON
CONN 17JE-23150-02 (D1)
引擎罩
17JE-15H-1C
购买处
DDK Korea
价格
作业
工具
规格
-一般烙铁
工具
购买
供应处 : 一般工具
价格 : 2~3 万元
其它 利用收缩管防止pin间干扰
16号线
17号线
不使用
2
根
16
号线和
9
根
17
号线

Samsung Component Placer SM321 Service Manual
9-14
9.4.12. Head Sensor + 24V Power Cable (No. 18)
18号
底部 BRACKET
顶部BRACKET (HEAD处)
底部 BRACKET HD_PW
底部 BRACKET HD_SEN
位置
Y Frame Bracket
Maker Hirose
Pin DF1B-2428SCF
连接器
DF1B-4ES-2.5RC
DF1B-10ES-2.5RC
购买处
Hirose Korea
价格
作业
工具
规格
-DF1B-TA2428SHC
工具
购买
供应处 : Hirose Korea
价格 :
其它 务必使用专用tool措施
位置
Head Bracket
Maker MOLEX
Pin 43030-0004
连接器
43025-1600
购买处
MOLEX Korea
价格
作业
工具
规格
工具
购买
供应处 : MOLEX Korea
价格 :
其它 务必使用专用tool措施
括号为Dieden线的颜色