SM321 Service-CHI - 第296页
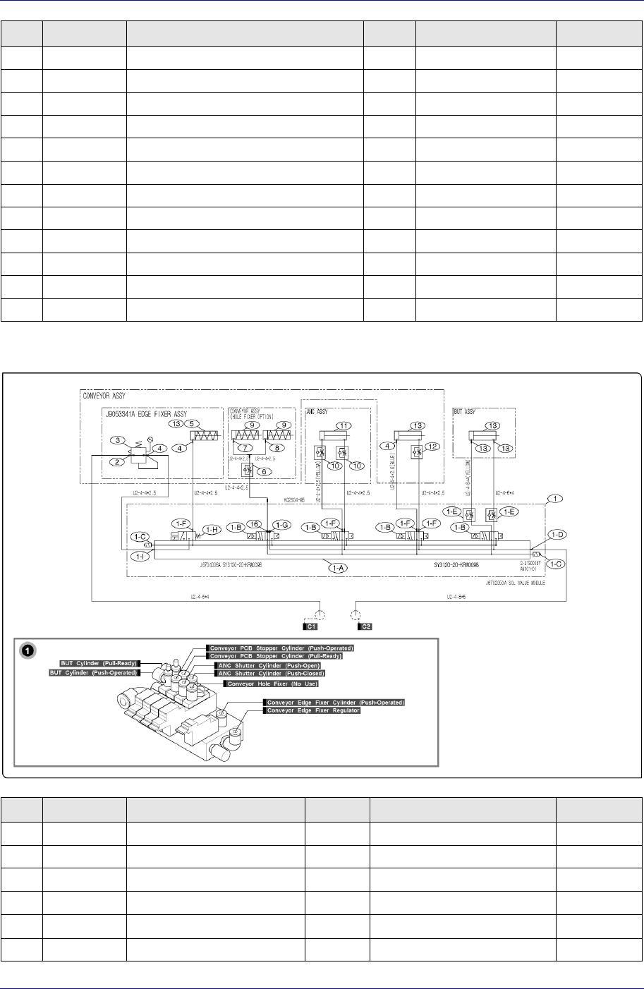
Samsung Component Plac er SM321 Service Manu al NO. P AR T NO. P A RT NAME Q ’TY TYPE REMARK 1-F J1300279 FITTI NG 6 KQ2S04-M5 1-G J6702035A SOL V AL VE 1 VQ1 10 U-5M 1-H J130 1 188 ELBOW FITTING 1 KQ2L04-M5 2 J 13…

Air Ass’y
10-3
NO. PART NO. PART NAME Q’TY TYPE REMAR
00284 FITTING
303 A CHECK VALVE
NO. PART NO. PART
2050A SOL VALVE
4006A MANIIFOLD BLOCK
1-B J6702036A SOL VALVE 3
K
5 J9080796B FRONT DOCKING CART SOL CABLE ASS’Y
1 SM-CV028
6 J13 5 KQ2U06-00/PY6M
7 J670 7 1 AKH06-00
8 J6711168A UNION Y FITTING 1 BUYD06-04
9 J6705004A SILENCER 2 AN101-01
10 J9080797A REAR DOCKING CART SOL CABLE ASS’Y 1 SM-CV029
11 J6703033A SPEED CON 2 AS2201F-01-06S
12 J6703034A SPEED CON 2 ASP330F-01-06S
13 J6711009A ELBOW FITTING 2 KQ2L06-M5
14 J6711247A ELBOW FITTING 4 PT18EF
15 J6711256A COUPLER 2 KD-M5-SA34697KR
16 J6711257A PLUG 2 KS-4-M5-SA34698KR
10.1.3. Air Ass’y (C) – Conveyor
NAME Q’TY TYPE REMARK
1 J670 1 J6702050A
1-A J670 1 SY3120-20-KRW0098
SY3120-5LZ-M5
1-C J1300067 SILENCER 2 AN101-01
1-D J671 A KQ2L08-01S 1157 FITTING 1
1-E J6703031A SPEED CONTROLLER 2 AS1211F-M5-04

Samsung Component Placer SM321 Service Manual
NO. PART NO. PART NAME Q’TY TYPE REMARK
1-F J1300279 FITTING 6 KQ2S04-M5
1-G J6702035A SOL VALVE 1 VQ110U-5M
1-H J1301188 ELBOW FITTING 1 KQ2L04-M5
2 J1300277 FITTING 1 KQ2L06-M5/PL6-M5M
3 J6709018A REGULATOR 1 AR10-M5BG
4 J1301188 FITTING 2 KQ2L04-M5/PL4-M5M/SQL04-M5
5 J6701037B EDGE CYLINDER 1 CQ2B12-KRC0137-2D
6 J6703028A SPEED CONTROLLER 2 SS4-M5MA
7 J9080778B ANC SENSOR CABLE ASS’Y 1 SM-CV010
8 J1301354 THROTTLE VALVE STRAIGHT 1 AS1201F-M5-04-X214/JNC4-M5
9 J6701018B STOPPER CYLINDER 1 1 WTS10*30-RS2
10 J6711028A ELBOW FITTING 2 KQ2L04-01
A CYLINDER 11 J6701088 1 CM2C32-50
10.1.4. Air Ass’y (D) – Head
NO. PART NO. PART NAME Q’TY TYPE REMARK
1 J9055246D AIR MODULE 1 J9055246D
1-A J6711260A ONE TOUCH FITTING 2 FSE04-M5C
1-B J6711261A ONE TOUCH FITTING 7 FSC04-M5C
1-C J6702048A SOLENOID VALVE 6 VA01PEP34-1U-F
1-D J6702049A SOLENOID VALVE 1 RCS242-M3-D24NP
10-4

Air Ass’y
10-5
NO. PART NO. PART NAME Q’TY TYPE REMARK
1-E J6708021A VACUUM FILTER 6 LF-M5-60-ZK
1-F J7458002A FILTER ELEMENT 6 LF-M5-60-Z-ELEMENT
1-G J6711262A MINI FITTING 6 BC-03-M5
1-H J6703039A SPEED CONTROLLER 2 SPR-Z-M3N
1-I J6711263A MINI FITTING 2 BE-04-M3
1-J J6705009A SILENCER 1 AS-5
1-K J6712016A PLUG 1 N220 1900J
2 J6713022B COIL TUBE(POLYURETHANE) J6713022B
3 J6711180B ROTARY JOINT 6 RC3-M5M-STN
4 J3204002A PRESSURE SENSOR 6 MPX5100AP
5 J1300120 FITTING 1 M-5HL-4
6 J6711156A HOSE NIPPLE (D/C) 1 M-5H- 4
7 J9083179A SIDE ILL U/D SENSOR CABLE ASS’Y 1 SM21-HD003
10.1.5. Accessory & Solenoid Valve Block
3100 A DUMP BOX
369 B DUMP BOX BKT 2 1 J7053693B
9011A DUMP BOX
SOL VALVE MODULE 1 J6702050A
NO. PART NO. PART NAME Q’TY TYPE REMARK
1 J70531008A DUMP BOX BKT 1 1008A J7053
2 J705 2 1 J70531002A
3 J705 3
4 J640 1 1/9 PAN
5 J6702050A