SM321 Service-CHI - 第300页
在线预览 SM321 Service-CHI PDF 文档。

Air Ass’y
10-7
10.2. Vacuum Generator
10.2.1. Vacuum Generator 代表替换事例
堵塞头部喷嘴末端时500mmHg以下时
配管中流入油及水分无法生成Vacuum 时
Vacuum Generator 因自有的缺陷无法启动时
10.2.2. 必要工具
Air-Blower
十字形(+)螺丝刀, 一字形(-)螺丝刀
T Wrench (其他提供工具) or Hex Wrench
10.2.3. c
Vacuum。
Va uum Generator 清扫次序
1. 参照“4.10 Vacuum/Blow“检点
2. 正常关闭PC后关闭设备前面的Main Switch,然后关闭Air阀。
Main Switch 关闭 方
向(逆时针方向)
3.
Vacuum Generator时从设备中分离Vacuum Generator。
4. 分离Filter部进行空气吹洗。
5. Vacuum Generator的Main Body在清洁的场所保持清洁状态进行分离后清除污渍
。
6. Orifice部分向空气流动反方向进行空气吹洗。
7. 如果严重污染清替换成新品。
8. 组装Vacuum Generator的Main Body时请勿遗漏Seal。请按照拆卸的倒序进行组
装。

Electric Device
11-1
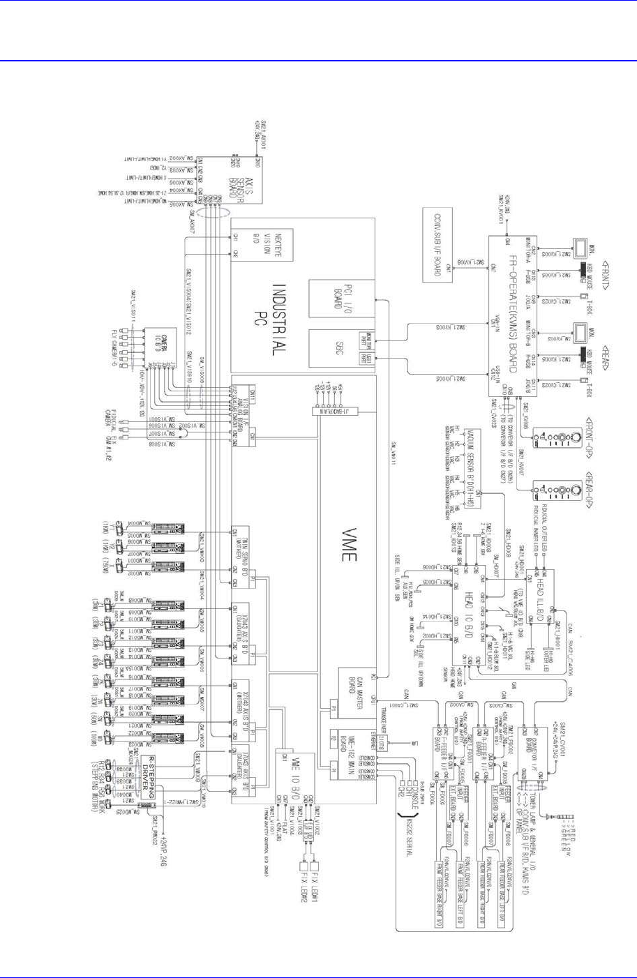
第11章. Electric Device
11.1. System Wiring Diagram