文档中心
/
SM321 Service-CHI
SM321 Service-CHI - 第303页
Electric Device 1 1-3
目录
100%
显示:宽度
宽度
1 / 387
回到旧版
旧版
?
Samsung Component Placer SM321 Ser
vice Manual
11-2
11.2.
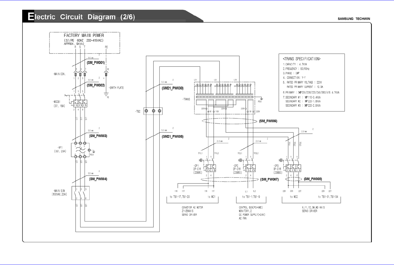
Electric
Circuit
Diagram
Electric Device
1
1-3
Samsung Component Placer SM321 Ser
vice Manual
11-4
该页面需要启用 JavaScript 才能进行交互式预览。