RL132规格说明书 - 第32页
RL132 2012.0903 - 26 - 6) 电解电容器 (B) 尺寸 (mm) 内容 记号 数值 容许范围 备注 元件直径 Ø D 13.0 最大 引脚线直径 Ø d 0.6 ±0.05 软铜线是 Ø 0.6 mm 硬铜线和 CP 线是 Ø 0.5±0.05 mm 元件间距 P 12.7 ±1.0 孔间距 P 0 12.7 ±0.3 累积间距误差 = 1.0mm /20 间距 从孔中心到元件中心部为止 P 2 6.35 ±1.3…

RL132 2012.0903
- 25 -
5)
电解电容器
(A)
尺寸
(mm)
内容
记号
数值
容许范围
备注
元件直径
Ø D 13.0
最大
引脚线直径
Ø d 0.6 ±0.05
软铜线是
Ø 0.6 mm
硬铜线和
CP
线是
Ø 0.5±0.05 mm
元件间距
P 12.7 ±1.0
孔间距
P
0
12.7 ±0.3
累积间距误差
= 1.0mm /20
间距
从孔中心到元件中心部为止
P
2
6.35 ±1.3
引脚间距离
F 5.0
+0.5
-0.2
引脚尖端在容许范围内
元件位置调整
∆h 2.0
最大
从中心开始
±1 mm
编带宽度
W 18
+1.0
-0.5
从编带中心到元件底部的高度
H 18 +2.0
元件高度
H
1
33.75 H
1
≤ 41.0
元件高度
(
参考
)
H
4
15.75
最大
引脚线的突出
l 0
最大
编带轨道的摩擦可能造成损伤
孔直径
Ø D
0
4.0 ±0.2
编带的厚度
t 0.3
+0.2
0
原纸厚度最小是
0.3 mm

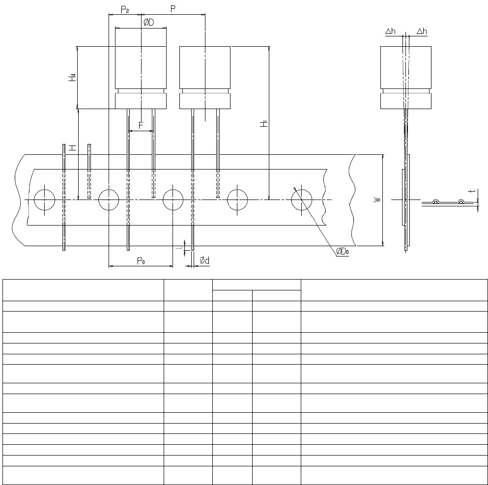
RL132 2012.0903
- 26 -
6) 电解电容器(B)
尺寸
(mm)
内容
记号
数值
容许范围
备注
元件直径
Ø D 13.0
最大
引脚线直径
Ø d 0.6 ±0.05
软铜线是
Ø 0.6 mm
硬铜线和
CP
线是
Ø 0.5±0.05 mm
元件间距
P 12.7 ±1.0
孔间距
P
0
12.7 ±0.3
累积间距误差
= 1.0mm /20
间距
从孔中心到元件中心部为止
P
2
6.35 ±1.3
引脚间距离
F 5.0
+0.5
-0.2
引脚尖端在容许范围内
元件位置调整
∆h 2.0
最大
从中心开始
±1 mm
编带宽度
W 18
+1.0
-0.5
从编带中心到元件底部的高度
H 18 +2.0
元件高度
H
1
30.25 H
1
≤ 41.0
元件高度
(
参考
)
H
4
12.25
最大
引脚线的突出
l 0
最大
编带轨道的摩擦可能造成损伤
孔直径
Ø D
0
4.0 ±0.2
编带的厚度
t 0.3
+0.2
0
原纸厚度最小是
0.3 mm

RL132 2012.0903
- 27 -
7) 电阻器(A)
尺寸
(mm)
内容
记号
数值
容许范围
备注
元件直径
Ø D 4.5
最大
引脚线直径
Ø d 0.6 ±0.05
软铜线是
Ø 0.6 mm
硬铜线和
CP
线是
Ø 0.5±0.05 mm
元件间距
P 12.7 ±1.0
孔间距
P
0
12.7 ±0.3
累积间距误差
= 1.0mm /20
间距
从孔中心到元件中心部为止
P
2
6.35 ±1.3
引脚间距离
F 5.0
+0.5
-0.2
引脚尖端在容许范围内
元件位置调整
∆h 2.0
最大
从中心开始
±1 mm
编带宽度
W 18
+1.0
-0.5
从编带中心到元件底部的高度
H 16 +2.0
引脚线的扭曲高度
H
0
16
+2.0
0
元件高度
H
1
31.75 H
1
≤ 41.0
元件高度
(
参考
)
H
4
15.75
最大
引脚线的突出
l 0
最大
编带轨道的摩擦可能造成损伤
孔直径
Ø D
0
4.0 ±0.2
编带的厚度
t 0.3
+0.2
0
原纸厚度最小是
0.3 mm