RL132规格说明书 - 第39页
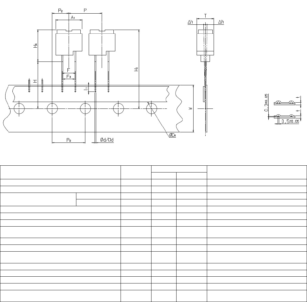
RL132 2012.0903 - 33 - 13) 保险丝夹子 尺寸 (mm) 内容 记号 数值 容许范围 备注 元件宽度 A 1 10 最大 元件厚度 T 6.5 最大 圆形引脚 Ø d 0.5 ±0.05 引脚线直径 方形引脚 □ d *0.5 ±0.05 *(0.5±0.05) x (0.3±0.05) 元件间距 P 12.7 ±1.0 孔间距 P 0 12.7 ±0.3 累积间距误差 = 1.0mm /20 间距 从孔中心到元…

RL132 2012.0903
- 32 -
12) 微调电容器
尺寸
(mm)
内容
记号
数值
容许范围
备注
元件宽度
A
1
10
最大
元件厚度
T 6.5
最大
圆形引脚
Ø d 0.5 ±0.05
引脚线直径
方形引脚
□d *0.5 ±0.05
*(0.5±0.05) x (0.3±0.05)
元件间距
P 12.7 ±1.0
孔间距
P
0
12.7 ±0.3
累积间距误差
= 1.0mm /20
间距
从孔中心到元件中心部为止
P
2
6.35 ±1.3
引脚间距离
F 5.0
+0.5
-0.2
引脚尖端在容许范围内
引脚间距离
(
方形引脚
)
F
3
4.45
最小
元件位置调整
∆h 2.0
最大
从中心开始
±1 mm
编带宽度
W 18
+1.0
-0.5
从编带中心到元件底部的高度
H 18 +2.0
元件高度
H
1
30.25 H
1
≤ 41.0
元件高度
(
参考
)
H
4
12.25
最大
孔直径
Ø D
0
4.0 ±0.2
编带的厚度
t 0.3
+0.2
0
原纸厚度最小是
0.3 mm
圆形引脚
方形引脚

RL132 2012.0903
- 33 -
13) 保险丝夹子
尺寸
(mm)
内容
记号
数值
容许范围
备注
元件宽度
A
1
10
最大
元件厚度
T 6.5
最大
圆形引脚
Ø d 0.5 ±0.05
引脚线直径
方形引脚
□d *0.5 ±0.05
*(0.5±0.05) x (0.3±0.05)
元件间距
P 12.7 ±1.0
孔间距
P
0
12.7 ±0.3
累积间距误差
= 1.0mm /20
间距
从孔中心到元件中心部为止
P
2
6.35 ±1.3
引脚间距离
F 5.0
+0.5
-0.2
引脚尖端在容许范围内
引脚间距离
(
方形引脚
)
F
3
4.45
最小
元件位置调整
∆h 2.0
最大
从中心开始
±1 mm
编带宽度
W 18
+1.0
-0.5
从编带中心到元件底部的高度
H 18 +2.0
元件高度
H
1
30.25 H
1
≤ 41.0
元件高度
(
参考
)
H
4
12.25
最大
孔直径
Ø D
0
4.0 ±0.2
编带的厚度
t 0.3
+0.2
0
原纸厚度最小是
0.3 mm
有关元件形状和尺寸的详细情况请咨询本公司。
圆形引脚
方形引脚

RL132 2012.0903
- 34 -
14) LED
尺寸
(mm)
内容
记号
数值
容许范围
备注
元件直径
Ø D 10
最大
圆形引脚
Ø d 0.5 ±0.05
引脚线直径
方形引脚
□d *0.5 ±0.05
*(0.5±0.05) x (0.3±0.05)
元件间距
P 12.7 ±1.0
孔间距
P
0
12.7 ±0.3
累积间距误差
= 1.0mm /20
间距
从孔中心到元件中心部为止
P
2
6.35 ±1.3
引脚间距离
F 5.0
+0.5
-0.2
引脚尖端在容许范围内
引脚间距离
(
方形引脚
)
F
3
4.45
最小
元件位置调整
∆h 2.0
最大
从中心开始
±1 mm
编带宽度
W 18
+1.0
-0.5
从编带中心到元件底部的高度
H 18 +2.0
引脚线的扭曲高度
H
0
16
+2.0
0
元件高度
H
1
31.75 H
1
≤ 41.0
元件高度
(
参考
)
H
4
15.75
最大
孔直径
Ø D
0
4.0 ±0.2
编带的厚度
t 0.3
+0.2
0
原纸厚度最小是
0.3 mm
圆形引脚
方形引脚