RL132规格说明书 - 第48页
RL132 2012.0903 - 42 - 22) 长间距陶瓷电容器 ( 成型引脚 A) 尺寸 (mm) 内 容 记号 数值 容许范围 备 注 元件直径 Ø D 13.0 最大 元件厚度 T 4.0 最大 引脚线直径 Ø d 0.80 最大 软铜线是 Ø 0.8 mm ( 硬度在 H B 50 以内 ) 硬铜线是 Ø 0.6 mm ( 硬度在 H B 80 以内 ) 元件间距 P 15.0 ±1.0 孔间距 P 0 15.0 ±0.3…

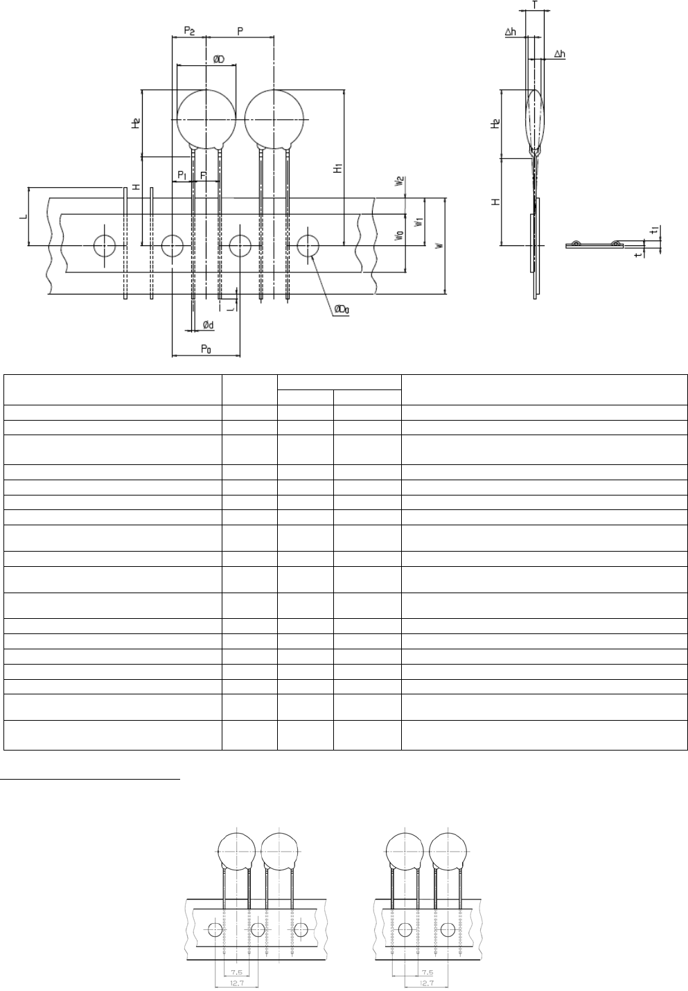
RL132 2012.0903
- 41 -
21) 长间距陶瓷电容器 (笔直型引脚)
尺寸
(mm)
内 容
记号
数值
容许范围
备 注
元件直径
Ø D 13.0
最大
元件厚度
T 4.0
最大
引脚线直径
Ø d 0.8
最大
软铜线是
Ø 0.8 mm (
硬度在
H
B
50
以内
)
硬铜线是
Ø 0.6 mm (
硬度在
H
B
80
以内
)
元件间距
P 15.0 ±1.0
孔间距
P
0
15.0 ±0.3
累积间距误差
= 1.0
mm /20
间距
从孔中心到引脚为止
P
1
2.6 ±0.7
从孔中心到元件中心部为止
P
2
6.35 ±1.3
引脚间距离
F 7.5
+0.5
-0.2
引脚尖端在容许范围内
元件位置调整
∆h 2.0
最大 从中心开始
±1 mm
编带宽度
W 18
+1.0
-0.5
从编带中心到元件底部的高度
H 18
+2.0
-0
元件高度
H
1
34 H
1
≤ 41.0
元件高度
(
参考
)
H
2
16
最大
引脚线的突出
l 0
最大 编带轨道的摩擦可能造成损伤
切断引脚线的突出部分
L 11.0
最大
孔直径
Ø D
0
4.0 ±0.2
原纸厚度
t 0.3
+0.2
-0
原纸厚度
: 0.3 mm
~
0.5 mm
编带的厚度
(
包括最大引脚直径
0.8 mm)
t
1
1.5
最大
有关标准规格以外的编带元件
1)
如果不是标准规格,请勿使用以下状态的编带。
2)
如有疑问点,请咨询。

RL132 2012.0903
- 42 -
22) 长间距陶瓷电容器 (成型引脚 A)
尺寸
(mm)
内 容
记号
数值
容许范围
备 注
元件直径
Ø D 13.0
最大
元件厚度
T 4.0
最大
引脚线直径
Ø d 0.80
最大
软铜线是
Ø 0.8 mm (
硬度在
H
B
50
以内
)
硬铜线是
Ø 0.6 mm (
硬度在
H
B
80
以内
)
元件间距
P 15.0 ±1.0
孔间距
P
0
15.0 ±0.3
累积间距误差
= 1.0
mm /20
间距
从孔中心到引脚为止
P
1
2.6 ±0.7
从孔中心到元件中心部为止
P
2
6.35 ±1.3
引脚间距离
F 7.5
+0.5
-0.2
引脚尖端在容许范围内
元件位置调整
∆h 2.0
最大 从中心开始
±1 mm
编带宽度
W 18
+1.0
-0.5
从编带中心到元件底部的高度
H 18
+2.0
-0
元件高度
H
1
34 H
1
≤ 41.0
元件高度
(
参考
)
H
2
16
最大
引脚线的突出
l 0
最大 编带轨道的摩擦可能造成损伤
切断引脚线的突出部分
L 11.0
最大
孔直径
Ø D
0
4.0 ±0.2
原纸厚度
t 0.3
+0.2
-0
原纸厚度
: 0.3 mm
~
0.5 mm
编带的厚度
(
包括最大引脚直径
0.8 mm)
t
1
1.5
最大
有关标准规格以外的编带元件
1)
如果不是标准规格,请勿使用以下状态的编带。
2)
如有疑问点,请咨询。

RL132 2012.0903
- 43 -
23) 长间距陶瓷电容器 (成型引脚 B)
尺寸
(mm)
内 容
记号
数值
容许范围
备 注
元件直径
Ø D 13.0
最大
元件厚度
T 4.0
最大
引脚线直径
Ø d 0.8
最大
软铜线是
Ø 0.8 mm (
硬度在
H
B
50
以内
)
硬铜线是
Ø 0.6 mm (
硬度在
H
B
80
以内
)
元件间距
P 15.0 ±1.0
孔间距
P
0
15.0 ±0.3
累积间距误差
= 1.0
mm /20
间距
从孔中心到引脚为止
P
1
2.6 ±0.7
从孔中心到元件中心部为止
P
2
6.35 ±1.3
引脚间距离
F 7.5
+0.5
-0.2
引脚尖端在容许范围内
元件位置调整
∆h 2.0
最大 从中心开始
±1 mm
编带宽度
W 18
+1.0
-0.5
从编带中心到元件底部的高度
H 18
+2.0
-0
元件高度
H
1
34 H
1
≤ 41.0
元件高度
(
参考
)
H
2
16
最大
引脚线的突出
l 0
最大 编带轨道的摩擦可能造成损伤
切断引脚线的突出部分
L 11.0
最大
孔直径
Ø D
0
4.0 ±0.2
原纸厚度
t 0.3
+0.2
-0
原纸厚度
: 0.3 mm
~
0.5 mm
编带的厚度
(
包括最大引脚直径
0.8 mm)
t
1
1.5
最大
有关标准规格以外的编带元件
1)
如果不是标准规格,请勿使用以下状态的编带。
2)
如有疑问点,请咨询。