RL132规格说明书 - 第70页
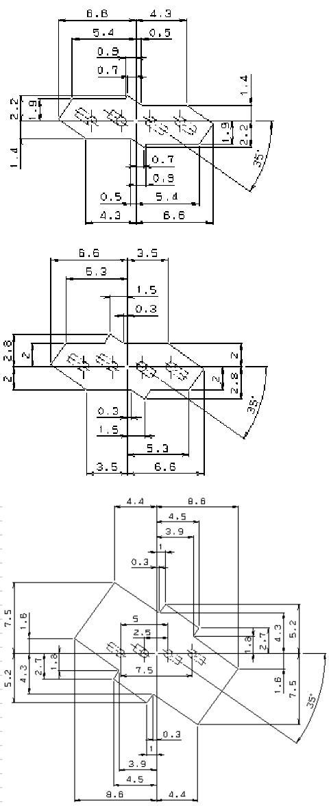
RL132 2012.0903 - 64 - ■ N 扭曲 7.5 mm 间距规格 引脚线弯曲角度 35 ° 时 的情况 单位 : mm 从基板上方看到的铁砧死区 ( 基板下 1 mm) ( 基板下 2 mm) ( 基板下 7 mm) ※ 上图表示 90 ° 插入时的情况。 0 ° 、 180 ° 、 -90 ° 插入时,请各自旋转进行 参照。 ※ 元件的邻接条件,请另外咨询。

RL132 2012.0903
- 63 -
(1)
引脚线扭曲角度为
35 °
时
(4/4)
单位
: mm
下表的数字表示
P
尺寸。
b
元件
插入顺序
a
⇒
b
2.5p
0°
插入
2.5p
180°
插入
5.0p (2
支引脚
)
0°, 180°
插入
5.0p (3
支引脚
)
0°, 180°
插入
2.5p
90°
插入
3.5 3 3.5 3.5
2.5p
-90°
插入
3.5 3 3.5 3.5
5.0p (2
支引脚
)
90°, -90°
插入
3.5 3 3.5 3.5
a
元
件
5.0p (3
支引脚
)
90°, -90°
插入
3.5 3 3.5 3.5
b
元件
插入顺序
b
⇒
a
2.5p
0°
插入
2.5p
180°
插入
5.0p (2
支引脚
)
0°, 180°
插入
5.0p (3
支引脚
)
0°, 180°
插入
2.5p
90°
插入
3 3 3 3
2.5p
-90°
插入
5.5 5.5 5.5 5.5
5.0p (2
支引脚
)
90°, -90°
插入
3 3 3 3
a
元
件
5.0p (3
支引脚
)
90°, -90°
插入
3 3 3 3
b
元件
插入顺序
a
⇒
b
2.5p
90°
插入
2.5p
-90°
插入
5.0p (2
支引脚
)
90°, -90°
插入
5.0p (3
支引脚
)
90°, -90°
插入
2.5p
0°
插入
5.5 3 3 3
2.5p
180°
插入
5.5 3 3 3
5.0p (2
支引脚
)
0°, 180°
插入
5.5 3 3 3
a
元
件
5.0p (3
支引脚
)
0°, 180°
插入
5.5 3 3 3
b
元件
插入顺序
b
⇒
a
2.5p
90°
插入
2.5p
-90°
插入
5.0p (2
支引脚
)
90°, -90°
插入
5.0p (3
支引脚
)
90°, -90°
插入
2.5p
0°
插入
3 3 3 3
2.5p
180°
插入
3.5 3.5 3.5 3.5
5.0p (2
支引脚
)
0°, 180°
插入
3.5 3.5 3.5 3.5
a
元
件
5.0p (3
支引脚
)
0°, 180°
插入
3.5 3.5 3.5 3.5

RL132 2012.0903
- 64 -
■
N
扭曲
7.5 mm
间距规格 引脚线弯曲角度
35 °
时 的情况
单位
: mm
从基板上方看到的铁砧死区
(
基板下
1 mm)
(
基板下
2 mm)
(
基板下
7 mm)
※上图表示
90 °
插入时的情况。
0 °
、
180 °
、
-90 °
插入时,请各自旋转进行参照。
※元件的邻接条件,请另外咨询。

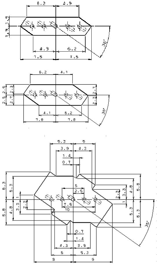
RL132 2012.0903
- 65 -
■
N
扭曲
10 mm
间距规格 引脚线弯曲角度
35 °
时 的情况
单位
: mm
从基板上方看到的铁砧死区
(
基板下
1 mm)
(
基板下
2 mm)
(
基板下
7 mm)
※上图表示
90 °
插入时的情况。
0 °
、
180 °
、
-90 °
插入时,请各自旋转进行参照。
※元件的邻接条件,请另外咨询。