RL132规格说明书 - 第73页
RL132 2012.0903 - 67 - (2) 引脚线扭曲角度为 45 ° 时 (1/4) 单位 : mm 下表的数字表示 P 尺寸。 b 元件 插入顺序 a ⇒ b 2.5p 90° 插入 2.5p -90° 插入 5.0p ( 2 支引脚 ) 90°, -90° 插入 5.0p ( 3 支引脚 ) 90°, -90° 插入 2.5p 90° 插入 5.5 3 3 3 2.5p -90° 插入 5.5 3 3 3 5.0p ( …

RL132 2012.0903
- 66 -
■
N
扭曲
5 mm
间距规格 引脚线弯曲角度
45 °
时
(1)
基板下的邻接条件
(
铁砧死区和元件邻接条件
)
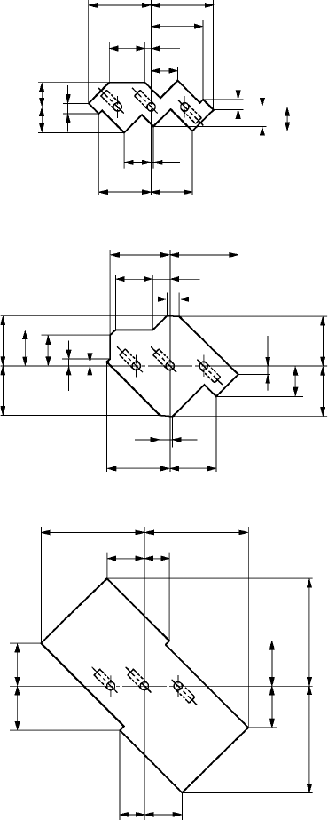
在基板下,如下图有铁砧
(
切割引脚线、扭曲单元
)
死区。根据基板下的高度位置,范围不同。
另外,元件的邻接条件,元件的插入顺序和引脚线的弯曲角度
(
扭曲角度
)
如下分类。
单位
: mm
从基板上方看到的铁砧死区
(
基板下
1 mm)
4.7
3.9
0.5
0.2
3.9
1.9
4.7
1.9
0.5
0.5
1.5
2.6
2.0
0.3
0.3
2.0
2.0
3.1
机器前面
(
基板下
2 mm)
4.5
3.9
5.2
2.8 1.3
0.2 0.7
3.8
2.8
2.4
0.6
0.3
0.7
2.4
3.83.9
0.20.7
3.54.8
机器前面
(
基板下
7 mm)
8.3
7.9 7.9
2.9 1.9
3.5
8.3
3.3
3.33.5
2.91.9
机器前面
※上图表示
90 °
插入时的情况。
0 °
、
180 °
、
-90 °
插入时,请各自旋转进行参照。

RL132 2012.0903
- 67 -
(2)
引脚线扭曲角度为
45 °
时
(1/4)
单位
: mm
下表的数字表示
P
尺寸。
b
元件
插入顺序
a
⇒
b
2.5p
90°
插入
2.5p
-90°
插入
5.0p (2
支引脚
)
90°, -90°
插入
5.0p (3
支引脚
)
90°, -90°
插入
2.5p
90°
插入
5.5 3 3 3
2.5p
-90°
插入
5.5 3 3 3
5.0p (2
支引脚
)
90°, -90°
插入
5.5 3 3 3
a
元
件
5.0p (3
支引脚
)
90°, -90°
插入
5.5 3 3 3
b
元件
插入顺序
b
⇒
a
2.5p
90°
插入
2.5p
-90°
插入
5.0p (2
支引脚
)
90°, -90°
插入
5.0p (3
支引脚
)
90°, -90°
插入
2.5p
90°
插入
3 3 3 3
2.5p
-90°
插入
5.5 5.5 5.5 5.5
5.0p (2
支引脚
)
90°, -90°
插入
3 3 3 3
a
元
件
5.0p (3
支引脚
)
90°, -90°
插入
3 3 3 3
b
元件
插入顺序
a
⇒
b
2.5p
90°
插入
2.5p
-90°
插入
5.0p (2
支引脚
)
90°, -90°
插入
5.0p (3
支引脚
)
90°, -90°
插入
2.5p
90°
插入
2.5 2.5 3.5 3.5
2.5p
-90°
插入
2.5 2.5 3.5 3.5
5.0p (2
支引脚
)
90°, -90°
插入
3.5 2.5 2.5 2.5
a
元
件
5.0p (3
支引脚
)
90°, -90°
插入
3.5 3.5 2.5 2.5
b
元件
插入顺序
b
⇒
a
2.5p
90°
插入
2.5p
-90°
插入
5.0p (2
支引脚
)
90°, -90°
插入
5.0p (3
支引脚
)
90°, -90°
插入
2.5p
90°
插入
2.5 2.5 2.5 3.5
2.5p
-90°
插入
2.5 2.5 3.5 3.5
5.0p (2
支引脚
)
90°, -90°
插入
3.5 3.5 2.5 2.5
a
元
件
5.0p (3
支引脚
)
90°, -90°
插入
3.5 3.5 2.5 2.5

RL132 2012.0903
- 68 -
(2)
引脚线扭曲角度为
45 °
时
(2/4)
单位
: mm
下表的数字表示
P
尺寸。
b
元件
插入顺序
a
⇒
b
2.5p
0°
插入
2.5p
180°
插入
5.0p (2
支引脚
)
0°, 180°
插入
5.0p (3
支引脚
)
0°, 180°
插入
2.5p
90°
插入
2.5 2.5 3.5 3.5
2.5p
-90°
插入
2.5 2.5 3.5 3.5
5.0p (2
支引脚
)
90°, -90°
插入
2.5 2.5 3.5 3.5
a
元
件
5.0p (3
支引脚
)
90°, -90°
插入
2.5 2.5 3.5 3.5
b
元件
插入顺序
b
⇒
a
2.5p
0°
插入
2.5p
180°
插入
5.0p (2
支引脚
)
0°, 180°
插入
5.0p (3
支引脚
)
0°, 180°
插入
2.5p
90°
插入
2.5 2.5 2.5 3.5
2.5p
-90°
插入
4.5 4.5 2.5 6
5.0p (2
支引脚
)
90°, -90°
插入
2.5 2.5 2.5 3.5
a
元
件
5.0p (3
支引脚
)
90°, -90°
插入
2.5 2.5 2.5 3.5
b
元件
插入顺序
a
⇒
b
2.5p
90°
插入
2.5p
-90°
插入
5.0p (2
支引脚
)
90°, -90°
插入
5.0p (3
支引脚
)
90°, -90°
插入
2.5p
0°
插入
4.5 2.5 2.5 2.5
2.5p
180°
插入
4.5 2.5 2.5 2.5
5.0p (2
支引脚
)
0°, 180°
插入
2.5 2.5 2.5 2.5
a
元
件
5.0p (3
支引脚
)
0°, 180°
插入
6 3.5 3.5 3.5
b
元件
插入顺序
b
⇒
a
2.5p
90°
插入
2.5p
-90°
插入
5.0p (2
支引脚
)
90°, -90°
插入
5.0p (3
支引脚
)
90°, -90°
插入
2.5p
0°
插入
2.5 2.5 2.5 2.5
2.5p
180°
插入
2.5 2.5 2.5 2.5
5.0p (2
支引脚
)
0°, 180°
插入
3.5 3.5 3.5 3.5
a
元
件
5.0p (3
支引脚
)
0°, 180°
插入
3.5 3.5 3.5 3.5
P
b
a