RL132规格说明书 - 第77页
RL132 2012.0903 - 71 - ■ T 扭曲的情况 在基板下,如下图有铁砧 ( 切割引脚线、扭曲单元 ) 死区。根据基板下的高度位置,范围不 同。 单位 : mm 从基板上方看到的铁砧死区 ( 基板下 1 mm) 1.2 4.4 4.4 1.9 1.9 1.2 2. 0 3.8 3.4 0.8 0.8 机器前面 (90 ° 插入 ) ( 基板下 2 mm) 0.8 7.0 7.0 5.8 5.8 1.8 1 .8 3.0 …

RL132 2012.0903
- 70 -
(2)
引脚线扭曲角度为
45 °
时
(4/4)
单位
: mm
下表的数字表示
P
尺寸。
b
元件
插入顺序
a
⇒
b
2.5p
0°
插入
2.5p
180°
插入
5.0p (2
支引脚
)
0°, 180°
插入
5.0p (3
支引脚
)
0°, 180°
插入
2.5p
90°
插入
3.5 3.5 3.5 3.5
2.5p
-90°
插入
3.5 3.5 3.5 3.5
5.0p (2
支引脚
)
90°, -90°
插入
3.5 3.5 3.5 3.5
a
元
件
5.0p (3
支引脚
)
90°, -90°
插入
3.5 3.5 3.5 3.5
b
元件
插入顺序
b
⇒
a
2.5p
0°
插入
2.5p
180°
插入
5.0p (2
支引脚
)
0°, 180°
插入
5.0p (3
支引脚
)
0°, 180°
插入
2.5p
90°
插入
3.5 3.5 3.5 3.5
2.5p
-90°
插入
6 6 6 6
5.0p (2
支引脚
)
90°, -90°
插入
3.5 3.5 3.5 3.5
a
元
件
5.0p (3
支引脚
)
90°, -90°
插入
3.5 3.5 3.5 3.5
b
元件
插入顺序
a
⇒
b
2.5p
90°
插入
2.5p
-90°
插入
5.0p (2
支引脚
)
90°, -90°
插入
5.0p (3
支引脚
)
90°, -90°
插入
2.5p
0°
插入
6 3.5 3.5 3.5
2.5p
180°
插入
6 3.5 3.5 3.5
5.0p (2
支引脚
)
0°, 180°
插入
6 3.5 3.5 3.5
a
元
件
5.0p (3
支引脚
)
0°, 180°
插入
6 3.5 3.5 3.5
b
元件
插入顺序
b
⇒
a
2.5p
90°
插入
2.5p
-90°
插入
5.0p (2
支引脚
)
90°, -90°
插入
5.0p (3
支引脚
)
90°, -90°
插入
2.5p
0°
插入
3.5 3.5 3.5 3.5
2.5p
180°
插入
3.5 3.5 3.5 3.5
5.0p (2
支引脚
)
0°, 180°
插入
3.5 3.5 3.5 3.5
a
元
件
5.0p (3
支引脚
)
0°, 180°
插入
3.5 3.5 3.5 3.5

RL132 2012.0903
- 71 -
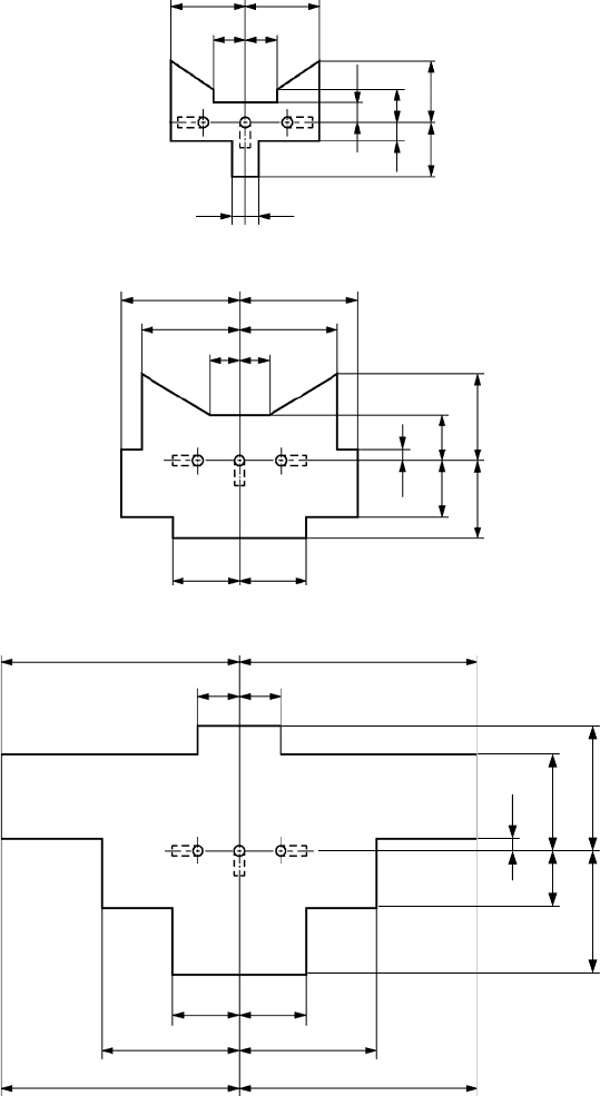
■
T
扭曲的情况
在基板下,如下图有铁砧
(
切割引脚线、扭曲单元
)
死区。根据基板下的高度位置,范围不同。
单位
: mm
从基板上方看到的铁砧死区
(
基板下
1 mm)
1.2
4.4 4.4
1.9 1.9
1.2 2.0
3.83.4
0.80.8
机器前面
(90 °
插入
)
(
基板下
2 mm)
0.8
7.0 7.0
5.8 5.8
1.8 1.8
3.0 2.8
4.8 5.4
4.0 4.0
机器前面
(90 °
插入
)
(
基板下
7 mm)
10.0 10.0
2.5 2.5
4.0 4.0
8.2 8.2
10.0 10.0
机器前面
(90 °
插入
)
※上图表示
90 °
插入时的情况。
0 °
、
180 °
、
-90 °
插入时,请各自旋转进行参照。
1.4
6.5
7.8 7.8
3.0

RL132 2012.0903
- 72 -
T
扭曲时
(1/4)
■
元件邻接条件
单位
: mm
下表的数字表示
P
尺寸。
b
元件
插入顺序
a
⇒
b
5.0p (3
支引脚
)
90°
插入
5.0p (3
支引脚
)
-90°
插入
5.0p (2
支引脚
)
90°
插入
5.0p (2
支引脚
)
-90°
插入
5.0p (3
支引脚
)
90°
插入
3.5 3.5 3.5 3.5
5.0p (3
支引脚
)
-90°
插入
3.5 3.5 3.5 3.5
5.0p (2
支引脚
)
90°
插入
3.5 3.5 3.5 3.5
a
元
件
5.0p (2
支引脚
)
-90°
插入
3.5 3.5 3.5 3.5
b
元件
插入顺序
b
⇒
a
5.0p (3
支引脚
)
90°
插入
5.0p (3
支引脚
)
-90°
插入
5.0p (2
支引脚
)
90°
插入
5.0p (2
支引脚
)
-90°
插入
5.0p (3
支引脚
)
90°
插入
3.5 3.5 3.5 3.5
5.0p (3
支引脚
)
-90°
插入
3.5 3.5 3.5 3.5
5.0p (2
支引脚
)
90°
插入
3.5 3.5 3.5 3.5
a
元
件
5.0p (2
支引脚
)
-90°
插入
3.5 3.5 3.5 3.5
b
元件
插入顺序
a
⇒
b
5.0p (3
支引脚
)
90°
插入
5.0p (3
支引脚
)
-90°
插入
5.0p (2
支引脚
)
90°
插入
5.0p (2
支引脚
)
-90°
插入
5.0p (3
支引脚
)
90°
插入
4 4.5 4 4.5
5.0p (3
支引脚
)
-90°
插入
5 4.5 5 4.5
5.0p (2
支引脚
)
90°
插入
2.5 4.5 2.5 4.5
a
元
件
5.0p (2
支引脚
)
-90°
插入
2.5 4.5 2.5 4.5
b
元件
插入顺序
b
⇒
a
5.0p (3
支引脚
)
90°
插入
5.0p (3
支引脚
)
-90°
插入
5.0p (2
支引脚
)
90°
插入
5.0p (2
支引脚
)
-90°
插入
5.0p (3
支引脚
)
90°
插入
4.5 4.5 4.5 4.5
5.0p (3
支引脚
)
-90°
插入
5 4 2.5 2.5
5.0p (2
支引脚
)
90°
插入
4.5 4.5 4.5 4.5
a
元
件
5.0p (2
支引脚
)
-90°
插入
5 4 2.5 2.5
b
P
a
a
P
b