RS-1_安装要领书.pdf - 第26页

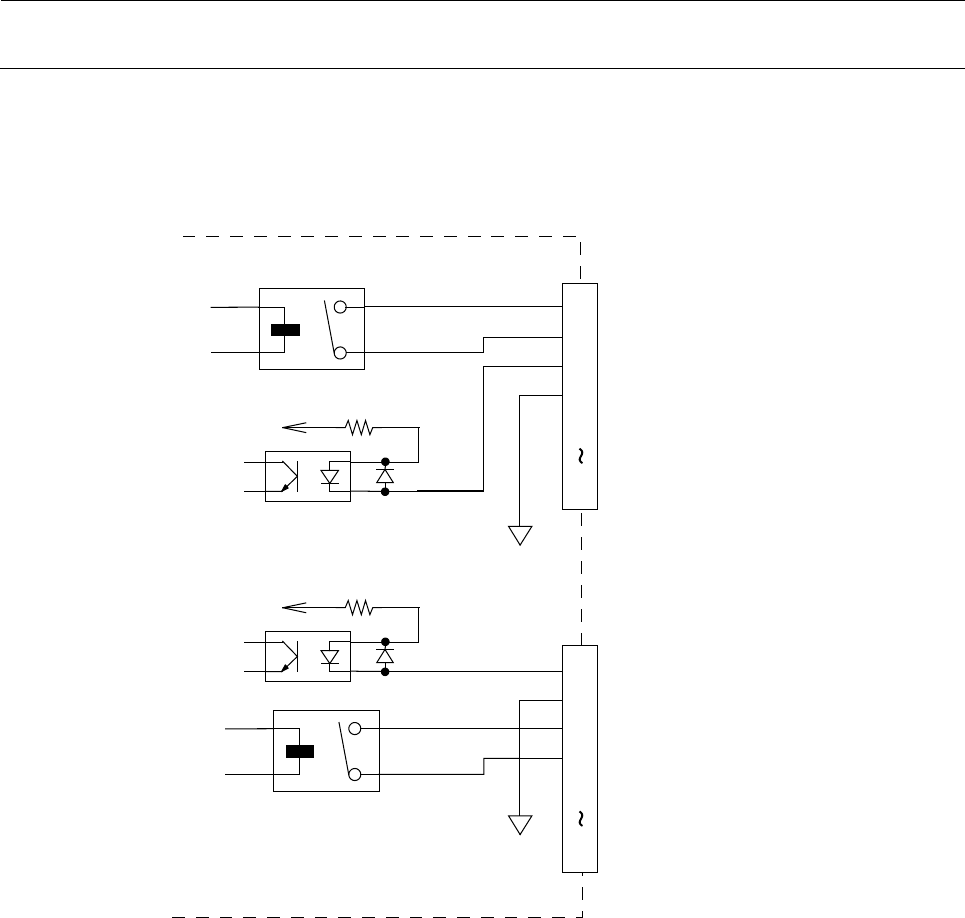
安装要领书 13 -3 预输出(输入)信号 和板有效信号的接 口电路如 图 13 -1-4 示。 以 SM EMA 规格 为准。 图 13-1-4 GND(24V) + +24V 3.3K 1/4W READY OUT + BOAD AVAILABLE IN + READY OUT - BOAD AVAILABLE IN - N.C. 1 2 3 4 5 14 READY IN + BOAD AVAILA BLE OUT + READY…

100%1 / 46
安装要领书
13-2
13-1-1 主机正面左侧的插头表
信号名(传送方向右流动)
信号名(传送方向左流动)
使用插头
1 READY OUT READY IN
AMP
206043-1
电缆线侧
连接插头
206044-1
2 READY OUT READY IN GND
3 BOARD AVAILABLE IN BOARD AVAILABLE OUT
4 BOARD AVAILABLE IN GND BOARD AVAILABLE OUT
5 N.C. N.C.
6 N.C. N.C.
7 N.C. N.C.
8 N.C. N.C.
9 N.C. N.C.
10 N.C. N.C.
11 N.C. N.C.
12 N.C. N.C.
13 N.C. N.C.
14 N.C. N.C.
13-1-2 主机正面右侧的插头表
信号名(传送方向右流动)
信号名(传送方向左流动)
使用插头
1 READY IN READY OUT
AMP
206043-1
电缆线侧
连接插头
206044-1
2 READY IN GND READY OUT
3 BOARD AVAILABLE OUT BOARD AVAILABLE IN
4 BOARD AVAILABLE OUT BOARD AVAILABLE IN GND
5 N.C. N.C.
6 N.C. N.C.
7 N.C. N.C.
8 N.C. N.C.
9 N.C. N.C.
10 N.C. N.C.
11 N.C. N.C.
12 N.C. N.C.
13 N.C. N.C.
14 N.C. N.C.
安装要领书
13-3
预输出(输入)信号和板有效信号的接口电路如 13-1-4 示。
SMEMA 规格为准。
13-1-4
GND(24V)
+
+24V
3.3K 1/4W
READY OUT +
BOAD AVAILABLE IN +
READY OUT -
BOAD AVAILABLE IN -
N.C.
1
2
3
4
5
14
READY IN +
BOAD AVAILABLE OUT +
READY IN -
BOAD AVAILABLE OUT -
N.C.
1
2
3
4
5
14
+24V
3.3K 1/4W
+
GND(24V)
安装要领书
14-1
14. MTS/MTC 连接
14.1 接口操作盘
14-1-1 主机左侧面 14-1-2 主机右侧面
14-1-3 主机右后面
在主机右侧面的接口面板上连接
MTC
电源接口和信
号接口,将空气软管连接到 MTC 用空气接头。
(TR6SNV[机器版本 D 以后]TR6DNV[机器版本 E
以后])
MTS 电源插头和信号插头连接到主机右后面的接
口操作盘上,把空气软连接到 MTS
用空气接头上。
(TR8SR TR5SNX[机器版本 G 以后]TR5DNX [
器版本 G 以后])
<注意>
缆线和软管请使用 MTC MTS 附属品