Vakuumtooling Beru HS50 - 第14页
1 Nachrüstanleitung SOKO Vakuum-Tooling Beru HS-50 (00166137-01) SOKO Vakuum-Tooling Ausgabe 01/2006 14 1.2 T ransport-Firmware 1.2.1 Download der SOKO-T ransport-Firmware Downloaden der SOKO-T ransport -FW TV21031 1.HEX…

SOKO Vakuum-Tooling 1 Nachrüstanleitung SOKO Vakuum-Tooling Beru HS-50 (00166137-01)
Ausgabe 01/2006
13
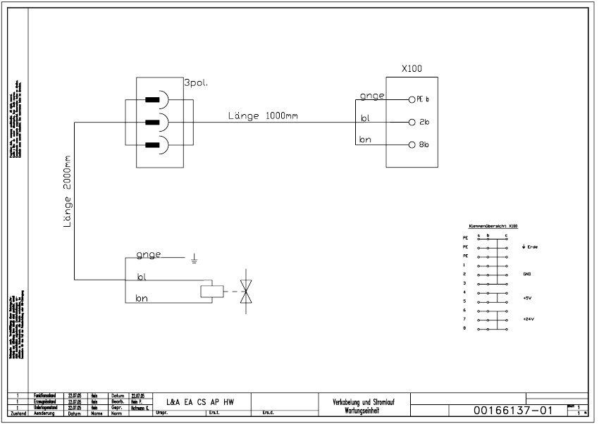
Anschluss der Wartungseinheit: 1
1
Abb. 1.10 - 7 Verkabelung Wartungseinheit
1 Nachrüstanleitung SOKO Vakuum-Tooling Beru HS-50 (00166137-01) SOKO Vakuum-Tooling
Ausgabe 01/2006
14
1.2 Transport-Firmware
1.2.1 Download der SOKO-Transport-Firmware
Downloaden der SOKO-Transport-FW TV210311.HEX im SITEST, welche als Diskette beiliegt.1
Dabei muß der Haken bei SOKO gesetzt werden. 1
Nach dem Download muss die Maschine neu gebootet werden, da sonst die Firmware nicht akti-
viert ist. 1
1.2.2 Funktionsweise der SOKO-Transport-Firmware
Die beiden Ausgänge des Vakuum-Sensors werden von der Transport-FW abgefragt. Liegen die
beiden Signale „Hubtisch oben“ und „Vakuum aufgebaut“ an, so wird der Bestückprozess freige-
geben. Nach der Bestückung wird abgefragt, ob das Vakuum vollständig abgebaut wurde, erst
wenn dies erfüllt ist, kann der Hubtisch nach unten verfahren und die Leiterplatte in das Zwischen-
band bzw. Ausgabeband transportiert werden. 1
1
Mögliche Fehlermeldungen an der Stationsoberfläche: 1
1
Bei nicht aufgebauten Vakuum (Schwellwert 450 mbar): 1
– 15340 "Fehler Keramiksubstratzentrierung BB1"
– 15372 "Fehler Keramiksubstratzentrierung BB2"
1
Bei nicht abgebauten Vakuum (Schwellwert 150mbar): 1
– 15334 "Hubtisch Timeout BB1"
– 15366 "Hubtisch Timeout BB2"
1

SOKO Vakuum-Tooling 1 Nachrüstanleitung SOKO Vakuum-Tooling Beru HS-50 (00166137-01)
Ausgabe 01/2006
15
1.3 Pneumatikplan
1.3.1 Druckluftversorgung
Ein direkter Anschluss an die Pneumatikeinheit der HS-50 ist nicht möglich, da dies den spezifi-
zierten Luftverbrauch übersteigen würde. Daher muss im Pneumatikeinschub eine zusätzliche
Wartungseinheit installiert werden. Vom Kunden muss eine zusätzlich Druckluftleitung zur Verfü-
gung gestellt werden. 1
Die Wartungseinheit wird im Pneumatikeinschub montiert. 1
Der eingestellte Druck muss bei mind. 6,0 bar liegen. 1
1
Wartungseinheit
Anschlusskabel
Wartungseinheit