NPM-D3_z_160518 - 第35页
NPM-D3 2016.0518 - 29 - ■ 能够吸着的元件 尺寸和吸嘴配置 8 吸嘴贴装头能够吸着的元件尺寸如下。 ( ● : 能够吸着, ○ : 不能吸着 ) 透过识别时能够吸着的元件尺寸是, 1 2 × 12 mm 以下。 12 × 12 mm 以下的元件 超过 12 × 12 mm ~ 18 × 18 mm (A × A ≦ 12 × 12) (12 × 12 < A × A ≦ 18 × 18) 超过 18 × 18 m…

NPM-D3 2016.0518
- 28 -
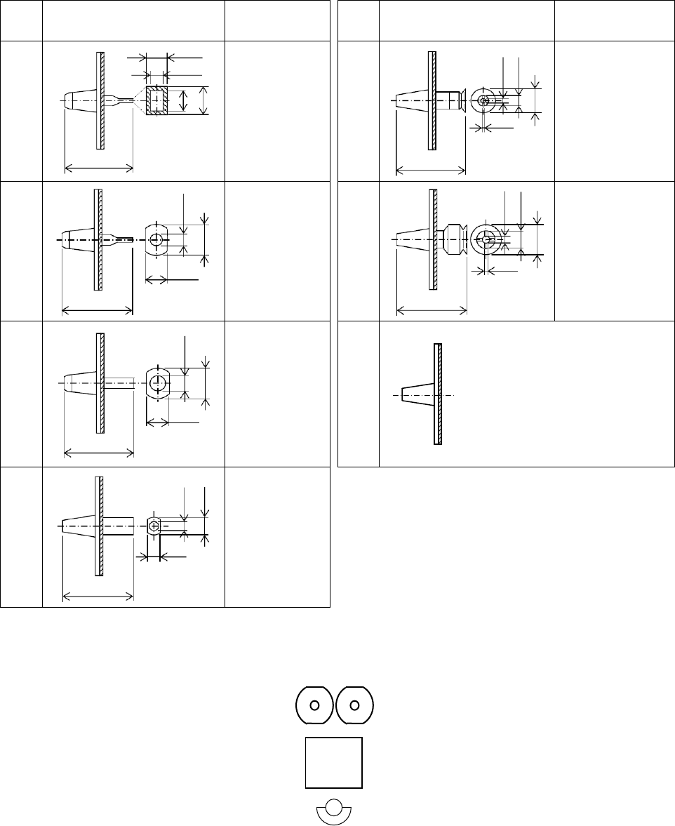
■ 8 吸嘴贴装头用吸嘴
No.
尖端形状
(单位: mm)
对象元件
(代表例)
No.
尖端形状
(单位: mm)
对象元件
(代表例)
256C
256CN
0.39
0.17
0.32
0.3
0402R/C
240C
240CN
φ1.8
φ2.4
3216R/C
4532R/C
TAN-X/B/C/D
Al 电解-A/B/C
225C
225CN
0.6
0.27
0.4
0.35
0603R/C
140
140N
φ1.5
φ4
垫
TAN-D
Al 电解-D
SOP, SOJ
PLCC, CSP
226C
226CN
0.6
0.3
0.4
0.5
0603R/C
1005R/C
185
185N
φ1.5
φ6
垫
SOP, QFP
PLCC, BGA
~
18 × 18 mm
230C
230CN
1.0
0.4
0.7
0.6
1005R/C
1608R/C
199
199N
φ2.4
φ10
垫
SOP, QFP
PLCC, BGA
~
32 × 32 mm
235C
235CN
1.6
0.6
1.2
0.8
1608R/C
2012R/C
3216R/C
SS-Mini Tr/Di
S-Mini Tr/Di
■ 8 吸嘴贴装头的吸嘴布局
对角 12 mm 以下的元件所对应的小吸嘴(上表所述的所有吸嘴),可以安装在所有位置。
8 吸嘴贴装头的吸嘴布局和最多安装数量
(上图是俯视图)
※ 8 吸嘴贴装头的吸嘴,上述 9 种类是标准规格,也可使用 CM 系列的 8 吸嘴贴装头的吸嘴。
(
不可使用 450 吸嘴和 460 吸嘴。)
※ 不可使用 16/ 12 吸嘴贴装头的吸嘴。
※ 不可使用 AM100 的吸嘴。
基板识别
照相机
12 34
56 78

NPM-D3 2016.0518
- 29 -
■ 能够吸着的元件尺寸和吸嘴配置
8 吸嘴贴装头能够吸着的元件尺寸如下。(●: 能够吸着,○: 不能吸着)
透过识别时能够吸着的元件尺寸是,12 × 12 mm 以下。
12 × 12 mm 以下的元件 超过 12 × 12 mm ~ 18 × 18 mm
(A × A ≦ 12 × 12) (12 × 12 < A × A ≦ 18 × 18)
超过 18 × 18 mm ~ 24 × 24 mm
(18 × 18 < A × A ≦ 24 × 24)
⑤, ⑦可以吸着 12 × 12 mm 以下的元件
※ 吸着超出 24 × 24 mm 元件时,在邻接贴装头需要吸嘴直径是 4 mm 以下的识别用吸嘴。
超过 24 × 24 mm ~ 28 × 28 mm 超过 28 × 28 mm ~ 32 × 32 mm
(24 × 24 < A × A ≦ 28 × 28) (28 × 28 < A × A ≦ 32 × 32)
④, ⑧可以吸着 12 × 12 mm 以下的元件
1 2 3 4
5 6 7 8
1 2 3 4
5 6 7 8
1 2 3 4
5 6 7 8
1 2 3 4
5 6 7 8
1 2 3 4
5 6 7 8
识别用吸嘴
(
φ
4
以下
):
①
,
③ 识别用吸嘴
(
φ
4
以下
):
①
,
③
,
⑥

NPM-D3 2016.0518
- 30 -
■ 2 吸嘴贴装头用吸嘴
异形芯片等真空吸着面的形状是特殊情况时,通过特殊吸嘴能够对应。详细请与本公司联络。
No.
尖端形状
(单位: mm)
对象元件
(代表例)
No.
尖端形状
(单位: mm)
对象元件
(代表例)
1582
1582N
0.35
0.4
22.5
0.65
0.18
(
扩大图
)
0603R/C
1004
1004N
φ3.5
22.5
φ8
0.6
φ1.5
SOP, SOJ
QFP, PLCC
BGA
1001
1001N
φ0.5
22.5
φ1.3
(
扩大图
)
0.9
1005R/C
1608R/C
2012R/C
SS-Mini Tr/Di
S-Mini Tr/Di
Mini Tr/Di
1005
1005N
φ6
22.5
φ10
1
φ2.4
SOJ
QFP, PLCC
BGA
1002
1002N
φ1.5
22.5
φ3
2.2
(
扩大图
)
3216R/C
4532R/C
TAN-X/B/C/D
Al 电解-A/B/C
1006
1006N
※ 33 × 33 mm 以上的元件,
在 2 吸嘴中需要安装 1 个。
1003
1003N
φ3
22.5
φ6
4
Al 电解-D/E/F
SOP, SOJ
PLCC
BGA, CSP
※ 从生产率的观点,0603 芯片推荐 16 吸嘴贴装头、12 吸嘴贴装头或者 8 吸嘴贴装头进行贴装。
■ 2 吸嘴贴装头的吸嘴布局
2 吸嘴贴装头的吸嘴布局和最多安装数量
(上图是俯视图)
※ 不可使用 AM100 的吸嘴。
基板识别
照相机
12
根据吸着元件的组合,在不进行吸着
的贴装头上安装吸嘴
(
反射板
)
。
由于是吸着贴装头,提高识别稳定
性。