RX-6_RX-6B_RX-6R-Rev08 - 第137页
- - REF.NO NOTE PART NO D E S C R I P T I O N Qty 1 #01 401-29304 100VN FG WIRE ASM(EN) 1 2 40 1-29262 AC INPUT SURGE PRO T EC T O R ASM 1 3 40 1-29301 BREAKER-NF WIRE AS M 1 4 #04 HN-0035900-00 NOISE FILTER 1 5 #05 HN…

- -
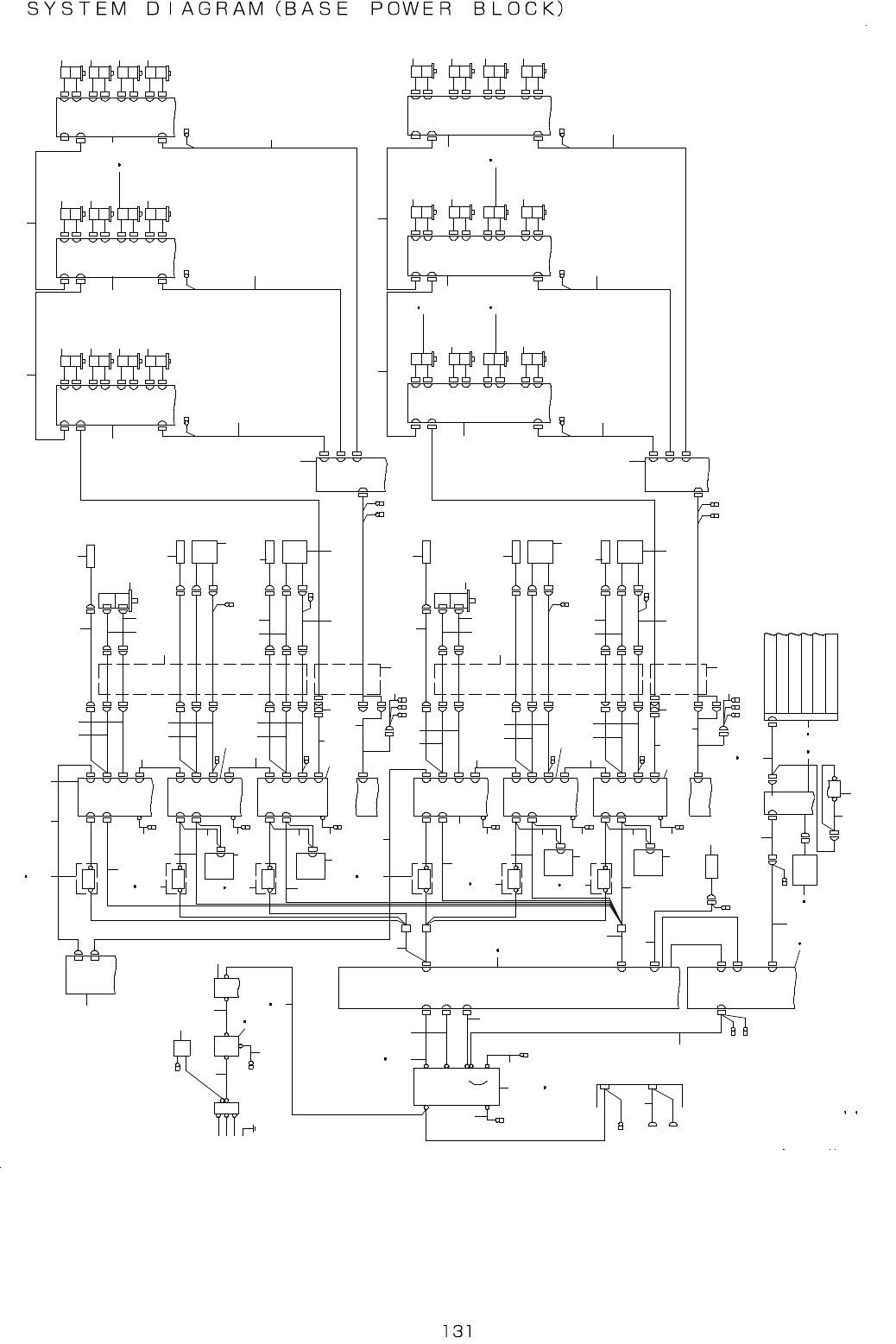
66.SYSTEM DIAGRAM(BASE POWER BLOCK)
F G
F G
F G
F G
( H E A D U N I T )
( H E A D U NI T )
4 - 2 C ( M T S I F )
I S
O PT I O N I F S - NX
( RF I D ) 5 - 5 C (C N 1 09 7 )
( CA N ) 7 - 5 A (C N 1 09 7 )
M T S I / F
M T S I F
F X 1 - C N 2
F Y L 1 - C N 2
F Y R 1 - C N 2
R X 2 - C N 2
R Y L 2 - C N 2
R Y R 2 - C N 2
C N 1 B
C N 1 B
C N 0 7 2 0
C N 0 7 2 2
C N 0 7 2 1
C N 0 7 2 0
C N 0 7 2 2
C N 0 7 2 1
Z C C N P 1
Z B C N P 1
Z A C N P 1
Z C C N P 1Z B C N P 1Z A C N P1
C N 1A
C N 1 A
C N 0 7 1 9
C N 0 7 1 9
R Y R - F G
R Y L - F G
R X - F G
F Y R - F G
F Y L - F G
F X - F G
E
E
2 - 1 B
1 - 2 D
1 - 2 B
1 - 1 D
2 - 5 A
2 - 2 A
2 - 4 B2 - 4 A2 - 4 A
2 - 2 B2 - 2 A2 - 2 A
3 - 1 C
3 - 1 C
3 - 1 B
3 - 1 B
1 - 3 D
C N P 1
R C U N I T 4
C N P 1
R C U N I T 3
C N P 1
R C
U N I T 2
C N P 1
R C
U N I T 1
C N 0 0 4 4
C N 0 0 4 3
Y R - E N C 3Y R - E N C 2
Y L - E N C 2
Y R - E N C 3
C P 1 7
( R - Y R )
C P 1 6
( R - Y L )
C P 1 5
( R - X )
C P 1 9
( F - Y R )
C P 1 8
( F - Y L )
N O T E 3
N O T E 3
N O T E 3
N O T E 3
N O T E 3
N O T E 3
C P 1 4
( F - X )
F G
0 V
Y R - E N C 2
Y L - E N C 2
N O T E 1 T H I S M C C B ' S P / N C H A N G E S W I T H S P E C I F I C A T I O N
A C 40 0 V I N P U T : H A 0 0 6 5 2 0 0 0 A ( 2 0 A )
A C 20 0 V I N P U T : H A 0 0 6 5 2 0 0 0 B ( 4 0 A )
A C 40 0 V I N P U T S H O R T C I R C U I T
B R E A K E R ( O P T I O N ) : H A 0 0 6 5 4 0 0 0 A ( 2 0 A )
A C 20 0 V I N P U T S H O R T C I R C U I T
B R E A K E R ( O P T I O N ) : H A 0 0 6 5 2 0 0 0 B ( 4 0 A )
N O T E 2 ( ) : P A R T S N U M B E R F O R E N S P E C
N O T E 3 T H I S C P ' S C A B L E A S S E M B L Y I S E N O N L Y . S T I S D I R E C T C O N N E C T I O N .
F G
F G
C N 0 0 75
C N 0 0 7 3
F G
E L E C T R I C A L
U N I T
< T O P U N I T >
C N 4 4
F G F G
C N 0 0 7 2
C N 0 0 7 4
C N 0 0 7 1
F G
E L E C T R I C A L
U N I T
< T O P U N I T >
C N 4 3
F G ( H E A D U NI T)F G ( H E A D U N I T )F G ( H E A D U N I T )
F G ( H E A D U NI T)F G ( H E A D U N I T )F G ( H E A D U N I T )
F G
F G
F G
F G
F G
C O V E R
M T S P W R
C H 2
C H 1
P O S I T I O N
B O A R D
C N 2 D
C N P 2 D
C N 2 C
C N P 2 C
C N 2 B
C N P 2 B
C N 1 B C N 2 A
C N P 2 A
C N P 1
C N 1 A
C N 2 D
C N P 2 D
C N 2 C
C N P 2 C
C N 2 B
C N P 2 B
C N 1 B C N 2 A
C N P 2 A
C N P 1
C N 1 A
Z 5 M O T O R ( R )
T 5 M O T O R ( R )
Z 6 M O T O R ( R )
T 6 M O T O R ( R )
Z T C DR I V E R ( R )Z T B D R I V E R ( R )
Z1 M O T O R ( R)
C N 2 D
C N P 2 D
C N 2 C
C N P 2 C
C N 2 B
C N P 2 B
C N 1 B C N 2 A
C N P 2 A
F G
C N 2 2
C N 2 1
C N 2 0
C N 19
Z T A
D R I V E R ( R )
C N P 1
C N 1 A
X Y B E A R
C A B L E S
A S M 1 ( R )
Y R - M T R 3
Y R - M T R 6
Y - M T R
L M - G
Y R 2 - EN C 1
Y L I N E A R
M O T O R ( R R )
G
U V W
S C A L E
H E A D ( R Y R )
Y R - M T R 2
Y R - M T R 5
Y R 2 - MT R 1
Y R 2 - M T R 4
Y L I N E A R
M O T O R ( R L )
G
U V W
S C A L E
H E A D ( R Y L )
Y L - M T R 2 Y - M T R
Y L - M T R 4 L M - G
Y L 2 - MT R 1
Y L 2 - M T R 3
Y L 2 - EN C 1
X - M T R 2
X 2 - M T R 1
X S E R VO
M O T O R ( R )
X - E N C 5
Y B E A R
C A B L E S
A S M ( R )
X Y B E A R
C A B L E S A S M1 ( R )
X - E N C 2
S C A L E
H E A D ( R X )
X 2 - E N C 4
X 2 - E N C 1
C N P 3
C N 2
C N 1 B
C N 1 A
E
C N P 2
C N P 1
F G
C N P 3
C N 2
C N 1 B
C N 1 A
E
C N P 2
C N P 1
F G
C N P 3
C N 2
C N 1 B
C N 1 A
E
C N P 2
C N P 1
F G
Y R S E R V O
D R I V E R ( R )
Y L S E R V O
D R I V E R ( R )
X S E R V O
D R I V E R ( R )
C N 2 D
C N P 2 D
C N 2 C
C N P 2 C
C N 2 B
C N P 2 B
C N 1 B C N 2 A
C N P 2 A
C N P 1
C N 1 A
C N 2 D
C N P 2 D
C N 2 C
C N P 2 C
C N 2 B
C N P 2 B
C N 1 B C N 2 A
C N P 2 A
C N P 1
C N 1 A
Z 5 M O T O R ( F )
T 5 M O T O R ( F )
Z 6 M O T O R ( F )
T 6 M O T O R ( F )
Z T C D R I V E R( F )
Z 3 M OT OR (F )
T 3 M O T O R ( F )
Z 4 M OT OR (F )
T 4 M O T O R ( F )
Z T B D RI V E R ( F )
Z 1 M O T O R ( F )
T 1 M O T O R ( F )
Z 2 M O T O R ( F )
T 2 M O T O R ( F )
C N 2 D
C N P 2 D
C N 2 C
C N P 2 C
C N 2 B
C N P 2 B
C N 1 B C N 2 A
C N P 2 A
F G F G
F G
C N 0 0 7 0
X Y B E A R
C A B L E S
A S M 1 ( F )
C N 2 2
C N 2 1
C N 2 0
C N 19
H E A D R E L A Y
P C B ( F )
Z T A D R I V E R ( F )
C N P 1
C N 1 A
Y R - M T R 3
Y R - M T R 6
Y - M T R
L M - G
Y R 1 - E N C 1
Y L I N E A R
M O T O R ( F R )
G
U V W
S C A L E
H E A D ( F Y R )
Y R - M T R 2
Y R - M T R 5
Y R 1 - M T R 1
Y R 1 - MT R 4
Y L I N E A R
M O T O R ( F L )
G
U V W
S C A L E
H E A D ( F Y L )
Y L - M T R 2 Y - M T R
Y L - M T R 4 L M - G
Y L 1 - M T R 1
Y L 1 - MT R 3
Y L 1 - E N C 1
X - M T R 2
X 1 - M T R 1
X S E R V O
M O T O R ( F )
X - E N C 5
Y B E A R
C A B L E S
A S M ( F )
X Y B E A R
C A B L E S A S M 1 ( F )
X - E N C 2
S C A L E
H E A D ( F X )
X 1 - E N C 4
X 1 - E N C 1
C N P 3
C N 2
C N 1 B
C N 1 A
E
C N P 2
C N P 1
F G
C N P 3
C N 2
C N 1 B
C N 1 A
E
C N P 2
C N P 1
F G
C N P 3
C N 2
C N 1 B
C N 1 A
E
C N P 2
C N P 1
F G
Y R S E R V O
D R I V E R ( F )
Y L S E R V O
D R I V E R ( F )
X S E R V O
D R I V E R ( F )
T B 3
F G
C N 0 0 5 9
C N 0 0 5 7
F G
F G
C N 5 9
C N 5 7
C N 00 5 8
C N 5 8
C N 0 0 5 4
C N 5 6
T B 1
C N 5 5
I N PU T
1 0 0 V
3 4 V
C N 2 0 0 3
3 - 1B
F G
V A C U U M P U MP
C N 5 4
E L E C T R I C A L
U N I T
< T O P U N I T>
F G
C N 0 0 5 1
C N 5 1
C N 0 0 5 5
1 - 2B
T B 2
C N 5 2
C N 0 0 5 2
C N 0 0 5 3
C N 0 0 5 6
2 2 0 V C N 5 3
E L E C T R I C A L
U N I T
< B O T T O M U N I T >
T R A N S F O R M E R
C N 2 0 0 2
1 - 1 B
M A I N
S W I T C H
F G
C N 2 0 0 1
C N 5 5C N 1
C N 0 0 0 1
C N 1
5 - 1 A
1 - 2 D
B A T T E R Y
U N I T
S U R G E
P R O T E C T O R
F G
A C I N
A T X U N I T
F G
I N PU T
P E
N O IS E F I L T E R
M A I N
S W I T C H
M C C B
N O T E 1
L 3
L 2
L1
1
1 0 2
2
6
8 9
4 5
7
1 1 1 2
1 6
1 4 1 5
1 7
1 8
1 9
1 0 3 1 0 4
1 0
1 3
2 8 2 9
2 3
2 4
2 7
6
1 0 8 1 0 9
2 5 2 6
2 0 2 1
2 2
4 1
4 2
4 0
3 9
4 8
3 8
3 1
3 2
3 3 3 4
3 5
4 3 4 4
4 5
5 2 5 3
5 4
4 6
5 8
5 6
9 3
5 1
5 1
6 2
9 6
9 5
4 1
4 1
3 6
3 7
5 0
4 9
5 7
5 5
4 7
4 6
6 3
6 5
6 4
5 6
9 7 9 8 9 7 9 8
5 6
9 7 9 8 9 8
9 7 9 8 9 7 9 8
6 4
6 4
6 6
6 7
H E A D R E L A Y
P C B ( R )
6 3
6 5
6 6
6 7
5 6
5 6
6 4
6 4
6 4
9 9 1 0 1 9 9 1 0 1
9 9 1 0 1
9 9 1 0 0
9 8
T 4 M O T O R ( R )
T 3 M O T O R ( R )
Z 3 M O T O R ( R )
Z 4 M O T O R ( R )
9 8 9 8
T 1 M O T O R ( R )
4 1
5 1
4 1
5 1
9 3
6 2
4 1
3 8
4 0
3 9
4 2
4 8
6 0
6 1 6 1
8 3
5 9
4 6
5 6
8 2
8 1
4 6
7 1
7 2
7 7
4 7
7 6
5 9
9 4
6 0
6 8 6 9
4 7
8 7
3 2
7 0
7 3 7 4
7 8 7 9
7 5
9 2
8 9
9 2
8 0
9 19 1
8 8
9 2
9 19 1
9 2
3 0
8 5
8 4
8 6
9 6
9 0
9 9 1 0 09 9 1 0 0
T 2 M O T O R ( R )
Z 2 M O T O R ( R )
N O T E 4
( M R E V . C )
B A T T ( M R EV . D )
N O T E 4
1 0 6 1 0 7
A T X - 1 3
( M R E V . C )
A T X - P 1
( M R E V . D )
N O T E 4
N O T E 4
N O T E 4
1 0 5
N O T E 4
3
N O T E 4
N O T E 4 T H E S E P / N C H A N G E S W I T H
M A C H I N E R E V I S I O N .
" [ MR E V . C ] " R X - 6 M A C H I N E
R E V I S I O N : B E F O R E " C "
" [ MR E V . D ] " R X - 6 M A C H I N E
R E V I S I O N : " D "
C P C I - C N 1 ( M R E V . D ) C O N T R O L U N I T
6 S L O T C P C I B A C K B O A R D
2 - 1B
5 - 2C
2 - 1B
1 - 1A
3 - 1B
2 - 1A
B L A N K
I O C O N T R O L
I P - X 1 1
R S 2 3 2 C B O A R D ( O P )
P O S I T I O N B O A R D
C P U B O A R D
1 1 0 1 1 1

- -
REF.NO NOTE PART NO D E S C R I P T I O N Qty
1
#01
401-29304 100VN FG WIRE ASM(EN) 1
2 401-29262 AC INPUT SURGE PROTECTOR ASM 1
3 401-29301 BREAKER-NF WIRE ASM 1
4
#04
HN-0035900-00 NOISE FILTER 1
5
#05
HN-0040100-00 NOISE FILTER 1
6 HA-0065500-00 SWITCH 1
7 401-28954 NF-FG WIRE ASM 1
8
#04
401-29303 SW-TF/MTS WIRE ASM 1
9
#05
401-58154 SW-TF/MTS WIRE ASM2 1
10 401-28955 TF-FG WIRE ASM 1
11
#04
401-28956 TF200-EU BTM WIRE ASM 1
12
#05
401-58140 TF200-EU BTM WIRE ASM2 1
13 401-28958 TF100-EU BTM WIRE ASM 1
14 401-27536 PSU_UNIT_A(ST) 1
15
#01
401-27558 PSU_UNIT_A(EN) 1
16 401-28960 EU TOP-TB1/2 WIRE ASM 1
17 401-28961 EU TOP-TB3 WIRE ASM 1
18 401-29245 VACUUM PUMP RELAY WIRE ASM 1
19 401-28959 TF100-EU TOP WIRE ASM 1
20 401-27537 PSU_UNIT_B(ST) 1
21
#01
401-27563 PSU_UNIT_B(EN) 1
22 401-28964 EU TOP-ATX RELAY WIRE ASM 1
23 401-29244 VACUUM PUMP ASM 1
24 401-28965 ATX RELAY-ATX CABLE ASM 1
25
#04
400-48007 BATTERY UNIT 1
26
#05
EZ-1756647-11 BATTERY PACK (BS06A-H24/2.5L) 1
27 401-28967 ATX-SW CABLE ASM 1
28
#04
401-28966 ATX-CPCI WIRE ASM 1
29
#05
401-72724 ATX-CPCI WIRE ASM3 1
30 401-29648 POSITION BOARD 1
31 401-29627 OPTICAL FIBER CABLE 1M 1
32 401-29652 X AXIS DRIVER 1
33 401-28968 TB1-FX AMP WIRE ASM 1
34
#01
401-29307 TB1-FX AMP WIRE ASM(EN) 1
35 401-28974 FX AMP-FG WIRE ASM 1
36 401-29334 FX AMP-XY BEAR ENC CABLE ASM 1
37 401-29313 FX AMP-Y BEAR PWR CABLE ASM 1
38 401-33055 XY BEAR CABLES ASM1 1
39 401-29148 X-MOTOR ENC CABLE ASM 1
40 400-44546 X MTR PWR CABLE 1
41 401-29630 XY LINEAR SCALE HEAD 1
42 401-29653 X AXIS MOTOR 1
43 401-28969 TB1-FYL AMP WIRE ASM 1
44
#01
401-29308 TB1-FYL AMP WIRE ASM(EN) 1
45 401-28975 FYL AMP-FG WIRE ASM 1
46 401-29654 Y AXIS DRIVER 1
47 401-29627 OPTICAL FIBER CABLE 1M 1
48 401-33057 Y BEAR CABLES ASM 1
49 401-29264 FYL AMP-Y BEAR ENC CABLE ASM 1
50 401-29314 FYL AMP-Y BEAR PWR CABLE ASM 1
51 401-29124 Y LINEAR MTR WIRE ASM 1
52 401-28970 TB1-FYR AMP WIRE ASM 1
53
#01
401-29309 TB1-FYR AMP WIRE ASM(EN) 1
54 401-28976 FYR AMP-FG WIRE ASM 1
55 401-29265 FYR AMP-Y BEAR ENC CABLE ASM 1
56 401-29628 OPTICAL FIBER CABLE 0.15M 1
57 401-29316 FYR AMP-Y BEAR PWR CABLE ASM 1
58 401-29635 OPTICAL FIBER 1.7M 1
59 HK-0852900-20 CONNECTOR 1
60 401-33055 XY BEAR CABLES ASM1 1
61 401-29315 Y BEAR-YR MTR G CABLE ASM 1
62 401-29316 FYR AMP-Y BEAR PWR CABLE ASM 1
63 401-28874 HEAD RELAY PCB ASM 1
64 401-29650 4AXIS INTEGRAL TYPE T AXIS DRIVER 1
65 401-33051 HDR-ZA AMP PWR CABLE ASM 1
66 401-33052 HDR-ZB AMP PWR CABLE ASM 1
67 401-33053 HDR-ZC AMP PWR CABLE ASM 1
68 401-28971 TB2-RX AMP WIRE ASM 1
69
#01
401-29310 TB2-RX AMP WIRE ASM(EN) 1
70 401-28977 RX AMP-FG WIRE ASM 1
71 401-29335 RX AMP-XY BEAR ENC CABLE ASM 1
72 401-29317 RX AMP-Y BEAR PWR CABLE ASM 1
73 401-28972 TB2-RYL AMP WIRE ASM 1
74
#01
401-29311 TB2-RYL AMP WIRE ASM(EN) 1
75 401-28978 RYL AMP-FG WIRE ASM 1
76
#01
401-29312 TB2-RYR AMP WIRE ASM(EN) 1
77 401-29267 RYL AMP-Y BEAR ENC CABLE ASM 1
78 401-29318 RYL AMP-Y BEAR PWR CABLE ASM 1
79 401-28973 TB2-RYR AMP WIRE ASM 1
80 401-28985 TB3-RYR AMP WIRE ASM 1
81 401-29268 RYR AMP-Y BEAR ENC CABLE ASM 1
82 401-29319 RYR AMP-Y BEAR PWR CABLE ASM 1
83 401-29629 OPTICAL FIBER CABLE 3.8M 1
84 401-28980 TB3-FX AMP WIRE ASM 1
85 401-28981 TB3-FYL AMP WIRE ASM 1
86 401-28982 TB3-FYR AMP WIRE ASM 1
87 401-28983 TB3-RX AMP WIRE ASM 1
88 401-28984 TB3-RYL AMP WIRE ASM 1
89 401-28979 RYR AMP-FG WIRE ASM 1
90 401-29336 MTS I/F BR CABLE ASM 1
91 401-29338 RC UNIT WIRE ASM 1
92 401-29670 REGENERATIVE CAPACITOR UNIT 1
93 401-28988 Y BEAR-YR SCALE CABLE ASM 1
94 401-33058 EU TOP-F XY BEAR AMP PWR CABLE ASM 1
95 401-33059 EU TOP-R XY BEAR AMP PWR CABLE ASM 1
96 401-33060 XY BEAR AMP PWR-FG WIRE ASM 1
97 401-33142 T AXIS MOTOR BP 1
98 401-33141 Z AXIS MOTOR 1
99
#02
401-33142 T AXIS MOTOR BP 1
100
#03
401-33143 T AXIS MOTOR AK 1
101
#02
401-33141 Z AXIS MOTOR 1
102 401-29302 NF-SW WIRE ASM 1
103
#04
401-29669 TRANSFORMER(MULTIPLE INPUT) 1
104
#05
401-58135 TRANSFORMER(MULTIPLE INPUT) 1
105 401-28957 TF34-EU BTM WIRE ASM 1
106
#04
400-48006 ATX PSU 1
107
#05
EZ-1468979-11 POWER (ENSP-300P-S20-11S) 1
108
#04
401-29625 CPCI BACK BOARD 6SLOT 1
109
#05
401-72512 CPCI BACK BOARD 6SLOT 1
110
#06
401-33142 T AXIS MOTOR BP 1
111
#07
401-33143 T AXIS MOTOR AK 1

- -
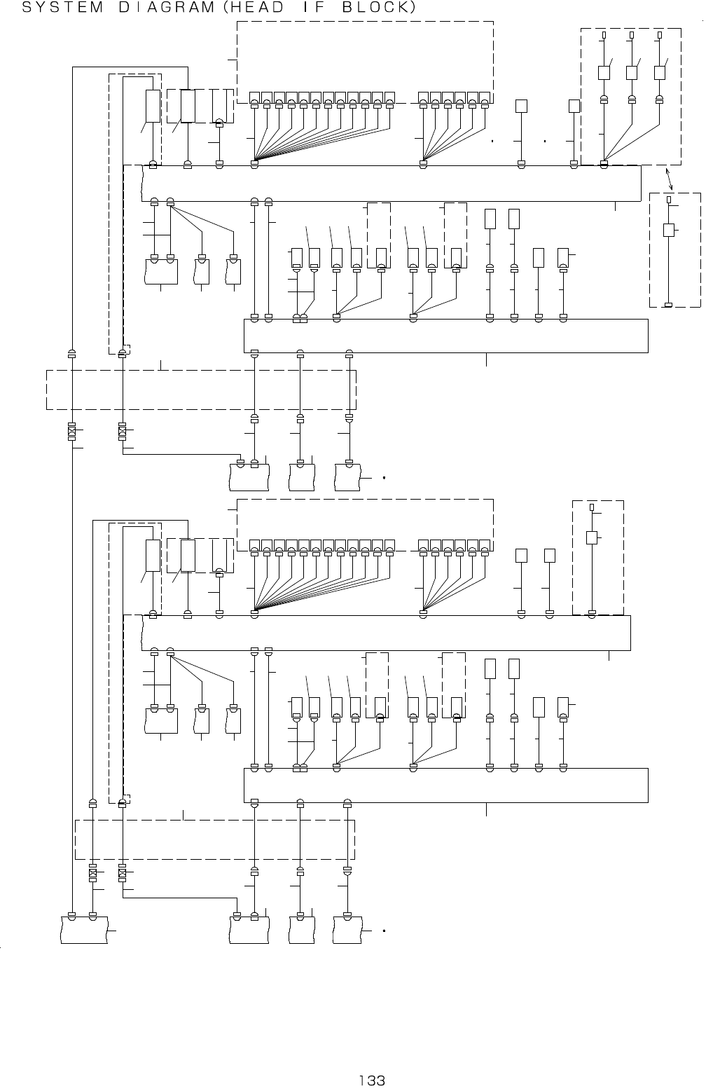
67.SYSTEM DIAGRAM(HEAD IF BLOCK)
V A C U U M
U N I T
V A C U U M U N I T
F I B E R
F I B E R
F I B E R
Z 2 S E N S O R
Z 3 S E N S O R
Z 4 S E N S O R
Z 5 S E N S O R
Z 6 S E N S O R
Z 1 S E N S O R
Z 2 S E N S O R
Z 3 S E N S O R
Z 4 S E N S O R
Z 5 S E N S O R
Z 6 S E N S O R
Z 1 S E N S O R
Z 6 V
Z 5 V
Z 4 V
Z 3 V
Z 2 V
Z 1 V
Z 6 B
Z 5 B
Z 4 B
Z 3 B
Z 1 B
Z 2 B
Z 6 V
Z 5 V
Z 4 V
Z 3 V
Z 2 V
Z 1 V
Z 6 B
Z 5 B
Z 4 B
Z 3 B
Z 1 B
Z 2 B
L N C - 3
O P T I O N ( S O L D E R R E C )
O P T I O N ( S O L D E R R E C )
O C C R
O C C L
O C C R
O C C L
3 - 1 B
2 - 1 B
2 - 3 B
1 -2 D
3 - 1 C
2 - 1 B
2 - 3 B
1 -3 D
3 - 1 A
2 - 1 B
2 - 3 B
1 -3 D
5 - 1 A
1 -3 D
1 - 4 D1 - 4 B
1 - 5 C
1 - 5 C
1 - 4 C
1 - 5 A
1 - 5 A
1 - 4 A
3 n o z z l e s
O P T I O N ( SO L D E R R E C )
O P T I O N ( SO L D E R R E C )
C N 0 6 3 2
O C C - O 2
O C C - A 2
O C C - C 2
O C C - O 1
O C C - A 1
O C C - C 1
C N 0 6 3 2
O C C - O 2
O C C - A 2
O C C - C 2
O C C - O 1
O C C - A 1
O C C - C 1
C N 0 6 11 B
C N 1 1 B
C N 0 6 11 B
C N 11 B
C N 0 3 0 6
C N 0 4 0 6
E P V
L N C
E P V - 1
L N C - 1
C N 0 4 1 1
C N 0 3 1 0
C N 0 0 6 1
C N 0 6 1 4
C N 0 6 0 1
C N 0 6 1 0
X Y B E A R
C A B L E S
A S M 2 ( R )
L A N 4
C N 0 0 0 4
E L E C T R I C A L U N I T
< T O P U N I T >
C N 4
C N 6
I O C O N T R O L P C B
C N 0 7 0 4
C N 4
I L L U M IN A T I O N
U N I T
P O W E R
E T H E RE N C
E T H E R
Z T A C N 5
Z T B C N 5
Z T C C N 5
Z T A C N 6
C N 0 7 1 7
C N 0 7 0 1
C N 0 7 1 3
C N 0 7 0 3
C N 1 3
C N 3
C N 0 6 1 5
C N 0 6 0 3
C N 6
T 3 O R I G I N
S E N S O R
C N 0 7 4 1
T 2 O R I G I N
S E N S O R
C N 0 7 4 0
T 1 O R IG I N
S E N S O R
C N 0 7 3 9C N 0 7 0 7
C N 7
N O Z Z L E
U P
S E N S O R
C N 0 7 0 9
N O Z Z L E
U P
S E N S O R
C N 9
C N 0 7 0 8
C N 1 5
Z 6 V A C U U M S E N S O R ( 6 n o z z l e )
U N U S E D ( 3 n o z z l e )
Z 5 V A C U U M S E NS O R ( 6 n o z z l e s )
Z 3 V A C U U M S E NS O R ( 3 n o z z l e s )
Z 4 V A C U U M S E NS O R ( 6 n o z z l e s )
U N U S E D ( 3 n o z z le s )
Z 3 V A C U U M S E NS O R ( 6 n o z z l e s )
Z 2 V A C U U M S E NS O R ( 3 n o z z l e s )
Z 2 V A C U U M S E NS O R ( 6 n o z z l e s )
U N U S E D ( 3 n o z z le s )
C N 0 7 1 5
Z 1 V A C U U M S E NS O R ( 6 n o z z l e s )
Z 1 V A C U U M S E NS O R ( 3 n o z z l e s )
C N 8
Z 6 V A C U U M S . V. ( 6 n o z z l e s )
U N U S E D ( 3 n o z z le s )
Z 5 V A C U U M S . V . ( 6n o zz l e s )
Z 3 V A C U U M S . V . ( 3n o zz l e s )
Z 4 V A C U U M
S . V . ( 6 n o z z l e s)
U N U S E D ( 3 n o z z le s )
Z 3 V A C U U M S . V . ( 6n o zz l e s )
Z 2 V A C U U M S . V . ( 3n o zz l e s )
Z 2 V A C U U M S . V. ( 6 n o z z l e s )
U N U S E D ( 3 n o z z le s )
Z 1 V A C U U M S . V . ( 6n o zz l e s )
Z 1 V A C U U M S . V . ( 3n o zz l e s )
Z 6 B L O W S . V . (6 n o z z l e s )
U N U S E D ( 3 n o z z le s )
Z 5 B L O W S .V . ( 6 n o z z le s )
Z 3 B L O W S .V . ( 3 n o z z le s )
Z 4 B L O W S . V . (6 n o z z l e s )
U N U S E D ( 3 n o z z le s )
Z 3 B L O W S .V . ( 6 n o z z le s )
Z 2 B L O W S .V . ( 3 n o z z le s )
Z 2 B L O W . V . ( 6n o z z l e s )
U N U S E D ( 3 n o z z le s )
C N 0 7 10
Z 1 B L O W S .V . ( 6 n o z z le s )
Z 1 B L O W S V( 3 n o z z l e s)
C N 1
C N 0 6 0 6
C N 0 6 0 7
T H E R M A L
S E N S O R
P C B ( R )
N Z L U P S . V.
H M S ( R R )
C N 0 6 3 1C N 0 6 0 9
H M S ( R L )
C N 0 6 3 0C N 0 6 0 8
C N 0 6 1 3
O C C O
P C B ( R R )
O C C A
P C B ( R R )
O C C C
P C B ( R R )
C N 0 6 1 2
O C C O
P C B ( R L )
O C C A
P C B ( R L )
O C C ( R L )
O C C ( R R )
O C C C
P C B ( R L )
C N 0 6 11 A
C N 6
C N 7
C N 9
C N 8
C N 4
L N C 1 20 ( R )
C N 5
Z T C S E R V O
D R I V E R ( R )
C N 5
Z T B S E R V O
D R I V E R ( R )
C N 6
C N 2
( D O W N )
I P - X 1 1 P C B
C N 3
C N 5
C N 1 3
C N 1 2
C N 1 0
C N 1 1 A
C N 10
C N 1 4
C N 5
C N 1 7
H E A D R E L A Y
P C B ( R )
H E A D M A I N
P C B ( R )
C N 1
E N C
C N 5
E P V1 2 0 ( R )
Z T A S E R V O
D R I V E R ( R )
C N 0 3 0 2
C N 0 4 0 5
E P V
L N C
E P V - 1
L N C - 1
C N 0 4 10
C N 0 3 0 9
C N 0 0 6 0
C N 0 6 1 4
C N 0 6 0 1
C N 0 6 1 0
X Y B EA R
C A B L ES
A S M 2 (F )
L A N 3
C P U B O A R D
C N 0 0 0 5
E L E C T R I C A L U N I T
< T O P U N I T >
C N 5
C N 2
I O C O N T R O L P C B
C N 0 7 0 4
C N 4
I L L U M I N A T I O N
U N I T
P O W E R
E T H E RE N C
E T H E R
Z T A C N 5
Z T B C N 5
Z T C C N 5
Z T A C N 6
C N 0 7 1 7
C N 0 7 01
C N 0 7 1 3
C N 0 7 0 3
C N 1 3
C N 3
C N 0 6 1 5
C N 0 6 0 3
C N 6
N O Z Z L E U P
S E N S O R
C N 0 7 0 9
N O Z Z L E U P
S E N S O R
C N 9
C N 0 7 0 8
C N 1 5
Z 6 V A C U U M
S E N S O R
Z 5 V A C U U M
S E N S O R
Z 4 V A C U U M
S E N S O R
Z 3 V A C U U M
S E N S O R
Z 2 V A C U U M
S E N S O R
C N 0 7 1 5
Z 1 V A C U U M
S E N S O R
C N 8
Z 6 V A C U U M S . V .
Z 5 V A C U U M S . V .
Z 4 V A C U U M S . V .
Z 3 V A C U U M S . V .
Z 2 V A C U U M S . V .
Z 1 V A C U U M S . V .
Z 6 B L O W S . V .
Z 5 B L O W S . V .
Z 4 B L O W S . V .
Z 3 B L O W S . V .
Z 2 B L O W S . V .
C N 07 1 0
Z 1 B L O W S . V.C N 1
C N 0 6 0 6
C N 0 6 0 7
T H E R M A L
S E N S O R
P C B ( F )
N Z L U P S . V .
H M S ( F R )
C N 0 6 3 1C N 0 6 0 9
H M S ( F L )
C N 0 6 3 0C N 0 6 0 8
C N 0 6 1 3
O C C O
P C B ( F R )
O C C A
P C B ( F R )
O C C C
P C B ( F R )
C N 0 6 1 2
O C C O
P C B ( F L )
O C C A
P C B ( F L )
O C C ( F L )
O C C ( F R )
O C C C
P C B ( F L )
C N 0 6 11 A
C N 6
C N 7
C N 9
C N 8
C N 4
L N C 1 2 0 ( F )
C N 5
Z T C S E R V O
D R I V E R ( F )
C N 5
Z T B S E R V O
D R I V E R ( F )
C N 5
C N 2
( U P)
I P - X 1 1 P C B
C N 3
C N 5
C N 1 3
C N 1 2
C N 10
C N 11 A
C N 1 0
C N 1 4
C N 5
C N 1 7
H E A D R E L A Y
P C B ( F )
H E A D M A I N
P C B ( F )
C N 1
E N C
C N 5
E P V 1 2 0 ( F)
Z T A S E R V O
D R I V E R ( F )
1
3
22
3
4
5 6
7 8
9 1 0 1 1
1 2
1 3 1 3 1 3
1 5
1 4
2 0
2 1
2 2
2 3
2 5
2 4
2 4 2 6 2 7
2 8
3 9
2 6 2 7
2 8
3 2
3 0 3 1
3 2
3 3 3 4
3 5
3 83 73 6
1 9
1 7 1 8
1 6
2
3
2
3
4
4 2
5
4 3
6
4 4
7 8
1 2
1 5
1 4
1 3 1 31 3
2 0
2 1
2 3
2 2
2 4
2 4 2 6 2 7
2 8
2 5
2 6 2 7
2 8
3 2 3 2
3 0 3 1 3 3 3 4
3 5
2 9
5 0
1 6
1 7 1 8
1 9
3 6
5 0
3 7
4 0 4 1 4 5 4 6
4 7
4 9
4 8 4 8 4 8
4 9 4 9
2 9
L N C - 3
E P V 1 2 0 O P T I ON ( F )
F I B E R
6 n o z z l es _ 6 R
T 3 O R I G I N S E N S OR
C N 0 7 07
C N 7
E P V1 2 0 O P T I O N (R )
5 1
5 2
5 2
5 1
C N 0 7 0 7
T 3 O RI G I N S E N S O R
6 n o z z l e s _ 6 R
F I B E R