RX-6_RX-6B_RX-6R-Rev08 - 第145页
- - REF .NO NO TE PA RT NO D E S C R I P T I O N Qt y 1 4 01 -3 3294 IP- X1 1 SE T GEN ASM 1 2 E 9 623-7 2 1-0 00 PO RTR AIT MON IT OR C AB LE 1 3 #0 2 400 -4 8030 UP S 23 2C CA BLE AS M 1 4 #0 3 401 -5 8157 AT X 2 32C…

- -
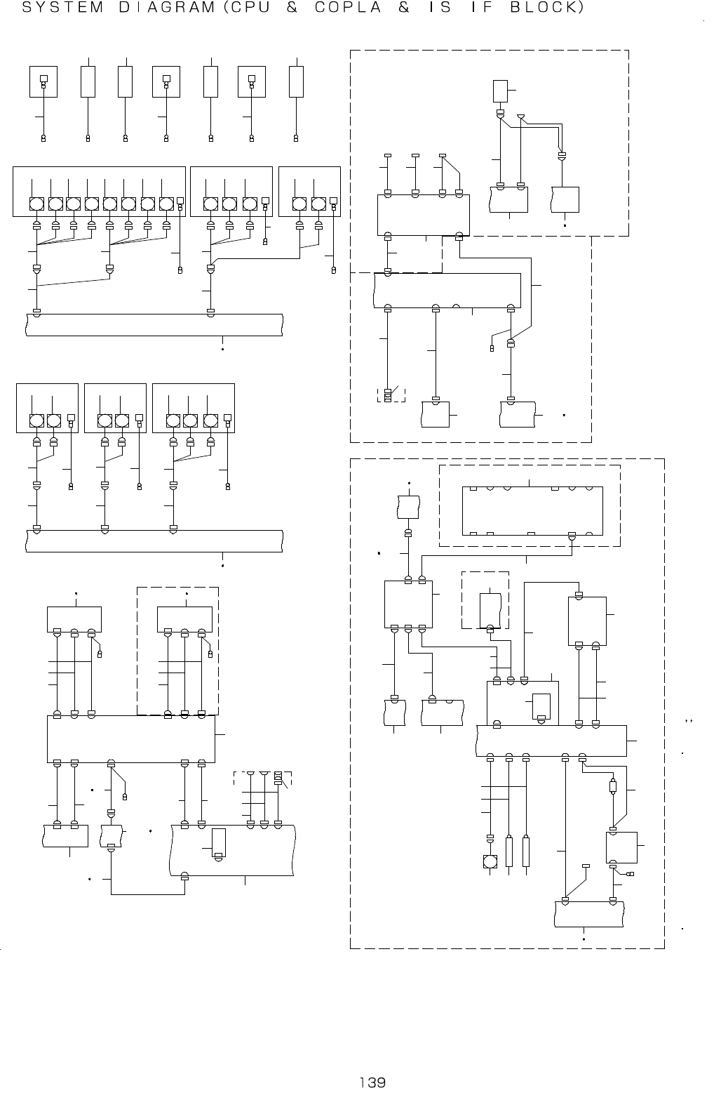
70.SYSTEM DIAGRAM(CPU & COPLA & IS IF BLOCK)
N O T E 1 T H I S C O N N EC T I O N C H A N G E W I T H I F S - N X R F I D S P E C I F I CA T I O N
F A N
C P - C P L - O U TC P - C P L - I N
F G
F G
I N - D C 1 2 V
5 - 4 D
5 - 1A
5 - 3 C
1- 2 D
5 - 4 C
5 - 1 D
5 - 4 B
5 - 3 B
5 - 4 A
4 - 1 D
4 - 4 B
5 - 4 C
1 -3 D
5 - 3 C
5 -1 B
5 - 2 C
2 - 1 A
C P U R S 2 3 2 C
R T R P W R
E
S H I E L D
T U B E R R
E
F G
R B L - E
E
F G
R B L C O V E R
S H I E L D
T U B E R L
E
F G
R B R - E
E
F G
R B R C O V E R
S H I E L D
T U B E F R
E
F G
S H I E L D
T U B E F L
E
F G
F B R - E
E
F G
F B R C O V E R
C T R L - F G
F A N
F A N
E
F G
C O N T R O L U N I T
T O P C O V E R
C T R L F A N 2
C T R L F A N 1
F A N
F A N
F A N 4
F A N 3
F A N
F A N
F A N 2
FA N 1C N 0 0 6 1
F A N
F A N
F A N 4
F A N 3
T O P C V - F G
F A N
F A N
E
F G
T O P C O V E R
F A N 2
FA N 1C N 0 0 6 2
C N 0 0 3 6
C N 3 6
F A N
F A N 3
R S C V - F G
F A N
F A N
E
F G
R S I D E
B O T T O M C O V E R
F A N 2
FA N 1C N 0 0 5 8C N 0 0 2 2
C N 2 2
F A N
D C F A N
F A N 3
L S C V - F G
F A N
F A N
E
F G
L S I D E B O T T O M
C O V E R
D C F A N
F A N 2
F A N1C N 0 0 5 7
D C F A N
C N 0 02 1
CN 2 1
F C V - F G
R C V - F G
F A N
F A N
E
F G
R E A R B O T T O M
C O V E R
D C F A N
F A N 2
F A N1C N 0 0 5 6
D C F A N
C N 0 0 2 4
C N 2 4
F A N
F A N
E
F G
F R O N T B O T T O M
C O V E R
D C F A N
F A N 2
F A N1C N 0 0 5 5
D C F A N
C N 0 0 2 3
C N 2 3
E L E C T R I C A L U N I T
< T O P U N I T >
C N 0 05 4
F G
C P - C P L
( 2 0 A )
F A N
O P T I O N ( R E A R M O N I T O R )
A V 2A V 2
A V 1A V 1
C P U
C N 5 4
S E E 5 - 2 A
P S C - C N 5 1
C N 0 0 1 1
P S C- C N 1
C N 1 C N 5 1
C O P L A P S U
CN 1 1
B K - C N 1
BK - C N 1 1
C N 1
C N 1 1
M S P S
A T X - C N 3
B K - C N 4
B K - C N 6
B K - C N 9
B K - C N 8
B K - C N 2
P I L O T L A M P R
P I L O T L A M P F
C N 8
C N 9
C O P L A
F A N
C N 2
C N 4
C N 6
S U P ER I M P O S E B O A R D
A V 2
1 2 V I N
A V 1
1 2 V O U T
R S 2 3 2 2
D V I O U T 2
1 2 V O U T
R S 2 3 2 1
R S 2 3 2 P C
D V I O U T 1
D V I I N
L A N 3
L A N 2
C O P L A N A R I T Y
S E N S O R H E A D
E N C O D E R
P O W E R E T H E R N E T
D V I -DCN 1 0
C N 3
C O P L A C P U
B O A R D
D V I
C P U
B O AR D
S I O3
R S 2 3 2 C
B O A R D
C N 8 R S 2 3 2 C
C O P L A
M O N I T O R
S W I T C H
B O A R D
4 0 0 9 7 4 3 4
C N1
C N 8
C N 4
C N 2
C O V E R
IS
L A N 1
U S B
NO T E 1
U S B C H 2
U S B C H 1
S U P E R I M P OS E
B O A R D
C O M 2
A V 2
A T X - C N 5
A T X U N IT
1 2 V I N
A V 1
C N 8
NT S C 1
N T S C 0
I P - X 1 1 P C B
E
1 2 V O U T
O U T - D C 1 2 V R L C D - P W R
P O W E R
R L C D 2 3 2 C
R S 2 3 2 CR S 2 3 2 2
R S O U T 2
L CD
M O N I T O R ( R )
D V I O U T 2
D V I O U T 2 L C D R
D V I - D
E
1 2 V O U T
O U T - D C 1 2 V F L C D - P W R
P O W E R
F L C D 2 3 2 C
R S 2 3 2 CR S 2 3 2 1
R S O U T 1
L CD
M O N I T O R ( F )
R S - P C 1
R S 2 3 2 P C
C N 0 1 0 2
C O M 1
S S D
C PU B O A R D
D V I O U T 1
D V I O U T 1 L C D F
D V I - D
D V I I N
D V I I ND V I - D
1 4
1 2
1 3
1 7
1 5
1 6
1 8 1 9
1 8 1 9
2
2
1
3 4
5 6
8
9 1 9 2
7
9 3
9
9
1 0
1 1
4 9
4 8
6 8 7 1 7 4
6 9
7 0
7 2
7 3
7 5
7 6
7 7
7 7
7 77 7
7 7
7 7
7 7
3 1 3 2
3 1 3 2
7 8
7 9
E L E C T R I C A L U N I T
< T O P U N I T >
7 9
8 0
8 1
8 2
8 3
8 4
DC F A N
7 7
DC F A N
7 7
DC F A N
7 7
DC F A N
7 7
DC F A N
7 7
DC F A N
7 7
DC F A N
7 7
DC F A N
7 7
DC F A N
7 7
DC F A N
7 7
DC F A N
7 7
DC F A N
7 7
DC F A N
7 7
8 5 8 5 8 9
8 6 8 7 8 8 9 0
2 2
2 1
2 3
9 4 2 0 2 0
E L E C TR I C A L U N I T
< T O P U N I T >
3 1 3 2
O P T I O N ( C O P L A N A R I T Y )
2 6
2 5
2 9
2 7
C O P L A C P U
B A C K B O A R D
3 5
3 6
4 0
4 6 4 7
2 4
4 5
2 8
3 3 3 4
3 8
4 1
4 3 4 4
4 2
A T X U N I T
5 0 6 6 6 7
6 4
5 1
5 2
5 8
6 0 6 1 6 2
5 4
5 7
5 3
5 5 5 6
5 9
6 5
6 3
9 6
3 0
3 - 2 B
H U B B O X A S M O P T I O N
6 - 1 C
5 - 1 D
F G
C N 0 0 0 8
R F I D _ P W R
C N 8
E L E C T R I C A L U N I T
< T O P U N I T >
5 - 2 C
C O V E R
I S
C N 1 7 5 7 ( R )
C N 1 7 5 7 ( F )
C N 1 0 9 7
C H 4
C H 3
C H 2
C H 1
E T H E RE S - H U B
5 - 3 C
5 - 2 C
5 - 2 C
X 2L A N
B R ( R )
B R ( F )
1 - 1 C ( I S )
3 - 3 B ( C N 1 7 5 7 )
3 - 3 A ( C N 1 7 5 7 )
A T X - 6C N 6
S I 0 2
S I 0 1
B A R C O D E
R E A D E R
A T X U N I T
S I O 2
S I O 1
R S 2 3 2 C
B O A R D
D C I N P U T
D C I N P U T
C H 2
C H 1
C H 4
C H 3
E T H ER N E T
M P C - 4 C
X 4
S W I T C H I N G H U B
X 2
X 1 X 5
L A N 1
C P U B O A R D
O P T I O N ( I F S - N X R F I D )
N O T E 2 T H E S E P / N C H A N G E S W I T H M A C H I N E R E V I S I O N .
" [ M R E V . C ] " R X - 6 M A C H I N E R E V I S I O N : B E F O R E " C "
" [ M R E V . D ] " R X - 6 M A C H I N E R E V I S I O N : " D "
X 3
S W I T C H I N G H U B
5 - 4 C
L A N 4
SS D
3 6
3 7
3 9
9 7
9 5
H U B B O X A S M O P T I O N

- -
REF.NO NOTE PART NO D E S C R I P T I O N Qty
1 401-33294 IP-X11 SET GEN ASM 1
2 E9623-721-000 PORTRAIT MONITOR CABLE 1
3
#02
400-48030 UPS 232C CABLE ASM 1
4
#03
401-58157 ATX 232C CABLE ASM2 1
5
#02
401-29086 ATX-SPIMP PWR CABLE ASM 1
6
#03
401-58146 ATX-SPIMP PWR CABLE ASM2 1
7 401-29881 ENVIRONMENT SYSTEM DISK ASM (RX6 SSD MES) 1
8 401-29644 DVI CABLE 1M 1
9 HW-002 2600-40 SHIELDED CABLE 1
10 HW-0018100-80 LAN CABLE 1
11 401-29641 SUPER IMPOSE BOARD 1
12 401-29642 DVI CABLE L2.5M 1
13 401-29084 SPIMP-F LCD SERIAL CABLE ASM 1
14 401-29085 SPIMP-F LCD PWR CABLE ASM 1
15 401-29643 DVI CABLE L4.0M 1
16 401-29087 SPIMP-R LCD SERIAL CABLE ASM 1
17 401-29088 SPIMP-R LCD PWR CABLE ASM 1
18
#02
401-22812 15INCH LCD MO NITOR 1
19
#03
401-58158 15INCH LCD MO NITOR 1
20 400-99903 PILOT LAMP 1
21 401-33049 FAN MOTOR RLY CABLE ASM 1
22 401-33039 PILOT LAMP CABLE F ASM 1
23 401-33040 PILOT LAMP CABLE R ASM 1
24 400-97422 COPLANARITY SENSOR 1
25 401-33037 OPTION PWR CABLE ASM 1
26 401-33065 COPLA INPUT RLY CABLE ASM 1
27 HX-0070500-00 POWER SUPPLY 1
28 401-60224 COPLA SSD ASM (WIN7) 1
29 401-33066 COPLA CPU PWR CABLE ASM 1
30 401-32990 COPLA CPU BACKBOARD PCB ASM 1
31 401-27537 PSU_UNIT_B(ST) 1
32
#01
401-27563 PSU_UNIT_B(EN) 1
33 401-29626 RS232C BOARD 1
34 401-23242 CPU BOARD 1
35 401-33047 MONITOR SW COM CABLE ASM 1
36 401-29644 DVI CABLE 1M 1
37 401-02830 LAN CABLE(CAT6) 1
38 401-23242 CPU BOARD 1
39 401-02830 LAN CABLE(CAT6) 1
40 401-33042 COPLA PWR CABLE ASM 1
41 401-33043 COPLA ENC CABLE ASM 1
42 401-29641 SUPER IMPOSE BOARD 1
43
#02
400-48006 ATX PSU 1
44
#03
EZ-1468979-11 POWER (ENSP-300P-S20-11S) 1
45 400-97434 COPLA MONITOR SWITCH BOARD 1
46
#02
401-33046 DVI CHANGER PWR CABLE ASM 1
47
#03
401-58156 DVI CHANGER PWR CABLE ASM2 1
48 HK-0651200-80 MODULAR KAPLA 1
49 401-29136 CPU-SP IMP SERIAL CABLE ASM 1
50 401-23242 CPU BOARD 1
51 401-29282 RFID LAN CABLE (1.8M) ASM 1
52 401-29125 EU TOP-HUB PWR WIRE ASM(IS) 1
53 401-29626 RS232C BOARD 1
54 401-29129 BARCODE READER CABLE ASM 1
55
#02
400-48006 ATX PSU 1
56
#03
EZ-1468979-11 POWER (ENSP-300P-S20-11S) 1
57 400-73033 SWITCHING HUB 1
58 400-72813 MPC RJ45 CABL E ASM 1
59 400-73032 4 PORT MPC 1
60 401-29127 HUB-F RFID SERIAL WIRE ASM(IS) 1
61 401-29128 HUB-R RFID SERIAL WIRE ASM(IS) 1
62 401-29126 HUB-MTS SERIAL WIRE ASM(IS) 1
63 401-29283 MPC POWER CABLE ASM 1
64 HW-0018100-80 LAN CABLE 1
65 HK-0651200-80 MODULAR KAPLA 1
66 401-27537 PSU_UNIT_B(ST) 1
67
#01
401-27563 PSU_UNIT_B(EN) 1
68 401-29089 EU TOP-F COVER FAN CABLE ASM 1
69 401-29093 F COVER FAN CABLE ASM 1
70
#01
401-29142 FRONT BOTTOM COVER FG WIRE ASM 1
71 401-29090 EU TOP-R COVER FAN CABLE ASM 1
72 401-29154 R COVER FAN CABLE ASM 1
73
#01
401-29143 REAR BOTTOM COVER FG WIRE ASM 1
74 401-29091 EU TOP-BASE L FAN CABL E ASM 1
75 401-29094 BASE L FAN CABLE ASM 1
76
#01
401-29144 L SIDE BOTTOM COVER F G WIRE ASM(EN) 1
77 401-29141 DC FAN ASM 1
78 401-29284 TOP COVER FAN RELAY CABLE ASM 1
79 401-29098 TOP COVER FAN CABLE ASM 1
80
#01
401-29147 TOP COVER FG WIRE ASM (EN) 1
81 401-29092 EU TOP-BASE R FAN CABLE ASM 1
82 401-29095 BASE R FAN CABLE ASM 1
83
#01
401-29145 R SIDE BOTTOM COVER FG WIRE ASM(EN) 1
84
#01
401-29146 CONTROL UNIT FG WIRE ASM (EN) 1
85
#01
401-29300 FBR/RBR COVER E WIRE ASM(EN) 1
86
#01
401-29295 SHIELD TUBE FL WIRE ASM(EN) 1
87
#01
401-29296 SHIELD TUBE FR WIRE ASM(EN) 1
88
#01
401-29297 SHIELD TUBE RL WIRE ASM(EN) 1
89
#01
401-29299 RBL COVER FG WIRE ASM(EN) 1
90
#01
401-29298 SHIELD TUBE RR WIRE ASM(EN) 1
91
#02
400-48006 ATX PSU 1
92
#03
EZ-1468979-11 POWER (ENSP-300P-S20-11S) 1
93 401-23242 CPU BOARD 1
94 401-33048 FAN MOTOR ASM 1
95 401-29642 DVI CABLE L2.5M 1
96 HX-0061000-00 BARCODE READER 1
97 400-73033 SWITCHING HUB 1

- -
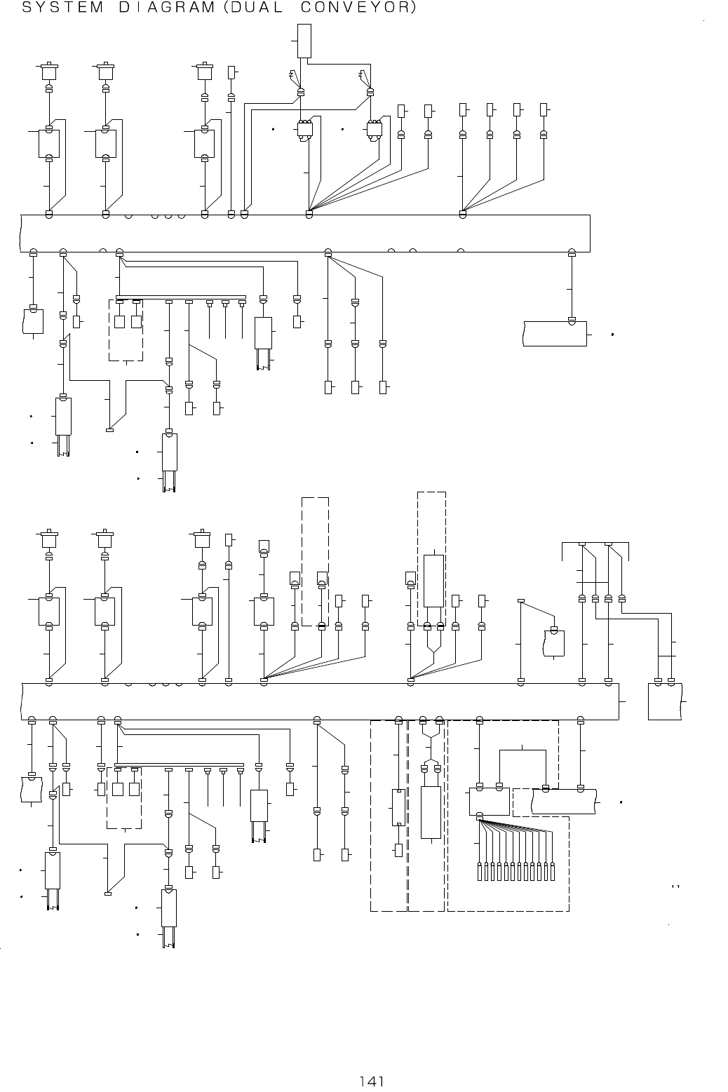
71.SYSTEM DIAGRAM(DUAL CONVEYOR)
C N 1 1 6 5 S
CN 1 1 7 2 S
6 - 4 A ( CN 1 1 1 5 )
N O T E1
CN 1 1 7 2 P
C N 1 1 6 5 P
C N 1 0 6 5 S
N O T E 1 T H E S E P / N C H A N G E S W I T H M A C H I N E R E V I S I O N ( D U A L L A N E C O N V E Y O R O N L Y ) .
" [ M R E V . K ] " M A C H I N E R E V I S I O N : B E F O R E " K "
" [ M R E V . L ] " M A C H I N E R E V I S I O N : " L "
C N 1 5
N O T E 1
6 -2 A ( C N 1 0 1 5 )
NO T E 1
CN 1 0 6 8
S T O P S E N S O R
A M P ( C )
NO T E 1
CN 1 0 1 5
C N 1 5
L O A D C E L L O P T I O N
4 - 2 D
C N 1 1 2 1
C N 2 1
C L U T C H B R A K E
CN 1 1 7 7
CN 1 1 7 6
B U P I N DE T E C T S E N S O R
R A I L 3 ( E MI )
B U P I N DE T E C T S E N S O R
R A I L 3 ( R EC )
CN 1 1 8 0
C N 1 1 7 8
S T O P P E R S E NS O R R R ( R A I L 4 )
S T OP P E R S E N S O R R L ( R A I L 3 )
S T O P P E R S E NS O R F R( R A I L 2 )
C N 1 0 9 7
S T O P P E R S E N S O R F L ( R A I L 1 )
C N 1 0 6 2
CN 1 1 8 6
C N1 1 7 5
C N1 1 7 4
C N1 1 7 3
C N 1 0 8 6C N 1 0 7 4
CN 1 0 7 3
R A I L L O C K
D E T E C T S E N S O R
6 - 2 D
CN 1 1 6 4
R A I L 4 O T + S E N S O R
6 - 1 D
6 - 1 A
C N1 1 7 8- 2
C N 1 1 7 8 - 1
C N 1 2
C N2 0
C N 1 7
C O N V E Y O R P C B ( R )
C N 2 6
CN 1 1 2 6
R A I L 3 O T +
S E N S O R
B O A R D C L A M P
S E N S O R ( R )
C N 2 5
C N 1 12 5
C N 1 1 9 7
C N 1 1 6 2
C N 2 4
C N 1 12 4
B U + O T R
B U O T + S E N S O R
CN 1 1 6 8
B U P I N D E T EC T S E N S O R
R A I L 4 ( E M I )
C N1 1 9 9
B U P I N D E T EC T S E N S O R
R A I L 4 ( R E C )
C N1 1 9 8
S T O P P E R L / R
S . V . ( R )
B O A R D C L A M P
S . V . ( R )
CN 1 1 7 8
C N 1 4
C N3 0
CN 1 1 3 0
B U O R G R
CN 1 1 2 9
C N 2 9
C N 2
C N 1 1 0 2
C N 4
C N 1 1 0 4 C N 1 1 5 7
C N1 C N 2
CN 1 1 5 8 CN 1 1 5 9
A W C M O T O R ( R )
C N 7
CN 11
C N 8
C N 6
C N 3 1
C N 1 1 0 6 C N 1 1 5 2
C N1 C N 2
C N 1 1 5 3 C N 1 1 6 1
B U M O T O R ( R )
C N 1 13 1 C N 1 1 50
C N1 C N 2
CN 1 11 8
C N 1 8
CN 1 1 2 8
C N 2 8
CN 1 1 51 C N 1 1 6 0
C N V M O T O R ( R )
C N 0 3 0 7
C N 0 01 3
E L E C T R I C A L U N I T
< T O P U N I T >
C N 1 3
C N 7
IO C O N T R OL P C B
CN 1 0 6 4
R A I L 2 O T - S E N S O R
CN 1 1 1 6
CN 1 1 1 9
6 - 4 A
C N 1 6
C N 1 9
C O N V E Y O R P C B ( R )
C N 1 1 9 6
C N 1 1 9 5
S M E M A
S M E M A
4 - 2 D
6 - 4 D
5 - 3 D
A T C S V
S O T S V
A T C S V
C A L V A C
C N 1 0 7 8 - 8 S M E MA
C N 1 07 8 -7 D I R
C N1 0 7 8 - 6 I D L E
C N 1 0 7 8 - 5
C N 1 0 7 8 - 4
C N 1 0 7 8 - 2
C N 1 0 7 8 - 1
CN 1 0 9 6
CN 1 0 9 5
O P T I O N ( S L I D E F L U X E R F O R F R O N T B A S E )
F L U X E R 2 P
F L U X E R 4 P
S L I D E F L U X E R
U N I T A S M
CN 1 0 2 0
F L U X E R 2 P
C N 1 0 2 1
F L U X E R 4 P
C N 1 0 1 2
L C A M P
O P TI O N ( S O T C HE C K )
O P T I O N ( S L I D E F L U X E R F O R R E A R B AS E )
OP T I O N ( C O M P O N E N T V E R I F IC A T I O N S Y S T E M )
L O A D C E L L
L O AD C E L L
A M P
C N 1 2
CN 2 1
C N 2 0
S L I D E F L U X E R
U N I T A S M
C N 1 0 1 7
C N 1 7
C N 2
C V S 0 2
C O N V E Y O R P C B ( F )
C N 0 0 0 3
C N 3
C N 1 6
CN 1 0 1 6
C N 1 9
CN 1 0 1 9
S M E M A R S I D E
S M E M A L S I D E
1 - 1 C ( M T S I F )
C O V E R
MT S I F
C N 2 3
CN 1 0 2 3
C N 1 2 1 5
CN 1 5
S A F E T Y P C B
C N 2 6
C N 1 0 2 6
R A I L 3 O T -
S E N S O R
B O A R D C L A M P
S E N S O R ( F )
C N 2 5
CN 1 0 2 5
A T C 1 C L O S E S E N S O R
C N 1 08 8
A T C 1 O P E N S E N S O R
C N 1 08 7
C N 1 08 9
AT C 1 S . V .
C N 2 4
CN 1 0 2 4
C N 1 08 8
A T C 2 C L O S E S E N S O R
C N 1 08 7
A T C 2 O P E N S E N S O R
CN 1 0 8 3
S O T C H E C K S . V .
CA L V A C U U M S . V .
C N 1 08 2
C N 1 C N 2
C N 1 09 5
C A L L E D
P C B
CN 1 08 1
AT C 2 S . V .
B U + O T F
B U O T + S E N S O R
B U P I N D E T E C T S E N S O R
R A I L 2 ( EM I )
C N 1 0 9 9
B U P I N D E T E C T S E N S O R
R A I L 2 ( RE C )
C N 1 0 9 8
C N 1 0 7 2 P
S T O P P E R L / R
S . V . ( F )
B O A R D C L A M P
S . V . ( F )
C N1 0 7 8
CN 1 4
CN 1 01 4
CN 1 0 7 9
C N 3 0
CN 1 0 3 0
C A L V A C U U M S E N S O R
B U O R G F
B U O R G S E N S O R
C N 1 0 2 9
C N 2 9
C N 1 0 6 5 P
S I D E S E N S O R( R )
P R O B E 1 ( + )
P R O B E 1 ( - )
P R O B E 2 ( + )
P R O B E 2 ( - )
P R O B E 3 ( + )
P R O B E 3 ( - )
P R O B E 4 ( + )
P R O B E 4 ( - )
P R O B E 5 ( + )
P R O B E 5 ( - )
P R O B E 6 ( + )
C V S 0 3
C N 3 C N 1
C V S 0 1
CV S P C B
C N 2
CN 1 0 0 2
C N 4
CN 1 0 0 4 C N 1 0 5 7
C N 1 C N 2
C N 1 05 8
5 P H A S E A W C
D R I V E R ( F )
CN 1 0 5 9
A W C M O T O R ( F )
C N 7
C N 1 1
C N 8
C N 6
C N 3 1
CN 1 0 0 6 C N 1 05 2
C N 1 C N 2
C N1 0 5 3
5 P H A S E B U
D R I V E R ( F )
CN 1 0 6 1
B U M O T O R ( F )
CN 1 0 3 1 C N 10 5 0
C N 1 C N 2
P R O B E 6 ( - )
C N 1 0 1 8
CN 1 8
C N 2 8
C N 1 051
5 P H A S E C N V
D R I V E R ( F )
CN 1 0 6 0
C N V M O T O R ( F )
C N 0 0 1 6
E L E C T R I C A L
U N I T
< T O P U N IT >
C N 1 6
3 8
4 8 0
3 7 9
2
1
IO C O N T R O L P C B
C N 3
C N 0 3 0 3 C N 1 0 2 84 -1 A
6 - 4 A
5
8 1
6
8 2
7
8 9
S O L E N O I D V A L V E A S S Y 1 / 2
1 0
8 1
NO T E 1
C N 1 0 7 2 S
S I D E S E N S O R( L )
4 8 0
3 7 9
1 3
1 4 1 5
1 6
1 7 1 8 1 9
2 0
2 1
2 3
2 5
2 4
2 8
2 7
2 6
2 9
3 0
3 2
3 3
3 1
3 4
3 5 3 6
3 7
3 8
7 2
6 36 1
7 3
6 2
6 2
5 9
6 0
5 55 5
5 6
5 3
2 9
5 0
5 2
5 1
5 3 5 4
5 5 5 5
4 8
4 6
2 3
4 7
4 2
4 44 1
4 24 2
4 54 3
3 7 9
4 8 0
SI D E S E N S O R ( R )
N O T E 1
8 1
6 6
1
6 5
B U O R G S E N S O R
6
CN 11 1 5
8 3
6 7
1 0
S O L E N O I D V A L V E A S S Y 2 / 2
1 3 1 6
C N 1 1 7 8 - 5
C N 1 1 7 8 - 4
8 1
3 7 9
4 8 0
S I D E SE N S O R ( R )
6 96 8
2 2
C N 1 0 7 8 - 8 S M E M A
C N 1 07 8 - 7 D I R
1 7 1 8 1 9
CN 1 0 7 8 - 6 I D L E
8 4
2 0
8 4
S T O P S E N S O R
A M P ( C )
2 1
7 0
2 2 2 3 3 9
7 1
3 5 3 6
7 4
4 2
7 5
4 3
5 P H A S E C N V
D R I V E R ( R )
4 5
4 2
5 P H A S E C N V
D R I V E R ( R )
7 6
7 8
4 2
5 P H A S E C N V
D R I V E R ( R )
7 7
4 9
2 3
RE L A Y
1 1 1 2
6 4
1 1 1 2
RE L A Y
1 4 1 5
5 7
4 0
5 85 85 85 8
N O T E 1
N O T E1
NO T E 1
NO T E 1