P-0257-004 - 第21页
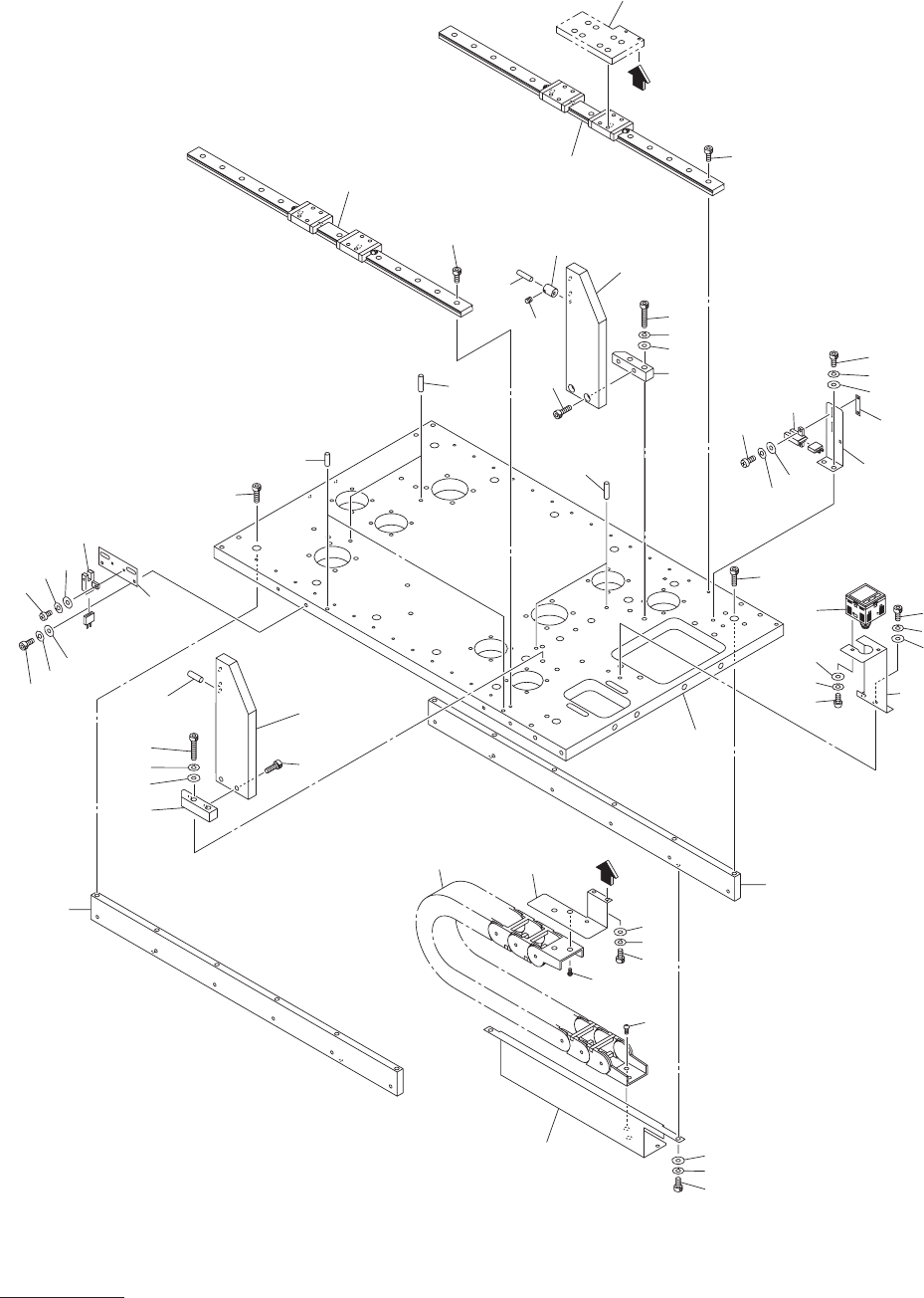
19 MODEL PXH-1 1006-003 Fig. E チャック部 CHUCK SECTION

MEMO

19
MODEL PXH-1
1006-003
Fig. E
チャック部
CHUCK SECTION

MODEL PXH-1
1006-003
20
66
See Fig.E-3
Key No.223
1
1
66
20
4
73
22
9
5
61
72
71
21
70
72
71
81
2
73
1 1
12
16
69
68
66
18
8
19
72
71
70
12
A
71
72
70
65
2
80
70
A
14
6
22
73
15
64
7
73
76
75
74
76
75
74
5
77
77
17
62
63
62
63
62
63
チャック部
CHUCK SECTION
Fig. E-1
搬送ベース支柱部
Transfer Base Support
( 手前基準)
(Front Reference)