P-0257-004 - 第25页
MODEL PXH-1 1006-003 23 Key No. P AR T No. P AR T NAME Q’ty REMARKS New Code NOTE E-1 1 6301425573 GUIDE,LINEAR 2 831E--1 10-001 222L0804 2 6300325287 SENSOR,PHOTO 2 B231,251 831E--1 10-002 23G10029 4 6300883886 PIN,LOCA…

MODEL PXH-1
1006-003
22
66
See Fig.E-3
Key No.223
1
1
66
4
73
5
72
71
81
2
73
1 1
12
69
68
66
18
8
19
72
71
70
12
A
70
A
5
17
22
15
64
73
76
75
74
22
6
20
73
76
75
74
14
7
77
77
9
61
72
71
21
70
62
63
80
62
63
16
71
72
70
65
2
62
63
チャック部
CHUCK SECTION
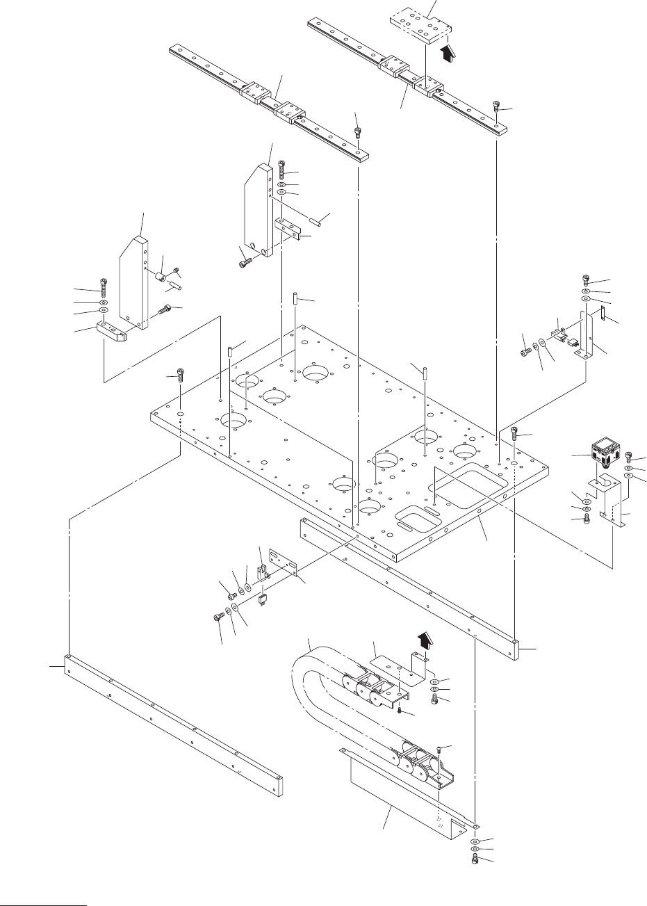
Fig. E-1
搬送ベース支柱部
Transfer Base Support
( 奥基準)
(Rear Reference)

MODEL PXH-1
1006-003
23
Key No. PART No. PART NAME Q’ty REMARKS New Code
NOTE
E-1
1 6301425573 GUIDE,LINEAR 2 831E--110-001 222L0804
2 6300325287 SENSOR,PHOTO 2 B231,251 831E--110-002 23G10029
4 6300883886 PIN,LOCATE 2 831E--110-004 216E0891
5 6300548624 PIN,LOCATE 4 831E--110-005 216E0437
6 6300883893 PIN,LOCATE 1 831E--110-006 216E0892
7 6300925159 PIN,LOCATE 1 831E--110-007 216E0934
8 6300942705 MECH PARTS(CABLEVEYOR) 1 831E--110-008 226J0955
9 6301427546 SWITCH,PRESSURE 1 B4A 831E--110-009 4S1M0035
11 6301428543 BASE 1 831E--110-011 210A2501
12 6301428550 PLATE 2 831E--110-012 211DB331
14 6301436449 PLATE 1 831E--110-014 211DB409
15 6300907667 BOSS 1 831E--110-015 213E0127
16 6301386119 PLATE 1 831E--110-016 211DA766
17 6301386126 PLATE 1 831E--110-017 211D9912
18 6301418940 BRACKET 1 831E--110-018 211FA318
19 6301418957 BRACKET 1 831E--110-019 211FA319
20 6301436456 PLATE 1 831E--110-020 211DB410
21 6301415741 BRACKET 1 831E--110-021 211J1333
22 6300879964 BLOCK 2 831E--110-022 211G2013
61 4110418908 SCR PAN 3X6 2 M3X6 PAN 221E0497
62 4111191909 WASHER V 3X7X0.5 6 FW3 F 221H0311
63 4110864408 WASHER SPR 3 6 SW3 F 221H0280
64 6300081053 SET SCREW 1 M3X3 SET 221C0026
65 4110418908 SCR PAN 3X6 2 M3X6 PAN 221E0497
66 6300007527 BOLT,HEX-SCT 30 M3X10 221A0007
68 4111413902 WASHER V 3X7X0.5 2 FW3 221H0312
69 4111412806 WASHER SPR 3 2 SW3 221H0281
70 6300007626 BOLT,HEX-SCT 8 M4X10 221A0017
71 4111414008 WASHER V 4X9X0.8 8 FW4 221H0315
72 4111412905 WASHER SPR 4 8 SW4 221H0284
73 6300007763 BOLT,HEX-SCT 16 M5X16 221A0031
74 6300007787 BOLT,HEX-SCT 4 M5X25 221A0033
75 4111414107 WASHER V 5X10X1 4 FW5 221H0318
76 4111416705 WASHER SPR 5 4 SW5 221H0287
77 4111408007 SCR TRS 5X6 4 M5X6 TRS 221E0536
80 4110420703 SCR PAN 3X8 2 M3X8 PAN 221E0499
81 6301386201 PLATE 1 831E--110-081 211DA767

MODEL PXH-1
0711-002
24
チャック部
CHUCK SECTION
Fig. E-2
Z軸ケーブル部
Z Axis Cable Section
106
167
108
See Fig.E-1
Key No.11
See Fig.K-1
Key No.4
105
110
171
177
175
176
174
172
170
109
167
See Fig.E-3
Key No.226
See Fig.E-3
Key No.221
See Fig.E-7
Key No.630