P-0257-004 - 第69页
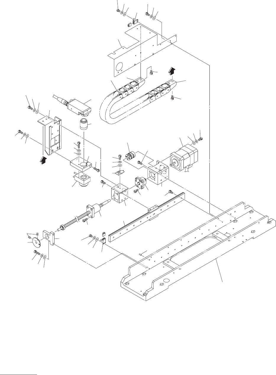
67 MODEL PXH-1 1006-003 Key No. P AR T No. P AR T NAME Q’ty REMARKS New Code NOTE 1 6301400662 MOTOR,STEPPING 1 M31 831FB-1 10-001 4M140156 2 6301431826 COUPLING 1 831FB-1 10-002 223C0231 3 6300051353 BEARING,UNIT 1 831F…

MODEL PXH-1
1006-003
66
6
68
72
73
74
1 1
A
10
9
77
78
26
63
64
65
67
72
73
24
70
2
80
4
27
1
73
3
80
17
5
69
18
66
19
76
77
78
See Fig.
F A- 1
Key No.22
15
72
68
75
79
22
75
80
A
72
73
13
12
14
25
61
82
81
6
74
61
82
81
スクリーン認識部
SCREEN RECOGNITION SECTION
Fig. FB-1
スクリーン認識X部
Screen Recognition X Section

67
MODEL PXH-1
1006-003
Key No. PART No. PART NAME Q’ty REMARKS New Code
NOTE
1 6301400662 MOTOR,STEPPING 1 M31 831FB-110-001 4M140156
2 6301431826 COUPLING 1 831FB-110-002 223C0231
3 6300051353 BEARING,UNIT 1 831FB-110-003 222F0010
4 6301425641 GUIDE,LINEAR 1 831FB-110-004 222L0811
5 6301427188 BALL SCREW 1 831FB-110-005 223B0393
6 6300690545 SENSOR,PHOTO 2 B311,314 831FB-110-006 23G10056
9 6300883701 MECH PARTS 1 831FB-110-009 226J0871
10 6300883688 MECH PARTS 1 831FB-110-010 226J0869
11 6300883695 MECH PARTS 1 831FB-110-011 226J0870
12 6301402413 UNIT,CAMERA 1 B03 831FB-110-012 4U220095
13 6301402222 SCOPE UNIT 1 831FB-110-013 4Z100143
14 6301402192 LIGHTING UNIT 1 E72 831FB-110-014 4Z110175
15 6301419732 BRACKET 1 831FB-110-015 211FA333
17 6301422466 BLOCK 1 831FB-110-017 211G4419
18 6301419749 BLOCK 1 831FB-110-018 211G4393
19 6301599557 DISK 1 831FB-110-019 213D1308
22 6301399201 BLOCK 1 831FB-110-022 211G4293
24 6301419787 PLATE 1 831FB-110-024 211FB241
25 6301418032 STAY 1 831FB-110-025 211J1337
26 6301421988 STAY 1 831FB-110-026 211J1349
27 6300883886 PIN,LOCATE 2 831FB-110-027 216E0891
61 4110418908 SCR PAN 3X6 4 M3X6 PAN 221E0497
63 6300007565 BOLT,HEX-SCT 3 M3X20 221A0011
64 4111412806 WASHER SPR 3 3 SW3 221H0281
65 4111413902 WASHER V 3X7X0.5 3 FW3 221H0312
66 6300008920 SET SCREW 2 M4X6 SET 221C0005
67 6300007619 BOLT,HEX-SCT 2 M4X8 221A0016
68 6300007626 BOLT,HEX-SCT 8 M4X10 221A0017
69 6300007640 BOLT,HEX-SCT 4 M4X14 221A0019
70 6300007718 BOLT,HEX-SCT 4 M4X45 221A0026
72 4111412905 WASHER SPR 4 13 SW4 221H0284
73 4111414008 WASHER V 4X9X0.8 13 FW4 221H0315
74 4111139109 SCR TRS 5X10 4 M5X10 TRS 221E0534
75 6300007763 BOLT,HEX-SCT 6 M5X16 221A0031
76 6300007787 BOLT,HEX-SCT 2 M5X25 221A0033
77 4111416705 WASHER SPR 5 4 SW5 221H0287
78 4111414107 WASHER V 5X10X1 4 FW5 221H0318
79 6300007893 BOLT,HEX-SCT 1 M6X20 221A0044
80 6300007633 BOLT,HEX-SCT 14 M4X12 221A0018
81 4111191909 WASHER V 3X7X0.5 4 FW3 F 221H0311
82 4110864408 WASHER SPR 3 4 SW3 F 221H0280
FB-1

MODEL PXH-1
0805-003
68
162
122
121
165
167
See Fig.K-7
Key No.652
M31
M31E
M31-F
A
M310
B03
B314
B311
X1B03
X2B03
M1310
X1064
X1072
X311
N07-P3
M31
B03
E72
M31E
スクリーン認識部
SCREEN RECOGNITION SECTION
Fig. FB-2
ケーブル
Cable