SM321-part list - 第136页
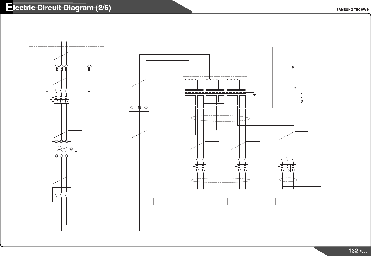
9B 9B 1B 1B 10A 2A 3A A B 11A 14B 6A 4A A B 12B A B 13B 5A B A 7A 15B A B 16B 8A 10B 2B TOREARMONITOR (PC+VMEASSYPOWER) TOCONTROLBOX TOFRONTMONITOR 1L1 1L2 FROMCP2 1L2 1L1 -TB1(116:1 Ø 220…

GRAPHIC SYMBOL
2 4 6
1 3 5
1
4 5 6
2 3
2
1
2 64
321
1 3 5
4
4
3
42
1 3
2 4
1 3
6
5
11R
240
(SM21_PW005)
(SM_PW004)
3.5mm
3.5mm
-MAINS/W
(600VAC,20A)
L32
L33
L31
-NF1
(3Ø,20A)
L22
L21
L23
2P-C16
-CP1
TF1L1
(SM_PW003)
(SM_PW002)
(SM_PW001)
3.5mm
FACTORYMAINPOWER
3.5mm
3.5mm
(3Ø/PE60HZ200415VAC)
-MCCB1
(3,18A)
L13
L12
L11
-MAINCON.
TR S
APPROX.5KVA)
T
SR
-EARTHPLATE
PE
PE
-TRANS
220V
208200 220
L31
PE
(SM_PW007)
11T
toTB1-1,TB1-9
1L1
1L2
2P-C16
-CP2
2.0mm
TF1L2 TF2L1 TF2L2
2.0mm
22S
22R
(SM_PW008)
22T
3P-C16
-CP3
TF3L1
TF3L2
TF3L3
(SM_PW006)
220V
0V 110V
220V
0V 220V
200220415380 200 208 380240 415
L32
415208220 380240
L33
2.0mm
X,Y1,Y2,SW,WDAXIS
toMC2
5.RATEDPRIMARYVOLTAGE:220V
RATEDPRIMARYCURRENT:12.3A
7.SECONDARY#1:1110-0.4KVA
SECONDARY#2:1220-1.8KVA
SECONDARY#3:3220-2.5KVA
2.FREQUENCY:50/60Hz
1.CAPACITY:4.7KVA
3.PHASE:3
4.CONNECTION:Y-Y
<TRANSSPECIFICATION>
6.PRIMARY:3200/208/220/240/380/4154.7KVA
(23860) (23860) (23880)
SERVODRIVER
CONVEYORACMOTOR
Z1Z6AXIS
SERVODRIVER
toMC1toTB1-17,TB1-20 toTB1-31,TB1-34
22R 22T11R 11T
CONTROLBOX(PC+VME)
MONITOR1,2
DCPOWERSUPPLY(+24V)
ACFAN
-TB2
(SM21_PW030)
3.5mm
2
2
PE01
2
2
2
22
PE02
2
2

9B 9B
1B 1B
10A
2A 3A
A
B
11A 14B
6A4A
A
B
12B
A
B
13B
5A
B
A
7A
15B
A
B
16B
8A
10B
2B
TOREARMONITOR
(PC+VMEASSYPOWER)
TOCONTROLBOX TOFRONTMONITOR
1L1 1L2
FROMCP2
1L2
1L1
-TB1(116:1Ø220V1L1,1L2)
1.25mm 1.25mm
(RIGHTSIDE)
-FAN1
-FAN2
1L1 1L2(F3)
1.25mm
1L1 1L2
POWERINLET
1L1 1L2 1L1 1L2
(OPTION)
-PS1
1.25mm
1L1 1L2(F1)
1L21L1
-FUSE1(AC250V,10A)
1.25mm
TOSC-CN2
+24V 24G +24VM 24G
1L1 1L2(F2)
-FUSE2(AC250V,10A)
1.25mm
1L1 1L2
-PS2
TOSF-CN1
-FUSE3(AC250V,5A)
-FAN3
(LEFTSIDE)
-FAN4
1L1
1L1
1L2(F4)
-FUSE4(AC250V,5A)
1L2
1.25mm
(SERVODRIVERRACK)
-FAN5
-FAN6
1L2(F5)
-FUSE5(AC250V,5A)
1L2
1.25mm
1L1
1L1
AC220V
(SM_PW010)
(SM_PW011) (SM_PW012) (SM_PW013)
(GENERALIO) (STEPPING/FEEDER)
PE04
2 2
PE05
2
PE03
DCPOWERSUPPLY
(+)
PE06
(-)
AC IN
2
24VDC
2
DCPOWERSUPPLY
(-)
24VDC
(+)
AC IN
2
PE07
2 2

23A
27A
20A
17A
24B23B
27B 28B
20B
17B
21B
18B
25B 26B
29B 30B
22B
19B
1 2
5 6
0.75mm0.75mm
11L1
11L2
11T
FROMCP1
11R
0.75mm
(SM_PW009)
1.25mm
(SM_PW016)
1.25mm
(SM_PW017)
1.25mm
(SM21_PW021-1)
1.25mm
-TB1(1730:1Ø110V)
CN7
-MC1
AC110V
LC1D096BD-20A
(SM_PW015)
PE08
Z1-AXIS
30W
U
-M1
3
M
WV E
3
-M2
M
U V
PE09
W E
SERVODRIVER
r
-SD1
L3L1
t r t
-SD2
L3L1
PE10
U
-M3
3
M
V W E V
M
3
-M4
U
PE11
W E
r
-SD3
L3L1
t tr
-SD4
L3L1
2
2
2
2
PE13
E
PE12
-M5
3
M
WU V U
-M6
3
M
V W E
L3
-SD5
r
L1
t r
-SD6
L3
t
L1
2
2
2
Z2-AXIS
30W
Z3-AXIS
30W
Z4-AXIS
30W
Z5-AXIS
30W
Z6-AXIS
30W
CONVEYOR
PACKB/D
SERVODRIVERSERVODRIVER SERVODRIVERSERVODRIVERSERVODRIVER