SM321-part list - 第17页
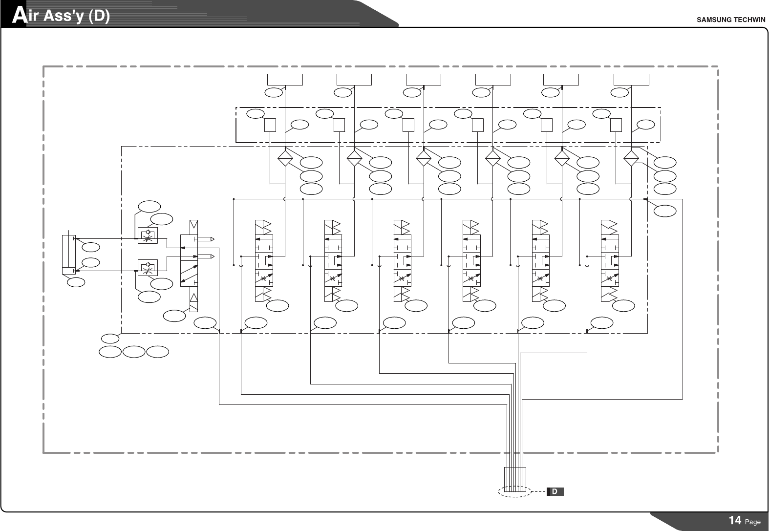
NO. PARTNO. PARTNAME Q'TY TYPE REMARK 1 J9055246D AIRMODULE 1 J9055246D 1-A J6711260A ONETOUCHFITTING 2 FSE04-M5C 1-B J6711261A ONETOUCHFITTING 7 FSC04-M5C 1-C J6702048A SOLENOIDVALVE 6 VA01PEP34-1U-…

U2-4-4*2.5
U2-4-4*2.5
HEADASSY
1
8
HEAD6 HEAD5 HEAD4 HEAD3 HEAD2 HEAD1
A
2
31
A
2
31
A
2
31
A2
31
A
2
31
A
2
31
4 2
1 35
AIRMODULE
3
5
4
6
1-D
1-H
1-B
1-A
3 33 33
44 4 44
2 222 22
7
1
1-J 1-K 1-L
1-H
1-I
1-I
1-C 1-C1-C1-C1-C1-C
1-B 1-B1-B1-B1-B 1-B
1-G
1-E
1-F
1-G
1-E
1-F
1-G
1-E
1-F
1-G
1-E
1-F
1-G
1-E
1-F
1-G
1-E
1-F

NO. PARTNO. PARTNAME Q'TY TYPE REMARK
1 J9055246D
AIRMODULE 1 J9055246D
1-A J6711260A
ONETOUCHFITTING 2 FSE04-M5C
1-B J6711261A
ONETOUCHFITTING 7 FSC04-M5C
1-C J6702048A
SOLENOIDVALVE 6 VA01PEP34-1U-F
1-D J6702049A
SOLENOIDVALVE 1 RCS242-M3-D24NP
1-E J6708021A
VACUUMFILTER 6 LF-M5-60-ZK
1-F J7458002A
FILTERELEMENT 6 LF-M5-60-Z-ELEMENT
1-G J6711262A
MINIFITTING 6 BC-03-M5
1-H J6703039A
SPEEDCONTROLLER 2 SPR-Z-M3N
1-I J6711263A
MINIFITTING 2 BE-04-M3
1-J J6705009A
SILENCER 1 AS-5
1-K J6712016A
PLUG 1 N2201900J
2
J6713022B COILTUBE(POLYURETHANE) J6713022B
3
J6711180B ROTARYJOINT 6 RC3-M5M-STN
4
J3204002A PRESSURESENSOR 6 MPX5100AP
5
J1300120 FITTING 1 M-5HL-4
6
J6711156A HOSENIPPLE(D/C) 1 M-5H-4
7 J9083179A SIDEILLU/DSENSORCABLEASS'Y
1
SM21-HD003
8
9
10
11
12
13
14
15
16

1-E
1
1-A
1-D
1-C
1-B
1-F
1