SM482_TechnicalReference(Eng_Ver1.1)(1) - 第102页
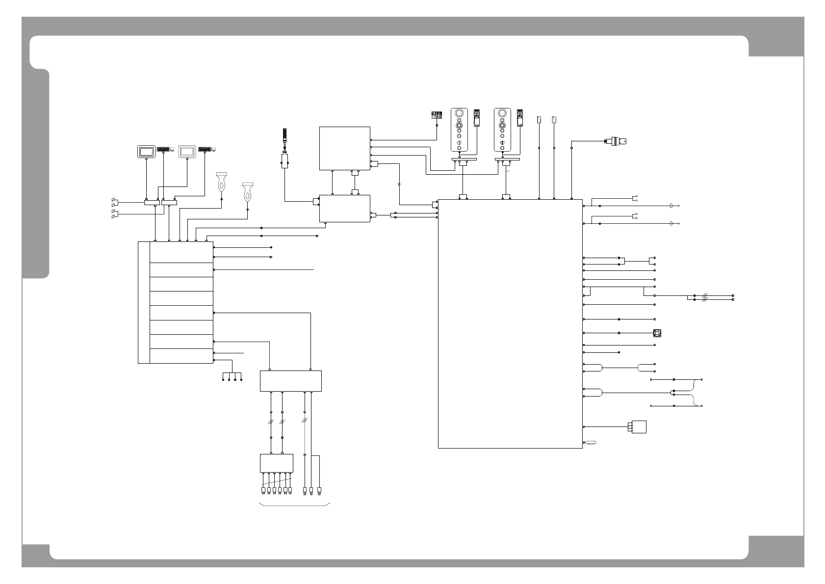
Page SAMSUNG TECHWIN 92 SM482 SM482 Harness Wiring Diagram R8 120 OHM 미삽처리 J2 CONN. 추가 CAN R-FEEDER I/F BOARD CN5 CN6 SM_FD003 SM_FD004 CN3 REAR FEEDER BASE RIGHT B/D FLA T CABLE AXIS IO BOARD #1 [AXIO#1] [RFD] JK1 JK2 J…

Page
SAMSUNG TECHWIN
91
SM482
SM482 Harness Wiring Diagram
3C
8C
1D
9D
TOWER LAMP
FLY CAM1~6
SM421_VIS011
G
LOCK
R
S
T
M
E
E
CHANGE
F/FEEDER
RESET
0N
STOP
START
READY
E
O
P
C
N
Y
RESET
F/FEEDER
CHANGE
STOP
START
READY
P
O
T
S
Y
N
C
E
E
E
M
R
G
<FRONT-OP> <REAR-OP>
LOCK
0N
INDUSTRIAL PC
COM1USBMON LAN1
PC-232
SBC
<FRONT>
<REAR>
PCIE ADAPTER #1
PCIE X1
AXIO B/D #1-CN1
MON분배기
SM411_KV003-1
SM471_KV003-3
USB HUB
SM471-PC005
SM471-PC006
SAMC-ME #1
PC RACK 12V
SM471_PC003
SM471_KV003-2
SAFETY CONTROL B/D
CN30
CN3
F-OP
CN31
CN3
R-OP
[SC]
CN34
T-BOX
SM48-CV034
FRONT
CN36
T-BOX
REAR
SM411-CV023-5
(SM33_CV023-5)
SM48_FD101-1
P1 P2
COM1
COM2
COM3
COM4
COM5
CN9
PWR
SM48_VIS012-1(SM482_VIS004 NONE_ME)
SM400 VISION IF B/D
CN1
FID.CAM
SM400 CAMERA IO B/D#1
[FID1]
SM41_VIS007
SM471_VIS010
#FL-4
#FL-7
FL-5.6
SM482_VIS009
IT MASTER
12V
SM471_VIS000
SM41_VIS005
SM41_VIS006
HEAD1
CN11
SM48_SC201
CN1
CN2
입력
입력
CN10
CN11
CN20
CN21
CN22
CN23
CN27
CN25
CN6
SCANNER
CN5
CONV I/F B/D
[CV]
CN33
CN26
SM48_CV132
[SUB]
CONV.SUB I/F B/D
CN32
CN27
CN28
SM33_CV003
CN6
CN1
CN18
CN3
SM421_CV113
CN17
CN2
START,FFD,RFD
CN7
SM48_PW120
PS#1
PS#2
CN4
CN2
SM421_OP103
START,STOP,RESET,FFD
CN5
SM421_OP104
START,STOP,RESET,FFD
CN2
SM33_OP005
SM33_OP005
CN7
CN13
SM48_CV004
CN8
SM48_CV026
M
1
2
OUT
AIR SENSOR
SM471_PW068
SM48_SC001
CN3
CN1
CN4
CN1
CN6
CN13
EM,READY,DOOR,FSO
[VIS]
CN24
RY11-14/13
111234 5
RY1-6
RY1-4
SM48-PW032
(+24V)
(+24V)
RY2-6
RY2-4
SM48-PW033
(+24V)
(+24V)
CN18
MC1
+A1
-21
-A2
-22
CN19
SM41_SC006
SM48_VIS002
SM33_CV026-1
J1R-3
J1R-4
SM411-CV023-4
(SM33_CV023-4)
SM471_OP001
SM471_OP001
SM471_PC003-1
SM48_PW120
T1L(3.4)
T1L(1.2)
SM471_PW067
PWR
PWR
CN35
SM48_SC201
J1R-2
SM48_CV035
SM48_SC002
SM41_IT003
SM48-SC105
SM48-SC105-1
SAFEGUARD OVERRIDE KEY
SM33_SC008
SM33_SC009
SM41_SC011
R DRIVER-PW
SM41_SC006
21/22
JUMPER
SM48_VM111 SM41_VM111-1
REAR PANEL LAN PORT
RFD-CN4
CV-CN4
SM48_CV101
SM48_PW044
FFD-CN4
SM48-FD101
AX-CN1
SM41_AX001
SM471_IT005
PWR
PS#2
SM471_IT004
CAN
CAN_CH1_L
CAN_CH2_R
CAN_CH3_L
CAN_CH4_R
6
COM6
2
FIX.CAM
BS1 DRV CN1
SM41_SC012
CN12
BS2 DRV CN1
COM5
COM6
TF1
TF2
SM421_OP104
CN14
SM421_VM101-2
CN15
AXIO#1-CN2
SM48_SC007
CN28
HD-PW-EXT
FL-#18
HEAD IF CN1
FL-#1
X_SEN.
FIX_ILL-CN1
SM48_SC008
CN29
J1R-1
SM482_AX006
R-SC-CN12/32
SM48_VM101
SM48_VM102
SC-CN15-EXT [R]
SC-CN14-EXT [R]
TF-CH1
TF-CH2
PMC1-EXT
PMC2-EXT
COM5
COM6
SM48_VM101
SM48_VM102
SM421_VM101-1
SM421_VM102-1
CN6CN8 CN10 CN7
SM471_VIS003-1
FFD-PW
Serial1
Serial2
<FRONT>
BARCODE READER
<REAR>
SM471_IT001
SM411_IT002
(COM3)
(COM4)
SM471_PW020
SM471_PW022
STEP/HEAD DRIVER FAN

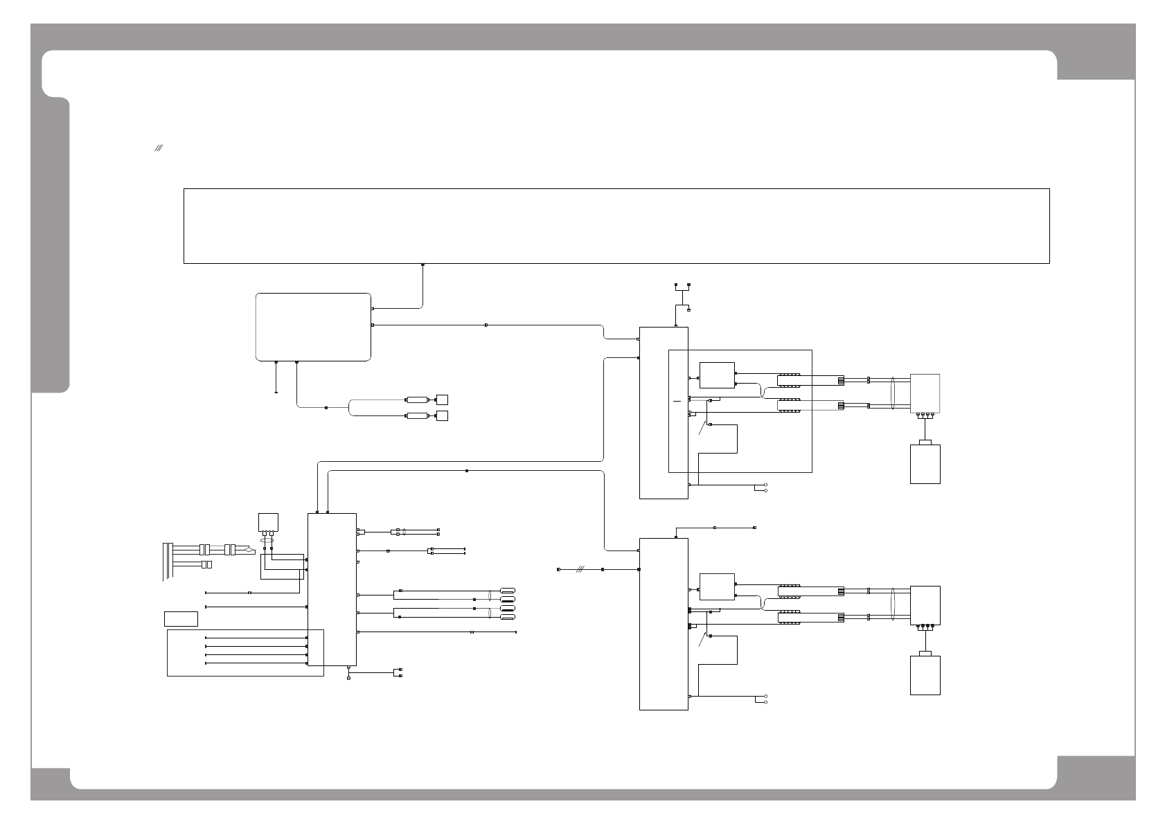
Page
SAMSUNG TECHWIN
92
SM482
SM482 Harness Wiring Diagram
R8 120 OHM 미삽처리 J2 CONN. 추가
CAN
R-FEEDER I/F
BOARD
CN5
CN6
SM_FD003
SM_FD004
CN3
REAR FEEDER BASE RIGHT B/D
FLAT CABLE
AXIS IO BOARD #1
[AXIO#1]
[RFD]
JK1 JK2 JK3 JK4 JK5 JK6
CN7
JK7 JK8 JK9 JK10 JK11 JK12
CN8
SM_FD005
CN11
CN4
SM48_CV101
SACO-CN22
FEEDER INPUT
EXT.BOARD
[FD_EXT]
SM_FD006
CN2
JJ1 JJ2 JJ3 JJ4 JJ5 JJ6
SM_FD007
JJ7 JJ8 JJ9 JJ10 JJ11 JJ12
SM_FD025
SM_FD024
CAN
PWR
CAN
PWR
REAR FEEDER BASE LEFT B/D
FD-CN7FD-CN7
FD-CN13
SM411N_FD001
FD-CN7
SM471_IT004
CAN
PWR
CAN
PWR
PC RACK
PS2
SM471_IT005
+24V 24G
CH1
CH2
CH3
CH4
CV-CN4
J1R-2
J1R-1
IT MASTER
F-FEEDER I/F
BOARD
CONVEYOR I/F
BOARD
CN3
CN5
CN6
CN4
SM_FD004
SM_FD003
SM_FD005
SM48_FD101
SM_FD007
SM_FD006
FEEDER INPUT
CN3
CN2
EXT.BOARD
CN11
CN3
CAN
[FFD]
[CV]
[FD_EXT]
CN13
SM48_FD002
SM_FD025
SM_FD024
CAN
PWR
CAN
PWR
CN9
CN20
SM421_CV106-1
SMEMA
CN16
CN19
CN1
SACO-CN21
SACO-CN20
CN7
JK1 JK2 JK3 JK4 JK5 JK6
CN8
JK7 JK8 JK9 JK10 JK11 JK12
JJ1 JJ2 JJ3 JJ4 JJ5 JJ6
JJ7 JJ8 JJ9 JJ10 JJ11 JJ12
FRONT FEEDER BASE LEFT B/D
FRONT FEEDER BASE RIGHT B/D
FD-CN7FD-CN7
FD-CN13
SM411N_FD001
FD-CN13-EX
SM48_CV010
ANC OPEN SEN.
CN21
SM421_CV115
FAREA-E
FAREA-R
SM33_CV016
FRONT AREA SENSOR
CN22
SM33_CV018
REAR AREA SENSOR
SM421_CV106-2
CN14
CAN
CN3
SM471_IT004
CAN
PWR
CAN
PWR
CN12
CN15
MC2
TH-N12
SM421_CV109-1
CN4
SM48_CV101
J1R-1
J1R-1
RFD-CN4
SM421_CV117
RAREA-E
SM471_CV117-1
RY3-7
RY3-8
PC RACK
SM471_PW146-1
SM48_PW147
CN2
CN3
CN2
PS2
SM471_IT005
+24V 24G
CH1
CH2
CH3
CH4
SCM HEAD IF B/D
CN16
CN1
SM48_VI102
J2
SC-CN29
SM48_SC008
CN2
CN3CN3CN3 CN2
CAN
CAN
CAN
CAN
FL-#19 (CAN)
SM48_CA001
SM48_CA102-1
SM48_CA102
SM41_CA003
SM48_CA104
SM48_CA104-1
SM482_CA105
FIX1 LED I/F B/D
FIX2 LED I/F B/D
RAREA-R
SM421_CV151
SM421_CV151-1
PLACE STOPPER SENSOR
9
7
6
4
3
5
2
1
9
7
6
4
3
5
2
1
CN15S
11
2
3
2
3
BUT UP SENSOR
+24V
BUT-UP
24G
BUT-UP
SM421_CV150
1
2
3
1
2
3
SM421_CV150-1
1
2
1
2
PUMP TEMP ALARM
24G
SM48_PW147
SM421_CV150-1
BUT SENSOR
CN5
SM421_CV102
CONVEYOR SOL VALVE
PLACE STOPER SOL
BACK UP TABLE SOL
EDGE PUSHER SOL
ANC#1 SHUTTER SOL
CN10
SM33-CV028
CN11
SM33-CV029
CN23
SM33-CV019
CN24
SM33-CV020
F-DC-SOL
R-DC-SOL
F-DC-SNS
R-DC-SNS
DOCKING CART OPTION
CN13
SM48_FD003
FD-CN13-EX
RY5-7
RY5-8
(FIX ILL BOARD)
SM48_FD101-1
SM48_VI102-1
R-FIX.ILL
L-FFD-PW
FIX-ILL-R
FFD-CAN
SM471_PW147-1
ANC CLOSE SEN.
SM48_CV010-1

Page
SAMSUNG TECHWIN
93
SM482
SM482 Harness Wiring Diagram
FLAT CABLE
AP5 AXIS IO BOARD #1
CN11
(1KW)
Y2
(1KW)
Y1
CN13
SM48_MD036 SM48_MD037 SM48_MD038
PW48_PW020 PW48_PW019
[AXIO#1]
SM48_VM003
CN12
CN14
CN2
PWR
SACO-CN27
SM48_SC007
CN1
PCIE X1_3m
PCIE ADAPTER #1
Panasonic AC servo
SET
MODE
Panasonic AC servo
SET
MODE
Panasonic AC servo
SET
MODE
SM48_MD008
SM48-MD005
SM48_MD010
SM48_MD006
SM48_MD009
SM48_MD007
SM482_VM004
(750W)
X
CN19
Z12 AMP
Z1 Z2 Z3 Z4
CN20
SM482_VM007-1
CN5
CN6
CN3 CN1
CN10
CN4 CN2
CN21
CN22
CN5
CN6
CN3 CN1 CN4 CN2
Z5 Z6
CN23 CN24
CN5
CN6
CN3 CN1 CN4 CN2
PWR
SM482_PW027
SM482_VM007-2
CN10
SM482_VM007-3
CN10
SM471_PW031
SM471_PW031
Z34 AMP Z56 AMP
SM41_MD026
SM41_MD027
SM41_MD028
SM482_MD029
SM41_MD030
SM41_MD031
FL-8,9 FL-9,10 FL-11,12
PS#2
R-STEPPING
DRIVER
R-POWERSIG1 SIG2 SIG2
MOT1 MOT2 MOT3
SM41_SC011
SC-CN10
CN16
CN17
CN18
R1
R2
R3
FL-16,17
SM41_MD011
SM41_MD038
SM41_MD039
SM41_MD040
SM482_MD012
AP5 AXIS IO SLAVE BOARD #1
SM482_VM006
PW48_PW019
PW48_PW018
CN1
WB1 WB2
CN3
CB3 CB4
CN2
CB12
BW12
CB34
CN3
CN2
CN3
CN2
CN3
CN2
SM48_MD015
CN1
SM421_MD109 SM421_MD109-1
SM482_VM008
SM482_VM009
SM41_SC012
CN1
SC-CN11
SC-CN12
CN4
CN4
CN4
SM421_MD209 SM421_MD209-1
SM48_MD016
SM421_MD108 SM421_MD108-1
SM421_MD208 SM421_MD208-1
CB1 CB2
SM48_MD013
SM48_MD014
SM421_MD110 SM421_MD110-1
SM421_MD210 SM421_MD210-1
SM48_MD017
SM48_MD018
CN15
PW48_PW018
SM482_VM005
FL-2,3
SM48_MD021
SM48_MD020
Panasonic AC servo
SET
MODE
SW
(50W)
FL-14,15
Panasonic AC servo
SET
MODE
WD-ENWD-PW
SM471_MD023
SM48_MD022
WD
(100W)
SM41_MD032