SM482_TechnicalReference(Eng_Ver1.1)(1) - 第163页
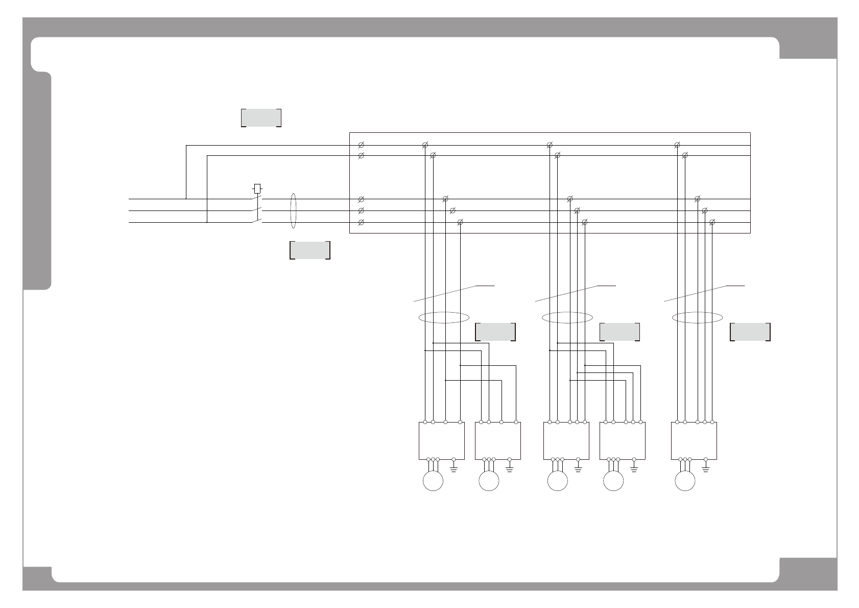
Page SAMSUNG TECHWIN 153 SM482 Power Block Diagram(6/8) DRIVER DRIVER PE09 U -M1 3~ M W V E 3~ -M2 M UV PE10 W E L3 SERVO r -SD1 L1 t SERVO rt -SD2 L3 L1 DRIVER DRIVER PE1 1 U -M3 3~ M VW E V M 3~ -M4 U PE12 W E SERVO r …

Page
SAMSUNG TECHWIN
152
SM482
Power Block Diagram(5/8)
NO. Lev. PART NO. PART NAME Q'TY Old No. Supply Supply LT Reference
1 AM03-007057A CABLE ASSY-TB1_FS1_FS2 1 SM48_PW111-2
2 AM03-006954A CABLE ASSY-AC_RELAY_ POWER 1 SM48N_PW005
3 AM03-005702A CABLE ASSY-MON_DISTRIB_ADAPTOR 1 SM471_PW068
4 AM03-005519A CABLE ASSY-USB_HUB_ADAPTOR 1 SM471_PW067
5 AM03-006899A CABLE ASSY-PS1_2_AC_POWER_T1L 1 SM48_PW111
6 AM03-006906A CABLE ASSY-PS1_PS2_PW_T1L 1 SM48_PW201
7 AM03-006955A CABLE ASSY-PS3_4_AC_POWER_T2L 1 SM48N_PW112
8 AM03-006956A CABLE ASSY-PS3_PS4_PW_T2L 1 SM48N_PW202
9 AM03-006901A CABLE ASSY-PS1_2_DC_POWER_T1L 1 SM48_PW120
10 AM03-006896A CABLE ASSY-Z_DRV_PW 1 SM48_PW027
11 AM03-006902A CABLE ASSY-PS3_4_DC_POWER_T2L 1 SM48N_PW103

Page
SAMSUNG TECHWIN
153
SM482
Power Block Diagram(6/8)
DRIVERDRIVER
PE09
U
-M1
3~
M
WV E
3~
-M2
M
UV
PE10
W E
L3
SERVO
r
-SD1
L1
t
SERVO
rt
-SD2
L3L1
DRIVERDRIVER
PE11
U
-M3
3~
M
VW E V
M
3~
-M4
U
PE12
W E
SERVO
r
-SD3
L2L1
t
SERVO
t
L3
r
-SD4
L2 L3L1
2
DRIVER
E
PE13
-M5
3~
M
W
UV
L2
-SD5
r
L1
t
SERVO
L3
50W
SW-AXIS
100W
WD-AXIS
750W
X-AXIS
1KW
Y2-AXIS
1KW
Y1-AXIS
2 2
22L1
22L3
22L2
22T
22R
(SM48_PW018)
0.75mm
(SM48-PW019) (SM48_PW020)
-MC1
3P AC220V
22R
22S
22T
LC1D096BD-20A
(SM48_PW009)
0.75mm 0.75mm
FROM CP2
(SM48_PW008)
17C17B
19B
21B
19C
21C
15B
13B
15C
13CB
18B
22B
20B
16B
14B13A
15A
17A
19A
21A
1
3
5
2
4
6
1
2
3 4 5

Page
SAMSUNG TECHWIN
154
SM482
Power Block Diagram(6/8)
NO. Lev. PART NO. PART NAME Q'TY Old No. Supply Supply LT Reference
1 AM03-006873A CABLE ASSY-CP2_TB1-MC1 1 SM48_PW008
2 AM03-006958A CABLE ASSY-MC1_TB1 1 SM48_PW009
3 AM03-006959A CABLE ASSY-SW_WD_SERVO_POWER 1 SM48_PW018
4 AM03-006960A CABLE ASSY-X_Y2_SERVO_POWER 1 SM48-PW019
5 AM03-006961A CABLE ASSY-Y1_SERVO_POWER 1 SM48_PW020