SM482_TechnicalReference(Eng_Ver1.1)(1) - 第88页
Page SAMSUNG TECHWIN 78 SM482 NO. Lev . P ART NO. P ART NAME Q'TY Old No. Suppl y Supply L T Reference

Page
SAMSUNG TECHWIN
77
SM482
Electric Device Ass’y(4/4)
NO. Lev. PART NO. PART NAME Q'TY Old No.
Suppl
y
Supply LT Reference
1
AM03-
006356A
CONVEYOR_STEP_MOTOR_DRIVER_ASSY
1
2
EP06-000219 SERVO CONTROL-DRIVE-STEP_MOTOR_DRIVER_4A
2 EP06-000219
3
J91741023A SM411_CONVEYOR_PWR_BOARD
1

Page
SAMSUNG TECHWIN
78
SM482
NO. Lev. PART NO. PART NAME Q'TY Old No.
Suppl
y
Supply LT Reference

Page
SAMSUNG TECHWIN
79
SM482
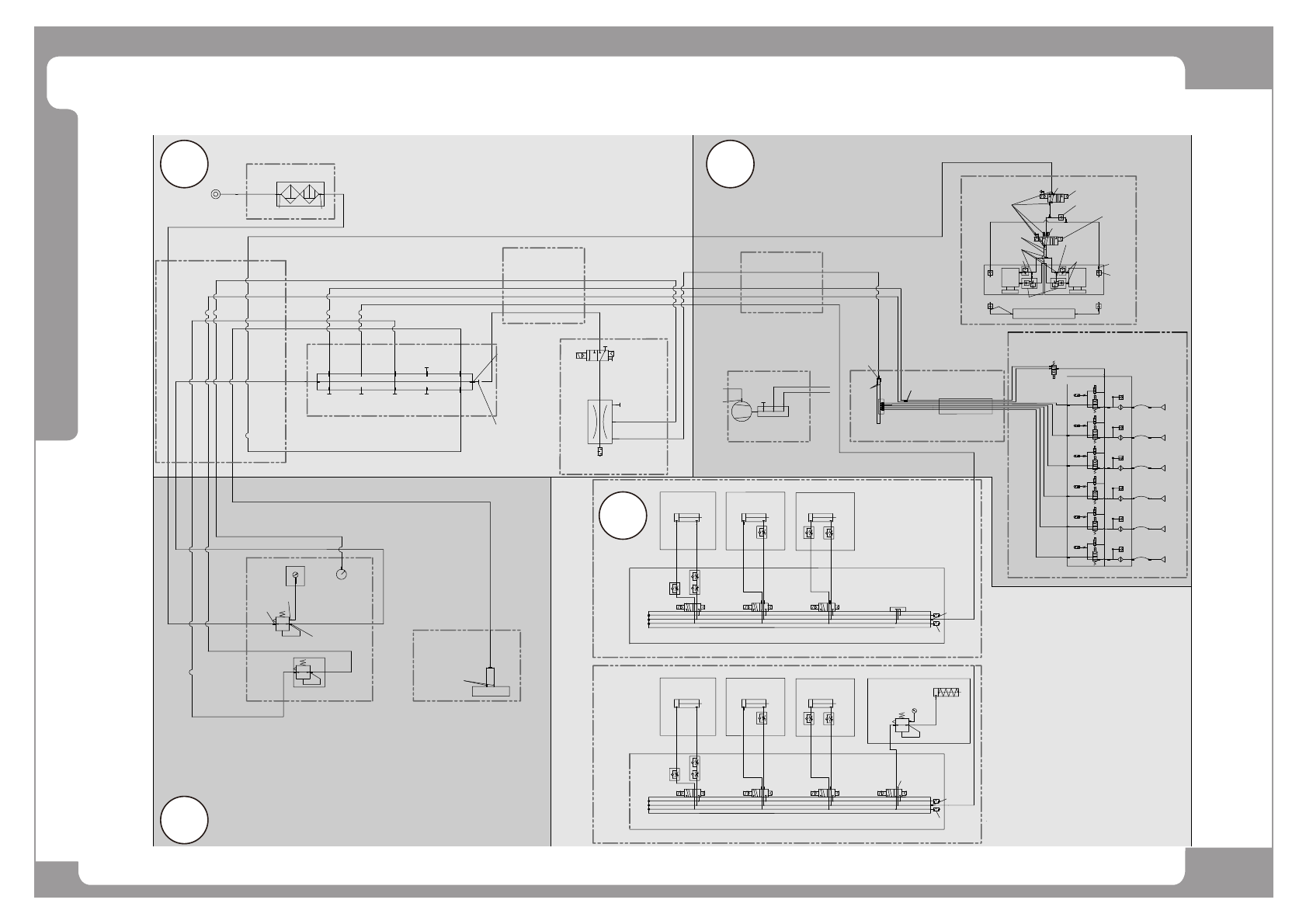
AIR Ass’y(1/5)
HP09-000007
KM11-08-12-10
MANIFOLD ASSY AM03-007641A
(LEFT CABLE DUCT ASSY 하위에 포함)
STANDARD AIR ASSY
1
3
2
(A)
4
(B)
2
3
(R)
1
(P)
1
3
2
(A)
4
(B)
2
3
(R)
1
(P)
1
3
2
(A)
4
(B)
2
3
(R)
1
(P)
1
3
2
(A)
4
(B)
2
3
(R)
1
(P)
1
3
2
(A)
4
(B)
2
3
(R)
1
(P)
1
3
2
(A)
4
(B)
2
3
(R)
1
(P)
SUPPLY BLOW
ğ4
(A)
4
(B)
2
3
(R)
1
(P)
BLOW
ğ4
0.1MPa
OVER BLOW
ğ4
0.5MPa
FILTER ASSY
STANDARD AIR ASSY
AIR PANEL ASSY
AIR INDICATOR CABLE ASSY
Feeder Base (DC)
2-J6703033A
AS2201F-01-06S
4-J6711019A
KQ2U06-00
FEEDER BASE ASSY (DC)
FEEDER BASE ASSY(FRONT-DC)
FEEDER BASE ASSY(REAR-DC)
FEEDER BASE ASSY (ST)
FEEDER BASE ASSY(REAR-ST)
FEEDER BASE ASSY(FRONT-ST)
Feeder Base
VACUUM PUMP (OPTION)
HP09-000148
KM11-04-08-06
Y CABLE DUCT ASSY
RIGHT CABLE DUCT ASSY
PC RACK ASSY (PVC DUCT)
LEFT CABLE DUCT ASSY
STANDARD AIR ASSY
2-J6711028A
KQ2L04-01
J6701088A
CM2C32-50
SOL_VALVE_EDGE_FIX-OPTION
2-J6711028A
KQ2L04-01
J6701088A
CM2C32-50
2xHP13-000037A
UML-412
BU1-YL1-BK10
3.7M
1
J6711183A
KQ2R06-08
J6711183A
KQ2R06-08
2-J6711104A
KQ2H04-00
J67121009A
PLUG KQ2P-08
HP06-000226
FITTING KQ2R10-12
(ST OPTION 㢰 ᷱ㟤
KQ2P-10 㥐ᶤ䚌Ḕ ⵤ㉔䚔 ᶷ)
HEAD 1HEAD 2HEAD 3HEAD 4HEAD 5HEAD 6
J67081006B
MIST_SEPARATOR_ASSY
J67111032A
SQV12-04S
U2-4-12*8
J67111032A
SQV12-04S
HP11-000074
P5010_01_A2_01_AA_PI48-3
2-J67111203A
SQL10-03S
1P 3R
J67021025A
VP544-5DZ-03A
J6712014A
PLUG 3/8
2A
X
J6712014A
PLUG 1/8
U2-4-4*2.5
J1301187
KQ2L12-04
J1301187
KQ2L12-04
U2-4-12*8
J6711028A
KQ2L04-01
HP09-000150
SPABT-P10-R18-2N-K1-
J6711147A
SQL04-M5-W
J6709012A
TAR4000-04
J61191167A
FITTING KQ2F04-01
J61191172A
METER GZ46-K-01-C1
J67091014A
AR08-T2-DOMO-J346A
U2-4-12*8
U2-4-12*8
U2-4-12*8
J67121009A
PLUG KQ2P-08
4-J1301188
KQ2L04-M5
U2-4-4*2.5
J9057168B
2-J6711257A
KS-4-M5-SA34698KR
J9057180A
2-J6703034A
ASP330F-01-06S
U2-4-4*2.5
J9057172B
U2-4-4*2.5
5-J1300276
KQ2L06-01
U2-4-4*2.5
2-J6711256A
KD-M5-SA34697KR
2-J1301188
KQ2L04-M5
4-J6711247A
PT18EF
2-J6711009A
KQ2L06-M5
J6702021A
K180-4E1-21-DC24V
J6702021A
K180-4E1-21-DC24V
J6703037A
AKH06-00
2-J6705004A
AN101-01
J1300284
KQ2U06-00
J6711168A
BUYD06-04
3-J6712008A
PT 1/8
J6711183A
KQ2R06-08
후면
U2-4-6*4
U2-4-8*5
U2-4-8*5
U2-4-6*4
U2-4-4*2.5
J6711168A
BUYD06-04
U2-4-4*2.5
2-J1301188
KQ2L04-M5
전면
J6711183A
KQ2R06-08
J67121002A
PLUG KQ2P-10
U2-4-12*8, BLACK, 3200mm
U2-4-6*4, BLACK, 1900mm
U2-4-6*4, YELLOW, 1900mm
U2-4-8*5, BLACK, 1900mm
U2-4-4*2.5, BLACK, 1700mm
U2-4-6*4, BLACK, 1400mm
U2-4-6*4, YELLOW, 1400mm
U2-4-8*5, BLACK, 1400mm
U2-4-10*6.5, BLACK, 1700mm
U2-4-6*4, BLACK, 1000mm
U2-4-4*2.5, BLACK, 900mm
U2-4-12*8, BLACK, 900mm
U2-4-12*8, BLACK, 1800mm
U2-4-6*4, YELLOW, 900mm
U2-4-6*4, YELLOW, 900mm
U2-4-6*4, BLACK, 1000mm
U2-4-6*4
U2-4-6*4
U2-4-12*8
U2-4-4*2.5
U2-4-6*4
U2-4-6*4
U2-4-6*4
U2-4-6*4
U2-4-6*4
HP06-000235
KQ2U12-00
2-HP06-000234
KQ2R08-12
U2-4-8*5, BLACK
'b'
'c'
FITTING KQ2L12-04S
FITTING KQ2L04-01S
J67121009A
PLUG KQ2P-08
J67121009A
PLUG KQ2P-08
J67121009A
PLUG KQ2P-08
PLUG
'a'
'd'
3-HP06-000275
DIN 908-G1/8-ST
AM03-007232A SM482_SOL_VALVE_MODULE (4연)
2-J6703028A
SS4-M5MA
2-HP09-000164
U-E-1/8-S
HP14-000397 VUVG-S10-M52-RT-M5-1H2L
HP06-000279
QS-E-1/8-8-C
U2-4-6*4(YELLOW)
HP14-000398
GRLA-E-M5-QS-4C
J67031002A
ASD230F-M5-04
U2-4-4*2.5
3-HP14-000397
VUVG-S10-M52-RT-M5-1H2L
J1301188
KQ2L04-M5
J6701018B
WTS10X30-RS2
U2-4-4*2.5(BLUE)
U2-4-4*2.5
J1301354
AS1201F-M5-04-X214
J9080778B(J6701064A)
BDAS10X5-1A-ZC153A2
U2-4-4*2.5(YELLOW)
U2-4-4*2.5
2-J6703028A
SS4-M5MA
HP15-000010
VABB-L1-10-S
AM03-007338A SOL_VALVE_EDGE_FIX-OPTION
2-J6703028A
SS4-M5MA
2-HP09-000164
U-E-1/8-S
HP06-000279
QS-E-1/8-8-C
3-HP06-000275
DIN 908-G1/8-ST
U2-4-6*4(YELLOW)
HP14-000398
GRLA-E-M5-QS-4C
J67031002A
ASD230F-M5-04
U2-4-4*2.5
4-HP14-000397
VUVG-S10-M52-RT-M5-1H2L
J1301188
KQ2L04-M5
J6701018B
WTS10X30-RS2
U2-4-4*2.5(BLUE)
U2-4-4*2.5
J1301354
AS1201F-M5-04-X214
J9080778B(J6701064A)
BDAS10X5-1A-ZC153A2
U2-4-4*2.5(YELLOW)
U2-4-4*2.5
2-J6703028A
SS4-M5MA
J6701037B
CQ2B12-KRC0137-2D
J6709018A
AR10-M5BG
2-J1301188
KQ2L04-M5
U2-4-4*2.5
J1301188
KQ2L04-M5
HP09-000156
B-M5-B
U2-4-12*8
U2-4-6*4
CONVEYOR ASSY
BUT ASSY
STOPPER ASSY(WORK)
ANC ASSY
CONVEYOR ASSY SOL_VALVE_EDGE_FIX-OPTION
BUT ASSY
STOPPER ASSY(WORK)
ANC ASSY
J9053341A EDGE FIXER ASSY(OPTION)
Front HEAD Air Module
A B
C
D
VACUUM PUMP (OPTION)
HP11-000059
VACUUM PUMP
KHA-400A-301-G1
HP06-000250
KQ2VT12-03S
HP06-000234 / KQ2R08-12
J61191171A / KQ2R04-08
'b'
FC28-000105
STRAIGHT NIPPLE
M3/8-ID9.5
HP13-000042
N2-4-12x9MW, 320mm
'c'
PLUG
'a'