SM482_TechnicalReference(Eng_Ver1.1)(1) - 第91页
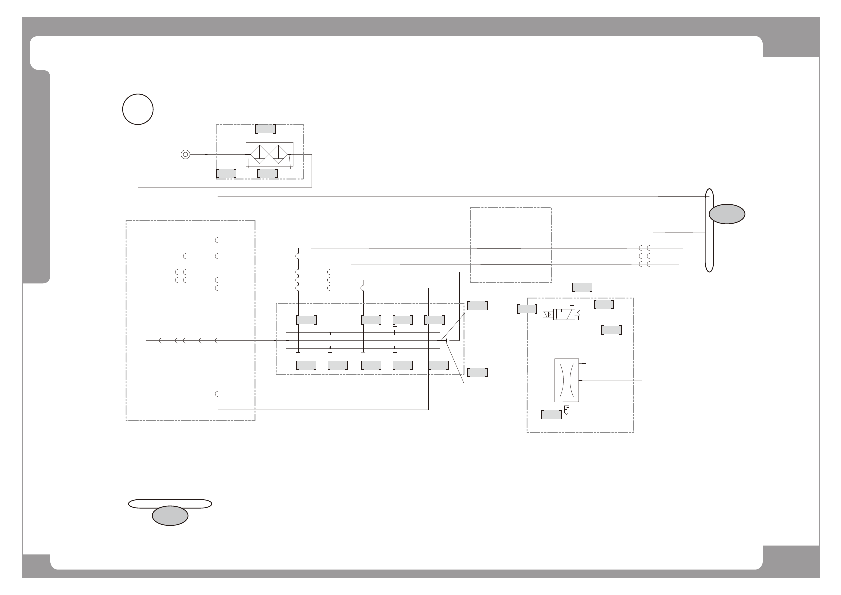
Page SAMSUNG TECHWIN 81 SM482 AIR Ass’y(2/5) HP09-000007 KM1 1-08-12-10 MANIFOLD ASSY AM03-007641A (LEFT CABLE DUCT ASSY 하위에 포함 ) ST ANDARD AIR ASSY FIL TER ASSY ST ANDARD AIR ASSY V ACUUM PUMP (OPTION) PC RACK ASSY (PVC…

Page
SAMSUNG TECHWIN
80
SM482
AIR Ass’y(1/5)
NO. Lev. PART NO. PART NAME Q'TY Old No. Supply Supply LT Reference

Page
SAMSUNG TECHWIN
81
SM482
AIR Ass’y(2/5)
HP09-000007
KM11-08-12-10
MANIFOLD ASSY AM03-007641A
(LEFT CABLE DUCT ASSY 하위에 포함)
STANDARD AIR ASSY
FILTER ASSY
STANDARD AIR ASSY
VACUUM PUMP (OPTION)
PC RACK ASSY (PVC DUCT)
LEFT CABLE DUCT ASSY
J6711183A
KQ2R06-08
J6711183A
KQ2R06-08
J67121009A
PLUG KQ2P-08
HP06-000226
FITTING KQ2R10-12
(ST OPTION 㢰 ᷱ㟤
KQ2P-10 㥐ᶤ䚌Ḕ ⵤ㉔䚔 ᶷ)
J67081006A
MIST_SEPARATOR_ASSY
J67111032A
SQV12-04S
U2-4-12*8
J67111032A
SQV12-04S
HP11-000074
P5010_01_A2_01_AA_PI48-3
2-J67111203A
SQL10-03S
1P 3R
J67021025A
VP544-5DZ-03A
J6712014A
PLUG 3/8
2A
X
J6712014A
PLUG 1/8
U2-4-12*8
U2-4-12*8
J67121009A
PLUG KQ2P-08
J6711183A
KQ2R06-08
U2-4-6*4
U2-4-8*5
U2-4-6*4
J6711183A
KQ2R06-08
J67121002A
PLUG KQ2P-10
U2-4-4*2.5, BLACK, 1700mm
U2-4-6*4, BLACK, 1400mm
U2-4-6*4, YELLOW, 1400mm
U2-4-8*5, BLACK, 1400mm
U2-4-10*6.5, BLACK, 1700mm
U2-4-6*4, BLACK, 1000mm
U2-4-4*2.5, BLACK, 900mm
U2-4-12*8, BLACK, 900mm
U2-4-12*8, BLACK, 1800mm
U2-4-6*4, YELLOW, 900mm
U2-4-6*4, YELLOW, 900mm
U2-4-6*4, BLACK, 1000mm
U2-4-6*4
U2-4-6*4
U2-4-6*4
'b'
'c'
FITTING KQ2L12-04S
FITTING KQ2L04-01S
J67121009A
PLUG KQ2P-08
J67121009A
PLUG KQ2P-08
J67121009A
PLUG KQ2P-08
PLUG
'a'
A-C
2 2
1
A
A-D
3 3
4
4
444
3
5
7
10
8
8
9
6
3

Page
SAMSUNG TECHWIN
82
SM482
AIR Ass’y(2/5)
NO. Lev. PART NO. PART NAME Q'TY Old No. Supply Supply LT Reference
1 J67081006A
MIST_SEPARATOR_ASSY TAC4020-04D-R3643
1
2
J67111032A MIST_FITTING SQV12-04S
2
3
J6711183A STRAIGHT FITTING [KQ2R06-08]
4
4 J67121009A PLUG KQ2P-08 5
5 HP06-000226 FITTING-KQ2R10-12;STRAIGHT 1
6 J67121002A PLUG KQ2P10 1
7 J67021025A AIR-VALVE VP544-5D-03-A 1
8 J6712014A PLUG PT 3/8 (SUS) 1
9 J67111203A FITTING SQL10-03S(WHITE) 1
10 HP11-000074 INJECTOR-P5010.00.AJ.01. (Pi48-3) 1